Fórum témák
» Több friss téma |
Szia. Már kezdem érteni mi a probléma. Szerinted mi az a határ amíg el lehet menni kompromisszumokkal egy nem túl bonyolult kapcsolással?
Már találkoztam ezzel kapcsolással, de a hullámforma nem impulzusszerű, hanem csengő, ezért inkább hagytam. Ha valahogy ki lehetne küszöbölni a csengést, akkor idiglenesen meg is felelne.
Nem drága a gyári nyák. A BME-n megcsinálják, ha valakinek ilyenre van szüksége.
Üdvözlet!
Lenne két kérdésem. 1. Van két 230/11.5V tápom. Ebből lehet e 230/23V-os tápot csinálni. 2. Van egy házimozitáp, több kivezetéssel, viszont egyiken sem mérek feszültséget. Legutóbbi emlékeim szerint működőképes volt mikor leraktam az egész házimozit. Ha kell rakok fel róla képet. Elkezdem nézegetni, ha valaki tud tippet adni, hogy esetleg mit nézzek annak örülnék.
1. Ha a szekunder nincs összekötve a védőfölddel, akkor sorba tudod kötni a két táp szekunderét, így meg tudod kétszerezni a feszültséget
2. Kellene egy rajz, hogy nekiinduljunk, mert így megmondani nem lehet.
1.Akkor majd szétszedem őket és megnézem a belvilág kialakítását.
2.Mindjárt áttúrom egy kicsit a netet, hátha megtalálom.
1. Nem kell szétszedni, elég hozzá egy érintkezés teszter. Kikapcsolt állapotban (várj még minden kondi lemerül) nézd meg vna -e kontaktuk a bemeneti csatin a védőföld és a kimeneten bármelyik pólus között.
1.Bocsánat azt elfelejtettem írni, hogy ezek halogénlámpa tápok voltak. Bemenet és kimenet is egy-egy sorkapocs.
2.Ennél nagyobb felbontást sajnos nem találtam, illetve itt megjeleníteni nem tudtam.
A hozzászólás módosítva: Jan 11, 2016
Ha a szekunder feszültséged +/-50V alatt van, akkor nem éri meg kicserélni, hiszen a mostnai 20A-es 100V-os dióda bőven jó. Attól, hogy a diódákat kicseréled a veszteségük nem fog csökkeni? Miért csökkene? Gondolj bele, a nyitófesz ugyanannyi (mindekttő schottky, nem?)
Hány fokosak? Egy úgy 50-60°C-ig én nem aggódnék, ugyanis a diódák vesztesége a hőmérséklet növekedésével csökken (mert csökken a nyitófesz). Ha szerinted túl melegek, akkor rakj rá nagyobb bordát, vagy fújasd ventivel.
MBR200100CT 2*10A, viszont a feszt most akarom feltornászni 2*50V körülre.most hozták meg a huzalt éppen
A ventillátorral fogom hűteni.Véleményed szerint ezzel a kapcsolással mekkora teljesítményt tudnék kihozni, mondjuk nem ezzel a kis EI33-al hanem egy másik maggal.
Az IRF840-nek szerintem ez is most határ. Erősebb FETtel akár 1kW-ig tudsz elmenni, de persze akkor meghajtzást is erősítened kell. 1kW-hoz legalább egy ETD39 kell, de ha alacsony a freki (modnjuk iR2153-nak úgy 50kHz optimális) akkor ETD44 vagy ETD49. Ezen felül utána több primer puffer kell (és vele együtt lágyindítás).
Aztán ugye jönnek a védelmek, nem ártana rezonás működés és koráltozó dióda, vagy áramváltó és áramkorlátok, satöbbi... Tehát kérdés mit értesz a kapcsolásod alatt, ezzel ennyit lehet kihozni, nagyobb teljesítményre ahogy látod rengeteg módosítás szükséges.
Akkor keresnem kell másféle megoldást.
Köszönöm a segítséget. Esetleg te nem tudsz olyat ami tudna 1kwot és 2*70-80Vot?
Amit leírtam, azt kellene megcsinálni, és az akkor tudna. Szépen sorba:
- lágyindítás (ellenállás + relé) - FET meghajtás erősítés (NPN+PNP pár, mint MMBT3904/MMBT3906) - erősebb FET (vagy több gyengébb FET, mint IRF740 párhuzamban) - nagyobb mag: ETD39 vagy nagyobb - több primer puffer - több szekunder puffer - rezonáns működés Igazából nincs ebben semmi különbösen bonyolult, csak össze kell rakni a kirakó darabjait. Ha szabályzott kell, akkor pédlául ott van az LLC konverteres cikkem, az is növelhető kb 1kW-ig ugyanilyen lépésekkel.
Megépítettük a kísérleti modellt.
Kép1 Kép2 Kép3 Kép4 - durva mi? ![]() Pöccre indult. Változtattam az IR2153 tápjának kondi kapacitásán, 10µF lett, és 100k x 3 az indításhoz. Kb 1 másodpercen belül indul. A védelem ez a kondis feszosztós. Na ezt valahogy próbálom beállítani, mert úgy indul mint a stroboszkóp... Felfűrészel az áram. Viszont, ha csinálok túlterhelést, vagy rövidzárat, akkor indulgat nagyon gyorsan és ez a FET-ek melegedését okozza de nemgyengén. A hozzászólás módosítva: Jan 12, 2016
Tényleg durva. De inkább felesleges.
Most kellene egy pontos kapcsolási rajz. Így csak találgatni lehet. Szkópfotók? A stroboszkóp indulás elvileg jó lenne.
Az a 4es kép tényleg nem egyszerű, én a hegesztőm végfokára nem raktam ennyi "rezet" (lehet kellett volna)
,pedig ott 20A is szaladgál mégpedig nagyfrekin...Amúgy nem úgy volt hogy lágyindító relés lesz? Vagy csak lemaradtam?
De, majd egyszer lesz lágyindítós relés is. Ez most egy bebikázós teszt. Ez a HALT teszt panel. Mikor robban fel a FET?! Gondoltam ha rövidre zárjuk a szekunder részt, biztos ami biztos, kicsi legyen a vezetősáv ellenállása.
Egyébként csak poénból durvultunk be, mert találtunk ilyen sodrott rezet. És a nyák ott egy kicsit szitás lett. Hááát betemettük. Na igen, készítem a rajzot, mert valahogy ezt az áramkorlátot mérni kellene és belőni. A stroboszkópos gyors indulgatás nagyon kikészíti a FET-eket. Üzem közben, terhelve nem lesz langyos se, viszont ettől a próbálkozástól nem sok választhatja el, hogy hőmegfutást kapjon. ÉS még most se robbant fel! Mit kibír ez az IRF740 ezen jóféle nem kínai verziója.
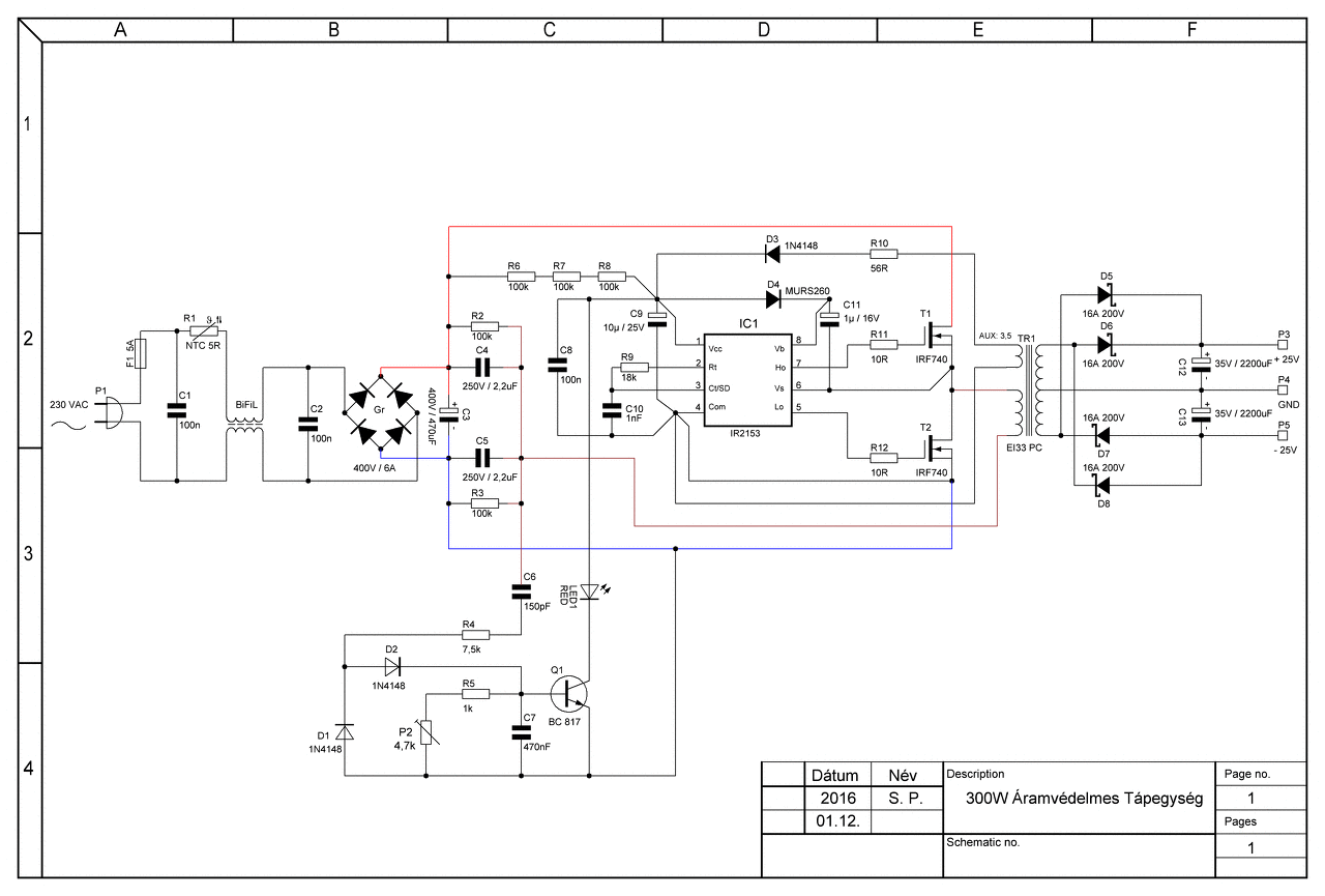
Itt egy hajszál pontos kapcsolási rajz a szerkezet jelenlegi felépítéséről.
Majd a LED1-et azért fordítsd meg, mert nem fog védeni..
Amatőr.
Köszönöm ferci az észrevételt. Természetesen. Tudod úgy volt ez hajnalban hogy, csak legyen már megrajzolva, mit hova kötöttem pontos értékekkel. ÉS még azt is oda írom, hogy az piros LED. Szóval érdekelne, hogy is kell méretezni ezt a védelmet. Csak méréssel fogom tudni meghatározni. De a tranzisztor bázisára mekkora áramot adjak. Az se egy utolsó szempont. Azt a 7.5k -t csökkenteni kellene... Talán... A hozzászólás módosítva: Jan 13, 2016
Egy apró észrevétel; ez egy hardswitch táp, ennek ellenére a trafó egyik oldalán sem látok snubber RC tagot. Biztos jó ez így?
Kíváncsi lennék szkóp fotókra az alsó FET Uds-ről, illetve a szekunder tekercsről.
No fene, azt is kihagytam a rajzból. A nyákon benne van. Javítom...
Kapcsolási rajz A hozzászólás módosítva: Jan 13, 2016
Nem tudom, ez a " lineáris üzem" mennyire lenne hatásos egy lassabb túláramnál. Egy kis feszcsökkenést okoz először a 2153-nál, mert elvesz kis áramot tőle, aztán ha már sok lesz, akkor fogy a tápja az alsó szint alá. Inkább triggerrel, hiszterézissel kellene csinálni. A leddel sorba kis ellenállást, az egész mellé meg paralel ellenállást, ne rajta folyjon csak 50-100 mA impulzusban sem.
Gondolom, a Q1 lenne a védelem? Lehúzza az ic tápját? És mitől fog a Q1 bekapcsolni? Hiszen a két 2,2 µF-os kondi itt egyszerű tápfeszosztást csinál és minimális lesz rajta a feszültséghullámosság. Ez egy hardswitch. Nem lehet, hogy összetévesztetted egy rezonánssal? Mert ott a két kondi közepe nagyon változik, de egész más a működése. Szóval, egyáltalán nem értem, hogy ez a rész hogy fog ( jól ) működni.
A hozzászólás módosítva: Jan 13, 2016
Ha a rajzot nézzük sehogy. Amikor kinyit a Q1, az rákapcsol egy ledet az IC tápfeszére, amit az gondolom egy határozott (el)villanással jelez előtétellenállás hiányában.
Nincs ott akkora mögöttes teljesítmény, de akkor sem értem, hogy ez mitől működne.
A cimopata cikk féle áramváltó+FET+Shutdown nem lenne egyszerűbb?
Egyszerűbb nem, de működne. De erről már volt szó, én is írtam róla.
Alsó FET-hez sönt+logic fet? Vagy ez hülye ötlet, mert a felsőt nem védi?
|
Bejelentkezés
Hirdetés |








,pedig ott 20A is szaladgál mégpedig nagyfrekin...Amúgy nem úgy volt hogy lágyindító relés lesz? Vagy csak lemaradtam?
Egyébként csak poénból durvultunk be, mert találtunk ilyen sodrott rezet. És a nyák ott egy kicsit szitás lett. Hááát betemettük. 






