Fórum témák
» Több friss téma |
Most már csak 3 led világit a panelen. HL710E-9-es panelről van szó.
Dugasztáp szintén, 100nF kondit tettem a kimenetre szűrésként.
Az semmi... Belül van neki 1000µF is, de brummos lehet. Stabilizált kell neki.
MIndjárt ősszedobok egy stabilizáltat 7812-vel.
Stabil, szűrt 12V-ot kap és semmi reakció. Már csak 2 LED világit.
Nem.
Pedig működö készülékből lett kiberhelve.De van még egy panel, amiben SAS560-as van A hozzászólás módosítva: Dec 16, 2015
Lehet, hogy hibás az a panel, valami külső alkatrész bekavar neki, mert rossz IC-vel még nem találkoztam...
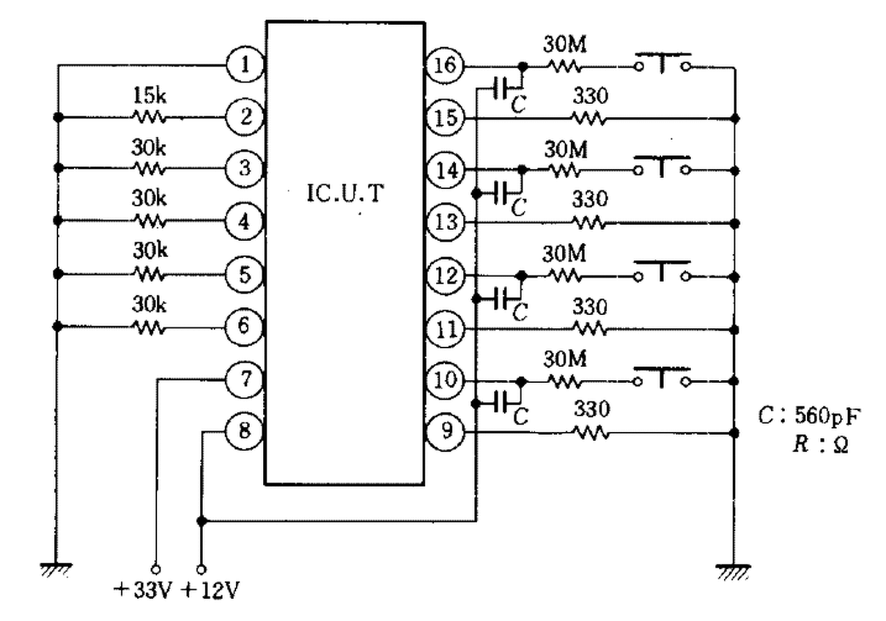
Ennyi (sem) kell neki:
330 ohmokkal sorban vannak a LED-ek, a 2-es lábra kell az ellenállás, kimenetekre nem kell a 30k.
Ezeken a paneleken hirből nem ilyen ellenállások vannak.
2M2-es, 4M7-es ellenállások és 4700-as kondik vannak benne. Az érzékelők "pozitiv" része 4M7es ellenállásokkal van szerelve.
Azt nem kel bántani. A tesztkapcsolás nyomógombbal megy, ahogy a rajz mutatja.
Az a baj hogy ekkora értékű alkatrészekkel nem rendelkezem.
Maradhat az úgy, a nem kellőeket kell kigyomlálni.
És melyek lennének azok? Gondolom az összes kimehet, a hangoló potméterek is.
Igen. Egyszerűen szippantsd ki az ónt azokról a lábakról. Egyoldalas panel, menni fog.
Szia. Adtam neki labortápról 33V-ot. Úgy se reagált, de volt füst.
Kerestünk egy másik panelt, az egy Mátra televizióból származik, azon van 2 IC. De az sem reagált.
Nekem sem ment minden panelem, lehet kényes jószág? Régen volt, de a két tápfeszre jól emlékszem.
Sötétben tapogatódzás helyett adatlapok a mellékletben.
Üdv. Az SAS-es projektet talonba tettem alkatrész hiány miatt. Maradok az IC-tranzisztor-relé megoldásnál. Találtam a neten egy ilyet. Ez a kapcsolás ha jól értelmezem akkor minden egyes gombnyomásra e kimenetet aktivál. Gondolom én. Kijavitana valaki ha tévedek?
Igen. 4017 egy számláló, minden nyomásra egyet odébblép. Ha kevesebb lépés kell, akkor az utolsó utáni kimenettel reset-et adsz neki és 1-re lép.
Akkor ez kell nekem. Minden kimenet kap egy tranzisztort és mehet is a kpcsolgatás. CD4022-vel is alkalmazható? Mert azom van itthon.
Persze, az is jó. Kevesebb lépést tud, de még így is sok a nyomkodás...
3 csatornát használok, azért annyira nem sok. Megpróbáltam össze rakni. Ét tudod nézni hogy jó lett-e? Már csak arra lennék kiváncsi, hogy bekapcsoláskor minden csatorna aktiv-e vagy csak az első a sorban... Mert ha mind aktiv nem fogja elbirni a 78L05-is stabilizátor.
A hozzászólás módosítva: Jan 24, 2016
|
Bejelentkezés
Hirdetés |





Kerestünk egy másik panelt, az egy Mátra televizióból származik, azon van 2 IC. De az sem reagált. 





