Fórum témák
» Több friss téma |
Vagy berakják egy polcra az erősítőt, hátratolják amennyire lehet, és csodálkoznak, hogy lekapcsolgat minimális hangerőn 1 óra múlva. Hátul fújná ki a meleg levegőt, már ha ki tudná... Az emberek nagy része nem ért az ilyen dolgokhoz. Tipikus példa, apám odakerült a TDA7294 erősítőmhöz. Kapásból felcsavarta a potikat maximumra, lássuk mit a hangcucc felkiáltással. Pár mp. múlva lehalkította, de majdnem tönkrement az összes hangsugárzóm, mivel azok nem bírtak, csak 40W-ot kb...
Ebből annyi a tanulság, hogy -még ha magadnak csinálod is- bolondbiztosra kell mindent elkészíteni.
A hozzászólás módosítva: Feb 9, 2016
Nekem a magasaimat nyírta meg így.
Viszont akkor már majdnem koppon volt az erősítő viszont a magasok csak 100w ig bírják azóta szépen beteszek egy input limitert aztán csak hadd tekerje neki koppra aki akarja nem fogja tudni túlhajtani
Érdekes hozzáállás. Ha jól értelek, akkor az autód pedálja alá is be van hegesztve egy ütköző, hogy ne lehessen jobban nyomni mint ahogy jónak látod, és a teniszütőd húrjába is van egy érzékelő ami azonnal áramütéssel sújtja aki nagyobbat üt vele mint amit te indokoltan vélsz, és a ceruzát se szabad nagyon rányomni mert kopik a grafit, és korcsolyával se lehet úgy fékezni, hogy felkaparod a jeget (pedig én ezt direkt imádom), és még sorolhatnám a példákat.
Szerintem a kezelői butaság ellen nincs védelem. Ha nem a hangerővel, akkor beleöntött kólával, vagy ha azzal se akkor leejtéssel is lehet ártani egy készüléknek. Ennek sose lenne vége. Nálam nagyon jól bevált a józanságra való figyelemfelhívás, és a racionális önmérséklet. Ezek, ha értő fülekre találnak, akkor sokkal hatékonyabbak mint bármilyen egyéb megoldás. (Nem mondom, hogy repesek az örömtől mikor elszakad a húrom az ütőben, de nem is bánom olyan nagyon. Tudomásul veszem, hogy ez része a játéknak, és előveszek egy másikat. -De azt nem értem, nekem miért kell 3 hetente húroztatnom, mikor a többieknek akár fél évig is kitart.-)
Ne érts félre nagyon is racionálisan látod,sőt a lehető legjobb érveket hoztad fel.Gondolkoztam hogy belinkelem a videómat ahol egy 10X10 cm es passzív bordán hajtom csutin +-42v ról a tda7294 et.És még csak kéz langyosnak sem mondható utána a történet...Visszakanyarodva a limiter mibenlétére az adott szobai konstrukcióm tudom mit bír ki HA én vagyok a kezelőszerveknél,nos ez nem így volt aznap,tehát felcsavarták a driver tönkrement cseréltem betétet megy tovább,nem is ez a lényeg,hanem a limitert pont oda állítom ahol még bírja az adott rendszer de annál tovább már nem,vagy hosszú távon nem bírná a hangszóró..Nos ezért érzem létjogosultságát az ilyen esetekre beiktatott limiternek,mert ugyan kihajtható az erősítő de nem eszetlen módon ahol úgysincs már sok értelme hiába emeled a hangerőt csak visszakorlátolnak az ic k netalán tönkremegy a hangszóró...Igen a kezelői butaság pontosan ahogy leírtad erre találták fel ezt az említett eszközt.Ha nem vagyok józan én akkor is tudom mit meddig és hová,de vannak sajnos akik nem,és nyomják tovább azt a bizonyos gázpedált holott mondom hogy csak 2 sárga! 0 vagy +2 dB..NEM nem és nem,akkor is kitekeri a gaint fullra hadd repkedjen minden...Ez utóbbi buliban történt meg azóta óvatosabb vagyok.A keverőm ugyan nem torz kifelé de a végfokaim túl jók sokszor az adott hangfalakhoz...
A hozzászólás módosítva: Feb 9, 2016
Mióta Reloop 2.1-es rendszerét hallgatom, saját építésű hangsugárzóimmal (külön köszönet Ptesza-nak a segítségért), sok örömet okoz nekem az élmény. Külön élvezem a szinte "korlátlan" SUB szekciót (kertes házban lakom, de már a szomszédok is jelezték, hogy új hangzásom van).
Eddig is használtam a TO3 tokos tranzsiztorhoz készült csillám szigetelést, amiket szépen fazonra nyirkáltam, és gondosan illesztettem az IC alá, majd így rögzítettem a leszorító kengyellel. Magam sem értem miért nem jutott korábban eszembe, de most a felismerés birtokában abszolút kézenfekvő a két megoldás párosítása. A kengyelt éppen a TO3-as szigetelés 2 nagy furatához kell igazítani, és így elmarad a gondos illesztgetés szereléskor, illetve egyszerűbbé válik az esetleges javítás, mert nem tud elmozdulni a szigetelés. - Korábban töprengtem azon, jelent-e kockázatot a csillámban lévő két 'többlet lyuk", amin eredetileg a tranzisztor lábai jönnének ki. Itt ugyanis nincs valós álvalasztás a borda és az IC tok háta között, csupán távolságtartás van. Egyértelmű műszaki érvekkel nem tudom alátámasztani, de az eddigi (kb. 50 db) szereléseim során egyetlen egyszer sem okozott ez gondot, ezért merem bátran javasolni. A képen, amivel próbálom szemléltetni az elhelyezkedést, a legkisebb csillámot használtam. Ettől lényegesen nagyobbak is léteznek. - Eddig szintén nem figyeltem fel rá, de az IC hátlapján lévő hűtőfelület határozottan ki van könnyítve a felfogócsavar, és a félvezető lapka helye között (itt feltételezem, hogy a lapka a bakelit tokozás közepe táján helyezkedik el). Nehezen találom ennek ésszerű okát, sőt balgaságnak tűnik. Persze a saját furatán való felfogás egyébként is felvet néhány kérdést, így talán nem túl hangúlyos ez a tény. Akár így, akár úgy a kengyellel való leszorítás, a bakelit tokozáson keresztül, éppen ott fejti ki a felfogó erőt, ahol a feltételezett félvezető lapka van. A hozzászólás módosítva: Feb 14, 2016
Tehát egy egy kengyelt pont ott bejelölni és átfúrni ahol az csillám lyukasztva van,érdekes megoldás és tényleg kézenfekvő.
Üdv!
Kis segítségre lenne szükségem. Van egy erősítő panel amiben egy tda 7294 van. Bekapcsolás után a kimeneten kb 1,5 VDC feszültség van. A táp ilyenkor kb 2x36VDC. ahogy melegszik be az erősítő, egyre nagyobb lesz a kimeneti DC, felmegy kb 4 VDC-re. A táp két ága között pedig egyre nagyobb különbség lesz. Az IC nem hibás, mivel már kicseréltem, azt hittem az a baja. A bemenete nyitott, onnan DC-t nem kap. Két dologra gondolok: egyik, hogy a táp elkók (2x4700 uF) nem jók. A másik, ez a bootstrap 22 µF-os kondenzátor. Esetleg valakinek ötlete? Merre kéne elindulni? Köszi!
Szia! A szimmetrikus táp 0V-ja eljut a panelre?
Azért csak ellenőrizd le, mekkora a két tápfeszültség közvetlen az IC lábain, lehetőleg egy GND ponthoz képest.
A bemenet ne legyen nyitott, mert az egy bizonytalan állapot, inkább zárd rövidre, az a biztos.
+ táp: 34,5 V
- táp: 35,8 V Kimenet: 2 V Nem értem miért tér el ennyire a két táp oldal, hiszen a trafó szekunderjén tizedvoltra ugyanaz a feszültség. A hozzászólás módosítva: Feb 14, 2016
Mérd meg testhez képest a 2, 3, 4, 14 lábak feszültségét! Jelöld a mért érték polaritását!
Van terhelés a kimeneten? Akár 1Kohm is elég lehet már, ha ez a pár Volt nem terhelhető, csak úgy ott van. A bemenetet kösd GND-re 10-100K-val, ez maradhat is bent, a későbbiekben kontaktos potinál nem fog a bemenet lebegni.
Hangszóró van a kimeneten. A kis DC hatására kifele mozdul picit.
A 2-es lábról megy egy ellenállás és egy vele soros kondenzátor a testre. Azt a kondit cseréld ki!
Az invertáló lábról egy 680 Ohm + 220 µF/16V megy a föld fele.
A kondenzátornak képesnek kéne lenni a kimeneti feszültségre töltődni, hogy az invertáló bemenet korrigálni tudjon.
Ok, holnap meg fogom próbálni kicserélni. Majd megírom, megjavult e. Köszönöm addig is!
Ma méricskéltem kicsit, szkóppal néztem 100hz es jelalakkal a tda 7294 híd kimenetét mekkora teljesítményre képes 8 ohm műterhelésre egy tabletre letöltött szinuszgenerátor programmal állítottam elő a jelet a bemenetére,hajszárítóból bontott 8 ohmra levágott kanthal huzalt használtam műterhelésnek azzal sorba kötve egy ampermérő a műteheren párhuzamosan pedig leolvastam a kimeneten lévő ac feszültséget így szoroztam be.U*i alapján. Sajnos a tablet alkalmatlannak bizonyult a teljes kihajtásra mivel így 16v on 2.23 amper (AC) áram folyt.Viszont korábbi mérésre alapozva ahol is 33v AC nál még nem volt a szinuszjelalak négyszöges ott 33v adódott a kimeneten így ezt megszorozva 4.46 amperrel 147w adódott ami +-33 v os tápnál egész jó teljesítmény.Gondoltam megosztom ezt az élményt,egyebekben már lassan egy hete ki sincs kapcsolva és egyáltalán nem melegszik. Annyi lenne a kérdésem akik hasonlóan mértek már végerősítőt hogy az ampert a kimeneten lévő műteherrel sorba kötve kapunk hitelesebb adatot,vagy ha a szekunderből fölvett dc A-t mérjük?
A hozzászólás módosítva: Feb 18, 2016
Nem kell áramot mérni ha ismert a terhelés ellenállása. Elég a kimeneti feszültséget mérni. A két adatból számolható a kimeneti teljesítmény.
A hozzászólás módosítva: Feb 18, 2016
Világos, de a kolléga fűtőszálon mér, azért arra nem állapítanék meg még kb. sem terhelésfüggetlen konstans ellenállást.
Szia! Ha a műterhelésed a melegedés hatására nem változtatja az ellenállását, akkor közömbös, hogy áramot, vagy feszültséget mérsz. Egy hajszárítóbetét esetén ajánlott mindkettőt mérned és a P=U*I képlettel számolnod. A ±33V tápfeszültségű híd 8Ohm terhelésénél mért 147W nem irreális.
A "W", "V" mértékegységeket kérlek írd nagybetűvel!
Hűthető,erre egy 8 cm es ventillátor alkalmatosságom van,hőre nem változik a huzal ellenállása pontban 7.9 ohm marad,ezt lemértem előtte úgy hogy felfűtöttem,bár ha feszültség alatt áll terhelés akkor nem tudom mennyire csal a műszer...Csinálok (próbálok) majd hitelesebb tesztet is egy videó formájában amikor keverőről a clip (négyszög) határáig lesz hajtva,és többféle frekvencián is mérek,bár már volt hasonló mérés több magasabb frekin is és átlagban ugyan ez lett az eredmény.Köszi az infókat,jóéjt.
A hozzászólás módosítva: Feb 19, 2016
Tokozási furcsaság!
Nagyobb mennyiségű TDA7294-es tokozást építettem már be (sok 10 db-ot), és most először szembesültem az alábbi hibával. A vásárlási források is keveredtek, de a most mutatott "kétféle" mindegyike biztosan a Lomex-től van, az egyik néhány hetes, a másikat ma vettem ki a csomagból. A kész panelbe bepakolásztam a tokozásokat, és mikor a sablonom mellé tettem (ez jó közelítéssel azonos pozícióban tartja a tokozást, meglepve látom, hogy hiányzik 1,5 mm a felfekvéshez. A tokozás lába nem ott van meghajlítva, ahol kellene, ezért a hátlap beljebb került. Ez iszonyatos hibának számít nálam. Egy-két lábat még könnyű meghajlítani, de ilyen sokat -főleg szépen- már egyáltalán nem egyszerű. Próbáltam fotókon is szemléltetni a fentieket (telefonos képek, de brutális telefonom van). A panel mellé egy derékszöget tettem és olyan nézeti irányt választottam amin látszik a hézag. A hátlapokra fektetve, szintén jól látszik az eltérés, illetve egy hasonló beállításban kimondottan a típusokra utaló feliratot próbáltam megmutatni. Ezen a képen a kis karikákban lévő jelzések is jól olvashatóak. Mindkettő ST gyártmány, de a bal oldali festett feliratos, a jobb oldali gravírozott. A bal oldali az új és hibás, a jobb oldali a régebbi és szerintem jó. Mit javasoltok? Találjak ki korrekt lábkalibráló módszert?
Nem vártam meg a tanácsokat, meghajtogattam a lábakat. Arra ügyeltem, hogy lehetőleg ne a tokozást feszítsem, remélem ez sikerült is.
Ránézésre az eredmény tökéletes.
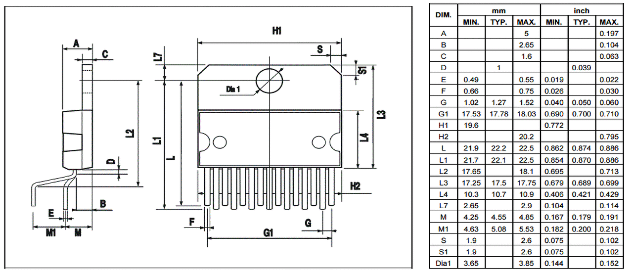
Szia! Egy kis lábhajtogatás nem a világ. Kérdés mennyire lógott ki a megadott toleranciából. Mellékelem az értékét (M), valamint az általam használt panelszélre illesztést.
A gyakorlatban a panelfúrás után bedugom a TDA-kat és jelölöm a panel szélén, ha le kell szedni belőle. A vonalat követve végighúzom a köszörű előtt, majd csiszolóvászonra fektetve simítom a panelszélt. Az IC-ket ideiglenesen hűtőbordára fogatva forrasztom be, ettől pontos a pozíció és jó a hőelvezetés. A NYÁK és a borda közé a forrasztás idejére tapétavágó pengéjét használom hézagolónak.
Sziasztok! Én is találkoztam Alkotó problémájával, csak nekem még közbe jött az is, hogy olyan módon hajlik az IC lába hogy az valami hihetetlen. Alig érek hozzá és már el is van hajolva. Meg az IC minősége is hagy némi kivánni valót maga után. A képen eléggé jól látszik mi is a probléma. A bal oldali a hibátlan, a jobb oldali a beszerelhetetlen.
A hozzászólás módosítva: Feb 21, 2016
|
Bejelentkezés
Hirdetés |





Viszont akkor már majdnem koppon volt az erősítő viszont a magasok csak 100w ig bírják
azóta szépen beteszek egy input limitert aztán csak hadd tekerje neki koppra aki akarja nem fogja tudni túlhajtani















