Fórum témák
» Több friss téma |
Fórum » Csöves erősítő készítése
Ne feledd betartani a fórum viselkedési szabályait, és a topik megmaradásának feltételeit. [link]
A téma átmenetileg fagyasztva lett, hozzászólni nem tudsz!
Én még úgy tanultam, (elég régen) hogy az első kondi a "filter", (Persze valamilyen szinten tárol is) szűrő, cső adatlapokon is így szerepel.
A kraftot a nagyobbik kapacitású kondiból szívja a terhelés.(Adott esetben az erősítő) A szűrő maga a 3 alkatrész együtt.Első kondi/tekercs/második kondi. (+ jobb esetben a hangolókondi, 100Hz-re) De mindegy, lehetne róla vitatkozni, a lényeg hogy jól legyen összepákázva.
Ampex 620 PP./ 6V6 csövekkel. Táp . 6AX5 - 40µF -( kimenő ) -27K - 10Uf ( ECC82) - 39K - 4 µF (EF86). Korábban átkötöttem triódára a rácsot, 100ohm anódra így múködik - szépen zenél ! Kísérleti jelleggel finomítanék rajta, növelve a szűrést, stb.
A végfokozat kimenőtrafója a pufferkondiról van táplálva. Ennél a fokozatnál nem olyan nagy gond a pufferen levő zúgófeszültség (brum) mert a csövek nagy kivezérléssel működnek, és az az egy két volt zúgófeszültség nem nagyon számít. Sokkal fontosabb hogy a táp kis belső ellenállású legyen, hogy a kivezérlés ne nagyon rángassa tápot. A meghajtó, és a további megelőző fokozatok további egy, vagy több fokozatú szűrések után kapják a tápfeszültségeiket, itt a táp belső ellenállása már nem nagyon számít, mert ezek a fokozatok állandó árammal működnek, itt megfelelő az RC szűrés is, a brumra is jóval érzékenyebbek, az egyre kisebb jelszint miatt.
A 6X5 adatlapján 10 µF -ot látok a puffer kondi értékének, viszont az is igaz, hogy odaírták a max csúcsáramot is, 2,6 A. Erre az értékre lehet korlátozni a csúcsáramot a trafó belső ohmos ellenállásával, vagy azt kiegészítve az egyenirányítandó feszültség ismeretében. Meglehet, a tervezője kiszámolta a 40 µF -os pufferkondi értékét. Elég sok tényezőt kell figyelembe venni a cső védelmében.
Köszönöm ! - ez a beszéd - ! - Pucuka - Nem tudtam szakmailag kielemezni, korábban kb., húsz éve kicseréltem újakra az elkokat, megegyező értékűre - így működik, megelégedésemre ! Régi projekt, hogy egy-egy Remix 1-2 µF csatolóval megtámasztom őket, ill. növelem az értéküket ( 4- 10 uf -ról nagyobbra, ...47-47 ?! ) Aktualitása, hogy eddig "plein air" szabadon voltak, most bedobozolnám kicsit. ( A fojtó legyen felejtős manőver ?! )
A fojtó kérdésre a válasz, attól függ. A fojtó egyenáramú ellenállása kicsi, (kevéssé növeli a táp belső ellenállását) a váltakozó áramú ellenállása (impedanciája 100 Hz -en) nagy, ezért jól szűr.
Ahol ez a tulajdonság jól jön, ott kell alkalmazni. Az áteresztő tranzisztoros fokozatnak is hasonlóak a tulajdonságai, csöves erősítőnél az a gond, hogy nagyáramú, nagyfeszültségű tranzisztorok kellenek.
Ok-ok ! Vizslattam már ezt is ...,de kicsit suta vagyok
( Ágoston - Shishido, etc. ) Marad a kicsit nagyobb szűrő elko + csatoló...és hagyjam a további macerát ?! 47µF x 3, mellé egy-egy 1µF csatoló ?
El kellene dönteni, végcsövek vagy kis előcsövek tápfesz szűréséről beszélünk.
Amint a jóelőbb vázoltam, a fojtók alkalmazása nem csak egy féle lehet és hasznos tudni a variációkról.
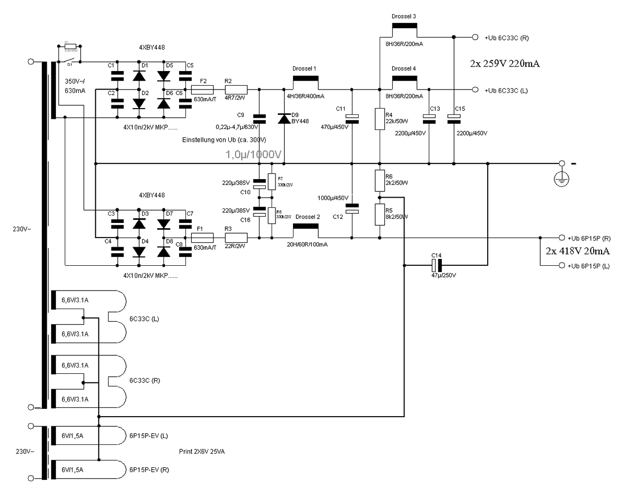
Említettem a német 6C33 SE tápellátását hogyan oldották meg. A végcsőnek jóval kisebb feszültség megengedett, míg a meghajtásban üdvös a kellően magas tápfeszültség. A csöves kapcsolást nem mutatom, ezek a tápfeszültségek a beírt terhelésekre ekkora értékeket vettek fel. A németek többnyire alapos emberek, így csinálták.
Sziasztok.A CHZ fele EL34 35W-os erosito nyak tervere lenne szuksegem,hol talalom meg?Tudna valaki segiteni?
Koszonom szepen.
Hello,
A minap leültem kicsit számolgatni, rajzolgatni. ![]() Véleményeznétek ezt a végfok+fázisfordító tervet? 60W kimenő teljesítményre méretezve, gitárhoz - kap majd valami finom előfokot is, előbb vagy utóbb. Kimenő 6k:4,8,16 ohm megcsapolásokkal, A-nál a fesz majd a tápból adódik, kb 400-420V-ra saccolnám.
Sziasztok!
Kezdő kérdéssel fordulok hozzátok,folytatnám egy rég abbahagyott projektem megvalósítását. GU50 SE kapcsolást szeretnék összerakni CIROKL terve alapján,a csöves világ idáig teljesen ismeretlen számomra. 5U8C egyenirányító cső bekötésével akadt gondom. A hálózati trafón lévő 208 V-os szekunder tekercset bekötöttem a cső 4-es és 5-ös lábára. 5V-os fűtést bekötöttem az 1-es és 2-es lábra. A 3-as lábon próbálnék egyenfeszültséget mérni,a multiméter gnd fele a kérdéses. Próbáltam a képen látható diódás bekötést. Így,a cső 3-as lábán a szekunder váltakozó feszültség értéke mérhető,azonnal. (208 V,nem az egyenirányított 294 V) Fűtési állapottól függetlenül azonnal megjelenik,én pedig késleltetésre is szeretném használni. Puffer nincs még a kimenetén. Ez a hibás cső,hibás bekötés vagy a hiányzó puffer miatt lehet így? (Egyenlőre csak az egyenirányítás a gond,az erősítő többi része nincs megépítve még) Köszönöm szépen! A hozzászólás módosítva: Jan 22, 2018
Valami kondit akassz a cső kimenetére.(Pin 3)
Utána mérj, aztán mondjad hogy okés
Rendben van,kipróbálom egy 400 V-os példánnyal. A késleltetés viszont aggaszt továbbra is,én azt hittem,hogy a cső melegedésével a feszültség szépen lassan fut fel a célértékre.
Este megnézem,hátha az is megjavul.
Tegyél egy kondenzátort a csőre ha minden ok akkor kell csak feszültségnek megjelenni ha felfűt a cső,.
Ez a csöves egyenirányítás így egészen biztosan nem jó.
Hibás a rajz, mert a kétutas-csöves egyenirányítónak kell a középleágazásos hálózati transzformátor. Tehát, ha 250V DC kell, ahhoz 2x200V-os szekunder tekercs kell, illetve, nagyobb feszültségekhez nyilván nagyobb feszültségű tekercsre van szükség. A biztosítékot pedig tessék a transzformátor közép-kivezetésére kötni és a biztosíték másik lábáról tovább a testre(GND). Az egyenirányító csőnek független külön fűtőfeszültségű tekercs kell, nem lehet közös más csővel a fűtés! Üdv!
Elvileg működhet, bár Én módosítanék egy-két alkatrész értéket.
A végcsövek rács-levezető ellenállásai legyenek 330kOhm, az ECC anód-munkaellenállásai pedig kb.56k és 68kOhm. A csatolókondenzátorok a végcsöveknél 220nF-ra növelhetők, az előfoknál legalább a 100-150nF szükséges, ha jó mélyhangátvitel is kell. A kimenőtranszformátor akkor a legjobb minőségű, ha csak egy tekercse van, tehát csak 8 Ohm, vagy 4 Ohm, vagy 16 Ohm, amelyik az adott hangsugárzóhoz szükséges. Az elkészítése is gyorsabb és olcsóbb ezáltal, valamint a helykihasználás a csévében is jobb, ezáltal az eredő minősége is jobb lesz a kimenőnek. Üdv!
Hello,
Mivel a csatolókondik értéke nem kritikus, ezért csak minimum értékeket számoltam oda, amitől még felfele majd eltérhetek, ha nem tetszik a hangja. Ritmusgitárra méretezném, de 8 húros kompatibilitással (legmélyebb hang 40Hz körüli E). 330k rácslevezetővel, 56 és 68k anódellenállásokkal elvileg 21,50 és 23,92 lesz gain. Ezen gyúrjak még szerinted? Sajnos a kimenőnél az univerzalitás rovására megy a nem osztott szekunder. Legalább 4-8 ohmokra illene kimenettel rendelkeznie, ez lefedi akkor az 1x4, 1x8, 2x4, 2x8, 2x16 kombinációkat, ez már egész kielégítő. Ki tudja, életében majd kihez kerül még a cucc... Csak optimistán.
Akkor a 68k helyett tegyél be 62kOhm-ot. Nem tudom mivel számolsz, vagy szimulációs programmal próbálkozol, de mindegy.
Azt teszel a kimenővel amit akarsz, Én csak egy javaslatot írtam le. Egyébként vannak működőképes kapcsolások az interneten, talán azokat is érdemes lenne tanulmányozni. Üdv!
Köszönöm a javaslatod a kimenővel kapcsolatban, értem az alap koncepciót, de azt hiszem ezen a ponton áldozom az univerzalitás oltárán.
Erre a kapcsolásra is már meglevő, működőképes kapcsolások révén jutottam, bár ez csak egy hosszúfarkú negatív visszacsatolással. Nézve egy példát, Mesa - dual rectifier fázisfordítója 400V-ról jár, 82 és 90k anódokkal, 470 + 10k + 4,7k ellenállások a farkán, és 220k-val van a végcső rács lehúzva földre
47 µF 450 V-os kondit kötöttem a mérendő pontra. Hidegen fűtés nélkül,ha a szekunder feszültség megjelenik,a kimeneten nincs semmi sem.
Ha a fűtést ráadom,akkor kb 8 másodperc múlva indul meg a multiméter felfele és kb a 12. másodpercben eléri a 401-402 V-ot. Ez stabilizálódik. Ekkora feszültségre a 450 V-os kondi megfelelő még? Vagy kössek inkább kettőt sorba? A hálózati trafón az anódfeszültségnek csak 1 tekercs van fent. Ilyen módon használhatom ezt a diódás bekötést,vagy akkor ez teljesen hibás így? Biztosíték természetesen lenne a körben rögtön a gnd vonalon,valamint a cső fűtése is külön független 5V-os transzformátorról van megoldva.
Azért van 1 szekundered, mert ez a trafó félvezetős, graetz hidas egyenirányításra készült. A csöves egyenirányításhoz kellene még egy szekunder. Bár SE kapcsoláshoz nincs túl sok értelme ezzel vacakolni.
Én őszintén szólva ilyen hack-et még nem is láttam, bár a tapasztalatom sem túl nagy ![]() Mindenesetre az első bekezdésedben a kívánt célállapotot írtad le A hozzászólás módosítva: Jan 22, 2018
Nézd meg alaposan, az egyenirányítás rendben, felemás diódahíddal van megoldva.
Jó az.Nem szokványos, de teljesen rendben van.
Gyakorlatilag egy Graetz, a negatív ágban félvezetőkkel. Az egyenirányítócső fűtésének viszont teljesen szeparáltnak kell lennie, ahogy írták már előttem.
Nem tudom, hogy közületek hányan próbálták már ezt a fajta tápot, én igen. Soha még így nem zúgott egy tápom se, mint ez. Pocsék megoldás...
Akkor is zajos lenne a táp,ha teljes hidas diódás egyenirányítás után a szűrt egyenfeszültséget kötném rá a cső két darab bemenetére? Ilyenkor,csak mint késleltető elem kapna szerepet a cső.
Lehet egyáltalán egyenfeszültséget rákötni? Szerk.: Meg is találtam,az oldal alján... Hibrid egyenirányítás A hozzászólás módosítva: Jan 23, 2018
Az ilyen "lenne", meg "vóna" dolgokba ne menjünk bele, mert a feltételezés a kudarc szülőanyja.
Építsd meg a tápot, aztán mérd meg a kimenőfeszt, hogy mennyi az AC komponens tartalma. 10H-100µF után már nem hiszem hogy probléma lenne. Kisérletezz, építs, mérj. Nem kell mindent készpénznek venni amit itt olvasol. Nyomasd a személyes tapasztalatot.
Az már jobb megoldás, működik is. Amint eggyel felettem írták: próbáld ki.
Elnézést, hülyén fogalmaztam. Olyan zajt termelt a táp, hogy az erősítő borzasztóan zúgott tőle.
Rendben van,megfogadom a tanácsokat! Ezt a megoldást hagyom így,építem tovább a táp részeket. Ha élesztés során probléma lesz,akkor egyszerűen beépítem a diódás egyenirányítást...légszereléssel készül az erősítő.
Teszek fel egy képet,a fűtések be vannak kötve a csövekre. Ez az első nap vége,a kábelezést tekintve A kicsi toroid az egyenirányító fűtése (5V 5A),a hálótrafó és a kimenők a sasszi másik felén találhatóak. 2 db GU 50 , 2 db 6H8C és az 5U8C egyenirányító. Alul középen a kakukktojás,valószínűleg az a cső csak "dísz" lesz. (Először másik kapcsolás szerint indultam el,de a kivágást már nem tudom "visszacsinálni" ) |
Bejelentkezés
Hirdetés |


( Ágoston - Shishido, etc. ) Marad a kicsit nagyobb szűrő elko + csatoló...és hagyjam a további macerát ?! 47µF x 3, mellé egy-egy 1µF csatoló ?






