Fórum témák
» Több friss téma |
Nagyjából. Haladjunk a korral! Amíg be nem ragad, be nem ég a kapcsolója .....
Sziasztok , indesit hűtő kikönyökölt a vezérelés egy nagy proci és egy triac.... hurrá.
Cserélném tekerősre, nem kell bele valami elindítás védő vagy mi ? Ami nem engedi gyorsan elindítani a kompresszort.
Először a kocka alakú kb 1mikrós kondit cseréld ki az elektronikán ...
Invensys gyártmány. Az a baj hogy egy darabig tök jóll működik. Aztán elkezd fagyasztani nem áll le soha.
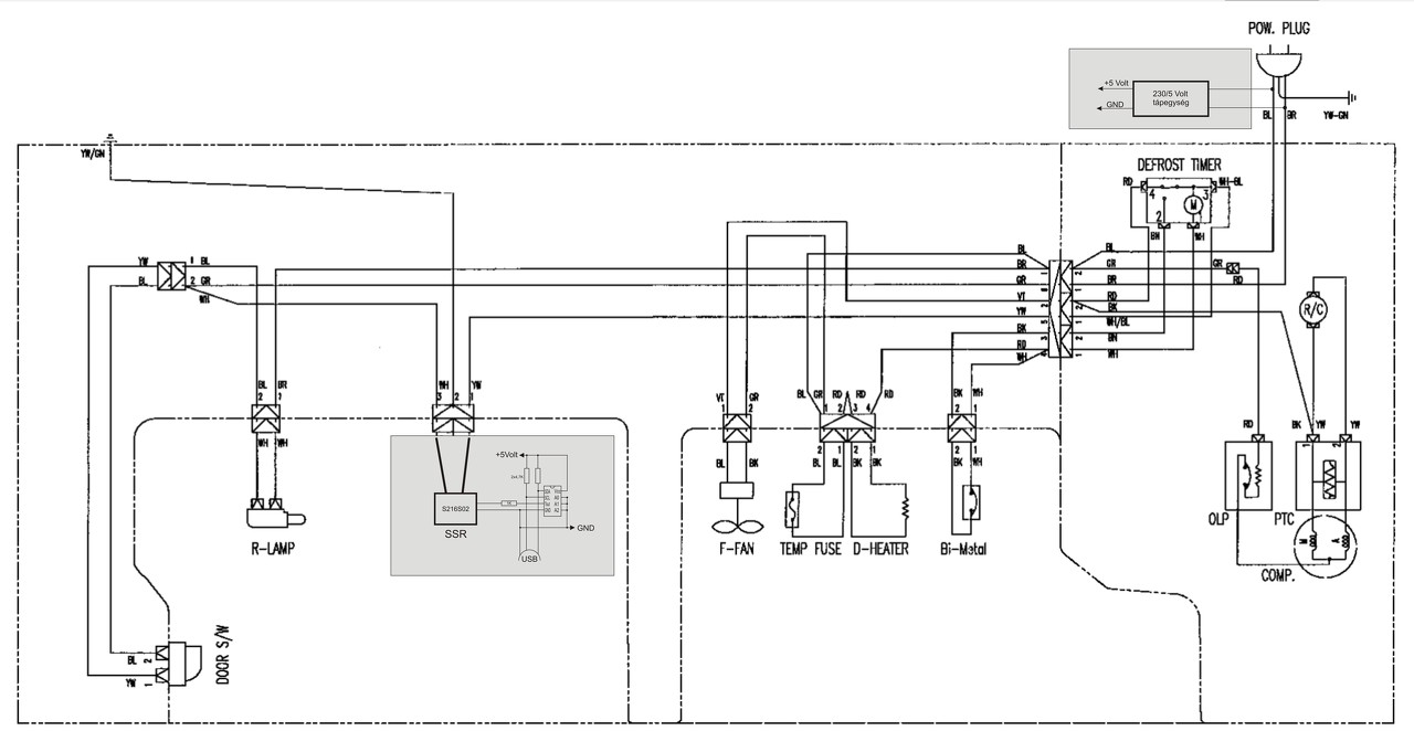
Többen jelezték, hogy a *Hűtőgép termosztát kiváltása* cikkben sajnos kis méretben került fel az elektromos rajz, itt talán jobb lesz.
A hozzászólás módosítva: Feb 18, 2016
Helló,
valami nekem nem tiszta a cikkben: a DS1621 egy I2C-képes hőmérséklet érzékelő IC. Erre fel lehet tölteni programot (kódot)? Mert hogy mikrokontrollert nem látok a kapcsolásban... (Vagy valamit benéztem...) Kezdő vagyok, bocsánat, ha hülyeséget kérdeztem - köszi.
Igen, fel lehet tölteni rá a be-kikapcsolási értéket, utána egyedül is teszi a dolgát.
Értem, köszönöm.
Egy így "igazán hasznos" <--- á la Thomas, a gőzmozdony...
Ezt ismeritek?
Ezt hasznalom a melegvizhez es a melyhuto ladahoz is. Bővebben: Link thermosztat hutesre, futesre. A hozzászólás módosítva: Nov 11, 2017
Sziasztok!
Én laikusként egy meglévő,használt mezei hűtőszekrényt szeretnék átalakítani sörfőzéshez. Szükségem lenne egy egyszerű és olcsó megoldásra,hogy pontos hőfokszabályzás mellett működjön. A másik feladat lenne, hogy adott esetben fűteni is tudjon. A hőfok kb. 8-25 C között változik a receptektől függően. Szeretném megkérdezni van-e ötlete erre valaki hozzáértőnek?
Ha fűteni is akarsz két lehetőséged van : 1 a hűtő körfolyamatba is belenyúlsz és építesz bele váltószelepet (mint ami a klímákban van) vagy ":2 : teszel bele fűtőszálat a hőfokszabályzó az újabb elektronikus szabályzók tudják (Dixel- Elivel stb ) legalábbis van olyan típusuk ami átállítható
A pontos hőfokon tartáshoz elkerülhetetlen lesz egy belső ventilátor beépítése . A hozzászólás módosítva: Júl 30, 2019
Szoba termosztát.. az tudja a hűtés, fűtés módot, szerintem 5-8 foktol 30 ig .
Üdvözletem!
A következő ötlet dolog jutott eszembe: A háztáji termelőként értékesítünk konyhakész baromfihúst a helyi termelői piacon. Ez miatt több fagyasztóládával rendelkezünk melyekkel könnyen és gyorsan tudjuk vágás után lehűteni az árut. Ezekkel a fagyasztókkal csak az a probléma, hogy a hőfokszabályzó (termosztát) elég pontatlan, ami számunkra nem megfelelő. Az internetről gondoltam rendelni ilyen 3001 digitális termosztátot amit az ábra alapján kötnék be a gyakorlatban. A beépített termosztátot legmagasabb fokozatra állítanám, így gyakorlatilag a hűtőszekrény csak kapna feszültséget (dolgozna a kompresszor) ha a 3001 elérte a bekapcsolási küszöböt. Szerintetek ez a megoldás működni ebben a formában? A fagyasztóládának hosszútávon lenne ettől a fajta "vezérléstől" problémája? ![]() Válaszokat és tanácsaitokat előre is köszönöm.
Működik. Arra figyelj, hogy ez a termosztát tud-e hűtésnél késleltetett indítást. pl pillanatnyi áramszünet után nem javasolt azonnal kapcsolni, vagy pont akkor nyitod ki, amikor kikapcsolt, de a melegedés miatt azonnal be is kapcsolna, a kompresszor nem biztos hogy díjazza.
Rendben. Majd akkor utána nézek, hogy ilyen funkcióval rendelkezik e.
Üdv. Ha jól értelmezem a rajzod "unnamed.jpg", akkor Te nem a kompresszort akarod kapcsolgatni, hanem a teljes fagyasztót áramtalanítani. Ehhez azt kellene inkább tudni, hogy a fagyasztó vezérlése analóg, vagy digitális. Ugyanis a digitálisok nem biztos hogy bírják a sok-sűrű áramszünetet. Ha analóg az ugye áramszünet "rövid pár másodperces kihagyás" után is tudja hogy hogyan kell indítani a kompresszort. De arra azért ügyelj, hogy ne egy-két tized fokot állíts be hiszterézisnek!
Szevasz!
Azt tudod, mert a részvételi szabályzat tartalmazza, hogy tilos ugyanazt a kérdést több fórumban feltenni? Kitiltás járhat érte! Üdv: StMiklos
Elnézést nem voltam tudatában ennek a szabálynak.
Köszönöm szépen az emlékeztetőt.
Igen, jól értelmezed. A teljes fagyasztót akarom áramtalanítani. Gyakorlatilag a hűtőszekrényben lévő hőmérsékletet figyelve helyezném áram alá majd áramtalanítanám a fagyasztóládát.
Ezek legalább 5+ vagy 10+ éves gépek. A legtöbbön 3 égő és egy termosztát található. Szóval feltételezem, hogy szinten a legtöbbnek egyezik nagyjából a kapcsolása a következő ábrákkal, annyi, hogy ezeken nincs olvasztó funkció.
Szevasz'
Nem tudom mit akarsz elérni, de a hagyományos termosztátot is tudnák más értékekkel gyártani, mert léteznek jóval kisebb kapcsolási diferenciával és az átlagnál pontosabbak is speciális feladatokra, de a fagyasztóládák hütőtechnikai része nem igazán alkalmas rá, nincs is rá szükség, Megerőszakolni lehet... Odv: Stmiklos
Az AKO 14123* típusú termosztát rendelkezik kompresszorvédelmi funkcióval is.
* Kb. az összes AKO termosztát tudja ezt afunkciót, nem feltétlen kell pontosan ez a típus.
Sziasztok rl39thcsw hűtővel kapcsolatban szeretnék segítséget kérni szerelő nézte hogy motor jó gáz van benn de nem indul állítólag panel hiba ki vettem mind 2 panelt látszólag semmi hiba nincs meg égve mi okozhat ilyen hibát a panelo
Sziasztok4
A kombinált egy kompresszoros hűtőmet szeretném kint a nyári konyhában tartani..tudom, hogy csak 15+ ÉS 35+ KÖZÖTT ÜZEMEL, DE HOGY TUDNÁM A TERMOSZTÁTOT "BECSAPNI " VALAHOGY?
Ez nem a termosztáton múlik...ez sima fizika! Pl. +5°C van a helyiségben, a hűtőben meg +7°C...
Termosztát meghibásodás esetére én egy egyszerű időzítőt (timer) szoktam használni: 15perc működés/45 perc "pihi". (Persze csak amíg megjön a cserealkatrész)
|
Bejelentkezés
Hirdetés |
















