Fórum témák
» Több friss téma |
Fórum » Elektromos sertéskábító
Egy ilyen ellenállás méretezéséhez állandó terhelőáram kell, ami a sertések esetében nem megvalósítható.
Egy triac os porszívó fordulatszabályzó megoldja a gondot ..
Szia:Lehet tudni,hogy hány volt amperes a trafód amit szeretnél használni kábítóhoz.Azért kérdem mert egy jó pár darabot már legyártottam.
Szia kozso31!
Igen adott minden èrtèk 50VA a trafó.... Közben felmerült bennem több oldalról is az èrintès vèdelem fogalma,ès a balesetmegelőzès tètje!!! Mert úgy vill szerkènt rengeteg problèmás esetet látok ami az emberi èletnek lehet kockázata,ès mindig szememelött lebeg ennek a megelőzèse! Azèrt is tettem fel itt a kèrdèsem,mert mindig lehet mástól is tanulni,főleg ha már vmi ,vagy vki tapasztalatból jön a forrás. Sokmindent kiviteleztem idág,de ilyen kábitót nem. Vissza tèrve a mèretezèsre,50 VA kb0,45A tud produkálni. Leválasztás szempontjából,hogy galvanikusan tuti legyen minden arra gondoltam ezen trafó elè beraknèk egy1:1 leválasztót. Mi a vèlemènyetek? Sokan irják,hogy nem kell túl bonyolitani...stb bla bla.. De èn inkább lennèk előzèkeny ,tutira mennèk!Figyelembe vève,hogy a balesetek 90℅ a emberi mulasztásból,ès hanyagságból következik be. Èn nem sajnálok mèg plussz trafót áldozni ennek èrdekèbe! Kíváncsi vagyok a vèlemènyetekre,de annál inkább a tapasztalataitókra!!! Köszi mindenkinek!!
Üdv mindenkinek! Többször is végig olvastam a hozzászólásokat, így van némi képem a sertés kábításról.
Azt szeretném tudni, hogy a kábításhoz a frekvencia menyire befolyásoló tényező? Van egy ötletem, hogy egy egyszerű inverterből készíteni a sokkolót. A sokkolás ötven hz-től meddig mehet, néhány száz Hz, vagy akár 20KHz-ig is elmehet?
Szia!
Minél nagyobb a frekvencia, annál rosszabb a hatásfok, hisz a legnagyobb élettani hatása az egyenáramnak van (0 Hz). Ezen felül minél nagyobb a frekvencia, annál nagyobb a bőrhatás (skin-hatás), ami tovább rontja a hatásosságot.
Ha villanyszerelőként dolgozol tudhatnád hogy a hálózattól való galvanikus elválasztásra trafót használnak , tehát ha 1 trafó megvalósítja a leválasztást semmi szükség kettőre .
Sok mindent láttam villszerkènt,többek között menetzárlatos biztonsági trafót is!!
A menetzárlattól nem üt át a primer a szekunderre. Akkor van gond, ha a primer és szekunder tekercselés közti szigetelés sérül meg, de szerencsére eléggé strapabíró ezeknek a kialakítása.
Üdv! Kérnék egy kis segítséget tőletek, triakos szabályozást érdemes-e beépíteni sertéskábítóba ha igen akkor a trafó primer vagy szekunder oldalához ajánljátok? Köszönöm!
Szia! Ettől a választól féltem, sejtettem minél nagyobb a freki annál rosszabb a hatásfok. Köszönöm. Még egy kérdés, ha nem gond: Ez a kapcsolás menyire lenne életképes sokkolóként? A trafót saját számíze szerint tekerném. Köszönöm a válaszodat.
Elefántsokkoláshoz jó lenne... Ezzel embert lehet ölni, tehát inkább valódi sokkolót építs.
Üdv!
Végig olvastam... Kérdésem az, hogy mit szólnak a hozzá értők az akkus/inverteres megoldáshoz? A szükséges teljesítmény bőven megtenné, cca.100V, 0,5A körüli értékekről van szó, sok megépíthető tápegység kapcsolás kering még a HE-n is, csak egy ötlet. A legveszélyesebb részét a dolognak a 230-240V oldaláról látom, ugyanis tényleg hosszú kábellel csatlakozik a fogó a táphoz, de a táp az mégis "vizes" környzetben van valahol általában a földön. A hálózati fesz a hozzá tartozó delejjel azért mégis ember próbálóbb, mint a fogóban lévő feszültség és áram.
Szia! Nem értem a különbséget, a konnektor és az inverter között. Ha egy leválasztó trafót tekerek 90-110v-ra, vagy egy inverter trafót tekerek 90-110v-ra, mi a különbség? Az áramot úgy is a trafó és a disznó állítják be. Üdv!
Szia! Ezen agyaltam én is. Két hozzászólással előbb írtam én is, be is linkeltem egy 100w-os inverter ez, és nem kaptam biztatást, mondván, hogy túl erős. De nem érte, hogy mi a különbség a fali konnektor és az inverteri konnektor között. Az inverterrel még a frekivel és a kitöltési tényezővel is lehet játszani. Nekem ez a 4047 ic-s megoldás szinpatikus, de ha valakinek van jobb, kisebben megoldható ötlete, szívesen meghallgatom. Az én elgondolásom: aksi övön mellette elektronika, fogón trafó, a kettőt három eres vezetékkel összekötve. Össze kötés lehet oldható(jack dugó) oldhatatlan(sorkapocs).
Hali:Nem akarok beleszólni az inverteres kütyütökbe,de még ti össze rakjátok a kütyütöket addig én már kb kettő db-ot megtekertem.(persze én a trafós megoldásról beszélek)készítettem már egy jó pár darabot,és még nem volt rá panasz.
A sokkolót az önvédelmi kütyüre értettem. Sertéskábításhoz jó lenne. Elnézést a félreértelmezésért.
A panaszról szó sem volt... - és amit csinálsz, azt természetesn kivitelezni jóval egyszerübb- ebben nem is lennék hajlandó vitatkozni. Abban biztos vagyok, hogy fődhöz ba-nád a bökőt, ha a kezedbe adnának egy olyan fogót, melynek egyik nyelében aksi(elem) a másikban meg parányi elektronika és nincs kanóc és a röfögő meg mégis elterül tőle.
A fejlődésről, fejlesztésről nem szabad lemondani, csak azért mert van ami rég bevált. Majd befog válni ezis(inverter). Mindenesetre elgobdolkodtatott és foglakoztat egy kicsit a téma, miszerint ha, akarok elektromos fogót, ez ilyesmi lesz majd...
(már régóta disznót se vágtam, de minden évbe tervbe van...:nono![]() Sok olyan inverter kapcsolást láttam már, ahol még a trafó méretezés is meg van adva, csak akkor még e felhasználási cél nem jutott eszembe.
Hali! Valóban hamar meg lehet tekerni egy trafót. De az inverter szerintem kényelmeseb és szerintem biztonságosabb is. Csak a trafó és a fogó párok között van 90-110v-os feszültség, a trafót egy kis ügyességgel a fogóra lehet erősíteni. Amely kb500mA, tudom emberre az is halálos, de ez a csak trafós között is fen áll. (a vezetékes telefont is kiszorítja a mobil.
A hozzászólás módosítva: Márc 6, 2016
Szia! Én szerencsére minden évben vágok disznót, amíg a kezem feltudom emelni lesz nálam vágás! Igen csak szeretem a disznóságokat!
Az inverterről amit linkeltem mi a véleményed, és szerinted meddig érdemes el vinni a frekit? Bővebben: Link
Szia!
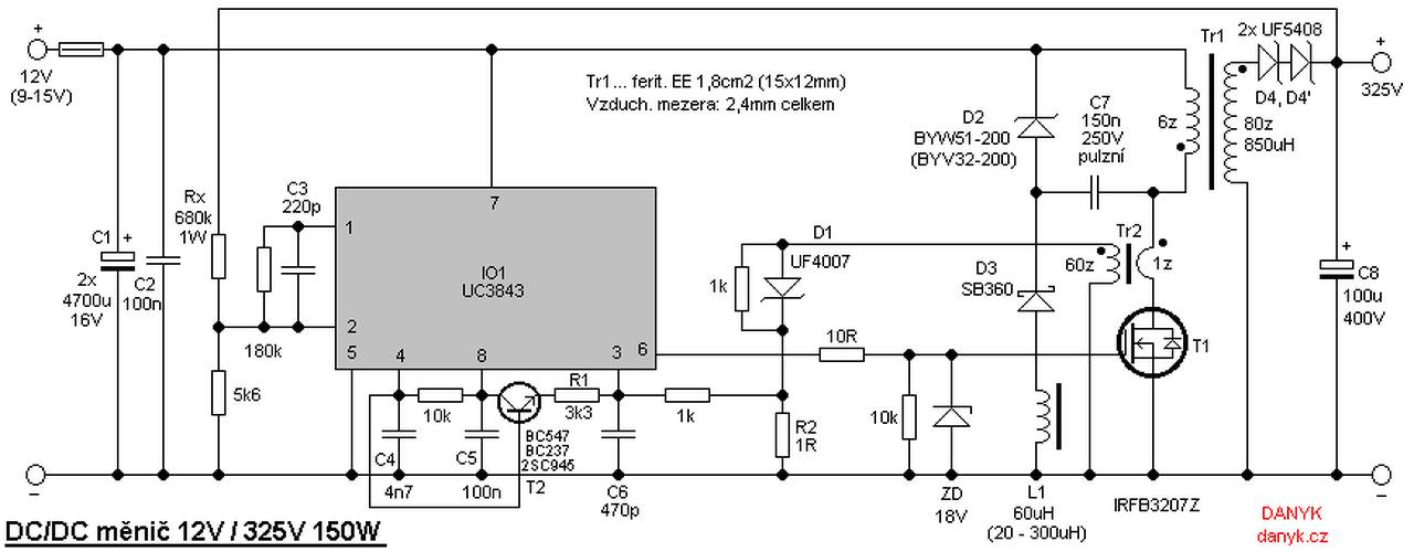
Mivel nincs külön jelölve, a trafó normál vasmagos trafónak nézem. A freki ebből adódóan 50hz, nem ez a kapcsolás kell ide. Pl. amelléklet szerinti némi átalakítással.
Szia:Szeretnék érdeklődni,hogy az inverteres miért biztonságosabb mint a trafós.Köszönöm
Mert nem rángatom a falhoz kötött vezetéket a trafóig és a trafótól a fogóig, arról nem is beszélve, hogy a trafó hempereg a sárban. Szerintem ez mind veszély forrás. De hangsúlyozom, ez az én magán véleményem. Ha neked a leválasztós trafó felel meg, használd egészséggel. Egyenlőre tájékozódom, és az inverteres megoldás tetszik. Üdv!
A hozzászólás módosítva: Márc 6, 2016
Jó szórakozást hozzá(megjegyzem aki nem ért valamihez akkor nem kell foglalkozni vele)A kábításra gondolok,hogy írtad a trafó a sárban hever,meg a vezetékkel való kínlódásra gondolok.Nekem pl soha nem szokott a vezetékkel gondom lenni mivel a villás megoldást használom és az nem téveszt.
Igen sima lemezelt trafóval lehetne meg oldani, de 90-110v-ra tekerve. Szimpatikus az áramkör amit csatoltál. Viszont volna egy két dolog ami nem világos előttem. Mekkora a freki ami kijön a tr1-ből, mekkora lehet az áram, a szekunder oldali 325v-ot egy kicsit sokallom, valami leírás van-e? Hirtelen ennyi. Üdv!
A hozzászólás módosítva: Márc 6, 2016
Ezek a táp ic- k 40khz körül járnak. A kisebb feszre kevesebb menetszám kell, cca. 26 menet (z).
Élettani hatása az alacsony frekinek jobb. A 40kHz szinte a bőr felszínén halad keresztül. Arra gondoltam, hogy az általam linkelt áramkört 150 Hz-en járatni és egy utas egyen irányítással lüktető egyenáramot csinálni, ami már csak fele lesz(75Hz).
Én nem tudom, eddig nem mélyedtem a dolgokba.
"(megjegyzem aki nem ért valamihez akkor nem kell foglalkozni vele)"
Szerintem mindenki mindenhez ért, csak nem foglalkozott vele eleget. Lehet, hogy a világ legnagyobb halbiológusa lennék, csak egy rohadt cikket sem olvastam el, a halak szaporodásáról. Üdv mgy |
Bejelentkezés
Hirdetés |





(már régóta disznót se vágtam, de minden évbe tervbe van...:nono
Az inverterről amit linkeltem mi a véleményed, és szerinted meddig érdemes el vinni a frekit? 





