Fórum témák
» Több friss téma |
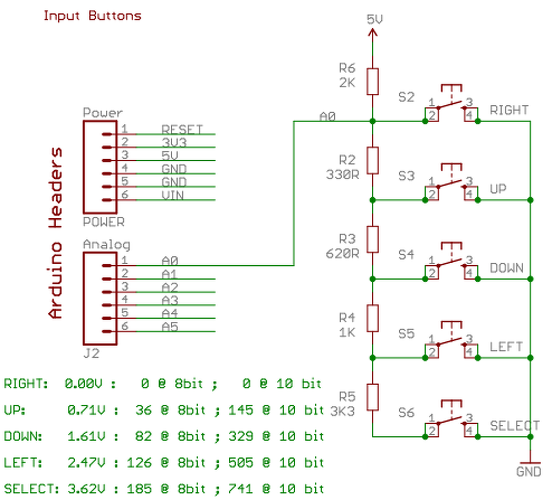
A négy gombot is lehet egy analóg bemenettel kezelni, mint pl. az Arduino LCD Shield-ben.
Ez az! Köszönöm.
Az árát nézve max ideiglenesnek jó 4 db 404 Ft és 12 lábat szabadít fel, de akkor ennyi erővel egy ATMega8 csak 600 Ft és az 22 lábat tud felszabadítani (egy kell ahol kapja a jelet). (ktg limitem van így ez sajnos egy lényeges kérdés). A hozzászólás módosítva: Ápr 7, 2016
Tök jó, na ezt biztosan bele fogom venni ez máris 3 láb felszabadítása köszönöm.
AVR+74595 ahogy ajánlották 3láb kell az avr-től, és annyi 595-ös ahányszor 8 kimenet kell. BASCOM-ban a konfigurálás után egy sor a kiirítás.
CD4543-t vettem, de kellene egy fix pont az életben, hogy ki tudjam tesztelni
.A neten talált dolgok alapján a 6,7,8-as lábakat GND-re kötöttem. 1-es lóg a levegőben A 16-os kapott 5V-ot. A 2,3,4,5-re megy a jel csak nem tudom, hogy mit vár pontosan mi neki a true érték (5V vagy 0?). A jobb oldali többi lábra meg ment egy-egy led. A ledeknél a negatív lábat összekötöttem és kapott egy 220-as ellenállást majd megy a GND-re. Csinál is valamit csak nem tudom, hogy a lábakat hol a hiba, mert egyest nem tudtam elővarázsolni.
Furcsa, hogy ezt választottad, mert senki nem ajánlotta
. Ez LCD kijelzőhöz való, a kimenete pár mA-t tud, kevés lesz egy LED-hez. Én mondjuk az egészet multiplexben hajtanám felbontva 2x6 digitre, így a gombokat egy bemeneten is lehetne olvasni.
Hát igen, addig keresgéltem nézegettem amíg összekevertem a dolgokat. A 4511-est akartam venni, de most már mindegy.
Mondjuk nekem egész jól működött piros ledekkel. De közben ráakadtam egy igazi kincsre ATMEGA8515-16PU 35 láb ez azt hiszem elég is lesz és nem kerül sokkal többe, mint a mostani amit használok.
Azért azt nézd meg, hogy az általad használni kívánt ledek árama, pl. a nyolcas számjegy kiíratásakor nem lépi-e át az egy portnak (8pin) megengedett maximális áramot. (Azért készítenek led meghajtó ic-ket, shift regisztereket, hogy egy nyolc lábú kontrollerrel is megoldható legyen egy ilyen feladat.(szépen))
Buktam a dolgot, 300mA a max.
Nade mivel van itthon egy raklap ULN2003 ezért gondoltam ez jó lesz rá. Már csak az a kérdés, hogy hogyan lehetne a legkevesebb ellenállással megoldani ![]() Ebben tud valaki segíteni?
Az ULN2003-as bemenetét közvetlen összekötheted a kontroller kimenetével. Az IC közös anódos kijelzőhöz jó.
A hozzászólás módosítva: Ápr 16, 2016
És meg lehet valahogy spórolni a 14 db ellenállást a ledeknél?
Nem az ára, hanem a bekötési pepecselés miatt ![]() Nem nagyon tudok forrasztani sőt amikor csak lehet kerülöm. A hozzászólás módosítva: Ápr 16, 2016
Nem mintha eddig bármit is megfogadtál volna abból amit mondtak, de ehhez pl. nem kell ellenállás...Bővebben: Link
Nem azért nem fogadtam meg, mert nem tartottam jó megoldásnak. A 4511-es helyett véletlenül vettem meg a másikat. A 74HC595-nek nem volt világos a működése és sajnos nekem ez nem nagyon megy. A szoftvert megírom 5 perc alatt, de már 8 lábat bekötni "helyesen" is nehéz még dugdosós próbapanelen is. Sajnos csak kapkodva pár percet tudok ezzel foglalkozni, nem tudok elmélyülni benne, mindent ad-hoc kell csinálni.
Illetve a fő probléma a "mechanikai" rész vagy hogy nevezzem. Megkeresni a megfelelő és egyszerű "konyhában megtalálható" anyagokból elkészíthető megoldást arra, hogy legalább 10 cm nagy kijelzőt kreáljak ami napfényben is működik. Ping-Pong asztalra lesz egyébként eredménykijelző. Ezért választok inkább programozható megoldásokat, mert az szakmámból kifolyólag nagyon egyszerűen meg tudom csinálni bármilyen nyelven. És ezért is törekszem arra, hogy minél kevesebb drót-alkatrész legyen beépítve
A 74595-os mukodtetese programozoi feladat, de ellenallasok ugyan ugy kellenek, mint az ULN-hez. A max ic-hez nem kellenek, viszont ha a 595-ost nem akarod megtanulni, akkor ez megugysem fog menni. Akkor a 8515-ossel kis aramu ledeket hajts, vannak amik 1-2ma el kiegetik a szemet.
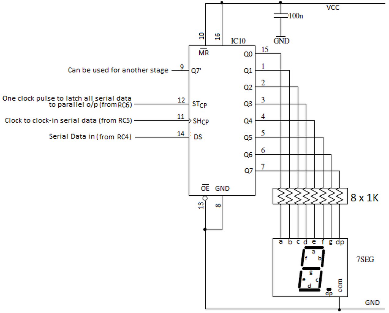
Végül is mit csinál ez a 595-ös?
Első körben olyasmire tippelnék a nevéből ítélve, hogy begyűjti egy bemeneten az adatokat és ezt kirakja X lábra egyszerre. Ez kb az amit én is alkalmaznék csak egy atmega8-al ahol az egyik lábon kapja az adatokat a többin meg "megjeleníti" azt ledekkel. A baj az, hogy az adatlapján "elektronikában jártasok" számára van megfogalmazva nem pedig világosan leírva, hogy milyen algoritmust valósít meg, mondjuk egy értelmes programnyelvben leírva. Sajnos az angol szöveg nekem itt már túl sok és a jelölések sem egyértelműek. Egy példaprogram többet ér 1 oldalnyi szövegelésnél. A hozzászólás módosítva: Ápr 17, 2016
Idézet: A sorosan beadagolt biteket megjeleníti a kimenetein.„Végül is mit csinál ez a 595-ös?” A 14-es lábat H vagy L szintre tornázod attól függően, hogy neked mi kell majd a kimeneten. A 11-es lábat egy rövid időre H szintre emeled, majd vissza L-re. Ezzel az első bit be is jutott a regiszterbe. Ezt még hétszer megcsinálod, majd utolsó lépésként a 12-es lábat rövid időre H szintre emeled, majd vissza L-re és a kimeneteken (Q0-Q7) meg is lejent az, amit a bemeneten beadagoltál. Ha több ilyen IC-t akarsz összekötni, akkor a második IC 14-es lábát az első 9-es lábával kötöd össze, a 11 és 12-es lábakat pedig mindegyiknél egyszerre vezérled, tehát azokat párhuzamosan kötöd. A sorosab beadagolt adatot a 12-es láb "másolja" a belső tárolókba, tehát a következő adatbevitelnél az előzőleg bevitt első adat azonnal meg is jelenik a 9-es lábon. Meg lehet azt is csinálni (sőt, így az ésszerű) több összekötött IC esetén, hogy beküldesz 32 bitnyi adatot (4 IC van összekötve) és csak ezután kattintasz a tárolásra, így minden kijelzőn egyszerre jelenik meg az adat, nincs köztes állapot. Elméletben végtelen ilyet össze lehet kötni egymás után, csak győzd kivárni, amíg a végéig ér az adat. Viszont, 10-20 összekötése, ha megfelelően gyors a vezérlés, nem okozhat gondot. A kép csak illusztráció, nagyobb áramhoz már meghajtó is kell, pl. ULN2003, vagy ha mind a nyolc kimenetet használod, akkor ULN2803. A hozzászólás módosítva: Ápr 17, 2016
Most már értem, tökéletes volt a leírás!
Erre gondoltam én is sőt végül is ezt programoztam le avr-el is.
Az 595-ös sem tud 300ma-t és kellenek az áramkorlátozó ellenállások. Viszont elég körülményes lenne ha bitenként kellene programozni, de természetesen lehet. A Magasabb programnyelvek ezt elvégzik helyettünk és kommunikációs protokollokat alkotnak, jelen esetben ez a SPI. Innentől kezdve a shift regiszer feltöltése adatokkal egyetlen parancs, pont azzal a bináris logikával, ahogy egyetlen paranccsal állítjuk egyszerre egy port összes kimenetét. Tehát a portb=255 a b port mind a nyolc pin.jét magasra állítja a Spiout W(1) , 1 amennyibe W(1)=255 az 595-ös mind a nyolc kimenetét magasra állítja. Az alábbi program indít egy számlálót, és a számlálás eredményét kiküldi SPI-n, mindössze egyetlen sor, a 34.
A hozzászólás módosítva: Ápr 17, 2016
Helló!
Én azt tapasztalom, hogy normál körülmények között és rendes működési feltételek mellett a TIL311-es kijelző eléggé melegszik a chip-nél. Ez normális?
Valószínűleg igen. Nem ismerem a kijelző lelki világát, de nagy valószínűséggel áramgenerátoros a szegmensek meghajtása, a felesleget elfűti.
Zoli_bácsi: Van neki két lába:
- LED Supply - Logic Supply Bakman: "Constant-Current Drive for Hexadecimal Characters" Azok az adatlapok sok okosságot tartalmaznak ám
Bízom benne, hogy ez normális, mert eléggé meleg (az ujjam hegye nem állja) A TIL308-as sokkal kevésbé melegszik. Megjegyzem, ugyanebben/ugyanilyen a kapcsolásban üzemel az is.
Nálam a LED és a Logic supply egyazon tápról megy. Össze is van kötve e két láb. Nem jó ha közös tápról megy?
A hozzászólás módosítva: Júl 25, 2016
Akkor igazam van, elfűti a felesleget. Onnan jő a hő nagyobb része.
Idézet: „The LED driver outputs are designed to maintain a relatively constant on-level current of approximately 5 mA through each LED that forms the hexadecimal character. This current is virtually independent of the LED supply voltage within the recommended operating conditions.” Rám ne hallgass, mert nem értek hozzá, de megfontolnám (mint visszafordítható átalakítás) elvágni a két "supply" közötti átkötést, és egy soros diódával csökkenten a tok melegedését. Baj nem lehet belőle, ha pedig hidegebb és világít is ugyanúgy, akkor
Az adatlap szerint, mindkét lábra mehet az 5 V, de ahogy Gafly javasolta, jó lehet a kevesebb feszültség is a LED Supply lábra. Minimum 4 V-ot kell oda adni, max. 5,5 V-ot.
Anno százasával cseréltük, a megoldás a már említett 1 dióda (1N4001) volt a LED tápra, soha többet nem kellett cserélni. Fontos még, hogy a tizedes pontok nem tartalmaznak előtéteket, sok-sok "kis púpos" kijelzőt lehet találni (ahol kiforrt a TP LED).
Gafly nagyon jó ötletet adott. Most 4,17V amit mérek a LED táp részén. Igaz így is meleg, de talán nincs csúcson járatva. A tizedes pontokra külön előtétet tettem, igen.
![]() Köszönöm neked is, hogy megosztottad a tapasztalatodat ezzel kapcsolatban. 4148-at találtam itthon SMD kivitelben. Azt használtam. Természetesen minden kijelzőhöz külön-külön tettem egy diódát. (Így biztosan elbírja a dióda a LED áramát) A hozzászólás módosítva: Júl 25, 2016
A diódával is melegek voltak a kijelzők?
Ha már arra jársz, én kipróbálnám 2db sorbakötött diódával is, csökken-e a fényerő. Elméletileg úgy is mennie kellene, és sokat számít. Azt is tudni kell, hogy maga az egész logika igen régi bipoláris technika, tehát valamennyire melegszik, de nem nagyon érezhető.
|
Bejelentkezés
Hirdetés |





.
ez azt hiszem elég is lesz és nem kerül sokkal többe, mint a mostani amit használok. 





