Fórum témák

» Több friss téma
Fórum » Csöves erősítő készítése
 
Témaindító: seedz, idő: Márc 31, 2006
Témakörök:
Ne feledd betartani a fórum viselkedési szabályait, és a topik megmaradásának feltételeit. [link]
A téma átmenetileg fagyasztva lett, hozzászólni nem tudsz!
Lapozás: OK   71 / 2208
(#) Imi65 válasza abraboro hozzászólására (») Márc 10, 2008
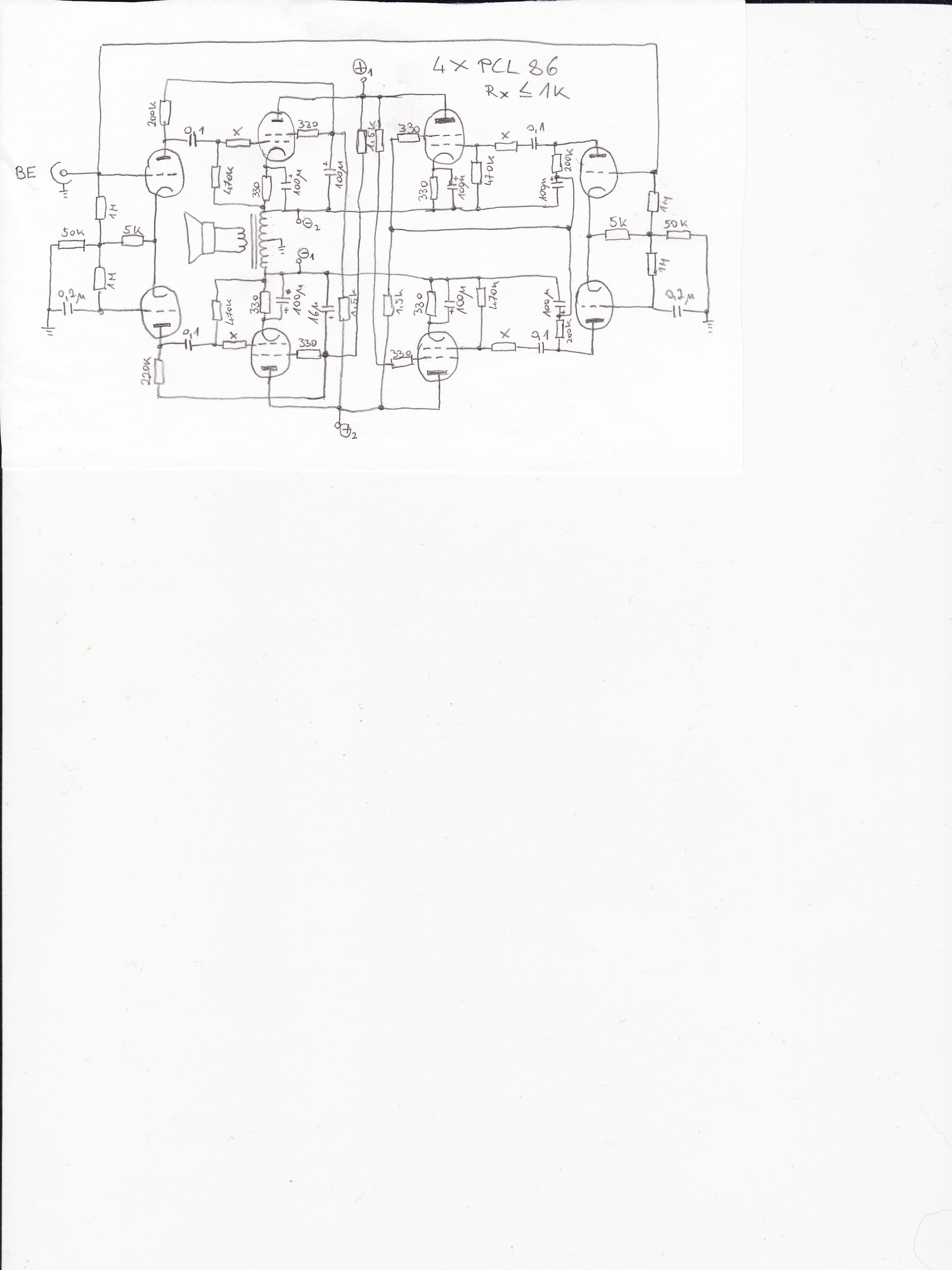
Az alsó triódákra is rajzold be, mert a végén elfelejted.
(#) kocos válasza Imi65 hozzászólására (») Márc 10, 2008
Pedig számolgattam, hoyg belefér-e és az jött ki, hogy igen.. Bár nem tudom, hogy pontosan van-e erre képlet, én a menetszámokkal keresztmetszetekkel, vastagságokkal számolgattam ..
(#) Imi65 válasza Müszi hozzászólására (») Márc 10, 2008
Nem baj, Müszi, hamarosan megy az utánpótlás...
Minden csövemet eljuttassam hozzád, amit nem fogok felhasználni?
(#) abraboro válasza kocos hozzászólására (») Márc 10, 2008
Az lenne ám a szép világ! Ha nem azért vinné a magunkfajta, a csöveket a postára, hogy megváljon tőle, hanem, hogy egy papírral jöjjön vissza, amin az adatok vannak. Meg az alkatrészboltban a tranyók mellől leemelnék nekünk a polcról a lámpásokat 17.50,- ért
(#) kocos hozzászólása Márc 10, 2008
Ma láttam egy csomó félkész csövet, Pl 500 at, PCF-eket Pcl-eket szivattyúzás előtt, üvegburába helyezés előtt, csak magát a burát, "nyers" csőfejeket, "elgőzölés" előtti gettereket Elég érdekes volt
Sőtt egy hosszú "rácsot" is, amiből aztán darabolással 3-4 normál méretű rácsot alakítanak ki, összehegesztetlen anódokat, midnen földi jót
(#) Imi65 válasza abraboro hozzászólására (») Márc 10, 2008
Ez ma már az utópia kategóriába tartozik, sajna.
(#) Imi65 válasza kocos hozzászólására (») Márc 10, 2008
De ezeket már senki nem fejezi be
(#) kocos válasza abraboro hozzászólására (») Márc 10, 2008
Azért ma egy kcisit közel álltam ehhez : új 6p3sz - 150 Ft
(#) Müszi válasza Imi65 hozzászólására (») Márc 10, 2008
Én szivesen elfogadom, a cím és ilyesmi jöhet privátba!
Mindjárt meglesz srácok a 150. oldal, de én azt már máma nem érem meg.
Mentem aludni csöves testvéreim, jó éjt!
(#) abraboro válasza Imi65 hozzászólására (») Márc 10, 2008
Opsz! kicsit szétszórtnak tünök. Maj megkeresem a darabjaim holnap.
(#) burgdavid válasza abraboro hozzászólására (») Márc 10, 2008
Érdekelne ez a PPP PCL85 ből is
(#) Imi65 válasza kocos hozzászólására (») Márc 10, 2008
Az inverzét (6Sz3P) adom 100-ért is, ha veszel 10-et.
(#) Imi65 válasza abraboro hozzászólására (») Márc 10, 2008
Késő van
(#) kocos válasza Imi65 hozzászólására (») Márc 10, 2008
az mi?
(#) Imi65 válasza abraboro hozzászólására (») Márc 10, 2008
Azért itt lehetne 1-2 dolgot egyszerűsíteni. A triódákat is kapcsolhatnád párhuzamosan, fele anódellenállással, meg a segédrácsellenállásokat is összevonhatnád.
(#) Imi65 válasza kocos hozzászólására (») Márc 10, 2008
Az egy közönséges trióda (nem iker), 6,3V fűtéssel, EV, tehát 10000 órás, ipari (valószínűleg katonai) noválcső. Most fogja djhans kipróbálni.
(#) kocos válasza Imi65 hozzászólására (») Márc 10, 2008
egy két katalógusadatot nem tudnál írni róla?
(#) Mate78 hozzászólása Márc 11, 2008
6P14P+6N2P SE sztereó erősítőhöz mekkora teljesítményű hálózati trafót javasoltok?
Az egyenirányítás EZ81-el lesz.

köszi

üdv.
(#) kocos válasza (Felhasználó 13571) hozzászólására (») Márc 11, 2008
Idézet:
„EL ne feledjétek a tegnap előtti általam beírt linket,ahol a csövik várják gazdájukat!”


?????? Én megint elvesztettem a fonalat ( a drótot azt nem, épp tekercselek, csak most pihentetem a kezem )
(#) nagygyeviz hozzászólása Márc 11, 2008
Szia mindenki.Már régóta olvasom a fórumot,de csak most jutottam ˇgépközelbe.nagyon régen már foglalkoztam csöves erősítő-építéssel,de mostanság a téma újra reneszánszát éli,gondoltam,talán tudok segíteni egy-két jó ötlettel/tanáccsal. elég sok mindent kipróbáltam már a csöves technikában,bár nyilván nekem is lehet még újat mutatni. (hogyne) sajnos otthon még nincs net-em,tehát nem fogok túl sok vizet zavarni... a képekre kiwi vagyok. ...jót mindenkinek.
(#) kocos válasza (Felhasználó 13571) hozzászólására (») Márc 11, 2008
Ja, perzse, így tudom, csak a "link" szó bekavart Azt hittem valami honlapra gondoltál
(#) kocos válasza (Felhasználó 13571) hozzászólására (») Márc 11, 2008
Így is tetszem a lányoknak Egynek legalábbis igen
(#) kocos válasza (Felhasználó 13571) hozzászólására (») Márc 11, 2008
Köszi, de sajnos nem érdekelnek, ikercsővel nem nagyon akarok foglalkozni, csak mint "első" hazsnáltam őket!
(#) Imi65 válasza kocos hozzászólására (») Márc 11, 2008
(#) Müszi válasza Mate78 hozzászólására (») Márc 11, 2008
Szerintem olyan 100VA körüli trafóban gondolkod, nekem 150VA-es van, egy rádióé volt.

NAGYGYEVIZ! Üdv a csapatban!

Üdv.: Müszi
(#) kocos válasza Müszi hozzászólására (») Márc 11, 2008
Jó "izmos" rádió lehetett !!!
(#) kocos hozzászólása Márc 11, 2008
Kész lett a trafó, mindjárt bemérem! De már találtam hibát! elszámoltam :4 és 8 ohm helyett 8 és 16 ohmra illeszt
(#) kocos válasza (Felhasználó 13571) hozzászólására (») Márc 11, 2008
Nincs itt, Pesten van
Nem, hanem eleve tervezésnél elszámoltam az áttételt, vagy nem tom ... Mindenestre most rámértem, és 6.3 Voltot kötve a secunderre az előre várt érték "jön" le a primeren ....
Szóval akkor most jó, nem jó? Majd a cső megmondja, ha rákötöm
Amúgy jó hangosan búg, az normális?

nem, tényleg elrontottam ! A négy ohmos leágazáson van akkora áttétel, ami 8 ohmhoz kellene Végülis annyira nem érdekes, úgyis nyolc ohmossal használnám De majd kiderül, hogy szól
(#) kocos hozzászólása Márc 11, 2008
Már meg hálózati trafót kell tekerni, hogy megszólaljon Aztán meg két egyforma kimenőt, meg ahhoz az erősítőhöz is hálózatit, aztán meg megint kimenőt, megint hálózatit .... Úgy látszik ez sohasem fog megállni ))
(#) mp3maker hozzászólása Márc 11, 2008
Össze dobtam (a haverom nyuzott érte) egy EL84 SE-t.(ehez volt alkatrész a "fiokban") Most tesztelgetem, de arra a következtetésre jutotam, hogy mégse mutatom meg neki.

DSC00138.JPG
    
Következő: »»   71 / 2208
Bejelentkezés

Belépés

Hirdetés
XDT.hu
Az oldalon sütiket használunk a helyes működéshez. Bővebb információt az adatvédelmi szabályzatban olvashatsz. Megértettem