Fórum témák
» Több friss téma |
A video szerint nem kell stacking kivezetés, elég ha a töltésvezérlő töltési paraméterei (feszültség) beállíthatóak (float stb.).
Lásd a video alatti hozzászólásokat.
Sziasztok!
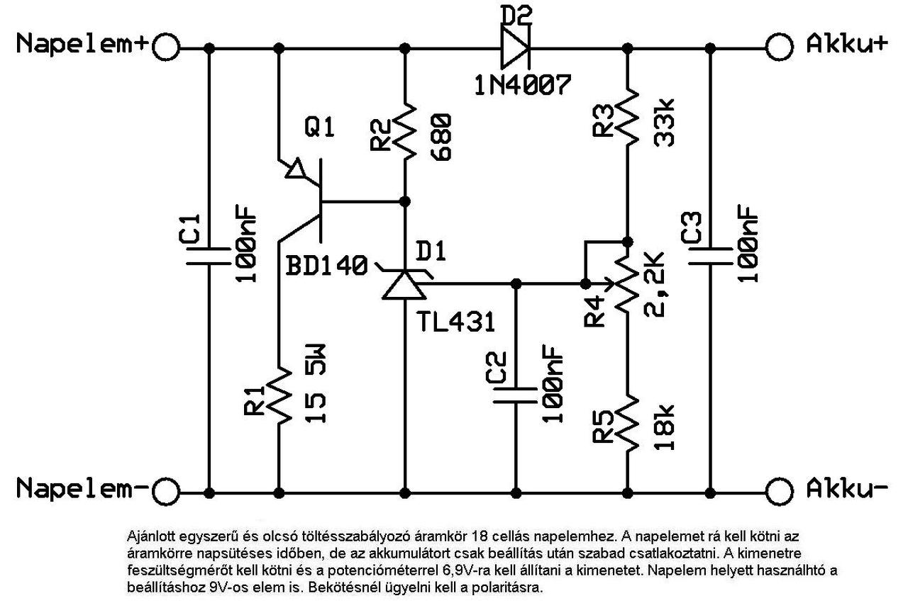
A mellékelt kapcsolást alakítottam át úgy, hogy alkalmas legyen egy 12 V-os akkumulátor töltéséhez. Az R1 22 ohm 20W, az R3 47K, az R5 pedig 10K lett. A napelem 10 W-os és 36 cellás, terheletlenül kb. 20V és 0,5 A leadására képes maximum. A problémám a következő: amikor a kimenő feszültséget próbáltam beállítani a trimmerrel (R4), a TL431 erősen melegedni kezdett és a feszültség leesett 4V körüli értékre. Próbáltam az R2-t nagyobbra cserélni, de nem változott a helyzet. Mit módosítsak a kapcsoláson? Köszönettel!
Amihez nem kell áttervezni: BD 140 helyett tegyél darlingtont, R2 helyett meg ~10k-t! Továbbra is melegedni fog a TL, de nem annyira.
Szerintem inkább keress egy jobbat! Nem lesz ilyen egyszerű, de ez nem a legszerencsésebb.
Köszönöm a segítséget! A kapcsolás valóban nem a legszerencsésebb, működés közben (kicsit elfordítottam a napelemet, hogy csökkenjen az áramerősség, így be tudtam állítani a feszültséget) mind a BD140 és az R1 jelentős hőt termel, a tranzisztort egy P3-as processzorhűtőre szereltem fel, de így is elég meleg. Lehet, hogy két tranzisztornak ez már kevés is lenne.
Tudnál ajánlani egy viszonylag egyszerű de jól használható kapcsolást?
Nem foglalkoztam még ilyennel. Nézd végig a rajzokat!
Működés közben amíg tölt, a tranzisztornak nem szabad melegednie. Akkuval együtt kell beszabályozni a töltési végfeszültségre. Azt már neked kell eldöntened a fogyasztás alapján, hogy 14,4 > 15V-ot állítasz be. A söntszabályzónak alapvető tulajdonsága, hogy a felesleget elfűti. Egy soros feszültségkorlátozó lekapcsol és hideg marad. Mekkora a 12 V-os akkud? Rá lehet engedni a teljes 0,5 A töltőáramot? A hozzászólás módosítva: Júl 12, 2016
Az akku 7Ah-ás, elbírja a 0,5 A-t. Mivel az akkut pár napja töltöttem fel akkutöltővel, ezért hamar elérte a feszültsége a töltési végfeszültséget (14,4 V-ra állítottam be). Úgy tudom, hogy amikor a tranzisztor a felesleges áramot az R1 felé vezeti (szabályoz) közben fűt is, bizonyos fokú melegedés normális jelenség.
Idézet: „...amikor a tranzisztor a felesleges áramot az R1 felé vezeti (szabályoz) közben fűt is, bizonyos fokú melegedés normális jelenség.” Ezt írtam én is. A másik fajta szabályzó elzárja az áramot, a napelem feszültsége felmegy üresjáratra, semmi nem melegszik, nem bánt senkit.
Köszönöm, akkor keresek egy megfelelő soros feszültség korlátozó kapcsolást.
Miért nem az akkutöltő témaköröket bújod? Van egy cél IC, PB137. Ha megnézed az ajánlott kapcsolást, eléggé egyszerű. Egy diódát nem árt a GND lába alá kötni, annyira megemeli a feszültséget, hogy tisztességesen feltölti az akkut. Persze első időben nem árt ellenőrizni.
Köszönöm a tippet, megnéztem az IC adatlapját. Az a baj, hogy nekem ciklikus töltésre kellene a töltő és ez az IC folyamatos töltésre való. Az lenne jó, ha a beállított feszültséget eléri az akku, akkor az áramkör lekapcsolná a töltést az akkuról.
Idézet: „Egy diódát nem árt a GND lába alá kötni, annyira megemeli a feszültséget, hogy tisztességesen feltölti az akkut.” Ez pontosan azt teljesíti. 13,7 V + 0,6 V = ~14,3 V Lehetne tovább is emelni, de ez már elég.
A dióda szerepe világos volt számomra, a problémám az, hogy az így megemelt feszültséget már nem hagyhatom folyamatosan az akkura kapcsolva. Meg kellene még oldanom az akku automatikus leválasztását a napelemről, amikor már feltöltődött.
Ha csupán ez az aggályod, akkor ne tedd alá a diódát. Vagy aláteszel egy Shottkyt.
Miért kellene lekapcsolni a töltést az akkuról, ha még van mivel töltődjön? Túltölteni nem engedi.
Azt nem tudom, hogy mennyire károsodik az akku, ha 14,4V töltőfeszültség akkor is rajta marad miután már feltöltődött.
Ha korlátozod a töltőáramot (csepptöltés 100-150mA) akkor nem károsodik.
Ezért írtam korábban, hogy meg kell mérni a tényleges végfeszültséget. Nagyon kis áramon, amit a tőltő IC átenged rajta, kisebb a dióda nyitófeszültsége, 0,56 V... Tehetsz be kisebb nyitófeszültségű diódát is. A töltőáram lecsökken, mert akármennyit termel a napelem, az akku kapocsfeszültsége már kis áramnál eléri a korlátozási feszültséget, emiatt nem a napelem max. áramával, hanem csupán milliamperekkel fog töltögetni, illetve mindig pótolja az aktuális fogyasztást.
Köszönöm a választ, már csak az lenne a kérdésem, hogy az adatlapban találtam a következőt: "The main feature is a reverse leakage current (Max 10 μA at TJ = 0 to 40 °C VI = floating and VO = 13.7 V)." Ezek szerint nem kell védődióda az akku és az IC közé?
Miért? Ki írta, hogy kell? Úgy kell bekötni, ahogy ajánlják.
Senki nem írta, hogy kell (de azt sem ,hogy nem kell). Csak azt szerettem volna megkérdezni, hogy jól értelmezem-e az adatlapban leírtakat arra vonatkozólag, hogy az IC rendelkezik visszáram elleni védelemmel.
Sziasztok. A következő problémára keresek megoldást:
12V DC akkumulátoros szigetüzemet szeretnék, főként, zöld demós céllal létesíteni. (telefontöltő esetleg egy világítás táplálására szolgálna) A kérdésem az lenne, hogy ha egy töltésvezérlővel "előállítom" a 12V DC-t és tölti az aksit, ellátja a fogyasztót akkor oké minden. Mi van akkor ha merül az aksi, de nem süt a nap annyira, hogy ellássa a fogyasztókat. Arra gondoltam, hogy egy DC feszfigyelő relével vezérelem egy 230VAC/12VDC adaptert ami rácsatlakozik az aksi lábaira. ha kisüt a nap akkor meg kikapcsol a feszfigyelő. Jó ez így? Segítségeteket köszönöm!
Szia!
Az ötleted jó, de nem kell semmiféle feszültségfigyelő kütyüt konstruálni. A töltésvezérlők többségében már benne van az az áramkör, ami figyeli az akkumulátorok feszültségét. Addig engedi merülni az akkufeszültséget, ami még nem káros az akkumulátorokra nézve. Ha te ide mondjuk, egy relét bekötsz, már meg is van a vezérlésed. Ha a kimenet lekapcsol alacsony akkufeszültség miatt, a relé elenged, és kapcsolja a fogyasztókat a hálózatra.
Gondolom a töltésvezérlő napelemre van kapcsolva. Az ötlet jó de csak elméletben. Az a gond,hogy a fesz.figyelőd akkor is működik amikor csak fény van de nincs napocska (borús,felhős égbolt). Ez meg a gyakorlat. Nekem is ilyen rendszer van csak egy kicsit más. Nem kimondottan szigetüzemű. Én alkonykapcsolóval oldottam meg.
Szia!
Az ötlet jó de csak elméletben, mi van akkor, ha fényes nappal merülnek le az akkumulátorok?
Az enyém úgy van megoldva ha nincs megfelelő erejű napocska akkor az "alkonykapcsoló" vezérlése vissza kapcsolja a hálózatra. Tehát olyan mint akku lemerülés nincs. Több ilyen védelem is van benne,hogy az akkut nem engedi lemeríteni. Ha van megfelelő erősségű fény akkor a napelemről megy a rendszer. A napelem nagysága és a töltésvezérlő úgy van megkonstruálva,hogy akku nélkül működteti a rákötött fogyasztókat.
Akkor minek a rendszerben az akkumulátor?
Motor indításhoz. Néha, felhő takarás, enyhén felhős vagy fátyolfelhős ég kiküszöbölésére. Ez sokkal összetettebb mind gondolnád. Ha csak érdeklődsz ennyi elég. Ha viszont van egy megépült rendszered vagy építeni,módosítani akarod, akkor az ismeretedet lehet bővíteni. Ha érdekel írj itt, vagy privátba.
Köszi, már túlvagyok egy pár rendszeren
![]()
Üdvözletem!
Kissé még új vagyok a témában,úgyhogy igyekszem részletesen leírni a kérdésem. Vettem egy napelem modult melynek maximális tőltőárama 980mA körül van. Egy 14AH-s aksit próbáltam meg vele tölteni. Elég szenvedős neki. Igen tudom kellenee neki 1.4 A. Kérdésem. Van benne egy egyenirányító ami elég pirinyó,és tojást lehetne sütni rajta. Nem mellesleg 0.4V-al kevesebb feszt ad át mint egy másik masszívabb ami töltésnél sokat számít,mi van ha ezt a tojássütőt kicserélem arra a masszívabbra ami csak 0.1V-ot kaszál el a feszültségből? Töltene-e gyorsabban,vagy felsütném a napelemet? Csak egy modulról van szó. Köszönöm a hasznos válaszokat.
Gyorsabban nem töltene. Max túltöltéses lenne az aksi. 6-12-24v napelem/aksi? minden aksinak megvan hogy meddig érdemes tölteni.
pl 12v az aksi akkor 14v kell lekapcsolnia töltőt.
A túltöltéstől nem félek,1 nap alatt alig 0.5 V-ot töltött bele,tehàt most 12.5v-on van. 1.6 A-es töltéssel cirka 4-6 óra alatt töltődik fel. Véleményem szerint 0.9A-el az életbe nem fog eljutni 13.2 V-ig,vagy eljut 10 évvel később.☺12V 14AH zárt savas gondozásmentes egyébként. Ehhez inkább egy 7AH- s aksit kellett volna vennem hogy 6 óra alatt feltöltődjön. Csak az volt a poén hogy 30 AH-ig ajánlották,csak nem értem miért ha egy 14AH-val sem bír el.
|
Bejelentkezés
Hirdetés |