Fórum témák
» Több friss téma |
Fórum » FOK-GYEM TR9178 tápegység
Most nézem, hogy nem most vetted, hanem meddig jól működött.
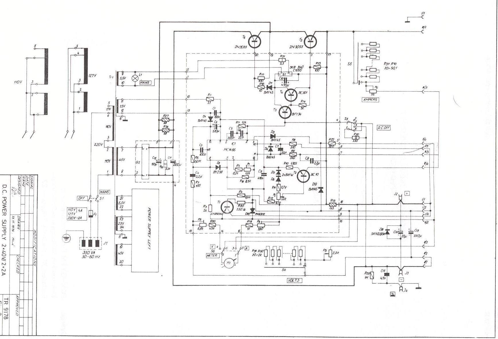
Idézet: „A TR-9178-as labortápomban elszállt baloldalt a 2db 2N3055.” Tehát akkor nem lett belebarmolva... Mit csináltál vele amikor elszállt? Imádkozz hogy ne az MC1466 legyen a hibás, mert azt nehéz szerezni, vagy ki kell váltani. Terhelhető egyébként a kimenet? Én mondjuk hibásan vettem az enyémet, kb. fél marék alkatrész után lett jó... Többi félvezetőt is mérd meg. Az alsó osztó az a P5 2k2 poti. Ugye az nem volt piszkálva? Az a 12V-ról indul, és duplájával lépked, engem nem hagy nyugodni
Eddig tök jól működött. Egy áramkört teszteltem, egy 12V-os 10W-os autós izzót kapcsolgatott pwm-el.
Az alsó poti nem volt piszkálva. Nekem is fura. A kimenetet nem mertem megterhelni, leterheljem valamivel?
Igen, abból kiderül (legalább az, hogy a hármas darlingtonból (2n3055, BC301, BCY) ) mindenki rendben van-e.
Nem mintha az okozhatna ilyen hibát, de ha azok nem jók, akkor biztosan nem fog rendesen működni soha... Az jó, hogy nem akkut töltöttél vele, mert leginkább azzal lehet kinyírni (DC OFF helyett a hálózati kapcsoló lekapcsolása). És akkor elszáll az egész "hóbelevanc", beleértve a "szent" MC1466-ot is. Persze egy nagyobb elkó a kimeneten is megteszi, nem jó sorrendben lekapcsolva...
Alap, labortápot először a dc offal kapcsolunk ki.
Hallottam olyan tápról is amit az ac offal kapcsoltak be es a dc off mar be volt kapcsolva es egy pillanatra kiment a labortáp max tápfesze
Valamiért azt nem küldte el, hogy a tranyókat kimértem. De csak úgy, hogy a 3 lábuk közt van-e zárlat és nincs. Ez elégséges ellenőrzésnek?
Tök jó, hogy a fórum motor elnyeli a hozzászólásaim felét....
Szóval leírom mégegyszer:Ez szerint megmértem a feszültségeket: A multiméterem + mérőcsúcsát a + tápághoz kötöttem, ahogy írták. rossz oldal: 6,6 -18 -10,5 500mv 0v 0v -2,5v -0,7v -0,3v ? 0v 300mv 300mv 300mv jó oldal: 6,63v -17,5v -10,7v 100mv 0v -0,94v -2,6V -0,71v -1,67v ? 0v 1,08v 1,08v 1,08V + az előző hszemben van két kép, érdekes, hogy tákolgatták. Mindkét panelon 1-1 vezetősáv el van vágva és a rossz panelon 1db ellenállás van pluszban, a jó panelon pedig 3 is és egy dióda. Szerk.: Ide feltöltöttem egy videót. A hozzászólás módosítva: Júl 9, 2016
Idézet: „De csak úgy, hogy a 3 lábuk közt van-e zárlat és nincs. Ez elégséges ellenőrzésnek?” Általában nem, mert azt is illik megnézni, hogy a bázis-emitter, bázis-kollektor dióda dióda-e. (Multiméter diódavizsgáló állás kb. 600 mV nyitóirányban). A többire inkább inkább alszok egyet. A hozzászólás módosítva: Júl 9, 2016
Kedves Droot,
aludtam rá ![]() Meg kinyomtattam amiket írtál, meg rákerestem, gondolkoztam, stb. Én erre jutottam: Az MC1466 kiváltható, például Béka mester honlapján is meg lehet találni a helyettesítését. Bővebben: Link A jó hírem az az, hogy szerintem esetedben nem a "szent és beszerezhetelen" IC halt meg ![]() De azért tedd el magadnak a helyettesítést, mert jól jöhet még... Szerencsére leírtad a jó és a hibás oldalon mért feszültségeket. Ezek alapján: - Tápfeszültség rendben - 8-as láb (ami az IC kimenete) 500 mV (hibás) <-> -1,67 V jó. Szerintem itt van a kutya elásva, mert a jó oldalon a -1.67 V megfelel a hármas darlington fokozat nyitófeszültségének (3*UBE), míg a -0.3 V azt jelenti, hogy szegény IC próbálja lezárni a darlingtonokat, de nem tudja. - Ezt támasztja alá 8-as lábon mért 500 mV (hibás ami a 8-9 láb között lévő BY238 védődióda szaturációs feszültsége), szemben a jó oldallal, ami 0 V. Röviden (bár nem értek hozzá): Szegény IC tudja hogy túl magas a kimeneten a feszültség, küzd is ellene, de nem tudja lezárni a hármas darlingtont... Javaslat: Mérd meg rendesen a BFY34-et (az különben sem egy szuperül sikerült eszköz), a BC301-et és a 2N3055-ötöket. Közben eszembe jutott egy gyors teszt az esetedre: Emeld ki a BFY bázisát, akkor nem lehet a kimeneten semmi... A hozzászólás módosítva: Júl 10, 2016
Szia!
Köszönöm szépen a választ! Ez valóban jó hír. ![]() Csak a BFY bázisát forrasszam ki? (Utána a tranyókat rendesen kiforrasztom és multiméterrel is megmérem.) Ha a BFY rossz, van itthon BC639-em, ez jó lehet a helyére? A hozzászólás módosítva: Júl 10, 2016
Idézet: „Csak a BFY bázisát forrasszam ki?” Igen, akkor nem lehet a kimeneten (terhelhető) feszültség. Különösen ha valamekkora ellenállással összekötöd a bázist az emitterrel. Idézet: „Ha a BFY rossz, van itthon BC639-em, ez jó lehet a helyére?” Zsigerből mondom, hogy nagy fémtokos tranzisztort kicsi műanyagra? Adatlap szerint ugyanakkor bírnia kellene... De ha akad a fiókban még egy BC301 A hozzászólás módosítva: Júl 10, 2016
BD139-em van, ami (szerintem) jó lehet, bár nem vagyok egy nagy tranzisztor gyógyász.
Kiszedtem a B-át a BFY-nek és ugyan úgy viselkedik. :/ Idézet: „Kiszedtem a B-át a BFY-nek és ugyan úgy viselkedik. :/” Innentől a Te kezedben van a dolog. Ha nem kap vezérlést (az IC-től) a vége, akkor nem lehet a kimeneten feszültség/áram...
Kiforrasztottam és úgy is ugyan ez történik, sőt a BC301-et is kiforrasztottam és detto.
A kimeneten lévő feszültséget tudom állítani a feszültség állítókkal. Pedig fizikailag lehetetlen lenne és nem találom, hogy miért van rá mégis hatással.
Sziasztok!
Nem teljesen beszerezhetetlen az MC1466, mert egy ideje a kínai ezt is elkezdte hamisítani Bővebben: Link.Én több mint egy éve rendeltem kettőt és azóta hibátlan az öreg tápom... A hozzászólás módosítva: Júl 10, 2016
Újabb fejlemény:
A BFY és BC301-es tranyókat sikerült kimérnem a multiméter hfe mérőjével, csak plusz lábakat kellett rá forrasztanom, mert rövidek voltak és nem érintkezett. Az egyik 60 körüli, a másik 30 körüli bétájú. Tehát jók.
Megcsináltam! Valami még mindig nem oké.
-Az áramot 0A-ra levéve nem esik le a kimeneti feszültség. -A kimeneten beállítok 16V-ot és kb. 23-24V jön ki. -Ahogy állíthatom a kimenő feszültséget, ha feljebb veszem nagyon lassan megy fel a mutató, lassan éri el a beállított feszültséget.
Nem biztos hogy hamisak. Lehet hogy elfekvő darabok voltak. '86 és '93 közötti gyártmányokat láttam.
Ne add fel!
Ha már úgyis benne vagy és a hármas darlington bázisa úgyis ott lóg szabadon, akkor egy mondjuk 10 KOhm-al kösd össze az emitterrel. Akkor nem lehet kimeneten semmi... Ha pedig a kollektorral, akkor pedig terhelhetően ott kell lenni a teljes tápnak.
Apránként kell "felenni" a tápot. Első a végfok ellenőrzése. Aztán ha az már működik, lehet ellenőrizni a szabályozásokat. Elsőként a feszültséget, utána az áramot. De hogy egy táp kimenete leszabályozott áram esetén lemegy-e nullára, az véletlenszerű. Mert kis eltérés, vagy offset hiba esetén, már is "nem nulla" az a nulla áram. A sönt érteke kicsi, és a kimentet csak a feszültségosztó árama terheli. Néhány mV elég, hogy az nagyobb legyen, mint az üres terhelőáram. Tehát ez lehet hiba is, meg nem is. Akkor lehet vizsgálni, ha minden szabályozás már működik.
Én semmire, csak próbáltam jó mederbe terelni a javítási szándékát.
Én is. De ott leragadtam, hogy szerintem a vége (IC nélkül, csak a vége) sem úgy működik, ahogyan kellene
![]() Csak visszaemlékeztem arra, ahogyan küzdöttem az enyémmel és mennyit segítettél A hozzászólás módosítva: Júl 11, 2016
Köszönöm, hogy ketten is itt vagytok és segítetek!!! Természetesen nincs elfelejtve, a héten már nem tudok vele foglalkozni, mert dolgozom, a jövő héten pedig elutazunk. Ha hazaértünk meg fogom nézni, de sajna csak hétvégente tudok foglalkozni vele, hétköznap szinte semmire sincs időm.
Írok, ha sikerült kipróbálni a BFY Bázis kollektor és Bázis emitter közé a 10k-ellenállást betenni, hogy mi történik.
Sziasztok!
1. lépésként kicseréltem a BFY34-et BC301-re és a BC301-et is egy új BC301-re. 2. lépésként összekötöttem egy 15K-s ellenállással (ez volt itthon) a BFY34 B-C átmenetét és megjelent a full tápfesz. 3. lépésként a BE átmenetet kötöttem össze. Ebben az esetben a labortáp kimeneti feszültsége nem 0V, hanem a feszültség állítókkal tudom állítani, 0V beállítása esetén 1,9V, 40V beállítása esetén 34V. Ami érdekes, hogy nem kellene hogy hatással legyen a DC OFF kapcsoló a kimeneti feszültségre (mivel én vezérlem a BFY (kicserélt, jelenleg BC301, T3) bázisát) tehát ettől függetlennek kéne lennie, ennek ellenére mégis leesik 0V-ra a kimeneti feszültség, ha lekapcsolom a DC OFF-ot. A Fenti feszültségek a 2-es és 3-as pontban felkapcsolt DC OFF állapotra vonatkoznak.
Kicseréltem a 2db "N3055-öt új ST gyártmányúra, amit beleraktam kb. 10 éve megmaradt új Tungsram. Bekapcsoltam és láss csodát működött. Beállítottam 10V-ot és 0,5A-t majd egy 10W 33Ohm ellenállást ráraktam és rögtön kiugrott a tápfesz akimenetére.
Mind a 2db 2N3055 elszállt azonnal. A hozzászólás módosítva: Júl 23, 2016
Nekem a szakadt huzal potméterek miatt szálltak el.
|
Bejelentkezés
Hirdetés |





Melyik alkatrészeket ellenőrizzem?










