Fórum témák
» Több friss téma |
Igazad van, értem. Azért mégis köszönöm.
Sziasztok!
Édesanyám Naumann varrógépéhez szerelt Tur 2-es motorhoz szeretnék fordulatszám csökkentőt építni. A lényeg, hogy fokozatosan lehessen változtatni a motor sebességét. A fokozat lehet pl. "skálás", tehát nagyon lassú, gyorsabb, még gyorsabb, stb. Nem kritérium a fokozatmentes szabályozás. A motor: 230V -90W Tudtok ebben segíteni? Köszönöm szépen!
Van hozzá egy nagyon egyszerű nyomásra változó értékű ellenállás. Rendkívül könnyen javítható. Általában elég, ha szétszeded és újra összerakod. Azzal, hogy másképp máshova kerülnek vissza a lemezkék, újra jól változik az ellenállása. Gyakorlatilag örök darab, a célnak megfelel.
Eredetileg van hozzá egy talpkapcsoló (lábnyomásra szabályoz), erről ír "Erbe". Ha nincs meg, lehet kapni.
A gyári eredeti megoldás a mellékelt képen.
Tur-2 pedál
Igen, tudom, van ilyen lábpedálunk is. Viszont ennek használata nem túl kényelmes, nagyon fárasztó folyamatosan nyomni, nem is beszélve arról, hogy idővel fárad a láb és folyton változik a motor sebessége.
Jelenleg a konfiguráció úgy működik, hogy a lábpedál kvázi csak mint egy kapcsoló (0 vagy 1 )szerepel a körben. Az áramkörbe van iktatva már egy fordulatszámcsökkentő (viszont ez az eszköz rövid idő után nagyon melegszik, tűzforró lesz.-ebből gondolom , hogy nem működik megfelelően.) A csökkentőn 4 fokozat van, kapcsolóval választható ki a kívánt fordulatszám. A lábpedál lenyomva maga a kapcsoló, azzal mást szabályozni nem lehet. Tehát egyszerűen egy 230V-os motor fordulatszámszabályzót szeretnék építeni. Csak a kérdés, hogyan működik egy ilyen.
Szia!
Tessék itt van egy hozzá.
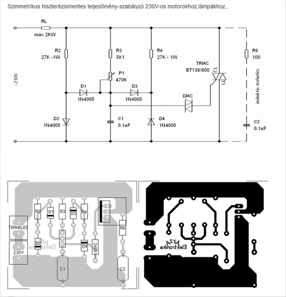
Érdekes kapcsolás
![]() Gondolom pont ezek voltak éppen otthon
Mit varrsz? Sátorponyvát kilométer hosszban?
Egy varrónő állandóan változtatja a varrási sebességet, hiszen legfeljebb nagykabátnál vannak méternél hosszabb egyenes varratok. Ahol fordulni, kanyarodni kell, mindig lassítani kell a pontos iránytartáshoz. Az ellenállás pedál nyomása semmivel se nehezebb, mint az ipari gépeké. Ha túl könnyen járna a pedál, az zavaróbb lenne. Ezért tesznek az elektronikus vezérlésekbe is rugót. Nem is gyengét.
Elég drága, és ez csak a pedál.Ez még egy érv az mellett, hogy én a meghajtást DC motorral oldottam meg. 1. Könnyű. 2.Soha nem ráz meg. 3. A fordulatszám szabályozó elektronika már eleve benne van a labortápomban. Kérdés az, hogy érdemes e azt a pedálba szerelt valamilyen fénysorompóval vezérelni? Egyelőre túl keveset használom a gépemet ahhoz, hogy megérje.
Slingelés. NEm sátorponyva, de kilométer hosszban fogy a cérna. És alapfeltétel az állandó sebesség!
Sajnálom. Én csak ruhagyárban voltam karbantartó villanyszerelő ~15 évig, nem slingelőgyárban.
Tisztelet mindenkinek!
Van egy régi varrógépem felszerelve elektro-motorral és fordulatszám szabályozóval ami meghibásodott, A motor adatai: Typ 1205.6 Au 1 Forgatónyomaték 900 Teljesítmény 100 W Feszültség 220 V 50Hz Fordulat 4000/perc A szabályozó adatai: Typ 1802.1 Feszúltség 220 V~_40 W 40%ED II/69 IP 40 A gond hogy 2-3 perc után ahogy a szabályozó melegedik kezdi növelni a fordulatot és hiaba veszem le a lábamot a pedálról egészen fölgyorsul, leállítani csak a betáplálás megszüntetésével lehet. Örömmel fogadnám ha valaki tudna segitení hogy mit tehetek. Előre is nagyon köszönöm! Csaba A hozzászólás módosítva: Márc 4, 2017
Sziasztok ! Segitségeteket kérem Naumann v.gépből nem jön ki a bobby - mit tegyek - köszi
Mi az a "bobby"? Ilyen alkatrészt nem ismerek a varrógépben. A mellékelt alkatrészre gondolsz? Ezt bobinnak hívják. A kioldó lemezt meghúzva oldja a rögzítést, utána húzható le a tengelyről. Ha a rosszul orsózott cérna leszalad az orsóról akkor beszorulhat.
Szia! Itt nem foglalkozunk a varrógép mechanikai problémáival.
Az említett alkatrész nevét nem így írják, van rendes neve: orsótok. Állítsd a tűt a felső hotpontra, vagy mégjobb, ha kiveszed. A kézikerékkel forgasd előre-hátra a főtengelyt, miközben húzod az orsótokot. Fog az engedni.
Köszönöm a jó szakmai tanácsot - próbálkozom úgy ahogy le írtad .
Köszönöm a felajánlást , rendes vagy - jelentkezem hamarosan itt.
sziasztok! adott egy 1980-as pfaff otthoni varrógép, de elég keveset használt, egyáltalán nem leharcolt. hobbymatic 807.
tegnap elég ijesztően meghibásodott. épp szélező varrást csináltam, ami lassú, tehát nyomtam neki, kb 80% fordulatszámon óriási pukkanás, villanás, fura olajos ózonszag, de füst nem volt illetve kur..ra levágta a biztosítékot. nem volt meleg, épp csak langyos a ház, a pedál szintén könnyen jár a gép, nagyon könnyű anyagot is varrtam a motor halt meg? vagy esetleg vmi járulékos alkatrész, aminek talán könnyebb/olcsóbb a javítása? tippeket előre is köszi A hozzászólás módosítva: Aug 5, 2018
Honnan jött a villanás? Valószínűleg ott kell keresni a hibát.
ahol a motor van természetesen
Szétszed, lefényképez, megmutat, hátha látható a hiba.
A gép kialakítását, jellegét és a hibajelenséget tekintve a legvalószínűbb eset, hogy a zavarszűrő kondenzátor durrant el. Nem lehetetlen a kábeltörés, de az másképp jelentkezne.
Próbáld ki újra. Ha nost is leveri az automatát, a zárlatnál összeolvadtak a bekötöhuzalok. Ha megy, akkor is célszerű szétszedni és cserélni a kondenzátort.
szia, köszi a tippet, még akkor kipróbáltam egy külön kismegszakítóra dugva, és csak 1 pillanatra mertem bedugni.
megint pukkant egyet, azonnal kirántottam, ezúttal nem verte le. én is ebben reménykedtem, h talán csak egy kondi, és nem a motor, mivel tényleg keveset használt a gép. érdemes kondi cserével saját magam foglalkozni? forrasztásban ott vagyok, azonban 1980-as gyártású háztartási gépek érintésvédelmével kapcsolatban nagyon nem. főleg h fémházas az egész. ilyesminek csak akkor állnék neki, ha régebbi volta miatt még könnyebben szerelhető, hozzáférhető, és a kondi tipusa is egyértelműsíthető...
tkp ez volt a hozzászólásom lényege, h itt vannak olyanok akik értenek a varrógép javitáshoz és a történtekből már szűrHETIK, h mi lehet a baj. tehát hogy ne kelljen szétszednem úgy, h esetleg ugysem tudom megcsinálni, és mindenképp szervizbe kell vinnem. nagyjából ezt próbálom kideríteni.
meg hogy egy ekkora csattanásnál károsodhatott e a motor, tekercselés stb, vagy az védve van.
még annyi h esetleg nem tudjátok kihez érdemes vinni Budapesten ilyen régebbi pfaff gépet javítani? többet is kiad a kereső.
mert közben akkor ott is puhatolóznék h mi merre mennyi. köszi
Műanyagházas kettős szigetelésű motorokat használnak. Leveszed a gépet a dobozról, alulról már látható a motor. Sajnos, ki kell venni, mert szét kell szedni a műanyag házát. Akkor látod meg, milyen kondit kell bele venni.
köszi, még nem kaptam szét, de felhivtam 3 szakit és azt mondták h baromi problémás pl egy kondi beszerzése egy régebbi pfaffhoz, motorról nem is beszélve.
a kondit nem értem. olyan speciális értékek kellenek, ami általános, mai kondenzátorral nem helyettesíthető?
A jelenség nem varrógépspecifikus. Attól, mert a kondenzátor a legvalószínűbb, nem jelenti azt, hogy biztosan az is a gond. Szétszedés nélkül így is, úgy is csak találgatni lehet. Ha gondot okoz két-három csavar, akkor vidd szervízbe.
Segítünk szívesen, ingyen (nem úgy, mint egy szervízben), cserébe némi együttműködés kell és akarat a részedről. |
Bejelentkezés
Hirdetés |










