Fórum témák

» Több friss téma
Fórum » Sztereó DAC
 
Témaindító: meszattila, idő: Ápr 10, 2007
Témakörök:
Lapozás: OK   71 / 99
(#) gerleimarci válasza csigabiga1 hozzászólására (») Aug 2, 2016 /
 
Úgy látom, ebből lesz valami, csak így tovább
Égető hozzá 600Ft, 6pin usbasp a neve. Arra a 6 tűs csatira megy a lapon.
Ja és nem mellesleg USBs soros debugot is tud.
(#) csigabiga1 válasza gerleimarci hozzászólására (») Aug 3, 2016 /
 
Hm, mire kell az égetö, ha USB-n keresztül fel tudom tölteni a programot?
Egyenlöre a kijelzövel próbálkozok, aztán jöhet egy egyszerü menü felépítése...
(#) csigabiga1 hozzászólása Aug 3, 2016 /
 
Buvarruhától kérdezem, hogy segítene-e összefoglalni hogy milyen funkciókat kell ellásson egy jól megtervezett DAC vezérlö (legyen az elsö körben akár a PCM1794)?
(#) Buvarruha válasza csigabiga1 hozzászólására (») Aug 3, 2016 /
 
A 1794-nél szinte semmit, mivel az a lábai magasra, vagy alacsonyra húzásával van konfigurála, de a reset és a kimeneti koppanásvédelmet bíznám rá.
(#) csigabiga1 válasza Buvarruha hozzászólására (») Aug 3, 2016 /
 
Mikor van értelme resetelni? Kell egyáltalán?
(#) Buvarruha válasza csigabiga1 hozzászólására (») Aug 3, 2016 /
 
Bekapcsoláskor például, áramszünetkor, ezért csináltam külön Ac figyelést, mert, ha leesik a tápfesz, de nem annyira, hogyn a PIC is leálljon akkor megbolonduéhat.
(#) gerleimarci válasza csigabiga1 hozzászólására (») Aug 3, 2016 /
 
Régebbi arduinokban DIP tokos atmega volt, és lehetett cserélni, ha valamivel gallyra vágtad. Ekkor bele kellett valamivel tölteni az új atmegába a bootloadert. Esetleg ha valami program miatt elcseszódne a bootloader, de erre kicsi a valószínűség.
Én mostanában ezzel programozom, mert ilyenkor nincs rajta bootloader, ami nem nem foglalja a helyet és gyorsabban indul az arduino.
(#) csigabiga1 hozzászólása Aug 5, 2016 /
 
Azt hiszem tartogatom a vezérlöt az ES9016 DAC-hoz...
A logó már el is készült hozzá. Minden esetre kalados dolog színes képet erre a kijelzöre varázsolni...

ESS logo_.jpg
    
(#) csigabiga1 hozzászólása Aug 5, 2016 /
 
Ahogy számolgatok, egy ilyen kép (128*64pix) pont 1kB, azaz 32db fér bele a flash-be - de akkor még nincs egy deka programom és kiegészítö utasításkészletem se...
A hozzászólás módosítva: Aug 5, 2016
(#) denon888 válasza csigabiga1 hozzászólására (») Aug 5, 2016 /
 
Biztos kalandos. mert erre nem lehet. Bár vannak még csodák.
A hozzászólás módosítva: Aug 5, 2016
(#) csigabiga1 hozzászólása Aug 7, 2016 /
 
Sejtettem hogy páran fenn fogtok akadni a fogalmazáson.
Az érdekes az, hogy a színes logóból hogy lesz hexa adatkupac...
(#) Helios hozzászólása Aug 9, 2016 /
 
Sziasztok!

Szeretném kiegésziteni a PCM2906C "BB" jelű IC alapkapcsolását egy-két plusz funkcióval:
- nem USB tápról szeretném használni, hanem szabályzott, stabilizált tápró (transzformátoros);
- a hangerő szabályzást - merthogy ilyet is tud - szeretném potenciométeres vagy rotary encoder-es megoldással használni, hogy dobozoláskor kapcsolódjon az összképhez.
- az analóg kimenetet szeretném ellátni egy 1x-es erősitést használó OPA-val, ehhez elméletileg az OPA2107AP "BB" meg is felelne.

Tudna valaki segiteni ezekben?

Továbbá szeretném megkérdezni hogy a SEL0 és SEL1 jelű lábak mire használhatóak?
(#) Buvarruha válasza Helios hozzászólására (») Aug 9, 2016 /
 
Ha saját tápról akarod használni, akkor egyszerűen ne kösd be az USB tápját, hanem a helyére menjen a saját tápod. A hangerőszabályzást legfeljebb enkóderesre lehetne megcsinálni, de ahhoz is mikrovezérlő kellene, viszont sima nyomógombbal nagyon egyszerű, van is kapcsolás hozzá a doksiban. A kimenetre pedig szintén csak rá kell kötni a műveletierősítő bemenetét amit egyszere álítasz, de ahhoz nem ártana szimetrikus táp.

A SEL lábakról nincs semmi infó a doksiban, scak annyi, hogy lehetőleg magasra kell kötni.
(#) Helios válasza Buvarruha hozzászólására (») Aug 9, 2016 /
 
A szimmetrikus táp és a külső tápellátás nem probléma, eleve azzal szeretném hajtani. Invertáló vagy nem invertáló kapcsolást ajánlasz?

A hangerőszabályzás nagyon piszkálja a csőröm, ahhoz ragaszkodnék. Szereztem kontaktot egy PIC-es cimbihez, aki be is tudja égetni a programot a PIC-be. Ha tudsz ötletet adni, esetleg alapkapcsolás-alap kóddal együtt annak örülnék.
(#) Buvarruha válasza Helios hozzászólására (») Aug 9, 2016 /
 
Nylíván nem invertáló kapcsolást, nincs értelme fázist fordítani és így a bemeneti ellenállás is magas lesz. A kapcsolás igazából hótt egyszerű, csak rá kell kötni az enkóder kimeneteit a megfelelő lábakra fel/lehúzóellenállásokkal. Ha egyáltalán nem tudsz PIC-et programozni/beüzemelni, akkor a PIC kezdőknek topikot javaslom, nem ál módomban minden elmagyarázni, megcsinálni.
(#) csigabiga1 hozzászólása Aug 31, 2016 /
 
Azt mondja meg nekem valaki, hogy ES9016/18 DAC-oknál az 3,3V AVCC-t miért a 3,3V DVCC-böl veszi müveleti erösítös szüréssel? Nem lenne egyszerübb egy teljesen külön stabIC neki??
(#) Buvarruha válasza csigabiga1 hozzászólására (») Aug 31, 2016 /
 
Mert az a kimenet DC offsete és gondolom, hogy nagyon tiszta legyen.
(#) csigabiga1 válasza Buvarruha hozzászólására (») Aug 31, 2016 /
 
Nem értem teljesen. Mi a kimenet DC offsete?
Miért a DVCC-böl állítja elö, miért nem teljesen független táppal?
A hozzászólás módosítva: Aug 31, 2016
(#) Buvarruha válasza csigabiga1 hozzászólására (») Aug 31, 2016 /
 
Az AVCC van a műveletierősítők + bemenetére kötve és nem földön vannak, mert az IC kimenete feszültségvezérelt és nem szimetrikus gondolom.
(#) csigabiga1 válasza Buvarruha hozzászólására (») Aug 31, 2016 /
 
Nem értem amit mondasz...
Ja de, igen, az offset az AVCC feszültség közepe, ez tiszta sor.
De miért a DVCC-böl állítja elö opá-s szüréssel, ezt nem értem továbbra sem.

(csak megjegyzésként, nézegettem még egyéb terveket, és valaki teljesen függetlenül állítja elö, pl. a DIYINHK-féle kivitel)
A hozzászólás módosítva: Aug 31, 2016
(#) Buvarruha válasza csigabiga1 hozzászólására (») Aug 31, 2016 / 1
 
Kérdezd attól aki ezt kitalálta.
(#) csigabiga1 hozzászólása Szept 2, 2016 /
 
Annyira nem érdekel, hogy az ESS tervezöinek írkájlak hogy aztán jól hülyének nézzenek...

Kérdés inkább hogy lehetne a legreálisabban megoldani a dolgot.
Én mindenképp külön szedném a digitális és analóg oldal tápját, minimum külön szekunderekre.
DVCC-nek elég valami egyszerübb stabi, mondjuk LF33 (50uV zaj), ezt használom a PCM1794-nél is. Az analóg referenciának viszont mindenképp valami ultra kis zajút tennék (<10uV). Pl. ADM7150 (1uV, 800mA), a opáknak meg pl. TPS7A4700 / TPS7A33 (4uV/16uV, 1A).

Sokan használnak SHUNT típust (Salas, TentLab, stb.) az analóg részhez egy egyszerübb stabi után. Van ennek érdemi jelentösége??
A hozzászólás módosítva: Szept 2, 2016
(#) tompi2006 válasza csigabiga1 hozzászólására (») Szept 6, 2016 /
 
Csigabiga! Én azóta használok shunt tápot mióta tapasztalati úton elfogadtam magamban, hogy az élvezetes hang nem a mérhető minimális zajszinttel függ össze hanem annak az agy számára elfogadható típusával. DAC digitál oldalán nem hallottam különbséget az ADM7151 és a salas reflektorD között analog oldalon salas BIB-et használok IRFP9140 CCS fet-el és D45H11 shunt fet-el. Na ott lényegesen jobb hangot kaptam az IC-khez képest. A shunt tápnál fontos a jó minőségű alkatrészek használata nagyban változik a kapott hang minősége. Pl érdemes Dale RN55-rn60 ellenállásokat használni vagy vishay MBB0207, illetve elkoból pana FC nichicon FW vagy jobb. Az sk117 helyett 2sk880 smd adapteren tökéletes helyettesítő, kisebb hőmérséklet drifteléssel. Amúgy álltalában a mérhető zajszintje is az IC-sek alatt van a shunt tápoknak, ha keresgélsz valahol volt teszt a neten. Ami ellene szól a brutál méret meg a magas hőtermelés. Mondjuk a 6h30 cső több mint 120 fokos azt nem előzi be úgyse
(#) Buvarruha válasza tompi2006 hozzászólására (») Szept 6, 2016 /
 
Azt ne mond, hogy hallod a különbséget a sönt beállító ellenállásainak tíipusa között.
(#) tompi2006 válasza Buvarruha hozzászólására (») Szept 6, 2016 1 / 1
 
Kedves Buvarruha ! Nem egy szinten mozgunk több téren, engedd el már kérlek, hogy mikor mit hallok. Salas a kit-jében is PRP ellenállást szállított és ajánlja is az indukció mentes alacsony zajú típus használatát, biztos ő is mentalista.
A hozzászólás módosítva: Szept 6, 2016
(#) Buvarruha válasza tompi2006 hozzászólására (») Szept 6, 2016 /
 
Hogyne.
(#) Buvarruha válasza Buvarruha hozzászólására (») Szept 6, 2016 / 2
 
Amúgy világos, hogy Ti felsőbbrendű lények, a megmagyarázhatatlan, mérhetetlen dolgokat is meghalljátok.
(#) csigabiga1 válasza tompi2006 hozzászólására (») Szept 7, 2016 /
 
Köszi a választ. Mennyi megosztható infód van a Salas shunt-röl?
(eredetit nem fogok venni mert ro*adt drága)

Ha már félig hitvitákba bocsájtkozunk megint, van valami elképzelésed milyen "szint"-töl érdemes söntel foglalkozni?
A hozzászólás módosítva: Szept 7, 2016
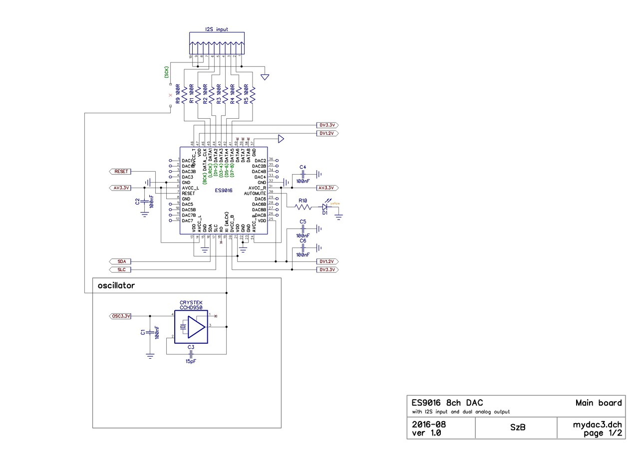
(#) csigabiga1 hozzászólása Szept 13, 2016 /
 
Elkezdtem rajzolgatni, hogy ne csak a levegöbe beszéljek...
Mit szóltok a táp koncepcióhoz?
A hozzászólás módosítva: Szept 13, 2016
(#) Buvarruha válasza csigabiga1 hozzászólására (») Szept 13, 2016 /
 
Eddig jó, az IC mellett a 100nf-os kondikat még megfejelnél egy 10uf elkóval is. Amúgy milyen szoftverrel csinállod a rajzokat?
Következő: »»   71 / 99
Bejelentkezés

Belépés

Hirdetés
XDT.hu
Az oldalon sütiket használunk a helyes működéshez. Bővebb információt az adatvédelmi szabályzatban olvashatsz. Megértettem