Fórum témák
» Több friss téma |
Fórum » Labortápegység készítése
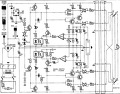
Biztosan vannak fokozatai az olvashatóságnak, de mégha telhetetlennek is látszok, nekem a melléklet szerinti olvashatóság nem elég.
A képet fájlnévre kattintva megjelenő, majd nagyított állapotról vágtam ki neked.
Olvashatóbb az, csak a fórum lecsípte a méretét. Az eredeti 1118x1636, ami lett belőle az meg 699x1024. Gondolom a rajz a lényeg, kivágtam hogy megmaradjon az eredeti méret.
Még annyit, hogy noha van akinél ez működött hosszú éveken keresztül, azért én az építés előtt megkérdeznék néhány hozzáértőbb véleményt is. Illetve kapásból módosítanék rajta ezt azt, tennék diódákat az áteresztőtranyókra, a kimeneten lévő 220µF helyett inkább egy 2,2µF-100nF fólia párossal próbálkoznék, és a műveleti erősítőkre sem ártana kondi, főleg hogy a kollektor kimenet szerintem gerjedékenyebbé teszi az egészet.
Köszönöm, lényegesen jobb.
Azért javasoltam a PDF-et, mert az hűen őrzi az eredeti tartalmát/méretét, nehéz belepiszkálni.
Képre katt jobb egérgombbal --> Megnyitás új lapon.
Elég ciki lenne, ha a fórumra minden képet az eredeti méretben töltenénk fel és jelenítenénk meg alul. Várhatnánk egy ideig, míg betöltődik az oldal a sok xxxx*xxxx-es nagy felbontású képek miatt.
Tessék, itt van Sprint Layout -ban ... és így vagy úgy ...
A mai világban, 10-100 megás nettel ciki lenne? Egy vektorgrafikus pdf fájl, amiben a legkisebb betű is tökéletesen látszik, minimális helyet foglal. Egy normális felbontású jpg kép sem lesz több, mint 1MB, és már látszódnak is rajta a dolgok. Csak meg kell találni a megfelelő felbontás-képminőség-méret arányt. Pl. az előző hozzászólásban levő két kép mérete egyenként 0.2MB. Ez szinte semmi, mégis olvasható, látszódik majdnem minden.
A hozzászólás módosítva: Aug 6, 2016
Szép munka!
A hozzászólás módosítva: Aug 7, 2016
Üdv!
Keresem Alkotó labortápegységének azon verzióját, teljes dokumentációval, ami képes 40V Dc fogadásra, olyan 4 amperig. Értem én hogy olvassak vissza, de nincs kedvem 656 oldalt végigolvasni... ![]() Előre is köszönöm!
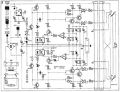
Talán ez lehet egy esélyes kapcsolás.
Köszönöm, ez is jó lehet. Esetleg hasonló kapcsolás, 723-mas Ic-vel felépítve?
Ha LM723-mal kell labortápegység, akkor miért kerestetsz meg mással egy tök másikat? Alkotó a saját szabadidejéből keresett neked kapcsolást, te meg egyből mást akarsz? Szerinted hogy esik ez neki?
A hozzászólás módosítva: Aug 14, 2016
Csak felmérem a lehetőségeket. Bocsánat, ha elvettem a szabadidejét.
Hello! "Azért a lustaság, fél egészség!" Mert mindössze a képeket kellett volna megnézni és beírni, hogy "723". Mondjuk így..
Ha elég mondjuk 35-37V is és lényeges az egyszerűség akkor az amit én rajzoltam, ha nagyobb feszültség kell és lehet bonyolultabb is akkor meg a másik.
Az a baj, hogy a trafóm ami van az 30VAc, egyenirányítva, pufferolva az 42V. Nekem megfelelne a 30V is, de ilyen trafóm van. Letekerni a szekunderről nem lehet, mert kinöntött nyáktrafóról van szó.
Idézet: „a trafóm ami van az 30VAc, egyenirányítva, pufferolva az 42V. Nekem megfelelne a 30V is,” Nem is fog kijönni a tápból több mint a trafka AC feszültsége! Ha mégis kiveszed az nem lesz stabil.
De én nem többet akarok kivenni belőle. 30VAC-t ha egyenirányítasz, több, mint 40 volt jön ki belőle. Emiatt gondolom nem használhatom vele a 30 vagy 35 V DC-re tervezett kapcsolásokat. Ez a bajom.
Az a kérdés mennyit fogad, nem hogy menyit ad.
kb 10 volt kell a szabályzáshoz. A 723-nak mennyi a max feszültsége? Nálam 40 felett kap. Az Alkotós is elbírja szerintem.
Komoly nyáktrafó lehet amelyik 4A-t tud. A 723 tápfesze max. 40V lehet, a 42-t vagy elbírja vagy nem, ha nem számít a veszteség teszel vele sorba 2 diódát.
Az enyém 12V-os trafóról megy feszkétszerező egyenirányítással, a puffer fesz 31V körül van, a táp kimenőjének meg valahol 28V körül van vége. Ez így pont jó is volt a kijelzőmhöz (ebay-es) ami max 35V bemenőt kaphat, és 30V-ig mér, így nem kellett pluszban semmilyen segédtápfesz.
Jobban átgondoltam a dolgokat.
A trafó ami van 60VA, 2*15, Puskás nyáktrafó. A műszer amit használni szerettem volna, az csak 30 voltig mér, analóg műszer, ez nem fogja szeretni a 40 voltokat. Mivel a trafó 2*15 volt, csinálhatom azt is, hogy mindegyik oldal kap vagy egy Alkotó féle tápot, vagy pedig egy 723-masat. Akkor nem lesz baj sem a műszerrel, sem a túl magas bemenő fesszel. Igaz dupla pénz, de utána lesz egy 2*20voltos labortápom. Ha pedig valamiért kéne a 40 volt, vagy 4A, akkor úgy kötöm a kimeneteket. Szerintem ez lesz.
Idézet: „A műszer amit használni szerettem volna, az csak 30 voltig mér,” És akkor mi van?? Nem a bemenő fesz kell mérni hanem a kimenőt! Azt meg úgy kell beállítani hogy ne legyen több 30-nál. Idézet: „de utána lesz egy 2*20voltos labortápom.” Hát nem lesz! Csak max 15 voltos! Az a trafó, enyhe nevetség, főleg ikertáphoz! A hozzászólás módosítva: Aug 14, 2016
15V váltó egyenirányítva 21V, ebből lejön a diódákon eső feszültség, szerintem az Kb 20 volt lesz.
Ha szerinted az a trafó nevetséges, akkor elmondom, a jelenlegi 35Va-s. Annál szerintem sokkal jobb. Meg nem tervezem én állandóan 4A-val rángatni. A jelenlegi tápom, egy az előbb említett trafóval, Lm317-el megy. 1,5A, 24V. Ennél szeretnék egy erősebb tápot. Olyan se volt még, hogy a 24V kevés lett volna. Az 1,5A viszont igen. Kellene az áramkorlát is. A hozzászólás módosítva: Aug 14, 2016
Brumról hallottál már? Méretezted brum feszültségre az egyenirányítás alkatrészeit?? Költői kérdés volt, mert tudom h nem...
Ha a 1,5 kevés volt, akkor a 2 amper is kevés lesz. Ha külön nyákra teszed akkor később esélyed lesz kicserélni.
A 60VA elég jó, de én ehhez csak egy oldalt építenék, nem pedig kettőt. Nekem a labortápom kb. 2x60W-os tápegységet kapott. Az egyik oldal analóg áteresztős Alkotó változat, a másik Skori féle kapcsolóüzemű megoldás (Attila86 ezt fejlesztette tovább), és érdekes módon mindig a kapcsolóüzemű részt használom, mert általában alacsony feszültség (24V-nál kevesebb), és nagy áram kell (1-2.5A), az analóg tápoldal megfőne ilyenkor (40V 1.7A-t tud az az oldal). Neked is érdemes lenne elgondolkozni ezen, mert ha a trafód kb. 40VDC 1.5A-t tud, akkor ott neked analóg megoldással nem lesz 1.5A-nél több áramod. Kapcsolóüzemben pedig megoldható a 12V 4A is. Van Ebay-en kész modul is hozzá. Számításba kell venni a kimeneti zajt is, de engem eddig még sosem zavart, semmivel sem gerjedt össze a labortápom, pedig kapott már hideget, meleget.
Nem hallottam róla, bevallom őszintén. De ha mondjuk leírnád, tudnám mi az, s hogy kell rá egyenirányítást tervezni.
Idézet: „Ha a 1,5 kevés volt, akkor a 2 amper is kevés lesz” De mivel két szekundere van a trafónak, párhuzamba köthetem őket, és rögtön ott a 4A, ha kéne. Vagy tévedek? Azért jöttem ebbe topicba, hogy segtésget, tanácsot kérjek, mert szeretnék egy komolyabb tápot építeni, mint az eddigi. Ehhez komolyabb szakértelem is kell, ami nincs meg, ezért írok ide. Ha meglenne nem írnék, összeraknám. Eddig viszont kb csak letolást kaptam, hatalmas tisztelet a kivételnek.
Én sehol nem látom hogy letolást kaptál volna.Kértél egy rajzot,megkaptad.Kértél egy másikat azt is megkaptad.Na most az eggyik vagy másik táphoz vegyél,szerezz vagy akárhogy renezz egy trafót és neki is állhatsz.Ne az egy darab otthon lévő trafódra számolj,ha építeni akarsz.Költségek mindig vannak.Az hogy párhuzamba kötöd a trafó kimenetét,a szabályzónak is tudnia kell kezelni.Én már ott tartok hogy 2x100V 2x20A majdnem kevés.Természetesen kapcsolóüzemű az egész,szóval meg kell gondolni.
Nekem annyi szerintem sose fog kelleni.
Itt az okosság a brumfeszültséghez.
Ha párhuzamra kötöd nem lesz feszültség csak 15 volt. Ezzel a trafóval szerintem érdemesebb a feszültségre "hajtani", mivel áramod nem nagyon lesz se így se úgy! 12 volt körüli táp, célszerűen autós cuccokhoz, legalább 10 amper kell, de valamikor a 30 is kevés..
Ha ezt a kapcsolást szeretném megcsinálni vasmagos táp helyett kapcsolóüzemű 24V-os 3A-es táppal,akkor a pirossal jelzett alkatrészeket kihagyhatom?És jó úgy,hogy fent a plusszt kötöm be,lentre pedig a mínuszt?
|
Bejelentkezés
Hirdetés |

















