Fórum témák
» Több friss téma |
Fórum » Motorgyújtás
Szevasz. A Babetta gyújtástekercse bizony elég gány kivitel már gyárilag is. Tipikus hiba,hogy a tekercs meglazul a vason,rezeg és kontakthibás lesz. Vagy vidd tekercselőhöz,vagy magad tekerd meg. Új az eddiginél jobb csévét nem nehéz késziteni rá.Már nem emlékszem,hogy a jeladótekercset lehet-e állitani a gyújtástekercstől függetlenül,igy az előgyújtásra vonatkozó kérdésedet nem tudom megválaszolni.
Hi
A jeladótekercset nem leht állítani a gyújtótekercstől függetlenül. A jeladó fixen van az alaplapba rögzítve, a többi tekercset csavarral lehet rögzíteni. A jeladó fölött van a gyújtástekercs, csak a furat áthelyezésével lehetne mahinálni, de akkor meg a tekercsnek kiképzett süllyeszték lenne rossz helyen...
Tud valaki egy tekercselőt aki életet tud lehelni a gyujtótekercsembe? Itt a környéken egyet találtam de az is bizonytalan mert nem csinált még ilyet.
Valaki segítsen legyen szíves! Az sem baj, ha pesten van, holnap oda megyek.
Hello
Én megtudnám csinálni, de majdnem 300km-re vagyunk egymástól
Sziasztok!
Tudna valaki segiteni? Van nekem egy 125ccm apriliám amiben amal sem sweden gyujtás van. Tönkrement az alaplap és megpróbálnám megjavitani, megoldható ez? ELőször is mivel lehetne ezt feloldani hogy hozzá férjek, és hogy még mi lehet benne? Valakinek esetleg tapasztalat? Előre is köszi!
Köszi a gyors választ, de volna még egy gondom hogy a műgyantát mivel lehetne leszedni? Mert ezt még eddig senki nem tudta megmondani. Előre is köszi
Nem ismerek oldószert én sem. Marad a faragás,marás.
Az előbbi linket,ha átolvastad volna akkor láttad volna a képeket is a tekercsekről.
Erre gondolok #112488) oTo
Köszi a segitséget mégegyszer átolvastam most már alaposabban. Köszi mégegyszer megpróbálom és majd irok hogy hogy sikerült
Hali!
Tudnátok segíteni, hogy miként illesszem össze ezt a gyújtáselektronikát egy jeladótekerccsel (15 Ohm-os)? Nézegettem itt a fórumon sok képet gyújtáselektronikákról; egyiknél rövidre van zárva a negatív félperiódus, másiknál nem. Egyiknél van zeneres stab, másiknál nincs. És még sok más eltérés. Valami olyan kellene nekem, ami nem tesz kárt semmiben (nem tudom, hogy ez a negatív félperiódus rövidrezárás mennyire hasznos), és üzembiztosan működik.
sztem mindenekelött meg kellene mérni, hogy a jeladó mekkora csúcsfeszt ad ki..
soros dióda - kondi (pl 1N4001 vagy valami gyosabb shottky, és egy 1µF 16V.) ennek a végeit rákötöd a jeladóra, Digitmultit meg feszmérő állásba a kondi kivezetéseire, és rárúgsz párat a motorra.. közbe megnézed, hogy mennyit mutat a műszer, kb egyenlőlesz a csúcsértékel. 5V már be tudja gyújtani a tirisztort és, akkor nem kell trükközni semmit, csak egy egyszerű szűrés és vágás kell.. csá
Sajna még nem tudtam beszerelni a motorba, csak gyorsan összedobtam két üres blokkfelet, bele a főtengelyt, és kézzel forgattam (hajtórúdnál fogva). Szkóppal vizsgálva 2.5V-ot sikerült elérni, de ez még mindig az alatt a fordulatszám alatt van, mint amikor rárúgnék.
Tudnál esetleg mutatni mind a két megoldásra 1-1 rajzot, hogy hétvégén tudjak vele kísérletezni?
hmm az a 2,5V nemhangzik rosszul
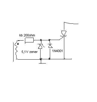
legegyszerűbb megoldás sztem egy dióda egy zener meg egy ellenállás (csatolva) ezt majd lehet tovább tuningolni .. szkóppal megnézni a gate jelalakot és utána gondolkozni azon hogy mitől lehetene jobb.. pl hogy mindig állandó szélességű impulzus indítsa a tirit (meg akár a gyújtójel egy időre ki is kapcsolja a DC/DC-t , mint az én CDImben).. stb csá
Értem, köszi szépen!
Az nem gond, hogy a negatív félperiódusok rövidre vannak zárva?
pont ezaz hogy nincs rövidrezárva
ott van a 200 ohm (nekemse szipi a rövidrezárás, bár aztmondják hogy semmi baja nem lesz tőle)
Szevasztok. A tekercsnek biztosan nem használ a rövidrezárás,mert melegiti-igy csökken az élettartama,de még mindig százszor jobb mintha terheletlenül hagynánk a negativ félperiódust,és a feszültség megszaladva menetzárlatot produkál. Milyen ellenállású a gerjesztőtekercs?
Tényleg. Bocsi, ezt benéztem.
Akkor hétvégén összedobom, és kísérletezem vele. Köszi! Idézet: „Milyen ellenállású a gerjesztőtekercs?” Mármint az, amit hozzá szeretnék illeszteni ahhoz a CDI gyújtáshoz? Ha arra gondolsz, akkor az 15 Ohm.
Nem, nem arra gondoltam...
Benéztem én is,felületesen olvastam,csak a negativ periódus rövidrezárása ütötte meg a szememet,ami gerjesztőtekercs esetén teljességgel elfogadott. A jeladótekercs esetén meg pláne nem okozna kárt. Egyébként véleményem szerint már túl kellene lépned-lépnetek az ilyen előgyújtásszabályzás nélküli kapcsolásokon. A szikrateljesitmény növelése csak kismértékben javit a menettulajdonságokon,a gyári komolyabb gyújtások mind szabályoznak (nem csak a dugattyú helyzetét veszik figyelembe).
Höhő, csak szépen fokozatosan!
Eddig nagyon sokat szívtam a megszakítóval (Hall-lal és optóval is), most végre van jeladótekercsem, tehát a gyújtás már talán nem fog erre-arra mászkálni, mint most a megszakítóval, és a jeladó (mint a Hall, vagy az opto) sem fog elmelegedni. Szikrateljesítmény növelésre és akksis üzemre már szinte azóta megvan ez az gyújtáselektronika, amióta megvettem a mocit. Mostanság kóstólgatom a PIC-eket, és ha már jártasabb leszek benne, akkor megpróbálkozom ezzel. Addig is szeretnék egy kicsivel pontosabb és megbízhatóbb gyújtást elérni ezzel a jeladótekerccsel.
A jeladót hogyan vezérled? Bütyök,vagy furat?
Mármint ezt a jeladótekercset?
Ez a Simson gyári megoldása. "U" vasmagon két tekercs sorbakötve, két mágnesnek a sarka pedig letörve, így csak ezen a ponton kap ellentétes pólust a mag két széle.
Ezekszerint szert tettél egy gyári alaplapra....
Azt hittem te gyártottál jeladót.
Igen, pontosan. Eredetileg úgy volt, hogy majd készítek egyet, de ez olyan jó áron volt (a többi hirdetéshez képest biztosan), hogy nem hagyhattam ki. Legalább megúszom a kísérletezést/kínlódást. Ezt csak felszerelem, és használom.
Hi
Olvasgatom itt a hozzászólásokat, és mivel nem ismerem a mikrovezérlőket kellőképpen, ezért felmerült bennem a kérdés. Hogyan lehet viszonylag egyszerűen csökkenteni az előgyújtás, növekvő fordulatszám hatására? Itt mindenféle 5letet szívesen fogadok, de nem akarok minden fordulaton más más értéket, csak pl mittomén 7000-től legyen kisebb valamivel az előgyula. Amúgy Kriszhez hasonlóan simóba kellene, megoldható a tekercses jeladó, valamint a hall is.
Biztosan csökkenteni akarod? Szerintem pont növelni kell, mert az égés ideje állandó, viszont magasabb fordulatnál szinte "leelőzi" a dugó az égést, ezért kell azt kicsit hamarabb megkezdeni.
Ha nagyon hülyeséget beszélek, akkor javítsatok ki!
Öööö
Hát igen, nem vagyok otthon a fokoknál. Tehát én a felső holtpont előtti gyújtási időpont csökkentéséről beszélek mm-ben. Pl: 1,8mm-ről 1,5-re csökkenjen, vagy az ennek megfelelő fokokban történő változásról.
Erről beszélek. Alapjárattól mondjuk lehetne 1.5, 7000RPM-től pedig 1.8.
Remélem tényleg nem beszélek hülyeségeket. Várjuk meg inkább a hozzáértőbbeket. |
Bejelentkezés
Hirdetés |





#112488) oTo 
ott van a 200 ohm (nekemse szipi a rövidrezárás, bár aztmondják hogy semmi baja nem lesz tőle)





