Fórum témák
» Több friss téma |
Mielőtt kérdezel, a következő két dolgot ellenőrizd!
I. A helyes tápfeszültségek megléte.
II. A kimeneten van-e egyenfeszültség.
Élesztés.
Hello.Ezta kapcsolast lehet 6ohmra hasznalni?Mennyi a teljesitmenye?
A hozzászólás módosítva: Aug 28, 2016
Szia! Ez egy hibás rajz, így ebben a formában teljesen bizonytalan a működése.
Miert valami hianyzik belole?
Ez véletlenül nem a Texas erősítő kicsit módosított változata? Mi vele a baj?
Szerk: Látom, mi lehet vele a baj. Az OPA pozitív bemenete nincs ellenállással a testen. Más baj is van vele? A hozzászólás módosítva: Aug 29, 2016
A bemenet el van rajzolva, de számolgatva a tranyós rész áramait ott sem jövök rá mit akart ezzel kifejezni a költő
Hello a mellekelt kapcsolast fogom megepiteni csak megszeretnem kerdezni hogy ez igy mukodokepe e?
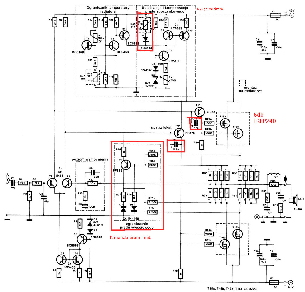
Lenne egy elméleti kérdésem. A más említett Fetes végfokomnak állandóan mozog a nyugalmi árama. Vettem a bátorságot és lemértem. 40mA-ról indul és fél óra múlva 80mA, egy óra múlva 120mA Ekkor épp hogy langyos a borda. Adtam a hajszárítóval a bordának és amikor már megérinthetetlenül forró volt a borda, 180mA fölé ment. Ekkor a védelem lehúzta, és csönd volt pár másodpercig.
Annyira esendő ez a cucc, vagy ez egy normális dolog? A másik dolog hogy a kimenő feszültség 32V, a 200W-hoz 7A kell. Elbírja ezt egyáltalán egy hangszóró?
Én szimmetrikus táppal építeném meg, arra van tervezve az LM1875 .Bővebben: Link
Nincs előttem a rajz, de az a megoldás nem jó fetes végfokba, nem fogja stabilan tartani a nyugalmi áramot (ég és föld a FET meg a tranyó nyitófeszültsége, karakterisztikája, stb.).
Ez a rajz.
Ha pótolom az NTC-t az stabilizálja, vagy ezen igazán nem lehet segíteni? Nagyon fontos a nyugalmi áram stabilitás?
Hello ezzel lehet valamit kezdeni?Ezis B osztalyu?
Az IC nyugalmi áramának adatlapi maximumánál már feltételezhető az AB-osztályú működés. Alapjában azért B-osztálynak szánhatta a rajzolója - ha egyáltalán gondolkodott ilyesmin.
Az ilyen IC tápárammal vezérelt erősítők sok borsot tudnak az építő orra alá törni, ugyanakkor nagyon jók tapasztalatszerzésnek.
Es hangilag elviselheto lehet?2w-ot tudhatja?
A rajz szerint táppal 25Ω-os hangsugárzóra adja le a 2W-ot.
Akkor 4ohm-al nemis lehet hasznalni?
Eldönthetnéd már, hogy mit szeretnél....
Onnan indult a dolog, hogy 15W kell 6 Ohm -ra. Most már 4 Ohm 2W -nál tartunk. Fogalmazd meg pontosan, mit szeretnél, mik a lehetőségeid, mik adottak és keresünk hozzá rajzot neked.
Az a helyzet hogy akarnek valamit epiteni csak meg nemtudom mit azert keresgelek oszze vissza neharagudjatok csak hirtelen kedvet kaptam epiteni.
Ok, de határozd meg a célt, ne vaktában tapogatózz...
Van-e valamilyen trafód például, mert az leszűkíti a kört. Vagy pl. milyen hangszóróid vannak? Hány Ohm, hány W?
Az az erősítő többet tud mint 2 watt. pl a táp +-40V akkor 40*40=1600/8=200W csúcs; 200/2=100W. Tehát 8 ohmon körülbelül 100/200W-ot tud.
Ezt te is megtudod csinálni.
Miért nem jó neked egy bevált, szerteszana dokumentált VF3-as?
A vf6 ugyanaz mind a vf3?Vagy jobb?talaltam ott egy rajzot ami 63v-rol megy.Meglehetne 2x40v Dcre is csinalni?Ez lenne az.
A hozzászólás módosítva: Aug 30, 2016
A Zener változik ZPY22-re, 680Ω - 1k-ra.
Ez az elmélet. De vedd figyelembe a kapcsolást és a felhasznált alkatrészeket...
Az a kapcsolás egy db 24V -os tápfeszültséget igényel, amit a rajz bal alján lévő osztó felez meg +/- 12V -ra. Mivel az IC is erről kapja a tápfeszültségét, ezért a maximum feszültség az IC megengedett max. feszültsége lehet, az pedig 1*36V, azaz felezve +/- 18V. Ha még számolsz 2-3 V -ot a végtranzisztoron maradó szaturációs feszültségre, akkor a max. kivezérlés kb. 15VP-P elméletileg. Az kb 12-13W, de mivel a végtranyók áramerősítése a katalógus szerint csak kb 10- szeres 2A kollektor-áramnál, ezért ehhez nagyjából 180-200 mA meghajtóáram kellene. Azt meg az IC nem bírja kipréselni magából. Még a tápágakban sem.
Es kb mekkora teljesitmenyre lehet szamitani 6ohm-ra?Meg mekkora teljesitmenyuek az ellenallasok eleg a 0,5w-os is?
A hozzászólás módosítva: Aug 30, 2016
Most komolyan. Mit akarsz? Addig ameddig magad sem tudod eldönteni, megfogalmazni, közölni velünk a konkrét elképzelésedet, addig ez itt csak felesleges betűnyomkodásnak tűnik a klaviatúrán amit unalmadban teszel. Majd ha tudod mit szeretnél akkor írj, mert így végigkérdezheted az összes fellelt rajzot a NET-en, akkor sem jutunk ötről a hatra.
Sziasztok!
Kinéztem két erősítő kapcsolást. Ezek 12 Voltról mennek, de én megemelném a tápfeszt 24-48-ra is akár, mert tuskó somogyikat szeretnék vele meghajtani. Kérdésem, hogy melyik kapcsolással kezdjek kísérletezni, melyik bírja akár a 48 Voltot is? Természetesen téglányi hűtőborda mellett. Köszönöm
Hali!
Nem olvastad el a válaszom: Ha kihagyod az R12, R17-et nem fog (jól) működni hosszútávon. Az R12 a "hőfigyelő", a beállított hőfoknál azonnal kapcsol, az R17 a nyugalmit regulázza.Tedd bele az R17-et is és minél kisebbre állítsd a nyugalmi áramot, amíg még nem torzít. Már előszedtem a régi maradék mintapaneljeimet, stabilan működik mind. A hozzászólás módosítva: Aug 30, 2016
Kellemes felüdülés ez a két useless ábra. Az 1. lett a kedvencem a két input-jával
Ha kedvet kaptál építeni akkor építs egy két ledes villogót, kell bele a ledeken kívül 4db ellenállás, 2 kondi meg 2 tranyó. Vagy építs kutyaólat...
A rajz amit csatoltam az egyik legegyszerűbb és legjobb hangú végfok, de az neked nem jó, meg a többi sem jó. Van még olyan opció, hogy egy 7294 olyan 800Ft körül van, olyat tudok neked küldeni félárban. Nyák sem kell neki, csak rácsavarozod egy bordára, meg ráforrasztod azt a néhány alkatrészt. A VF sorozatból meg a 2, a 3-nak meg a 6-nak nem érdemes nekiállni sem.
Köszönöm! Hangsúlyozom hogy nem hagytam ki semmit. Nem én építettem. Épp azért kérdezek hogy hogyan tudom kijavítani a készítőjének a hibáit.
És látod mennyit kell írogatni mire egy igazán használható infóhoz jussak. Köszönöm hogy leírtad hogy, hogyan kell beállítani. Legalább így ennek alapján be tudom állítani. És mivel arra a kérdésemre 2x ra se kaptam választ valószínű pótolhatom próba panelen az áramkorlátot. Remélem sikerül. Ha esetleg nem gond a hidalásáról küldhetnél infót. Illetve említetted hogy meg van neked az eredeti rajz több teljesítményre. Közzétennéd? |
Bejelentkezés
Hirdetés |














