Fórum témák
» Több friss téma |
Ja tényleg, gyakorlatilag az orrom előtt volt. Kb 0.4-0.5 mA kell nekem, ha jól számolom. Kösz a segítséget!
A hozzászólás módosítva: Szept 29, 2015
Üdv. Olyan kérdésem volna hogy tápegységekből bontott MJ13009-13007-13002-őt lehet kisebb feszültségen is használni kapcsolás céljára? (kapcsoló üzemű trafó hajtanék vele kb 10-20V-on)
Sziasztok!
Kezdő kérdéshez kérnék szépen segitséget: Tranzisztor kapcsoló uzemben hasznalhato lenne ugy, hogy a bazison a vezérlőjel egyenáram PIC felől de az aramkor amit kapcsolni szeretnék, mint utobb kiderult sajnos valtoaramu motort kapcsolna? Van-e lehetoseg a meghajtasara ily modon valamifelekeppen? A PIC 18f14k50, 6V 150-200mA, a motor váltoaramköre 16V max 1A BC243C tranyot neztem hozza. Elore is koszonom!
A lehetőséged az, hogy egy kisebb tranyóval relét kapcsolj, aztán azzal pedig a váltóáramú motort.
Egyébként a tranyó "kapcsoló üzeme" kicsit mást jelent. Esetleg kapcsolhatnál kicsi tranyóval egy triacot, optocsatolóval leválasztva a pic-körről.
6 V a kontroller tápfeszültsége? Határadat.
Sziasztok!
Segítséget szeretnék kérni az alábbiakhoz. A JFET működését szeretném jobban megérteni: hogyan kell bekötni, mik a bekötés legfontosabb gyakorlati szempontjai. Egy konkrét példán keresztül: pl. egy 6V/3W-os zseblámpaizzó be- és kikapcsolására lehet-e használni JFET-et, ha igen, hogyan kell méretezni az alkatrészeket. A bekapcsolásra a jelet egy decimális CMOS számláló (4017) adná. Köszönettel: Bago
Ekkora teljesítményre valamilyen MOSFET lenne alkalmasabb
Legyen akkor 0.5 W. Azt szeretném megérteni, hogyan kell méretezni (milyen elvek mentén) egy FET-es kapcsolást. A működés elve világos, de nem egészen értem, hogyan kell áramkörben értelmezni.
Hello! J-Fet-et nem igazán szoktak kapcsolóként működtetni. Maximum kis jelek kapcsolása esetén, pld. egy Chopper áramkörben. Ez a Fet kiürítéses módu, tehát nulla Gate-Source feszültség esetén a csatorna nyitva van. Tehát a Gate-re zárófeszültséget adva lehet a Fet-et lezárni. Működési módját cseppet hosszadalmas lenne itt tárgyalni, erről könyvek szólnak. A működése és a jelleggörbéje leginkább az elektroncsövekre hasonlít. De innen is szerezhetsz információkat. Manapság a MOS-Fet-ek alkalmasak kapcsolási feladatokra, J-Fet-et leginkább nagyon egyszerű áramgenerátorként lehet alkalmazni. De a a hálón, bőséges információ van róla. Vagy előkeríted a Műszaki könyvkiadó 1981-ben megjelent "Texas Fet receptek"-c. könyvét és megvilágosodhatsz ez ügyben.
Köszönöm szépen! A második linken található anyag nagyon jó. Érthetően elmagyarázza, amire kíváncsi voltam.
Üdv!
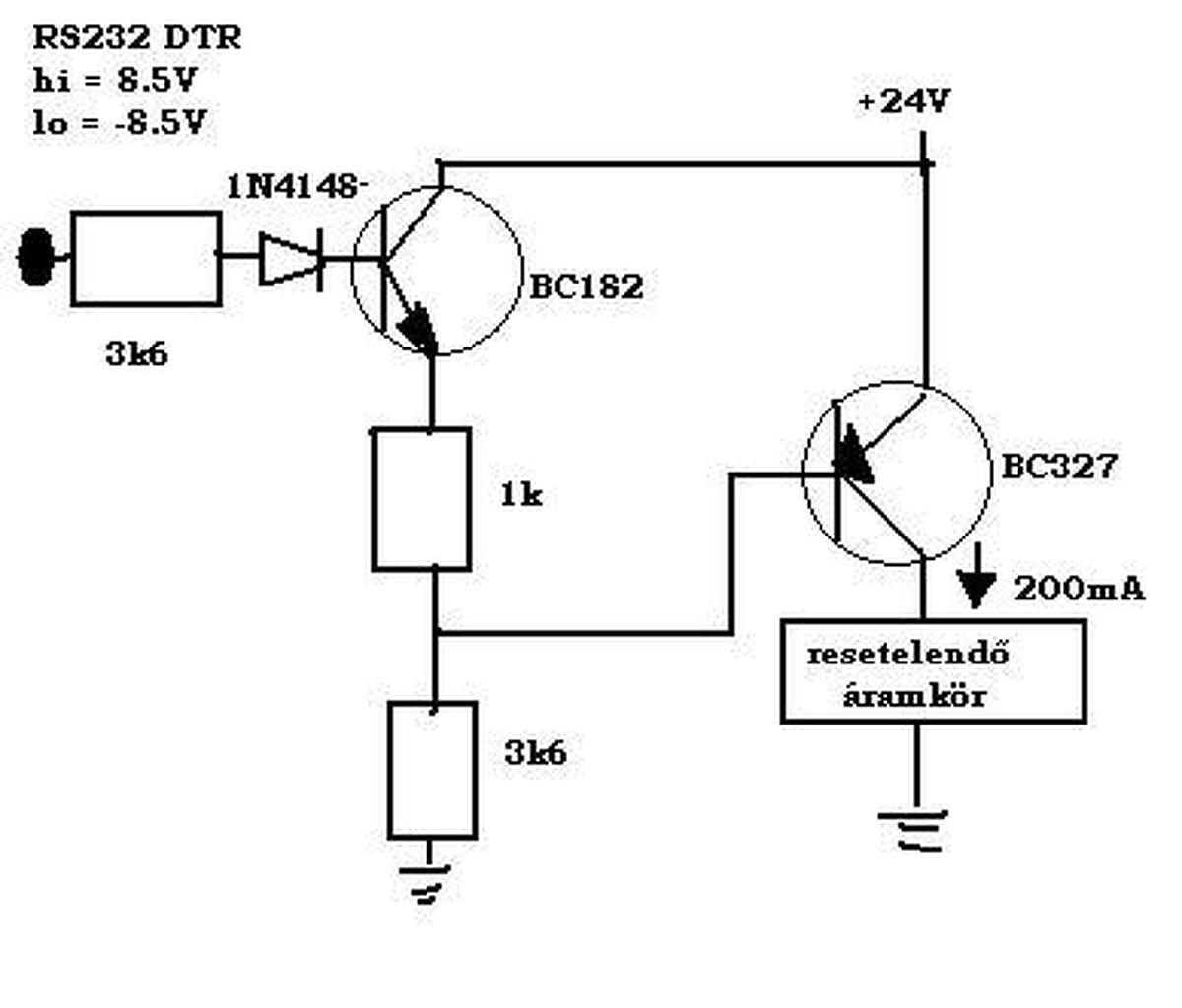
Szeretnék egy olyan kapcsolást készíteni, ami egy 24VDC-s egyébként nem nagy fogyasztó áramkört (max 200mA) tudná resetelni - azaz megszakítani a tápfeszültségét egy időre- a soros port DTR jelével. (magas +8.5V, alacsony -8.5V , és max 5mA) PNP tranzisztorok bázis ellenállás méretezésével -kapcsoló üzemben- semmi gyakorlatom nincs, ezért kérnék segítséget, ha valaki járatos szakértő rá tudna nézni hogy jó-e a kapcsolás így, azt nagyon megköszönném! A hozzászólás módosítva: Szept 28, 2016
Szerintem inkább így csináld.( bár a diódát lehagytam, te ne hagyd ki.) Ha a DTR alacsony szintjére kapcsolna le talán kicsit jobb lenne , de szerintem így is működik. R3 akkora legyen hogy a fogyasztó jól működjön vezérlés nélkül, de ha nyit a Q2 annak a maximális áramát ne lépje túl a rajta folyó áram. Szerintem 500 ohm nagyjából jó lenne oda. A te kapcsolásod szerintem nem jó, hiszen az első tranzisztor bázisán max 8,5V lehet, az emitterén 8V , ez a PNP tranzisztor lezárásához nagyon kevés. ahhoz 24V kellene. ha meg a kimenet negatív, a tranzisztor mintha ott sem lenne, megint csak nem csinál semmit.
A hozzászólás módosítva: Szept 28, 2016
Köszönöm válaszod.
Én is egyébként attól tartottam, hogy a PNP tranzisztort nem tudom lezárni ezzel a feszültséggel , hiába találtam egy olyan kapcsolást, ahol egyébként féltápra teszik a bázist a nyitáshoz, zárásnál teljes tápon van... itt a link: http://www.winpicprog.co.uk/pic_tutorial_extras.htm Abban teljesen igazad van hogy a negatív fesz megjelenésénél mintha ott sem lenne a tranzisztor (NPN-es), valóban az esetben a PNP tr-nek nyitva kell lennie, ezt a 3k6 a föld felé biztosítja. a kapcsolásod csak hogy tényleg jól értem-e: Q1 kollektorára mehet 24V Q1 emitterére megy az elektronika + sarka R1 -re megy a DTR egy diódával de a Q2 emitterére mi megy? Köszi!
500 ohmnál 24V tápnál 36mA lenne a Q1 bázisáram lezárt Q2 esetén... nem sok ez?
olyan 10mA bázisáram nem lenne elégséges? hfe biztos van 20... (de szerintem van vagy 100)... A hozzászólás módosítva: Szept 28, 2016
A rajzokon szereplő tranzisztorok erősítése ekkora áramnál bőven 100 fölött lehet. 24 V-ra 500 Ohm valóban túl kevés. 2,2, 4,7 vagy akár 10 kOhm-ot is alkalmazhatsz.
Válogatott tranzisztorokkal még akár 330 kOhm is használható.
Huuáá 330K!
![]() inkább 2.2 - 3.6k körül maradok... Köszönöm a segítséget! (még esetleg a fenti kérdést ha lehetne...) Idézet: „...de a Q2 emitterére mi megy?” Hiszen az GND-n van.
Ufff... Sorry... ebből is látszik hogy későre jár....
![]() Köszi a segítséget mégegyszer!
Azért ez nem földelt emitteres kapcsolás, ha a tranzisztor nyit, az ellenálláson bizony ideális esetben csak néhány volt van ( 1-2 max). Erősen kételkedem az 2-5Kohm-nál nagyobb értékű ellenállásban.( ha rendes kapcsolóüzemet használnák, egy tranzisztorral több kellene, így marad a feszültségkövető beállítás)
Esetleg az igények pontosítása végett: Mennyire követelmény a jel magas állapotára reset, nem lehetne e fordítva? A másik kérdés fontos a + megszakítása? Nem lehetne a negatívot elvenni? Akkor csak egy tranzisztor ( esetleg FET ) és sokkal stabilabb kapcsolás lenne.
Tegyél a 22:25 órás linkeden lévő "Outputs" rész utolsó rajza elé egy npn tranyót, ami működési fázist fordít. Munkaellenállása lehet a +24 volt felé, kollektoráról mész a T1-re, T2 bázisosztó láncát esetleg kicsit módosítod, hogy T2 totál kinyisson és így kiadhat 23,6..23,7 voltot is a táplálandó áramkörnek.
Nyilván olyan pnp-t válassz hozzá, ami bírja a folyamatos 200 mA-t melegedés nélkül. BC636,..38..640 - a 327-et tesztelned kell. Hol láttál olyant a linkeden, hogy a bázis féltápon van? Szerintem nagy tévedésben vagy...ha a 4k7-4k7-es osztóra gondoltál, ott a felsőt mindig söntöli T2 B-E diódája, tehát a közös pont Ut-0.7 volton van, ha nyit a T1..
Sziasztok! Egy elektromos külső visszapillantó tükör mechanikáját szeretném helyettesíteni tranzisztorokkal mint kapcsolók. A tükröt 2 elektromotor hajtja 2-2 irányba szóval összesen 4 tranzisztor kell használnom, és az egészet egy tápról hajtanám meg, ezért tranzisztor meghajtó áramkör is szükséges. Ha valaki tudna segíteni egy kapcsolási rajzzal, vagy bármi mással ez ügyben annak segítségét előre is köszönöm!
Esparco
Hello! Ha a motorok egyszerre működnek, akkor elég lehet négy tranyó. Ha külön, akkor nem. Mivel gondolom kétirányú a működés (jobbra-balra forog) a megoldást a H-híd topikba keresd.
De a tükör mechanikát, elég nehéz lesz tranyóval helyettesíteni..
Köszi! Igen rosszul írtam a mechanika marad csak a kapcsolót cseréljük.
Idézet: „visszapillantó tükör mechanikáját szeretném helyettesíteni tranzisztorokkal” Fogsz egy (vagy több) jó nagy/hosszú tranzisztort és azzal tologatod
Sziaszok!
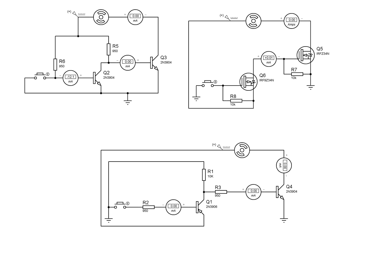
Adott egy WS2811-es chip aminek a PWM kimenete lebegő collectoros, na meg max 18.5 mA a terhelhetősége. Amit szeretnék az az hogy, LED szalagot kapcsolgasson, ami kb 280mA. Alkottam agy pár lehetőséget, de kérnék véleményt hátha van valakinek egyéb ötlete, vagy, hogy eme megoldások közül melyik lenne praktikus.. Előre is Köszi! A hozzászólás módosítva: Nov 7, 2016
Nézd meg, a nyitott kollektoros kimenet hány volt zárófeszültségű, úgy akassz utána p-s eszközt...
Persze egyszerűbb lenne, ha tennél rá pl. 1 kohmot az 5 volt felé, aztán egy 1 amperes kis npn tranyó bázisára vinnéd a kimenetet és a tranyó kollektorába már azt teszel, amit akarsz, 12..24 voltos fesszel is..
Na igen azt nem írtam hogy 12V max. + negatív kimenetes a chip. Magyarul, vagy lebeg vagy alacsony szintű, így egy NPN el csak az a baj, hogy fordít egyet a fázison, így egy másikkal vissza kell fogatni.
MI a probléma ezzel? Vagy a programban fordítod a működési fázist, vagy utánateszel még egy tranyót fázist fordítani. Gondolod, hogy nem tudom, milyen a nyitott kollektoros kimenet?
Ha a chiped 12 volttal megy, akkor 2k2 legyen az ellenállás a kimenetén. Maradhatsz viszont az 1. rajzodnál is, ha tényleg 12 volttal megy, de a 9xx ohmok feleslegesen kevesek. Az első legyen pl. 10k, a második tranyó bázisellenállása pedig 1-2 k. A hozzászólás módosítva: Nov 7, 2016
nincs ezzel probléma, na meg nem feltételeztem, hogy nem tudod mi az a nyitott kollektor, csak egy berögözött megjegyzés volt
. Mindegyik kapcsolás működik, amit linkeltem csak a praktikusság érdekelt volna, melyik célszerű. Na és igen a programban, is tudnám forgatni, amit meg is tettem, de nem 100-as a dolog.. |
Bejelentkezés
Hirdetés |











. Mindegyik kapcsolás működik, amit linkeltem csak a praktikusság érdekelt volna, melyik célszerű. Na és igen a programban, is tudnám forgatni, amit meg is tettem, de nem 100-as a dolog.. 