Fórum témák
» Több friss téma |
Fórum » TV hiba, mi a megoldás?
Idézet: „keresnék valakit aki ért hozzá és esetleg meg tudná javítani.” Ezért kár volt beírni.
Mivel nehéz jó szakembert találni,ezért gondoltam,hogy nem az aranyoldalakat lapozom fel, hanem megpróbálok itt keresni valakit (itt általában valóban hozzáértőkkel találkoztam eddig).
Természetesen nem szívességet kérek.
Sziasztok. Feszülültséget még nemtudtam mérni de én a la7845 ic hibára gondolok nagyon forró a borda. Szerintetek cseréljem?
Használd a "Válasz" gombot, hogy ne kelljen keresgélni miről is írsz!
Az hogy egy Panasonic TV igen tág fogalom, pontosítsad. Van egy ellenállás ami zárlatot mutat, de kimérve jó. Ezt nem értem. "Feszültséget még nem tudtam mérni", anélkül pedig nehéz lesz hibát keresni. A hozzászólás módosítva: Szept 1, 2016
Sziasztok! ! Van ithon egy TEWA 21 MKA 210 tévém , elromlott nincs hangja, és kép sincs, kikapcsoláskor a képcső közepén egy fénycsík jelenik meg ennyi az egész életjele. Szeretnék kérni tőlletek tanácsot hogy méréssel esetlegesen valami hibát ki tudnák e szűrni rajta, esetlegesen ha a nagyfesz trafó nem jó hogyan tudom ki mérni .
Szia!
Így néz ki a belseje? Bővebben: Link.
Ha vízszintes csík van akkor a trafó valószínűleg jó. Az eltérítéssel van baj (függőlegessel ), ic, vagy annak tápja rossz.
Sziasztok BSC29-0101L sortrafóra lenne szüksègem hol tudok ilyet be szerezni van egyántalán mèg mert èn nem igazán találtam esetleg valami helyettesítő vagy van valakinek köszönöm
E szerint Bővebben: Link az oldal szerint HR80349 jó helyette, lásd equivalents. Továbbá ha a HR -re ha rákeresel adni fog még helyettesitőt. Üdv!
Sziasztok! Van egy SAMSUNG LE26S81B LCD TV. Hidegen csak fény van, majd 15 - 20 perc mulva megjön a kép. Mosgatással , ütögetéssel nem tudom helyre hozni, ill. a hibát előidézni. Viszont legutóbb menetközben átdugtam az AV csatlakozót, rögtön megjött a kép! HDMI - ről még nem próbáltam, de ha nincs kép, menü sincs.
Szia!
Ha a melegedéssel helyrejön, akkor itt is először elkóhibára kell gondolni.
Panasonic tc 263bee tipusú tv-nél az alábbi hiba jelentkezik bekapcsoláskor. Képeket csatolok. 1-2 perc után rendbe jön a kép. Kérem csak olyan irjon aki nagyjàból be tudja határolni a hiba okát és hogy mit cseréljek a tv-ben.
Ha csak nagyjából kell behatárolni , akkor kezd el azzal , hogy leveszed a hátulját.
Forrasztási hiba is lehet.
Itt már írtam, válaszra sem méltattál:
Nincs válasz Az eddigi információk alapján nem tudunk segíteni, ez nagyon kevés. Erre "eyess" válaszolt már Neked, vedd le a hátlapját. Én hozzáteszem, mérj. Segíts nekünk adatokkal, hogy segíthessünk. A hozzászólás módosítva: Szept 7, 2016
Igen két tévémről volt szó, de a másikkal már nem foglalkozok mert alig van időm. Volt már levéve takarításra, szemre hibát nem láttam, tovább még nem bontottam hogy a forrasztásokat megnézzem.
Használd a "Válasz" gombot, már ezt is írtam! Ha 10 nap alatt nem jutottál el odáig, hogy a szemrevételezésnél többet tegyél, akkor hosszú javítás lesz belőle.
A hozzászólás módosítva: Szept 7, 2016
Ha az egyik tévére nincs időd , akkor a másikra hogy van ? Nekem valahogy ez nem áll össze.
Viszont , ha te bevállalgatod a tévéket javításra , és ha némi nehézség után feladod , mert nem tudsz vele megbirkózni , és visszajuttatod oda ahonnan jött , akkor tőlem ne számíts segítségre.Ez a fórum nem arról szól , hogy ONLINE javítgatunk , és te meg pénzért tovább adod . Sajnos volt már erre példa , aki rá van szorulva , és azért kér segítséget az megkapja , de aki nap mint nap más , és más tévével jön ide hiba behatárolásért , vagy esetlegesen a készülék teljes megjavításáért az tuti , hogy nem fog menni .És ez számomra hamar ki is derült , hogy erről van szó.Úgy hogy azért ne kérj segítséget , hogy az itt lévőket kihasználva anyagi haszonszerzés céljából tegyed ezt . Szerintem a többiek véleménye se fog eltérni ettől.
Senkinek nem javitok pénzért mind a kettő tv az enyém. Azért nincs rá sok időm mert ha épp nem dolgozok a gyerekre vigyázok és egy 3 éves gyereket nem kell bemutatni egyszerűen nem lehet tőle. Soha nem javítanék pénzért senkinek nem vagyok én tv szerelő. A másik tv-t azért hagyom mert gondolom én annak nagyobb baja van meg ennyi tv-t ugysem használnánk.
Hát halljátok, hiába majd 50 éves tapasztalat , szétszivat ez az lcd tv!! Mióta írtam, és átdugtam az av csatlakozót, működik! Először készenlétben hagytam 24 órát, működik, utána kihúztam, - hátha a tápban van gond - de működik, semmi baja, pedig nem is az av - n keresztül használom, hanem RF - ről. Hosszú javítás lesz, mert ugye ez nem javítás volt, tehát előjöhet a gond bármikor!! A hibát nem tudom előidézni sem mozgatással, melegítéssel sem hűtéssel!
Talán a bemenet választás körül lesz a gond. Ennél a készüléknél automatikus, vagy manuális? Egyébként a Panasonic lelkivilágát sem értem (Nekünk az van.) Ugyanis az RF-en kívül van neki 4 db kábeles bemenete. A DVD játszót akárhova dugom, amikor elindítom benne a lemezt, azonnal oda kapcsol, amíg az megy, nem is lehet TV-re váltani, más eszközt viszont csak manuálisan lehet nála kiválasztani, van a távirányítón egy gomb, hogy TV/AV, azután a 4 színes gomb, hogy a 4 közül melyik AV?
Idézet: Viszont evvel is egyetértek. Számtalan ilyen hibám volt már, hogy melegedésre a kiszáradt elkó megváltoztatta kapacitását, talán az a kis elektrolit, ami még maradt benne, valami rejtett helyről a meleg hatására olyankor felszabadul? Ráadásul ezek sokszor nem is a tápfeszen vannak, hanem néhány 10 µF kapacitású csatoló kondik szoktak lenni, jó elkóval való áthidalás, és csere után derül ki, hogy az volt a bűnös. „Ha a melegedéssel helyrejön, akkor itt is először elkóhibára kell gondolni.”
Számtalanszor sikerült már melegítéssel vagy éppen hűtéssel rájönni a hibára, de vannak esetek amikor nem segít ez sem! Még félvezető hibát is sikerült már ezzel a módszerrel felfedni! Az elektronika ilyen!! Szép, szeretni kell , mert ha szivatni kezd, akkor hamar feladhatja az ember! Én még a csöves, telepes rádiókkal és a detektoros rádióval kezdtem, és most itt tart az elektronika ahol tart!! Annyira szerteágazó, hogy mindent lehetetlen ismerni!! Egyébként automatikusan választja ki a bemenetet, de kézzel is kiválaszthatom.
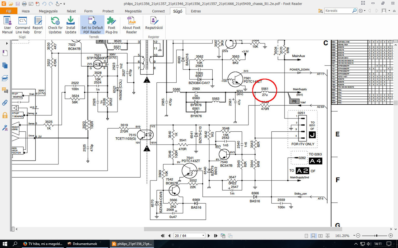
Sziasztok !
Egy philips tv javításával akadtam meg. A képen látható induktivitás szakadt. Mivel lehet az helyettesíteni? A hozzászólás módosítva: Szept 12, 2016
|
Bejelentkezés
Hirdetés |












