Fórum témák
» Több friss téma |
Az az érdekes, hogy Te csak írsz, vagy olvasol is? Néggyel előbbi hozzászólásomban tettem egy linket, ahol az "itt" aláhúzott szóra kattintva, találsz egy kapcsolást. Le is írtam, mit kell tenned. Akkor most mi is van?
Bocsi nem láttam hogy alá van húzva.
Az a probléma, hogy nincs itthon 4017-es és hát Szombat este van... De van itthon 4013, NE555. Ezekből valamit ki lehetne hozni?
Az NE555-re is linkeltem előzőleg kapcsolást. A 4013 jó lenne, mert azt lehet D-tároló módban üzemeltetni. De mivel gyors bemenő jelre van szüksége, előtte szűrni, majd komparálni kellene a vevő kimenti jelét. Mert ki tudja mi jön onnan ki. Ha nem csak egy határozott impulzus (és erre utal, amit műszerrel mértél) akkor esetleg össze-vissza fog lépkedni, ha közvetlen kötöd a vevő kimenetére. Szűrni, meg nem igazán lehet, mert a 4013-nak viszont gyors órajelre van szüksége.
Oké akkor NE555 - sel próbálom meg,
Akkor ez jó lesz? De az IN-t azt hova kössem? És a relét? A hozzászólás módosítva: Szept 10, 2016
Az R1 és R3 közös pontjára. Tulajdonképpen nem a nyomógomb fogja adni a 12V-ot, hanem a vevőd.
Itt akkor az R1-et hagyjam ki vagy tegyek oda átkötést?
Üdv.
És a BC 547-es helyet lehet BC558-ast tenni?
PNP tranyót nem tehetsz egy NPN helyére..
És egy 2N3906-osat?
A hozzászólás módosítva: Szept 10, 2016
Ez jó, de gyakorlatilag bármely NPN megfelelő, mert mindegyik elbírja a relé kb. 50mA áramát.
Oké akkor a 2N3906-ost rakok oda.
üdv.
Megcsinálta, és hát működik de nem teljesen jól.
Amikor megnyomom a gombot akkor néha jó néha visszaugrik de néha teljesen jó. Lehet, hogy valami zavarja? Milyen zavaró tényezők lehetnek? Üdv.
Próbáld ki nyomógombbal, úgy ahogy a rajzon van, akkor hibázik-e.
Sziasztok !
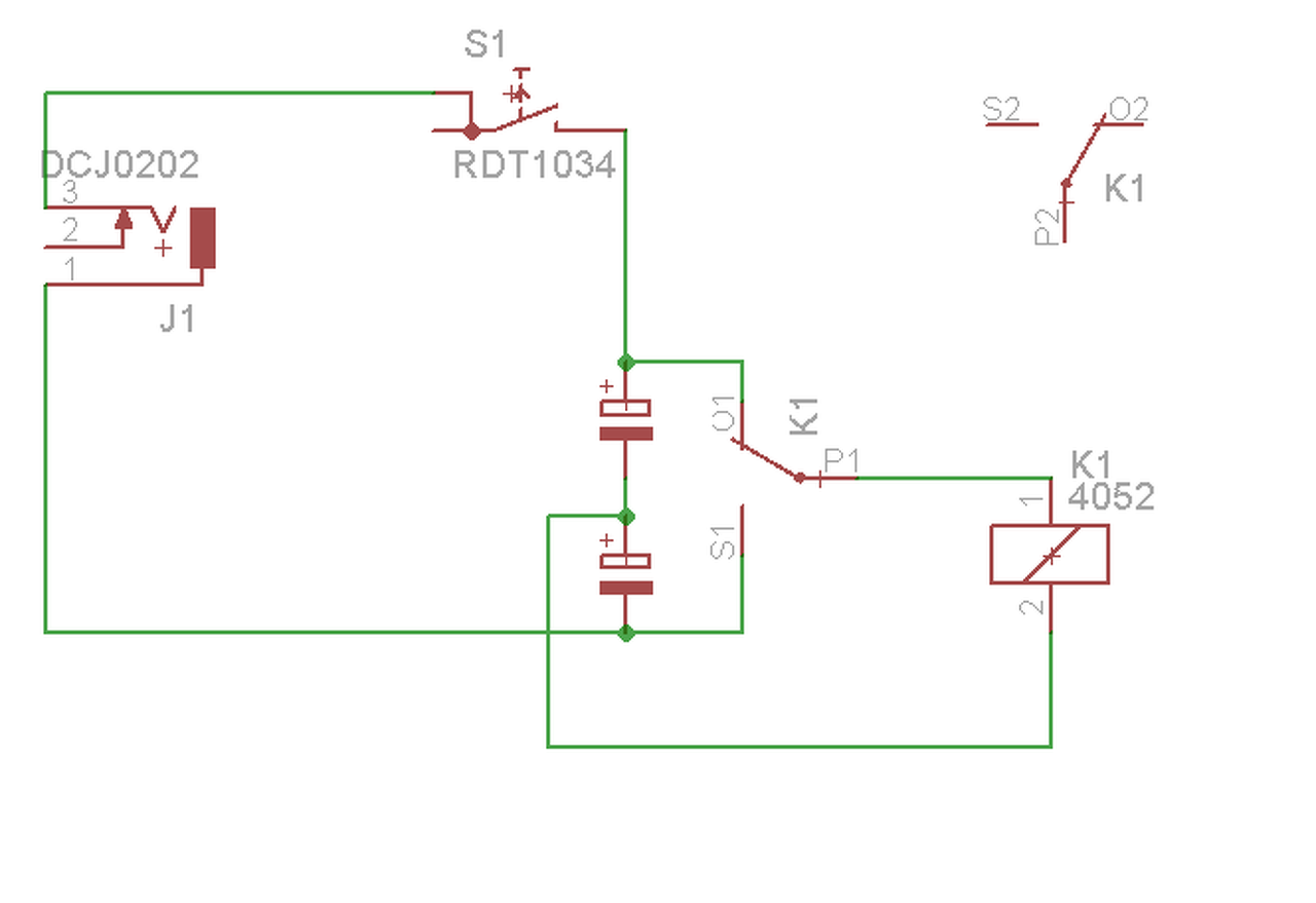
Egy problémára keresek kapcsolási rajzot ,ötletet. Adott egy 12v-os 1 csatornás távirányító. Úgy működik hogy ameddig nyomom a gombot addig behúzva tart egy relét . Erre szeretnék egy olyan plusz áramkört rákötni ,ami azt tudja ,hogy ha 2 másodpercnél tovább kap +12v-ot akkor meghúz egy 12v-os relét,és úgy tartja amíg egy rövidebb impulzust nem kap.akkor elejtené a relét . Remélem érthető az elképzelésem. Aki tud rá egyszerű kapcsolást az kérem segítsen ! Előre is köszönöm
Hello! Gondolom ebből tudsz ötletet meríteni.
Köszônôm ez jol néz ki
Látom te rejzoltad Kérdés: Ennek a kapcsolásnak az inverze érdekelne,meg tudnád rajzolni?
Ha átrakod az R6-ot a 11-es lábra, akkor az inverze lesz. De azért lehet benne csepp havária, mert mikor megnyomod a gombot, elsőként a rövid idejű időzítés billent, majd a hosszú. Ezért jobb ha a rövid a "Be" és a hosszú a "Ki".
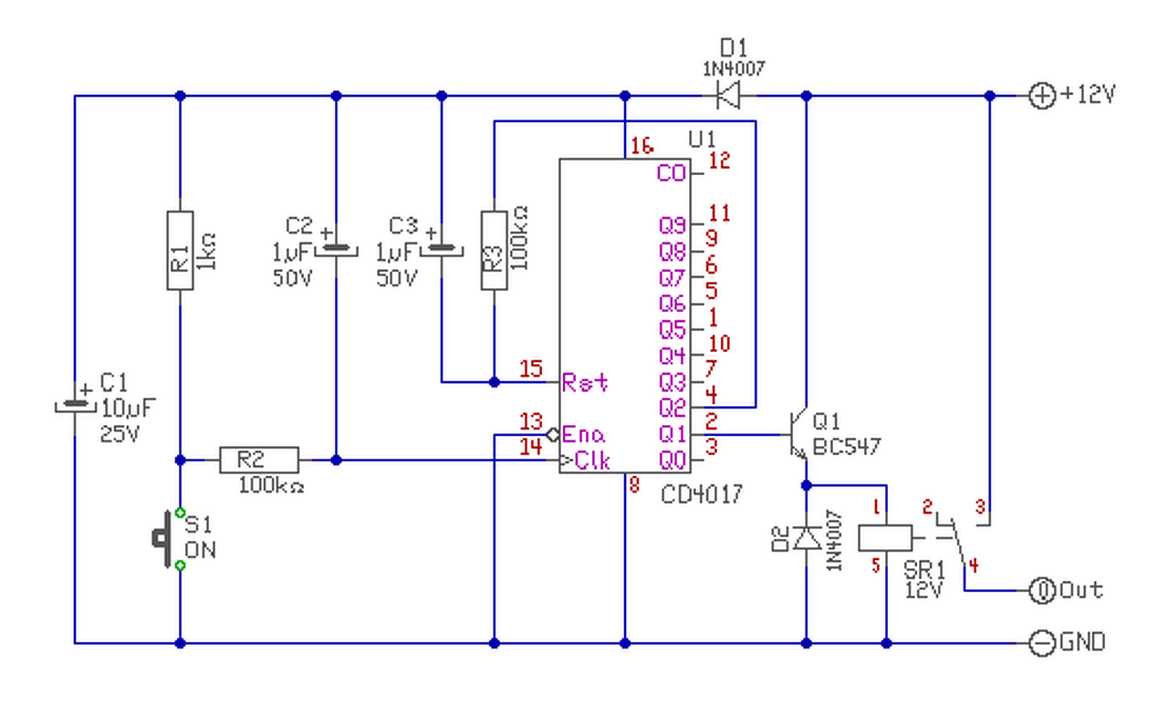
Rajzoltam számodra egy másik áramkört, inkább azt építsd meg. Ebben remélhetőleg nincs időhazárd. (Nem havária)
A hozzászólás módosítva: Nov 7, 2016
A délelőttödet ezért feláldoztad ..bazi rendes vagy ..
De a cél mindenképp a hosszú be után a rövid ki Ha csak 1 másodpercig kap impulzust és bekapcsol az nem jó ..2s utáni bekapcs a jó. Ez olyan lesz ? Köszönöm
Ha az előző kimenetét invertálod, az is jó lehet ? Ha sokat van bekapcsolva, akár a jelfogó másik érintőjét használva, ha nem , akkor meg utána még egy tranzisztor.
Ja, bocs! elfelejtettem a linket berakni, mert mivel nem ide tartozik, ide raktam fel..
Sziasztok!
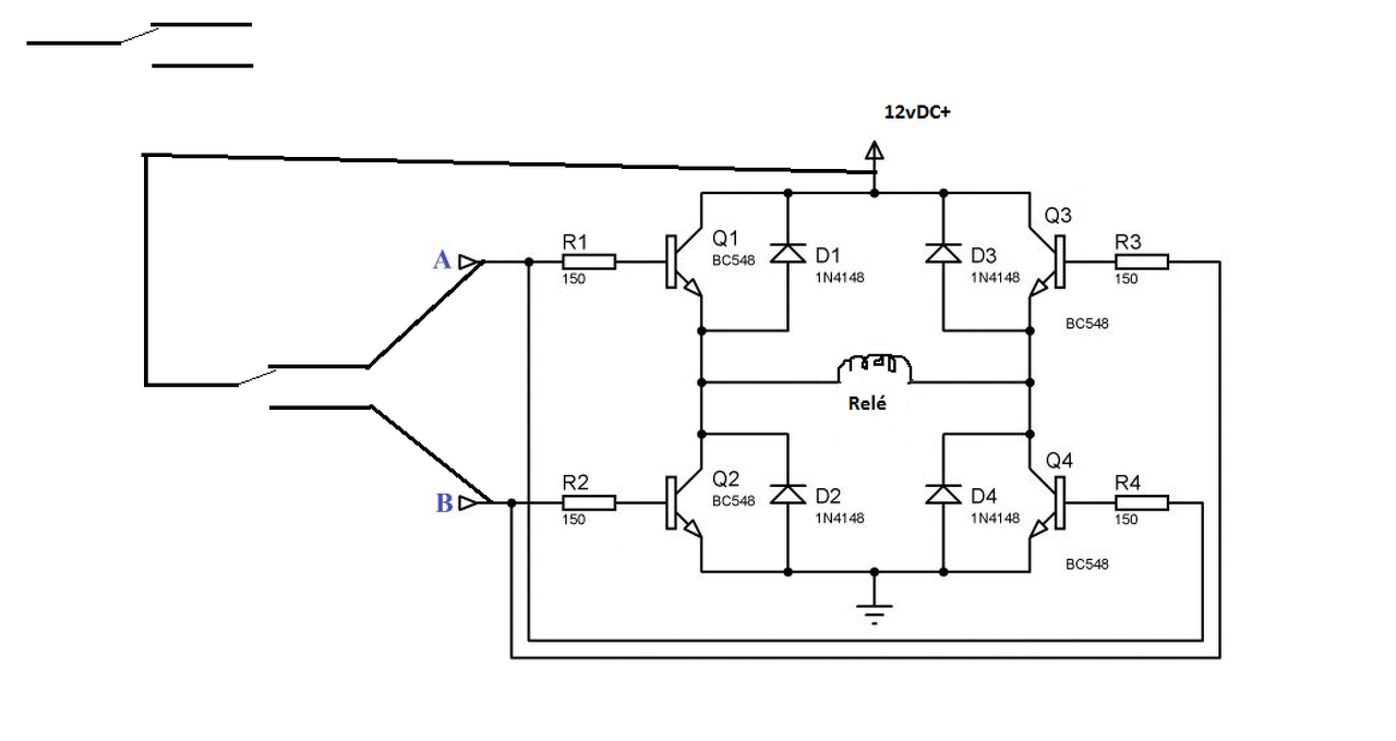
Nekem lenne egy olyan kérdésem hogy mikrovezérlő nélkül, hogy lehetne megoldani egy bistabil 1 tekercses(12V) relé átkapcsolását, 12V kb 1-5sec es impulzussal? Annyi segítségem van hogy ez egy 2 áramkörös relé(RT424A12) és az egyik váltóérintkező párját fel lehet használni erre a célra. Azt sejtem hogy mindenképp kell egy H-híd vezérelni a polaritásváltást.--- Ezzel meg van oldva az oda vissza kapcsolás sima DC -ről. A H-híd nyitási irányát tudom ugye kapcsolni a relével. --- Ezzel megoldódik az a kérdés is hogy melyik irányba kell hogy dolgozzon a H-híd hogy megtörténjen a váltás. De itt jön az akadály számomra, de lehet hogy csak nem látom a fától az erdőt... Ha ezt így össze raknám, csak egy nagy berregés lenne mert folyamatosan oda-vissza kapcsolgatna amíg feszültséget kap. Hogy lehetne megoldani hogy addig kapjon csak feszültséget a H-híd, amíg 1 váltás történik? Egy kb 1-10s -os impulzussal táplálnám meg az áramkört, nem lenne fix tápja. Ha jön a jel, akkor a relé az állásától függően meghúz, és úgy is marad. Ne váltogasson polaritást vagy 10-s ig. ...Esetleg egy nagyobb elko az "A" és "B" pontra, és amíg ki nem sül addig mivel az is H szinten van nem lenne a tekercs egyik oldala sem addig gnd-n ... gondoltam ezt is kínomban majd rájöttem hogy csak össze nyitná a két tranzisztort egy jó kis rövidzárra... Lehet hogy másfajta H-híd kellene ? Vagy egy 555-ös IC? Esetleg valami számláló áramkör még? Esetleg ötlete valakinek? Idézet: „Azt sejtem hogy mindenképp kell egy H-híd vezérelni a polaritásváltást.--- Ezzel meg van oldva az oda vissza kapcsolás sima DC -ről.” Ha 2 db 4700 µF 16V elkó nem felel meg, váltó kapcsolóval.
Nem igazán értem mire gondolsz, 2db elkóval meg egy váltóval hogy fordítom meg a tekercs polaritását egy átkapcsolásig?
Sorosan kötve a két elkó, két széle megy a tápra.
Váltókapcsolónak úgyszintén. Két közép között meg a relé tekercse.
Erre gondoltál?
Ez így nem működik. Egyik állásban csak zümmög, ha megfordítom a tekercs bekötését akkor meg nem csinál semmit. Egyéb ötlet? astabil villogóSajnos Sziasztok. Segítséget szeretnék kérni egy egyszerű astabil áramkörhöz, ami 12vos és aszimmetrikusan működik. Az egyik izzó 10 percig világit a másik 20percig és ez ciklikusan ismétlődik. Nem tudom hogy mekkora (R,C,)elemekkel lehetne ezt elérni ha egyáltalán ellehet az R, C, elemek változtatásával érni ezeket az értékeket. Előre is köszönöm. Ja és a kapcsolás egyszerű NPN tranzisztoros. Sajnos se rajzot se képet nemtudók feltenni. Fogalmam sincs hogy kel. Bocs.A hozzászólás módosítva: Jún 23, 2025
Én ezt inkább számlálóval oldanám meg, RC tagokkal nyögvenyelős.
Mekkorák az izzók?
Nézetem szerint kondenzátorral/ ellenállással kialakított astabil, ami több perces, az csak ÍS üzemmódban működhet.
(Ha egyáltalán...) (Nem kiszamolható, csak Így Sikerült. Örülj, ha valóban van, hozzá ne piszkálj) A hozzászólás módosítva: Jún 23, 2025
Én is gondoltam a számlálóra mert ez túlsok perc. Csak igy egyszerűbb lett volna. Ugy hogy marad a számlálóval való variáns .De köszönöm a gyors választ.
|
Bejelentkezés
Hirdetés |













