Fórum témák
» Több friss téma |
Fórum » Propeller Clock
A külső kört nem elég csak ki meg bekapcsolni, hanem be kell állítani az időt.
Ha villog a külső kör akkor nincs az idő beállítva. Miután beállítod az időt utána sem jegyzi meg?
Ha beállítom az időt majd ki meg bekapcsolom a külső kört akkor sem jegyzi meg.
Nem értelek, a külső kör ki-be kapcsolása semmibe nem befolyásolja azt, hogy megjegyzi az időt vagy sem.
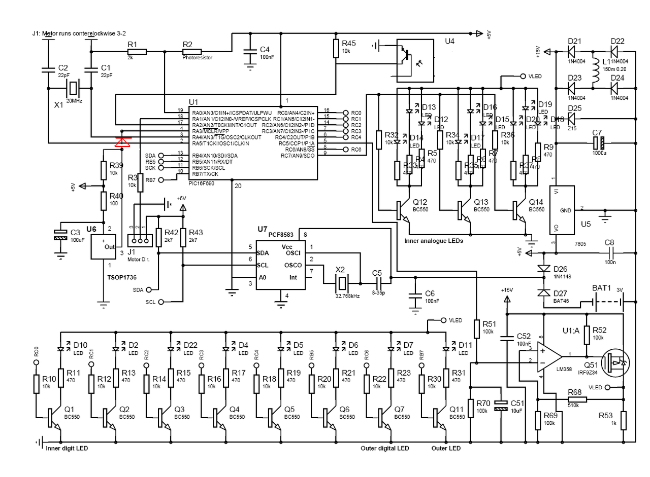
A PCF 1-2-es lábára megy a 32,768KHz kvarc. 3-4-re GND 5-6os megy a Pic.be 7-es üresen hagyva. 8-as 3V egy diódán keresztül.
Igen így van bekötve a pcf, de mégsem jó.
Hány voltot mérsz a PCF 4-5 és a 8-as láb között?
Ha be van dugva akkor 4V.
Ha kihúzom akkor 1,9V, pedig az elemben 2,9V van.
Használj schottky diódát..Nem elég a külső kört ki be kspvsolni,meg kell bárni az utána lévő percváltást az órán.
Ott valami nem stimmel, nem mérhetsz többet akkor sem ha táp alatt van, legalábbis nálam nem így van. Milyen diódát tettél sorba az elemmel? mert ott azon nem szabadna 1V-ot esnie.
A hozzászólás módosítva: Szept 29, 2016
Az elemmel sorban egy BAR43-as dióda van, mert a nyákrajzon is ez volt rajta.
Megvártam a percváltást de akkor sem jegyzi meg.
Most már megvan a 2,9V a pcf-nél is. A probléma ott az volt hogy a gnd-nek van egy átkötése a panel két oldala között és az nem volt rendesen beforrasztva. De még most sem jegyzi meg az időt.
Melyik kapcsolást építetted meg és melyik Hex-et égetted a Pic-be?
Ezek alapján építettem meg.
A hozzászólás módosítva: Szept 30, 2016
Nem sok ötletem van már majd talán Patexati tud okosabbat mondani neked.
Nekem nem ez a kapcsolás van megépítve. A PCF-et biztos, hogy jól ültetted be és nincs fordítva? Esetleg ha tudnál feltenni egy képet a rotor hátuljától akkor más is többet tudna mondani. Esetleg szakadásokat vagy zárlatot keresni a panelen, hideg forrasztás, átkötések.
A pcf biztosan jól van beültetve, a forsztásokat, átkötések megnézem.
Az eddigi segítséget is nagyon szépen köszönöm!
Megnéztem és át forrasztottam az ehhez a részhez tartozó forrasztásokat de még mindig nem jó.
A pcf INT lábát felhúztam 1k-s ellenállásal 5V-ra és megnéztem oszcilloszkóppal és 1Hz-es négyszögjel van rajta. A hozzászólás módosítva: Szept 30, 2016
Az a baj, hogy annyira nem vagyok penge benne, hogy hogy lehetne azt megnézni, hogy a pic kommunikál e a pcf-el. Lehet ott van a gond. Vagy a picbe lévő programmal.
Laikusként másra már nem tudok gondolni de ebben meg Hp41C a szakértő.
Szia! Az SDA,SCL lábak két felhúzó ellenállása az jól van beforrasztva ,nem rossz valamelyik ellenállás?
Szia!
Az előbb azt csináltam,hogy a propelleren lévő PCF SDA,SCL lábait vezetékkel bekötöttem a bázison lévő PCF helyére és a bázison usb-n keresztül beállítottam az időt majd levettem a tápját és a pcf csak az elemről kapott tápot. Visszadugtam a gépre és megnéztem hogy megjegyzi-e és megjegyezte az időt, tehát a propelleren lévő pic nem létesít kapcsolatot a pcf-el. Mást nem tudtam kitalálni, hogy megnézzem hogy jó-e a pcf. A hozzászólás módosítva: Szept 30, 2016
Szia!
Ellenőrizd, ha még nem tetted meg, az SCL és SDA vonalakat, folytonosság és zárlat szempontjából a Pic és az Pcf között, valamint a Pcf (3) lába megfelelően testelve van-e. Mind ezt ne csak szemrevételezéssel, hanem műszerrel is!
Szia!
A pcf 3-as lába le van földelve és az SCL,SDA vonalak sincsenek megszakadva. Tehát a probléma szerintem vagy a Pic-el lesz vagy a programmal (bár a programba nem nyúltam bele).
Benn a kódban a 3D vektor kezelés is
![]() TFTP vel indul a PI , lehúzza a "kernel"-t és már ketyeg is. Így azért könnyű fejleszteni , nem kell dugdosni az SD kártyát. Elsőnek úgy volt de nagyon utáltam. VIDEO
Köszi.
Most meg kéne fordítanom a forgásirányt. Motordriveren 1 db ellenállás kéne átforrasztani de nem férek hozzá csak ha szétszedem a motort. Lehet inkább a SW-t írom át. A hozzászólás módosítva: Okt 3, 2016
Megfordítottad a driveren vagy átírtad a programban? Sötétebb fényviszonyok mellett jobban lehetne látni. Alakul
Megfordítottam a driveren. Eddig minden órám CW volt ezért inkább nem kavarok. Majd még adok fényt a pwm el. Ez lesz a minimum.
Hello!
Pfu...! "Elég jó!" Jól néznek ki a külső gyűrűn a karakterek, főleg a kék, bár ez izlés kérdése. Gratula!
Ugye bár elmúlt az a két év és hát újra elővettem a propeller clock-ot.
Már sokkal több tapasztalattal és rengeteg projekten keresztül megtanultam, hogy mi az a Jumper. ViccDe azért lenne még egy kérdésem. Az egész Clock-hoz elég egy 12V 1A táp? Vagy muszáj 2x12V? És utólag is bocsánatot szeretnék kérni minden fórum társtól akit a hülyeségeimmel zaklattam, így visszaolvasva el sem hiszem, hogy én írtam.(De hát 14 évesen akkor még nagy volt a fellángolás de most is). Most megpróbálom megcsinálni és nem hülyeséget kérdezgetni. Akkor az alkatrész lista biztos nem hiányos? (Vicc.) Üdv.
A 12V/1A táp elég neki, én egy 12V/500mA ról hajtom az egyiket és megy vele szépen még teli fénnyel is.Alkatrész listát nem tudom honnan szedted mert én még nem találkoztam vele, én a kapcsrajzról írtam össze az alkatrészeket és azt kell, hogy mondjam nem volt hiányos
|
Bejelentkezés
Hirdetés |







Vicc




