Fórum témák
» Több friss téma |
- Ez a felület kizárólag, az elektronikában kezdők kérdéseinek van fenntartva és nem elfelejtve, hogy hobbielektronika a fórumunk!
- Ami tehát azt jelenti, hogy a nagymama bevásárlását nem itt beszéljük meg, ill. ez nem üzenőfal! - Kerülendő az olyan kérdés, amit egy másik meglévő (több mint 17000 van), témában kellene kitárgyalni! - És végül büntetés terhe mellett kerülendő az MSN és egyéb szleng, a magyar helyesírás mellőzése, beleértve a mondateleji nagybetűket is!
A rajz egy részlet a commodore 16 belsejéből. A tápegység trafó, gréc, 4700µF/25V, biztiből áll. Az emitteren mért feszültség 6V ha a rákapcsolt magnó üzemel.
Ha 6V van, akkor 6,8V-os a zéner. Gyanítom, hogy a 4700µF kapacitás vesztes, azért nincs meg a feszültség. Ilyenkor (és bármikor) egy szkóp jól jön. De műszerrel is lehet hozzávetőleges eredményt elérni, ha megméred a 9V-on mérhető váltófeszültséget és a segédprogram alapján ellenőrzöd azt. (A mért értéket meg kell szorozni 1,42-vel és még 2-vel. Nem lesz pontos, mert a műszer a jelalak miatt csal, de nagyságrendi hiba nem véthető..)
Hello.
Tudja-e valaki hogy ebbe az arduino csomagban az RFID kártya és kulcstarto hány Hz? Mert szeretnék még hozzá venni és, hogy jó legyen hozzá azért kérdezem.
Nem tudom milyen az a 64 lépcsős digipoti, de pl ez 8 bit-es 450 ft-ért Bővebben: Link
De továbbra is csak 1 mA folyhat rajt és max 5v-ot adhatsz neki, az autóiparban nem ilyenek a feltételek általában. " Lehet csak álmodtam" anno zöldkártya kiállításhoz készítettek olyat, hogy egy léptető motor (amit avr vezérelt) tengelye forgatta a potit. A hozzászólás módosítva: Okt 17, 2016
Üdv. Valaki elmondaná nekem , hogy mi a különbség a 20 forintos és 200 forintos kondenzátorok közt? Ha mindkettőnél megegyezik a feszültség és a kapacitás miért van ekkor különbség az árak közt?
Leginkább akkor anyagminőségben méretben és márkában, esetleg sima kondi vs LOW ESR kondi...
A hozzászólás módosítva: Okt 18, 2016
Sziasztok! Egy olyan kérdésem lenne hogy van egy díszkályha.Abba szeretnénk csinálni egy olyasmit hogy az izzó pislákoljon. Van e ilyen kapcsolási rajz? Ha igen melyik célszerű? 12V-os 230V-os. ?
Remélem jól raktam fel a kérdést. Válaszokat előre is köszönöm! Üdv!
Szia!
Itt van néhány véletlenszerűen villogtató áramkör is: Bővebben: Link.
Hello! Én pld. így oldottam meg a dolgot.
Sziasztok.
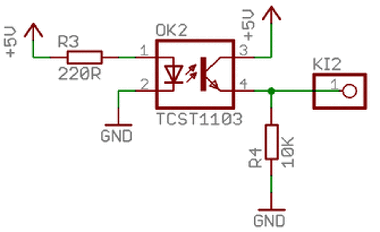
A két bekötés közül melyik a jobb és miért? Ha az ahol a kollektor tápra van húzva egy ellenállással akkor ott az ellenállásnak mi a szerepe. Köszönöm.
Hello! Ki mondta, hogy egyik jobb mint a másik.
Az ellenállásra semmi szükség, kivétel ha hiányzik a vele soros Led a képen.
Senki nem mondta, de pl itt az optón is van ellenállás.
Akkor itt csak a kimeneti jelszint miatt van ott, hogy 0 vagy 1 legyen a kimenetén?
Cseppet kevered a szezont a fazonnal.. Ez az optocsatolónak a munkaellenállása. Ha nem lenne, akkor kimeneti feszültséget sem adna a fokozat. Relének pedig nem kell munkaellenállás, mert ha feszültséget kap, húz a relé, ha nem, akkor elejt.
És ha az ellenállást elhagyom és direktbe földre vagy tápra húzom akkor az optó rögtön elhalálozna?
Az a baj, hogy Te nem tudod mit is szeretnél kérdezni, így mindig mást kérdezel.
Mi az hogy "ha az ellenállást elhagyom és direktbe földre vagy tápra húzom"? - Ha az a kérdés, hogy ellenállás nélkül működik-e a kapcsolás, akkor a válasz: NEM! Mert az optónak logokai szinteket kell produkálnia. Vagy is pld. Az első kapcsolásnál, ha a Led 5V-ot kap, akkor világít a Led. A tranzisztor kinyit. A GND-re húzza a kimenete, így annak szintje "alacsony" vagy "L". Ha nem kap feszültséget az opto, akkor a Led nem világít, a tranyó zár és nem húzza le R2 ellenállás áramát. Így az 5V tápfeszültség az R2 ellenálláson keresztül a kimenetre jut. Vagy is a kimeneti szint "magas" vagy "H". A két kapcsolás között az a különbség, hogy az első invertál, míg a második nem. Vagy is magas bementi szintnél az elsőnek alacsony a kimeneti szintje. Másodiknál pedig a kettő azonos. - Ha az lenne a kérdés, hogy az opto tranyó kollektor-emitterét közvetlen a tápra kötöd (aminek egyébként értelme nincs), akkor az opto halála nem biztos, de lehetséges. Az optonak ugyan is van egy CTR paramétere. Ez megmondja hogy a tranzisztor kollektorárama hány százaléka a Led áramának. De ez lehet 10%-is és akár 300% is, opto típusától függően. Ha a CTR pld. 100% és a Led 20mA-al van meghajtva, akkor a tranyó kollektorán is ekkor 20mA folyik. Ettől várhatóan nem lesz hasmenése. De ha 300%, akkor lehet, hogy a kollektoráram túllépné a megadott maximális kollektoráramot. Az pedig nem szép, vagy megpusztulhat a tranyó.
Köszönöm a választ így az optós rész már érthető.
Visszatérve a tranzisztoros kapcsoláshoz ahol a diódával és a relével párhuzamosan tettem egy ellenállást. Ennél a kapcsolásnál ha esetleg a relé tekercse zárlatos lenne akkor az az ellenállás nem védené meg a tranzisztort, vagy arra ott van még a dióda is? Arra gondolok, hogy ha a relé helyet egy rövidzárat tennék be vagyis a tranzisztor kollektorát felhúznám direktbe 5V-ra és nyit a tranzisztor akkor zárlat lenne.
Sziasztok!
SMD Elektrolit kondenzátorral kapcsolatos kérdés: Hogyan szoktátok kiszedni a cserélni kívánt kondikat? Próbáltam szétcsipegetni fogóval, de nem nagyon tetszik. Van hőlégfúvós pákám, viszont azzal az a probléma, hogy a környezetében levő alkatrészeket is megmelegíti illetve lefújja. Kétoldalas nyák esetén a hátoldalról is lepotyog minden. Valakinek valami tipp?
Kapton szalaggal szokták ezt orvosolni.
A youtube-on van róla videó is.
A relé zárlata esetén semmi sem védi meg a tranzisztort. Az áram tudja a fizikát, mindig a kisebb ellenálláson folyik át. A dióda a kapcsoláskor fellépő tranziensekkel szemben védi a tranzisztort. A zárlatos tekercs is rövidzár!
Köszönöm a választ neked is meg Proli007-nek is.
Sziasztok!
Szeretnék 3 darab USB csatlakozót az asztalomra mobiltöltés, powerbank töltés meg hasonló célokra. Mindezt úgy szeretném, hogy szerzek egy 5V 6A LED tápegységet és párhuzamosan rákötném az USB aljzatokat. A kérdésem az, hogy ezt megtehetem-e? Az oké, hogy ha rákötök mondjuk 3 telefont, akkor mindegyikre nagyjából 2A fog jutni, de ha mondjuk csak egy telefon van rákötve, akkor károsítani fogja azt a 6A vagy csak annyit fog belőle felvenni amennyire szüksége van? A előre is köszönöm!
Annyit fog felvenni, amennyit igényel.
Hogy védene meg egy ellenállás a zárlattól valamit, ha az párhuzamosan van vele?
![]() Szerinted mekkora áram folyna az ellenálláson? De mi ez a fikció? "Arra gondolok, hogy ha a relé helyet egy rövidzárat tennék be". Miért tennél rövidzárat a relé helyett? De ha az ember megszeretne védeni valamit a rövidzártól, akkor talán az áramot kellene korlátozni. Nem plusz terheléseket ráaggatni. Elárulnád mi értelme van ennek (ha nem titok)? Mert nem látom a logikai összefüggéseket a kérdéseid között. Ha van valaminek fizikai esélye, akkor arra lehet műszaki megoldást keresni. De én úgy látom, olyan dolgokat kérdezel és hozol egymással összefüggésbe, aminek köze nincs egymáshoz. De szerintem itt lenne az ideje, hogy megismerd a tranyók működését, a három alapkapcsolás jellemzőit. Mert az sokat segítene a megoldásban, de a kérdések feltevésébe is.. A hozzászólás módosítva: Okt 20, 2016
Sziasztok!
Szerintetek ez a modul tudja azt, hogy ha a bemeneti feszültség 4,5-14V között változik, a kimeneti akkor is stab. 3,3V maradjon, minden utánállítás nélkül?
Motorola 68000-es MCU, továbbiakban 68K, és egy 3v-os NorFlash memóriát szeretnék együttműködésre bírni..
A 68K 5v-os, Flash memóriám pedig 3v, ezt a különbséget illesztenem kellene, erre a feladatra 74HC164245-ös szintillesztőt használnék. A kérdésem az lenne, hogy miképpen tudnám ezt megoldani, úgy hogy működjön is? Így kellene működnie: 68K címbiteket és vezérlés jeleit kiküldi 3v-os Flash memóriának, majd a flash memória kiteszi az adatokat adatportjára melyet 68K olvassa majd fel kellene használnia. 5v-os flash memóriával már megoldottam és működik, de mivel nagyobb memóriára van szükségem, már el kellett eresztenem az 5v-os működést. Kérem segítségeteket.. Köszi előre is.
Nem reklám miatt mondom, de az ikea forgalmaz 3 portos USB töltőt, nem is túl drágán (nem biztos hogy olcsóbban kihozod házilag). Ez erre van tervezve, mások szerint nem is rosszul, és inkább bízok az ő minőségbiztosításukban mint a random noname kínai termékekében.
Igaz nem tud 6 Ampert leadni csak 4-et, viszont ez a legtöbb esetben elég. Én vettem ilyet, egy problémát tapasztaltam: 1 dolláros kínai "powerbank" nem tölt róla, minden más igen. Szerintem a fesz kicsi neki, az ikea töltő pontosan 5V-ot ad le míg a gyári töltőkön 5,1-5,2 Voltot mérek, azokról tölt. Bár 1 védelem nélküli 18650-es akku kellene bele én pedig nem olyat tettem bele (amihez persze meg kellett faragni az egész "házat"), lehet ez okozza a problémát. A hozzászólás módosítva: Okt 20, 2016
|
Bejelentkezés
Hirdetés |





Válaszokat előre is köszönöm! 
Az ellenállásra semmi szükség, kivétel ha hiányzik a vele soros Led a képen. 


