Fórum témák
» Több friss téma |
Fórum » LM1036 sztereo hangszínszabályzó áramkör
Témaindító: Krajcsooo, idő: Máj 29, 2006
Témakörök:
Én ránéztem a paneltervedre... Amúgy még jó is lehetne... de helyenként túl kevés a távolság a forrszem és a vezető vonal között... Teljesen indokolatlanok a bazi nagy forszemek! Ha zöld rétegen vagy vezetősávval, akkor a felirat a fehér (B1) rétegen kell legyen! STB STB...
De ne hidd, hogy a nagy forrszemet könnyebb forrasztani. Ellenben ha túl nagy, mire megtöltöd cinnel, addigra elmelegíted az alkatrészt... Alkotó panelja pont jó... inkább azon gyakorold a forrasztást, és csinálj először "más tudása alapján" panelt. Az, hogy neki állsz tervezni; !!!BECSÜLENDŐ!!! és valóban a helyes út... de amíg nem rutinból oldasz meg feladatot, addig ne légy rest más "tollával " is ékeskedni!!! -egy barátom mondta nekem egyszer: Szergej Bubkának 4 méter ugrani magasugrásban szégyen lenne... Neked a 2 méter is most még dicsőség... Ergó: Majd belejössz, és bármekkora forrpadot meg tudsz majd forrasztani...
Tiszteletem 0,7 fúróval fúrok és fúrás után lecsiszolom az a baj nincs pénzem veller pákára
Én 0,8-al fúratom a legkisebb lyukakat.
Ne gondold, hogy csak Weller pákával lehet jól forrasztani. Nekem pl. a legolcsóbb forrasztó állomásom van, illetve egy ugyanilyen pákához építettem magam is szabályzó áramkört. Ezzel a két szabályozható pákával igyekszek forrasztgatni. De!! Talán jó ha tudod, a drótvégű pillanatforrasztó páka nekem mindig a kezem ügyében van, és hihetetlen dolgokat is meg lehet vele oldani. Nem a legkényelmesebb kézben tartani, de ha nem direkt SMD-ről van szó, akkor nagyon hatékony eszköz. És ha már van valamilyen páka, és annak a hőfoka nagyjából be van állítva, akkor előtérbe kerül a forrasztó ón, illetve a folyasztószer milyensége. Javaslom 40-60% -os gyantás forrasztó ónt, és a sima gyantát az elején. Ezek mindenható anyagok, amiket szükség szerint majd később lehet kicsit spécizni.
Köszönöm a magyarázatokat az oktatást de a legolcsobb állítható páka 4-5 e forint nincs folyató szerem hol ehet kapni valami el fogatható áron A másik nagy problémám a kissé rossz rövid látásom még nagyítóval is
Tiszteletem el keztem beültetni az alkatrészeket igen megszenvedek a helyhiány miatt nem igen akarnak egymásmellé beférni
Én, miután polírpapírral letisztítom a nyákot, fenyőgyanta alkoholos oldatával vékonyan bekenem. Játszva lehet jól forrasztani pákával. Ha esztétikailag zavar, utána alkoholos ronggyal letisztítod.
Azt nem tudom melyik panelt építed, de ha nem fér el az alkatrész, akkor vagy annak mérete nem megfelelő, vagy a panelterv nem jó. A panelre feltervezett alkatrészméretek és a valós alkatrész méreteknek illik azonosnak lenniük.
Bizonyos esetekben előfordul, hogy az univerzalitás miatt akár több méret fogadására alkalmas paneltervek is készülnek, de ezeknél általában eleve többféle érték/méret merül fel, mondjuk hangolás miatti értékváltozás okán.
Alkotós féle 63v mkt kondikat rakom nagyon szoros és nagyon vigyázni kell a sorrendre
A sorrendre természetesen oda kell figyelni, de az érintett kondik 2x7,2 és 2,5x7,2 méretűeknek kell lennie, ami szépen elfér a raszteres távolságon (2,54 mm). A legnagyobb érték ha jól emlékszem 220 nF, aminek mellékeltem a méretét. A 10 és 100 nF keskenyebb 0,5 mm-el.
Az elmúlt hetekben több alkalommal vittem az előerősítőt magammal, eddig mindenki dicsérte.
Pár adatot szeretnék kérni, aki gyakorlottabb a témában. A legnagyobb bemenő jelszint nagysága, ahol végkitérésig kitekerve a hangerőt még nem torzít. Ilyenkor hány mV-os jel jön ki? A bass-boost-ról van diagramm, ahol leolvashatók az adott frekvenciákon való erősítés nagysága? Vagy bármi írás erről? A hozzászólás módosítva: Nov 30, 2016
Szia!
A panel mindkét alkotója itt található! Alkotó és Reloop tudnak neked ebben segíteni. Jó panel, de a 1036-os nem egy referencia eszköz! Csodát nem tud... Ennél ( igaz, nem biztos, hogy olcsóbban) sokkal jobbat lehet építeni...
Szia! A kolléga az LM1036 adatlapját keresi, szerintem meg is fogja találni
Kolléga Úr!
Belegondoltam... -Igazad van!!! Bocsánat a gyanúsítgatásért!
Sziasztok van nekem egy ilyen hanszin szabalyzom es azt szeretnem kerdezni hogy mennyi µF tapszurest tegyek mer elegge bug. Most van rajta 1000uF.
A hozzászólás módosítva: Feb 27, 2017
Szia!
Az 1000 µF-os az nem sok. Én minimum 2200 µF -ost raknék. De ez a függ hozzákapcsolt végerősítőtől is. A hozzászólás módosítva: Feb 27, 2017
A vegerosito tda7294.Most kiprobaltam a digi tv-bol bontott stabilizalt tappal es megszunt a bugas.Lehet azt fogom hozza hasznalni.
Szia! Kielégítő megoldást egy feszültségstabilizátor jelent.
Tudnal esetleg ajanlani egy kapcsolast 12V ra?
Koszi szepen.
Sziasztok!
Elkészült az lm 1036+ne5532 -es panel Alkotó tervei alapján. Mielőtt beépítésre került volna, lepróbáltam és jól működik. Egy problémám viszont lenne vele, amivel szerintem nem vagyok egyedül. A loudness -kapcsolgatásakor erős pattanás van jelen, amit szeretnék minimalizálni. Ebben szeretnék segítséget és tanácsot kérni! Milyen módon tudom ezt a reccsenést-pattanást megszüntetni?
Nekem egyáltalán nincs olyan emlékem, hogy pattant volna az átkapcsolás.
Első körben, hogy kizárjuk a kapcsoló hibáját, simán a két vezetéket érintsd össze, majd vedd szét néhányszor ismételve. A potmétereket a panelba forrasztva képzeltem el. Ez a sok-sok vezeték bizonytalan zavarok forrása lehet.
Köszönöm a válaszod!
Holnap kipróbálom, ahogy írtad. Azt nem írtam, ha teljesen letekerem a hangerő potmétert (lehalkítom), akkor nem hallok pattanást. A pattanás erőssége függ a hangerő potméter állástól. A végső felhasználás során, egy kiszuperált gyári erősítő dobozába kerül, ahol adott a potméterek elhelyezkedése. Ezért vannak a hosszúnak látszó szalagkábelek. Bízom benne, hogy nem szed majd össze zavart. Ha baj lesz vele, kicserélem árnyékolt kábelekre.
Nem ismerem a Te konkrét dobozodat, és azt hogy abban milyen kényszer van a potikra nézve. De pusztán feltételezésekre támaszkodva, szinte elképzelhetetlen, hogy a négy potméter egymástól 25-25-25-25 cm-re legyen (mert kb. ilyen hosszúak a kábelek). Ezeket általában sorba rendezik, egymástól nem nagy távolságra, és esetleg a hangerő van külön egy nagyobb forgatógombbal. Ha ebben nem tévedek, akkor ismét felmerül a kérdés, miért nem a panelt vitted inkább közelebb a potméterek helyéhez?
Ezen kívül, nem tudom találkoztál-e azzal a változattal, ahol a külön választottam a vezérlést és a potmétereket tartalmazó panelt (itt látod). Ennek oka éppen az volt, hogy szinte tetszőleges elrendezés esetén is elhelyezhetőek legyenek a kezelőszervek.
Esetleges lehetőség: Bővebben: Link
Szia!
Valóban hosszabbak a szalagkábelek a kelleténél (de nincs 25cm, csak 20,5! Persze ezzel csak viccelni akartam!). Nem végleges a vezetékek hossza, a végső beépítésnél pontos méretre szabom mind a négyet. Az erősítő elejében, közvetlen az előlap mögött lesz elhelyezve a panel. Köszönöm, hogy felhívtad figyelmem a másik panellel kapcsolatban, természetesen találkoztam vele. Amit elkészítettem, azon van lehetőség kikerülni az első erősítő fokozatot, ezzel lehetőséget adtál egy külön, nagy bemenő jel kialakítására is. Ma este foglalkoztam ismét a kapcsolással. A kapcsoló hiba kizárva, gondosabb potméter tekergetés, bemenő jel felcserélése, és egyéb füllel végzett vizsgálat során a következőket tapasztaltam: Csak az egyik csatornában hallható drasztikusan ez a pattanás a kapcsoló kapcsolgatása során. Ezen kívül ebben a csatornában a mély hang hiányzik a másik csatornához képest. Sőt, ezen csatornában a basszus potméter tekergetése is érdekes dolgokat művel. Amikor a potméter fél állásban van akkor a legtöbb a basszus és torz, a pozitív vég állás felé viszont eltűnik a basszus. A másik csatorna hibátlanul működik, nagyon kicsi pattanással (loudness). Olvasva Justo hozzászólását (köszönöm az infót Justo!), az lm 1036-os hibájára gondolok én is. Csütörtökön lesz lehetőségem boltban venni másikat. Ettől függetlenül várom véleményed a problémával kapcsolatban!
Köszönöm az infót! Lehet hogy én is kifogtam egy gyári hibás ic-t.
Sziasztok!
A mai nap vettem egy másik lm1036-os ic-t, egy másik boltban. Az újonnan vásárolt lm1036-os is megegyezik a régivel (felirat színe-árnyalata, gyártó lógó, stb.) Sajnos a loudness kapcsolgatásakor ugyanúgy meg van a pattanás (mind a két oldalt), viszont a rossz oldali basszus probléma megszűnt. A loudness funkció is sokkal jobban érezhető, hallható mind az előző ic-nél. Teljesen tanácstalan vagyok a pattanással kapcsolatban, nem tudom merre keressem a hibát, mit ronthattam el?
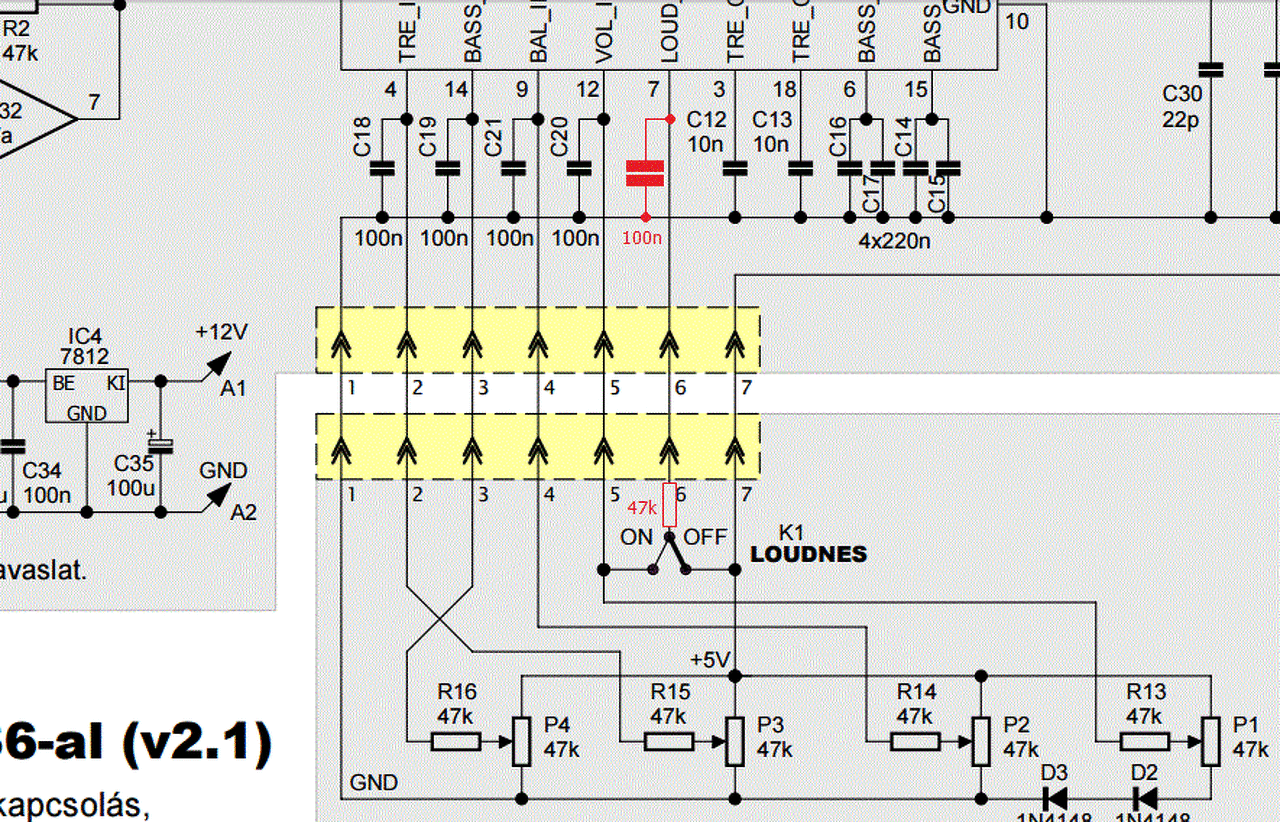
Szia! Próbáld ki az alábbi módosítást! A K1 kapcsolóra tégy 47k ellenállást a mellékelt ábra szerint, az LM1036 7-es láb és a test közé (forrasztási oldalra) pedig 100nF-os kondenzátort, miként a többi szabályzó bemenetnél ajánlja a gyártó.
Szia! Köszönöm a tanácsot, este megpróbálom. A 100nF kerámia, vagy fólia legyen?
A hozzászólás módosítva: Ápr 28, 2017
|
Bejelentkezés
Hirdetés |













