Fórum témák
» Több friss téma |
Fórum » Csöves erősítő készítése
Ne feledd betartani a fórum viselkedési szabályait, és a topik megmaradásának feltételeit. [link]
A téma átmenetileg fagyasztva lett, hozzászólni nem tudsz!
Köszönöm az ajánlatot, de konkrétan EI66-os képkimenő vasa kellene! Most készítettem két csévetestet EI66 maghoz, de pakettvastagsága nagyobb, mint a képkimenő, viszont a hozzá való vas meg rosszabb minőségű. Ki akarom próbálni hogy van-e különbség a kettő között
0,18-as huzalt házilag elég nehéz menet-menet mellé tekerni belátható idő alatt. Egy hét alatt lehet kész lenne úgy. Tartottam hogy a szekunder vékony lesz mert csak 0,65-ösből fért fel. Jól sejtettem hogy a 0,8-as miatt nem férne fel a primer másik fele. De a fülem megygőzött hogy minden rendben.
Vagy a féltengely gumiharangokhoz való szorítóbilincs Abból is van hosszú és vékony.
Az a helyzet hogy az egyik fülem sír a másik meg nevet
Na áthuzom s balanszot a jobbik kimenő oldalára
Üdv. Csapágyboltokban kapható SK szalag fm a hozzávaló szoritóbilincsekkel együtt. Ez hasonlit a legjobban a féltengely gumiharang rögzitőhöz. Létezik belöle vagy 3 szélességi méret sőt van rozsdamentes is
Köszi. Nem nekem kellett nekem meg vannak a szorítók csak a próba erejéig használtam kábelkötegelőt.
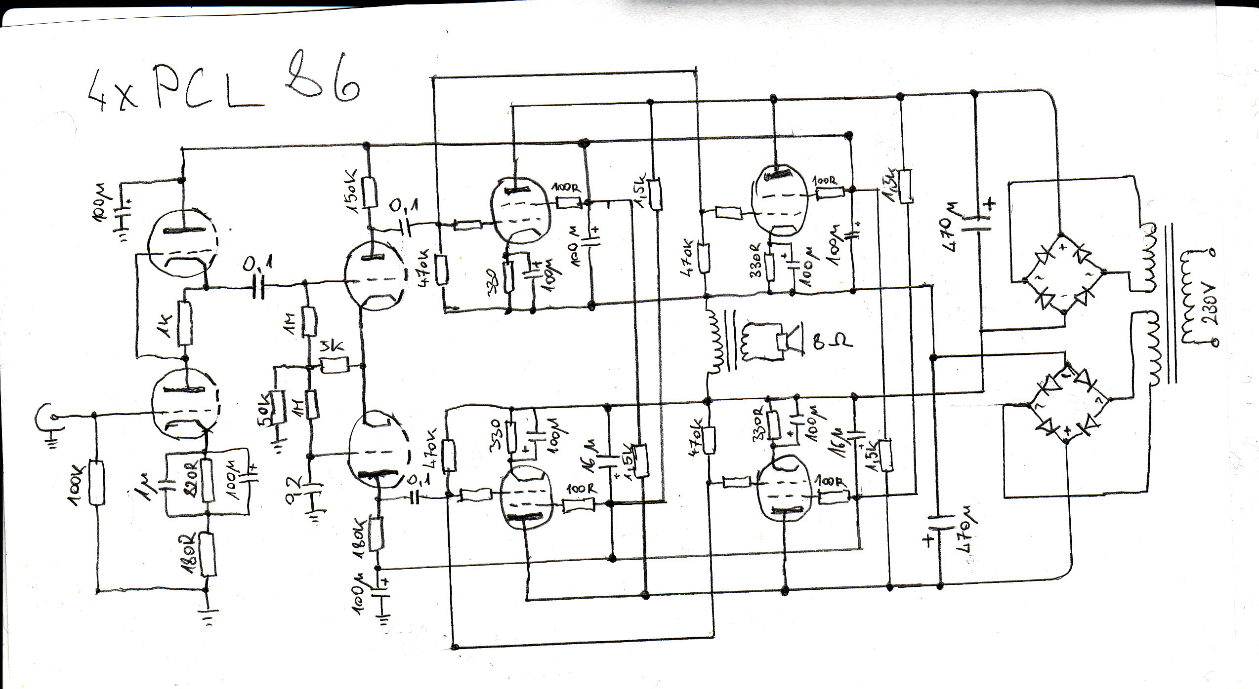
Mai termés :
Két csévetest El84 stereo SE kimenőkhöz . A középső elemek 50 %-ban saját készítésűek, vékony bakelit lapból reszelve ( a maradék eredeti ), az alsó és felső oldallapok nyákból vannak. A tekercselés mára már elmarad ![]() Ja, a kép lemaradt, akkor most
Ja! Mögötte a 6l6 SE kimenő van képkimenő vasra tekerve.
jólvannaaaa
nem nagyon konyítok a csövesekhez (tranyósokhoz sem de azt már építettem)cruisher: hálistennek olyat nem látok de izzanak a fűtések a csövekben
aznormalis! Mertel mar feszt az ellenallasokon?
Az én hiperszil kimenőmön is hasonló menetszámok vannak,EL84SE-hez:2800menet 0,16-ból,és 110menet 1-esből 8Ohmra.Képek vannak pár(száz)
hozzászólással előrébb.A hangja nagyon jó. Hétvégén szeánsz:6P14P SE kontra Beag EA080,persze néhány Wattig. A Beagban 8ohmra áttekert M102 kimenők vannak,amúgy eredeti. Majd beszámolok. üdv.
Ezt a szeanszot en varom a legjobban
Pjuure class A kontra B ;] kivancsileszek
Elnézést, egy kicsit benéztem. Inkább így.
Max A kontra AB. (Ezen már a múltkor is vitatkoztunk. A "B" osztály az, mikor nincs nyugalmi áram, csak a vezérlés hatására indul meg, hol az egyik, hol a másik csőfélen. Nyilván, amikor beállítod a katódköri ellenállásokon a feszültséget, akkor a nyugalmi áramot állítod be, ami csak AB osztálynál van. Valószínű, hogy csak az elnevezésre nem emlékszel pontosan, de ettől még egyértelmű, hogy a kérdésekben otthon vagy.
)A nagy erősítő fog nyerni, legalábbis nálam ez így történt. Mégpedig eléggé elporolta az SE-t, legalább annyira, amennyire az SE a tranyóst. Az is igaz, hogy PCL trafóval működött, és nem hozzá készített kimenővel.
Szerintem még alkalmazhatnál az 1. triódáknak egy szűrést, mert ott már egy ütemben dolgoznak. A fázisfordító is benne lehet, bár azokon még kioltódik a maci.
Ha 200µF-dal pufferelem, és párhuzamosan még 100nF-dal, az elegendő lenne?
Az EL34 adatlapja szerint eza beallitas B osztalynak felel meg! Van nyugalmi aram, de kozelse akkora mint AB osztaly eseten!
Ma mértem rajtuk feszt! az egyiken 30mV körül volt, a másikon pedig 18mV
Igaz csak egy multim voan de sikerült 10 perc alatt belőni a feszültségeket 50,5mV-ra! azóta még enm hallgattam meg, nincs rá időm reggel, délután beszámolok majd! Hogy lehetne átalakítani esetleg 8Ohm-osra (úgy értem hogy tudsz ilyet csinálni? persze nem ingyen), vagy maradjak ennél a vezriónál hogy az apt 100 kimenőjét használom hozzá? üdv
Itt : http://www.jogis-roehrenbude.de/Leserbriefe/Schawaller-Amp/schawaller.htm
Nyáktervel van komlett ECL ...PCL86 SE
Sziasztok! néhány általános tapasztalat,hátha tudok vele segíteni :yes: tehát:SE üzemmmódra NEM JÓ a pentóda,de még a tetróda sem! (többen is próbálkoztok ezzel) ...igen,persze,h.fog működni,és gyakorlásra,az alapok elsajátítására tökéletes,de nem fogja az áhított hangminőséget produkálni. éspedig azért nem,mert ezen eszköz páratlan(3.és5.)számú harmonikusokat termel(főleg),szemben a trióda inkább páros számú harmonikusokból álló torzítási spektrumával.ezt a hallásunk sokkal inkább képes tolerálni.a legolcsóbb VALÓDI trióda a 2A3-as,6eFt körül...sokaknak felejtős.(nekem is)
az egyetlen elfogadható kompromisszum az el84/6p14p triódának kötve,és akár duplázva,vagy marad az ellenütem.kettőzés esetén a szorzótényező:0.733. az EL84,s főleg orosz változata egy igen szép hangú cső,egyaránt igazán jól szól a basszusban,s különösen a felső végeken is.szinte az egyedüli olyan eszköz,mely pentóda létére majdnem trióda-karakterisztikával bír.gyengéje a viszonylag kis teljesítménye,minden további hátránya ebből fakad,s ezért igazán nagyot ő is csak PP-ben tud "villantani".meglepő,de nagytestvére,az EL34-bár hangfrekire tervezték-már nem annyira finom hangú.
Szia! Terveztem (ha lesz rá időm), hogy próbából átkötöm a pentódás GU50 PSE-t triódásnak kissebb csodát várva. Szerinted csak időpazarlás?
hali van egy frankó cs.erősitőm 40w os,ami nagyon szépen szol csak van egy alapzaja ami kis hangerőn elég zavaró!
ezt hogy lehetne kiszűrni??50hz búgás.....köszi
Mi a tipusa?
Erdemes megnezni a tapban az elkokat, ha regiek lehet mar kiszaradtak, es erdemes cserelni oket. masik dolog, ha valtofeszrol megy a futes, es potival van "kikozepelve" akkor utana kell allitani.
A következő minőségi lépcső a sugártetródák kasztja lehet.köztudott,h a pentódák saját torzítása jellemzően 5%körül mocorog.ezzel szemben a tetródák már alapból is csak úgy 2%-ot "hajlandóak"torzítani,s mivel impulzusüzemre lettek kifejlesztve,nagyon bírják a hangfrekit.ezek bontásból,innen-onnan még beszerezhetőek(PL/EL-500...509,stb.tapasztalataim alapján ezen csövek magasabb kategóriájú hangot produkálnak.(majdnem-trióda jelleg),persze csak PP-ben.egyébként a pentódás kapcsolások szinte kiv.nélkül átállíthatók tetródás üzemre 1-2plusz alk.felhasználásával,ezt a hangminőség jótékonyan hálálja.
s marad még az orosz 6P45SZ,mint beszerezhető alk.ez anno a videoton color-star tv sorvégcsöve volt...ha jól tévedek. nos,ez egy brutális alkatrész,kiváló,vérprofi erősítő építhető belőle,de alkalmazását inkább csak haladóknak javaslom.igen nagy hálótrafót kell neki tekerni-nálam még a 600VA-s vas is melegszik-és hajlamos a megfutásra.remélem nem fárasztottam senkit,de még csak könyvtárból tudok pötyögni-onnan is ritkán. hali.
Itt talalhatsz egy teljes leirast az atalakitasrol:
http://cruisher.digitaltrip.hu/beag/apx100_atalakitas.pdf En mar megcsinaltam, a volt beag tekercselomuhelyebe keszitettek nekem gyarival megegyezo, csak 8ohm sec impedanciaju trafot bele. Par alkatreszt meg csereltem benne-az osszes csatolokondit wima mkp10 re, picit nagyobb kapacitasura, es nagyobb feszultsegure. Elvileg van hely a csevetesten, lehet csinalni egy 8ohmos tekercset ra bujtatgatassal, de nemfog jobban szolni, mint az APT trafoval. udv!
hali Brown.nem időpazarlás,sőt,mindenképpen érdemes egy próbát megejteni.szerintem csak úgy lesz igazán jó,de mivel ezt a csövet nem ismerem,nézz utána,h a g2 segédrács felköthető-e az anódfeszre!!ez ugyanis nem minden tetródánál tehető meg! a GU-50pedig úgy tudom,az.sok sikert,már nincs több időm :no:
|
Bejelentkezés
Hirdetés |




nem nagyon konyítok a csövesekhez (tranyósokhoz sem de azt már építettem)

)
az egyetlen elfogadható kompromisszum az el84/6p14p triódának kötve,és akár duplázva,vagy marad az ellenütem.kettőzés esetén a szorzótényező:0.733. az EL84,s főleg orosz változata egy igen szép hangú cső,egyaránt igazán jól szól a basszusban,s különösen a felső végeken is.szinte az egyedüli olyan eszköz,mely pentóda létére majdnem trióda-karakterisztikával bír.gyengéje a viszonylag kis teljesítménye,minden további hátránya ebből fakad,s ezért igazán nagyot ő is csak PP-ben tud "villantani".meglepő,de nagytestvére,az EL34-bár hangfrekire tervezték-már nem annyira finom hangú.
ezt hogy lehetne kiszűrni??




