Fórum témák
» Több friss téma |
Hello!
Nekem hasonló SATA / IDE átalakító okozott már "újraindítgatás" gondot PC-ben is. SATA HDD-vel meg gond nélkül működött...
Hali!
Mint ahogy visszáb írtam ez egy kamera rögzítő. Kicseréltem a SATA/IDE adaptert vadi újra, el is indul minden, természetesen kéri a merevlemez formázását, megadom neki a parancsot, OK, elkezdi formázni, majd kiírja, hogy formázási hiba. Sokszor megpróbáltam. Ez vinyó hiba lehet ezek után? A hozzászólás módosítva: Okt 8, 2016
Szia
Miért nem teszel bele egy rendes SATA HDD-t, az átalakítót kihagyva. Fentebb is írták, hogy csak a probléma van vele.
Hali!
Feladtam a további kísérletezgetést, az lesz. Csak ugye nem az enyém, de be kell hogy bizonyítsam, hogy ez a gond.
Üdv mindenkinek!
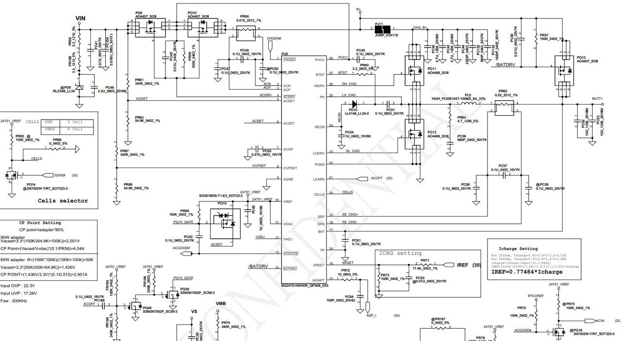
Segítséget szeretnék kérni mert elakadtam és nem értem hol a hiba. A laptop egyéb hibáitól eltekintve (kávét öntöttek bele de a hibás részek ki vannak iktatva) a csatolt képen lévő áramkörnek mindettől függetlenül működnie kellene. A Vin ponton a tápfesz megvan. PQ9 és PQ10 közös (1.2.3) lábain a tápfesz megvan. Viszont PQ10 (5-8) lábain nincs táp. Amint tápot bedugom itt egy pillanatra megjelenik cirka másfél voltos feszültség majd az is eltűnik. Ez lenne B+ fő tápfeszültsége a gépnek. PQ10-et cseréltem, és PU5 vezérlőt is. Semmi változás. B+ és a föld között 430 Ohm-ot mérek zárlat nincs. Valakinek ötlet? Jól gondolom, hogy ennek az áramköri résznek a készenléti és egyéb tápoktól függetlenül is működnie kellene?
Nem innen származik a B+. A rajzon az akku töltésért felelős tápáramkör van. Valahol máshol lesz a hiba szerintem.
A hozzászólás módosítva: Okt 13, 2016
Csak akkuról működik a gép?
IC 28. lábán >4V kell legyen. Ellenőrizd, hogy nem-e szakadt PR61 és PR68, valamint közvetlenül az IC 5. és 8. lábain megvan-e a 2,7V (ha minden ok, ACGOOD alacsony) PR56 összes lábát ellenőrizd, valamint hogy az IC-hez eljusson. Ez az ellenállás ha szakadt, az IC túláram gyanújával lekapcsolja a betápot. Ezt ellenőrizheted az IADAPT lábon megjelenő feszültséggel. (20 szorosa kell legyen PR56-on mértnek) Ha minden ok, ACDRVnek (4. láb) kb 6Val alacsonyabbnak kell lennie mint PVCC (28. láb) (ráadásul nem árt, ha 17. - GND; 25. - GND; 17. - B+; 25. - B+ között nincs zárlat)
Akkuról meg sem próbáltam mert mint említettem is kávét borítottak bele, emiatt több rész is zárlatos lett amiket kiiktattam. Viszont összehasonlítottam egy E525 lapjával ami hajszálra hasonló felépítésű és azon a B+ és a föld között nem mérhető ellenállás, ezen viszont 400 ohm körüli.
Végig mentem a B+ vonalon és kiderült, hogy sajnos nem csak az 1.8V és 1.05V-ot előállító áramkör vezérlő IC-je zárlatos, (ezt már előzőleg eltávolítottam), hanem sajnos az 1.8V-os ág egyik kapcsoló FET-je is. Pont az amelyik a B+ és a kimenet között van. Ezért tiltott le a tápvezérlő. Van egy olyan érzésem, hogy ami az 1.8V-os vonalon van áramkör, az mind halott
Ügyes!!!
Azt nézd meg Linux alatt Gparted-del. Van USB-boot-olós változata is.
Hát ez könnyel előfordul, jártam már így én is. Elszállt az 1,8V-os táp, megugrott, kitakarított mindent.....
Most ott tartok, hogy megy a B+ vonal és megy az always ág is, stabilan megvan a 3,3 és az 5V. Az összehasonlítási alapul szolgáló laphoz hasonlítva az 1,8V-on és az 1,05V-on már nincs zárlat. Ha megjön a hozzávaló IC a többi majd akkor derül ki. Az ellenállás értékek stimmelnek.
A többi már szerencse kérdése. Hála istennek a compal mérnökei okosak, beterveztek via-kat amiket szét lehet kapcsolni így az áramköri részeket is. Ennek köszönhetően derült ki hogy maradt egy félig zárlatos FET és egy csont zárlatos elkó is az always 5V-os ágban. Szerencsére most már minden rendben ebben a részben.
Helló!
Megtudná valaki mondani laptopoknál mit jelent a discrete illetve a dedicated videó vezérlő?
Discrete - ez a /beépitett/ gpu, alacsonyabb teljesítmény pl Intel HD 4000 stb. Ha dedikált akkor szokott benne lenni mindketto, ha szuksege van nagyobb teljesítményre akkor átkapcsol a dedikáltra pl FullHD filmeknél, játékoknál. Én így tudom.
Szia
Cupika97 válasza is megfelelő. Konkrétan, a discrate vezérlő mostanában a CPU-ba épített vezérlő, mindennapi használatra tökéletes, full HD filmekhez is, ezek a rendszer memóriából veszik le a tárhelyet, ezzel együtt ugye korlátozott sávokon keresztül kommunikál a memória a vezérlővel. A dedicatednek van külön memóriája, ami sokkal gyorsabb, mint az előbb említett, illetve külön VGA Chip van az alaplapon, ebből kifolyólag sokkal gyorsabb. Ahhoz lehetne ezt hasonlítani, mint az asztali gépeknél, hogy integrált videokártya, vagy rendes.
Köszönöm mind kettőtöknek.
Végre megérkezett a hiányzó IC, beépitettem és hál istennek más baja már nem volt a kis gépnek, elsőre indult.
Köszi a segítségeteket.
Sziasztok, Megosztnám a tapasztalatomat, egy most vásárolt kínai, "Intel" 737s 13,3" notebookkal kapcsolatban. Pár hete vették, töltőt elfelejtettek csomagolni hozzá, vettek hozzá egyet, azzal sikerült az aksit feléleszteni, de az élete nem volt tartós. Itt látható a komplett alaplap, a már levett AXP288 töltésvezérlővel. Az IC rendesen szétrobbant, kiégetve a pad-eket is. Az IPSOUT kezdte a galibát, s vitte a mellette lévő VBUS és PWRON fóliákat is.
Nem tudom, hogy sikerül-e helyreállítani, ugyanis az IC alatt, még lyukgalvánba csatlakoznak.
Nem volt hosszú élete a cirka 230 dolláros gépnek....a kép alapján nem sok esélyt látok a hiányzó lábak/pad-ek kidrótozására.
Ha szenesre egett a nyak, akkor kuka, mert tobbe-kevesbe rovidzarlat. Ha nem, akkor elvileg az a lyuk valahol kibukkan a felszinre, s akkor oda lehet drotozni.
En mar javitottam ilyet ugy, hogy (valoszinuleg mazlival) mas fontos madzag nem ment a 6 reteg egyikeben sem es ki tudtam a kokszos reszt kaparni onnan (mondjuk nalam nem ult egy szazlabu ic rajta pluszban). Ha sok idod van es keves penzed, megeri megprobalni.
Én is ettől tartok, hiába csinálnám meg esetleg a felső 3 láb pad-jét, ki tudja mi robbant még szét a rétegek között. Nem az enyém, hozták, hogy "csak" annyi baja van, hogy nem tölt. Mondtam, ha szétszedem ugrik a garancia. Azt mondta, hogy a kifelejtett töltőt sem sikerült kisírnia. Előtte egy Sony Ps-Vita-t hoztak, hasonló tünettel, ott a 15-lábas BGA robbant fel, de a forrszemek épek maradtak. Találtam hozzá másik töltésvezérlőt, felraktam, szintén semmi. Gondolom ott is a rétegek között égett szét a fólia. Szintén szkrepp .
Jó estét kivánok mindenkinek. Van egy leptopom Del inspiron 1721 es ameik meghibásodot. A hiba oka 2 darab MOSFET.
A MOSFET neve DMS8670 Farersheid. Ha valaki tudna egy elektronikai boltot ajálani ahol én ezt a mosfetet megvásárolni tudnám akor nagyon megköszöném köszönettel Fery
Sziasztok!
Van egy HP DV9702ea notim és mikor leállítom a képet, a kijelző fekete az érintősor ledjei világítanak és a kártyaolvasó ledje is, adott esetben a wifikapcsoló melletti is szokott, de ez kikapcsolva szívja az akksit. (A kijelző bekapcsolását onnan látom, hogy leállítás után elkezd zöld lenni majd visszaugrik feketére, de ha lehúzom folyamatosan zöld) Ahogy áramot kap előjön ez a jelenség, működésbe nem akadályozza, de hordozás közbe az akksit ki kell szednem belőle ami elég zavaró. Hol keressem a hibát? Előre is köszönöm! (Van egy BGA hibás donor alaplapom hozzá) A hozzászólás módosítva: Nov 15, 2016
Sziasztok!
Hozzám került egy Lenovo 3000 N 500 laptop. Semmi életjelet nem mutatott. Az egyik USB port össze volt törve. Ezt kiszereltem belőle. Nem tudom, hogy ettől-e, vagy a szétszedés összerakástól, de most tápról, vagy akkuról is elindul, a LED-ek világítanak, az érintő kapcsolók működnek. (Hangszóró ki-be, tapipad ki-be) Viszont a képernyő nem megy és külső monitorra sem ad képet. Merre nézelődjek? Esetleg egy rajza nincs valamelyikőtöknek véletlenül? A hozzászólás módosítva: Nov 22, 2016
Meg kellene figyeld, hogy a win betölt? (hang után)
Van HDD aktivitás, vagy csak a ledek égnek? N220 N440-hez van rajz.
Biztosan nem tölt be, mert nincs benne vincseszter, de a Bios képernyőnek így is kéne működni.
Sziasztok! Saját hülyeségemből tönkre tettem gépem (törött kijelzős gépről van szó és a Led kijelző helyett hagyományos lcd-t dugtam rá és kiégett egy fet) Mivel ami jelzés volt rajta az felismerhetetlenné vált és nem tudom mivel pótolni az alkatrészt. Ilyenkor mi a teendő? Lenovo G470-es gépről van szó. Segítséget előre is köszönöm.
A hozzászólás módosítva: Nov 26, 2016
Megoldottad a lehetettlent. Egesz mas a csati, hogy tudtad radugni? Kulonben nem hinem hogy a fet amiat durrant el. Valami hozzaert olyan helyre ahova nem kellett volna. Esetleg benne volt az akku?
Rajz http://www.s-manuals.com/notebook/lenovo_g470 A hozzászólás módosítva: Nov 26, 2016
|
Bejelentkezés
Hirdetés |





Ügyes!!! 


