Fórum témák
» Több friss téma |
Fórum » Spektrum-analizátor
Témaindító: (Felhasználó 518), idő: Okt 26, 2005
Témakörök:
Holnap ha lesz időm, ránézek. Annyit tudok tutira, hogy ha a két alsó trimert (nem látom pontosan a számát) letekerem a minimumra, akkor ezek a zajok megszűnnek. Megeshet minden, csak kicsit furcsálom hogy két panelon is ugyanaz a hiba.
Mindegy, majd holnap
Megmértem az IC-k lábait, +5V megvan, de a -5V helyett -4,8V van, az számít?
A probléma megoldódott, de van helyette másik.
Miért világít halványan az az oszlop is aminek nem kellene? Sőt nem is csak világít, hanem ugyanolyan magasságig villan fel, mint egy másik oszlop, de nem rögtön a mellette lévő.. Bővebben: Link
Hello! Ennél a vezérlésnél, nincs megoldva, hogy a multiplexernél ne legyen átlapolás. Vagy is később kellene bekapcsolni és előbb kikapcsolni az oszlopvezérlést, mint váltani az LM3915 bemenetére kapcsolni a másik csatornát. Ebből "áthallás" képződhet. De az is lehet, hogy az oszlopvezérlő BC337 nem kapcsol ki teljesen, vagy elég gyorsan.
Mivel Te nagy fényerejű fehér Led-eket alkalmaztál, minimális Led-áram, vagy átlapolódás esetén is látható lesz a Led fénye. Vélhetően "normál" Led-eknél is van minimális áram, de az nem látszik. (Egy fehér Led már 50uA áram esetén is látható fényt ad.) Ha az első hiba áll fenn, akkor tudod elhárítani, csak az áramkör teljes átalakításával. Ha a második eset áll fenn, akkor egy-egy ellenállást (pld. 2,2k) kell kötni a BC337 emittere és a GND közé.
Nem segített rajta a 2,2K, ugyanúgy bevilágít a többi..
Mindegy, nem az enyém, nem nekem kell
![]() A gond akkor az hogy nagy fényerejűek a ledek.. OK
Sziasztok!
Érdeklődnék hogy valaki megcsinálta-e már az alábbi linken lévő kapcsolást? Mert én most fejeztem be de jól jönne egy kis segítség. Köszönöm!
Kovidivi-nek!
Még ez a kettő! A hozzászólás módosítva: Nov 24, 2015
Köszi!
Szerintem a legjobb a normál vonalas kijelzés, meg hozzá a csúcsérték tartás is frankó!Annyi kár, hogy a forráskód nincs meg hozzá, de megértem, és örülök, hogy legalább a hex elérhető. Talán egy dolog lenne jó még, ha a bejövő zenét mindig pont annyira erősítse, hogy az utolsó LED is felvillanjon. Valami jó nagy időállandóval, pl. 1 perc alatt emelné a bemenő jel szintjét, és akkor a halkabb jelenetek pl. filmben nem lennének túlságosan felerősítve. Ezt meg akkor lehetne megoldani, ha a programba bele lehetne kicsit nyúlni. A hozzászólás módosítva: Nov 24, 2015
Egyébként kiszedegetted a piros LED-eket, és helyükre másikat raktál, vagy egyből másik nyákot készítettél? A bázis az, aminek a terve a csomagolt fájlban volt, az SMD Atmega8-cal?
Egy kicsit elbonyolította a tervezője a kapcsolást, az Atmega8 bőven el tudta volna látni a LED-eket 20mA-rel PNP tranzisztor nélkül is. CD4028-cat raktál be Te is? Ha HEF4028-at raksz be, akkor fényerőszabályzást is meg lehet oldani, kell hozzá még egy NE555, LDR, és egy műveleti erősítő, mivel ha a BCD-DEC átalakító bemenetére nem 0 és 9 közötti szám érkezik, minden kimenet GND lesz (egyszerűen fel kell 5V-ra húzni a C és D lábat, ami már 8+4=12), ha ezt PWM jellel tesszük, akkor minden oszlop meg lesz szaggatva, és csökken a fényereje. Én felrakom ezt is a nyákra. Annyira kár, hogy ott van az Atmega8, szabad lába is van, de a programhoz nem lehet csak úgy hozzányúlni Mindegy, megcsinálom úgy, hogy az Atmega8 is tudja vezérleni, hátha a későbbiekben kipróbálok valami FFT könyvtárat.Színekben én most arra gondoltam, hogy alul legyen 5 piros, aztán 3 narancssárga, és 2 citromsárga. Remélem jól fog kinézni. A hozzászólás módosítva: Nov 26, 2015
Másik nyákot csináltam, nem szedegedtem ki a ledeket!
Csinosíthatsz rajta ha gondolod!
Üdv!
Érdeklődnék, hogy megépítette már valaki ezt a kapcsolást? Problémám az lenne, hogy a "main board"-ot megépítettem de a kimeneten nem jön ki semmi vumeter se reagál multimeter sem.. ha valaki megnézné és tudna segíteni annak nagyon örülnék
Hello!
Énis nagyon "szemezek" ezzel a kijelzővel egy ideje. Esetleg tudnál feltenni róla fotót, hogy hol tartassz?
Üdvözlet!
Az lenne a kérdésem,hogy valaki megépítette már ezt a kapcsolást? Nincs véletlenül valakinek hozzá egy Sprint Layout-os Nyákterv? http://www.hobbielektronika.hu/cikkek/spektrum_analizator_ii.html
Ha követted volna a YT video alatti linket akkor sokkal többet is megtudtál volna
!aki lusta volt az nem láthatja ezt
2012-es hozzászólásra válaszoltál valakinek, aki három hónapja itt sem volt.
Hali! Félredobtam mert nem működik rendesen az előerősítőnél volt a gond azt megoldva jónak tűnt míg rá nem döbbentem arra hogy 16khz és 32hz-en is ugyan úgy viselkedik a vumeter.. mellékelek egy kapcsolást ami szerintem jobban megépített +-os táppal ami előírt az ic-knek.. TL ic-vel már jártam sikerrel ilyen szűrő építésével.
Egy egyszerű spektrum analizátor 0-1 GHz átfogással, és kb 40-60 db jelszint átfogással.
Végy egy fix 1 GHz oszcillátort és egy 1-2 GHz közt hangolható oszcillátort, keverd a jelet, alul áteresztő szürő, majd jel erősítő. Az erősítő legyen AGC-zett. A vizsgált négypolus jelét demoduláld egy radar diódával és kész a cuc. Ha a 1-2 GHz oszci vezérlő jelét x a demodulált jel az Y lemezen van, akkor kész a kijelző is. Erre elég egy DSO 138-as kit is. Ha az STM32F103 procit jól progizod már meg is van. Az ár bőven 10 rugó alatt. Ha dB pontos dolgot akarsz használj log erősítőt. 741 diódával visszacsatolva.
Szia!
A szépséghiba csak annyi, hogy ezt nem spectrumanalizátornak hívják hanem wobblernek. Kicsit teljesen másra használják. Üdv: Gábor
Hello! Működhet, de van némi hiányosság.
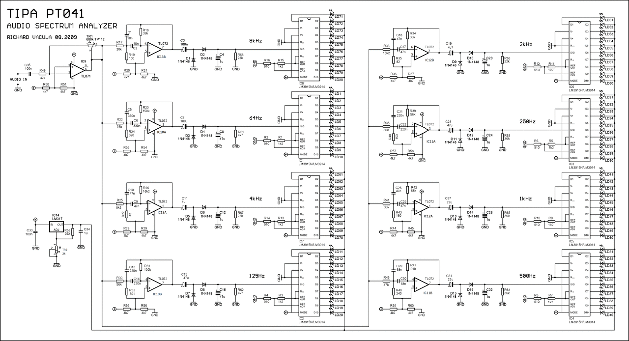
- A TR1 trimmer 2-3 lábát össze kellene kötni. - Az LM3914 v. 3915-öknek hiányzik a tápfeszültség a "V+" lábáról. - A TR2 trimmernél bőven elegendő egy 2kohm-os. A Led-ek tápfeszültségét maximum 8V-ra lehet beállítani, mert túl meleg lesz az LM3914 v. 15. - Az R49 ellenállás értéke túl kicsi. Az alsó határfrekvencia így kb. 300Hz lenne, miközben a legalsó spektrum meg 64Hz. A fokozat erősítés így is túlzás 43dB lenne. Ha az R49-et 47kohm-ra cseréljük, akkor 33Hz lesz az alsó határfreki, és az erősítés maximuma 23dB. Az pedig vonalszintű bemenethez elegendő. Egyébként pedig a rajzon ugyan nincs rajta, de kb. 12V tápfeszültség kell, ami 1A-al terhelhető is. Az LM317-nek némi hűtőborda igénye lesz.
Köszönöm a válaszod. Neki is esek a NYÁK terv elkészitésének. De előbb kijavitom a rajzot.
A hozzászólás módosítva: Dec 12, 2016
Kijavtottam a rajzot. Amiket javasoltál beiktattam, továbbá az IC neveit sorba rendeztem, "növekvő" sorrendbe. Így egy TL072-re jut a két közelebbi érték... Pl.: 64Hz és 125Hz.
Sziasztok
Érdekelne valami megoldás arra, hogyan tudok szkóphoz vagy csak szkóp monitorhoz kiegészítő áramkört csinálni, hogy egy audiósávon használható Spektrum analizátort kapjak. Van egy szkópmonitorom X,Y,Z bemenettel és egy bemeneti osztó hibás szkópom amit fel tudnék hozzá használni. A tpoicot végigolvasva azt láttam, hogy mindenki a LED-es megoldást használta, illetve volt 1 példa LCD-sre és az elején egy TV tuneresre (de ez ha jól tudom csak MHz-es tartományban megy...) Audió "mérésekre" csinálnám az egyiket és egy másikat szórakozásból, mint megjelenítő. Számítógép, laptop, tablet-ezeket kihagynám belőle, pedig sokkal egyszerűbb lenne, de akkor nem lenne meg az építés öröme... Ha van mikrokontroller nélküli megoldás ami nem IC temető akkor azt preferálnám, ha mindenképp muszály mikrokontrollert használni akkor olyan embert is keresnék aki hajlandó felprogramozni, persze nem ingyen. Segítséget előre is köszönöm.
Szépek az igényeid, egyik üti a másikat.
|
Bejelentkezés
Hirdetés |





!





