Fórum témák
» Több friss téma |
Hello!
Az ígért képekt. Mint megtudtam, kitből lett építve, megkaptam a dokumentációt is, ennyi infóm van róla. A tápfesz 12v, ha ez segít valamit...
A forrasztások egyáltalán nem bizalomgerjesztőek. Ha egyik-másik nem érintkezne, vagy a gallérján lévő szennyeződés szivárgást okozna nem lepődnék meg. Mérj feszültséget az IC 4-es lábán, vagy ahhoz kapcsolódó vezetőn testhez képest! A tápfeszültség felét várjuk, különben hiba van valahol.
A gerjedésre is megvan minden ok, a csupasz jelvezeték a hangszóróvezeték mellett fut ez pozitív visszacsatolást hoz létre, ami egy oszcillátor kapcsolás. Ha a jelbekötés helyét egy rövidke vezetékdarabbal rövidrezárod és ettől drasztikusan csökken az áramfelvétel, akkor biztosan gerjedt.
A 4-es lábon 4 volt van, ami nem a felel a tápfesznek, így nyilván nem oké valami. A bemenetet rövidrezárva nem lesz kisebb az áramfelvétel.
A panelt még vizsgálom. Egy darab pót-ICm van, egy cserét tudok csinálni, ha az Ic halt volna meg...
Az IC működőképessége mindjárt kiderül, tekintsük meg az 1-es láb - test és a 2-es láb - test potenciálkülönbségeket!
1-es láb- test közt 6v, 2es láb-test közt 4v.
Az IC-nek bérelt helye van a kukában
![]() A mért lábak differenciálerősítő bementek, közöttük tizedvoltnyi különbségtől is a polaritásának megfelelő módon a tápra/testre kéne húzni a kimenetet [4]. A következő élesztésnél ne feledkezz meg a tápáram korlátozásáról!
Értem, kicserélem aztán jelentkezek.
Kicseréltem, szól rendben. Az előző Ic, az is szólt rendben, de mivel gitárerősítő lenne, szinte semmit sem erősített, így az adatlap alapján megnöveltem a korábban említett ellenállást, hogy jobban erősítsen. Így ment is, rendes hangerővel, de egy idő után elkezdett egyre erősebben búgni, majd teljesen elhallgatott. Az ellenállás 470k-ohmosra cserélése ölhette meg az IC-t?
Hatalmas köszönet a segítségedért! A hozzászólás módosítva: Dec 14, 2016
A visszacsatoló hálózat nem károsíthatja a TDA2030-at.
A jel és a hangszórókábelt viszont ajánlott jobban elkülöníteni egymástól, nehogy gerjedjen, mert az akár túlterhelést is okozhat.
Rendben, úgy lesz, köszönöm a segítséget!
Ez egy aszimmetrikus táplálású 2030 párhuzamos híd 12volt feszültségről működik ? Hangszórókra 4óhmosra gondolsz ? Szerintem érdemes megépíteni teljesítményéhez képest egyszerűen olcsón megoldható .
Szia! 12V-os tápfeszültséghez az autós végfok IC-k vannak optimalizálva, a TDA2030 nehezen veszi fel velük a versenyt.
Üdv!
Szeretnék építeni egy bluetooth-os kihangositot, 8W körülit Hangszoro egy 10W-os 4ohm-os lenne. TDA2030A IC van itthon,igy abbol tervezem az erősitő építését. Már egy hete folyamatosan kapcsolásokat probálgatok,de eddig egy sem volt teljesen működöképes. A probléma majdnem mindig ugyanaz( basszus nagyobbat szol benne,mint ahogy a hangot hallani lehetne,illetve mindvégig recseg).Még igy visszaolvasva,láttam hogy ha kimérjük a lábakat,akkor 1 és 2-es között nem lehetne nagy különbség,hát nálam 1-esen 0,25V körül van,kettesen 0,01V. Tápfesz 12,4V . Egyenlőre probapanelen probálgatok,hogy lehessen alakítgatni. Mellékelem a kiprobált kapcsolásokat. Mi a különbség a föld(gnd) és a -15V között? Illetve valakinek valami ötlete,hogy mi lehet a hiba? Szeretek építgetni,eddig csak robotokat,alap áramköri panelokat(fm adó) építettem,de szeretnék egy működő erősítőt is Üdv,Balázs
Üdv! Ha nincs a testhez képest negatív tápfeszültséged is, amit például így lehet előállítani, akkor csatoló kondenzátoros kapcsolást kell választanod Bővebben: Link.
Üdv!
Megprobálom,hátha. Közben végig probálgatom a kapcsolásokat,de recsegnek. Amugy,ha -15V-ot GND-nek veszem,mi történhet? Üdv,Balázs
Ha a szimmetrikus tápot igénylő kapcsolás negatív tápcsatlakozóját a testre kötöd, a bemenetre vezetett váltakozó feszültségű jelnek csak a pozitív félperiódusát fogja az áramkör erősíteni, hogy ez hogyan szól, arról meggyőződhettél
Köszönöm!
Már neki is álltam építeni a másikat
Üdv!
Megépítettem,működik De lenne kérdésem. Max hangerőt lehet valahogy emelni? (bár ez szerintem függ a hangszórótol is) A mély hangokat(bass) hogyan lehetne lejjebb venni,mert igy eléggé nagy,és torzitja a zenét is Illetve háttérben hallani sistergést,jelenleg elég nagy. Ezt lehet csökkenteni? Köszi! A hozzászólás módosítva: Dec 29, 2016
Az alacsony tápfeszültség bizony komoly korlátot jelent a kivezérelhetőségnek. A nagyobb hangerő egyik záloga a 30V-ig megemelhető tápfeszültség, a másik pedig, hogy érzékenyebb hangszórót választasz - témába vágó olvasmány.
A sistergés a TDA2030 velejárója, de ez elfogadható mértékű szokott lenni. Esetleg a táp felől is jöhet, ezt szűrőkondenzátorral orvosolhatod, hivatkozás C3, C5 a rajzon. Ritkábban környezeti zaj, érintkezési hiba, vagy elócskult passzív alkatrész okozhatja. Ha szabadulni szeretnél az intenzív mélyektől használj a bemeneten az 1µF (C1) helyett 47-100nF-os kondenzátort. Minél kisebb a kapacitás, annál jobban csillapítja a hangsáv alsó tartományát.
Üdv!
Köszönöm,kiválasztottam a hangszorot,most már jo hangos Sistergés is megoldodott,bluetooth modultól jött,és még az AUX csati is régi volt,igy kicseréltem,már nincs semmi zavaro hangja Az egyetlen,utolso problémám,még mindig a Bass-nál van. Egyszerűen nem tudom lefolytani,hogy max hangerőn ne recsegjen. 100nF-es kondi van benne,még igy sem. Gondolkodtam potméteres verzion,de a neten nem találtam jol használhatót :/ Bekötöttem egy B50K-s potit az IP-hez,de az nagyon torzit,illetve a hangerőt is,de ellenben egyszerübben meg lehet vele találni azt a mélypontot a hangszoronak,ahol még nem recseg be...... Így kérdezném,hogyan lehet megoldani a 'legegyszerübben' a bass probléma? (potméterrel vagy anélkül ) Üdv,Balázs
A maximális hangerő azt a pontot jelenti ahol a torzítani kezd az erősítő, azaz a mély hangoknál megjelenik a reccsenés. Ennek semmi köze ahhoz, hogy hol áll a hangerőszabályzó, ez attól függ mekkora bemenő jelet osztasz le.
Ha a mélyeket kívánod szűrni, csökkentsd tovább a bementi csatoló kondenzátort. Ha nincs 33nF, 47nF-os kondenzátorod, köss sorba több 100nF-osat. Az eredő reciproka egyenlő a sorba kapcsolt kondenzátorok reciprokának összegével. A potenciométer helyes bekötését ebben a témában találod.
Szia!
Érdekelne, hogyan tudtad megszüntetni a bluetooth sistergését, én eddig az izolált tápot találtam csak megoldásnak. Ha tovább akarod csökkenteni a basszus-t, akkor lehet a rajzonC2 -vel jelölt kondit is csökkenteni és attól is kevesebb lesz a mély.
sziasztok!
Elkészült a TDA2030 btl kapcsolásom. Szépen zaj nélkül szól, de mégis olyan tompa érzete van. Nem a legszebb beültetés, mert egyszer visszaszedtem majdnem csupaszra, az egyik oldalt, mert nem szólt rendesen, de megtaláltam a hibát, rossz értékű kondenzátort raktam bele. 9x6 cm-en el akartam férni, azért lett ilyen zsúfolt. Készült egy sima single tápos LM1875-ös is, de az szerintem szebben szól, ez a híd kapcsolásos pedig nekem úgy tűnik, hogy melegszik, de lehet csak a hűtőborda kicsi neki, ebben mi a tapasztalat? Jelenleg 35 - 55 celsius között mozog. A tervem, hogy ebbe a panelbe LM1875 kerül, kíváncsi leszek annak a hangjára.
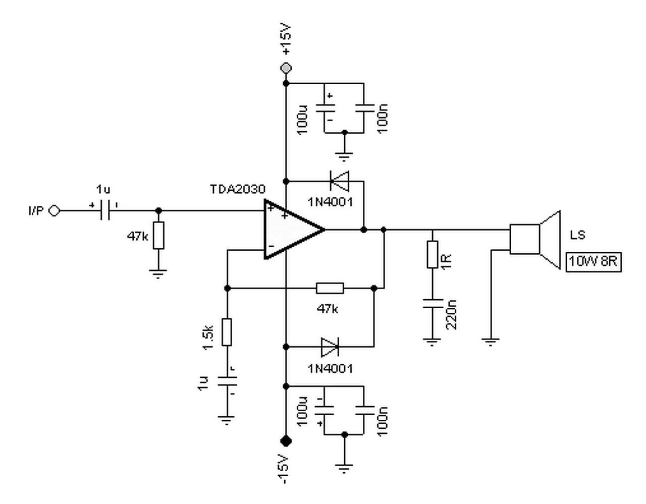
Szia! Ha segít, ez a panel hibátlan hangú, normál melegedésű és 63x42mm-es.
Bővebben: Link. A hozzászólás módosítva: Jan 2, 2017
Sziasztok!Kérdezni szeretném tőletek,hogy elkészítettem a TDA 2040 es panelt. 24 v szimmetrikus tápegységgel indítottam, gitár erősítésre szerettem volna de gyenge hangot ad mivel lehetne még erősíteni a hangot?
Sziasztok, Építettem korábban egy KIT sztereo erősítőt, amit ma már nem használok semmire, és eszembe jutott, hogy vajon egy passzív mélyládát lehetne-e vele hajtani otthon. ha jól tudom akkor ez lead 2x20W-ot (azt hiszem 2x14V-os toroid van benne). Az jó elképzelés, hogy a Pre-out kimenetet rákötöm mindkét bemenetre (bal-jobb), és a sztereo kimeneteket közösítve kötöm rá a Hangfalra? Ezzel lehetne 40W-ot elérni vagy ez semmire se jó és kössem csak az egyik oldalára és kész? Köszönöm
Sziasztok! szeretnélek kérmi titeket volna valakinek egy nyák terve TDA 8561Q IC vel erősítőt szeretnék építeni. Voltam a topijába de csak egy adatlap van és még nem nagyon tudom ugy megcsinálni ,ha volna egy nyák és látnám hogyan kell akkor sikerülne már készítettem egy TDA 2040 est és sikerült. kérem aki tud segítsen.
Sziasztok. Elkészítettem ezt az áramkört,de a hangforrásom max 500mV-ot tud kimenetre. Hogyan növelhetném meg az erősítést? (tápfeszem 15V,eddig rendesen megy de viszonylag halk).
Visszacsatolás csökkentésével esetleg megoldható az erősítés növekedés.
|
Bejelentkezés
Hirdetés |




















