Fórum témák
» Több friss téma |
- Ez a felület kizárólag, az elektronikában kezdők kérdéseinek van fenntartva és nem elfelejtve, hogy hobbielektronika a fórumunk!
- Ami tehát azt jelenti, hogy a nagymama bevásárlását nem itt beszéljük meg, ill. ez nem üzenőfal! - Kerülendő az olyan kérdés, amit egy másik meglévő (több mint 17000 van), témában kellene kitárgyalni! - És végül büntetés terhe mellett kerülendő az MSN és egyéb szleng, a magyar helyesírás mellőzése, beleértve a mondateleji nagybetűket is!
Sziasztok,
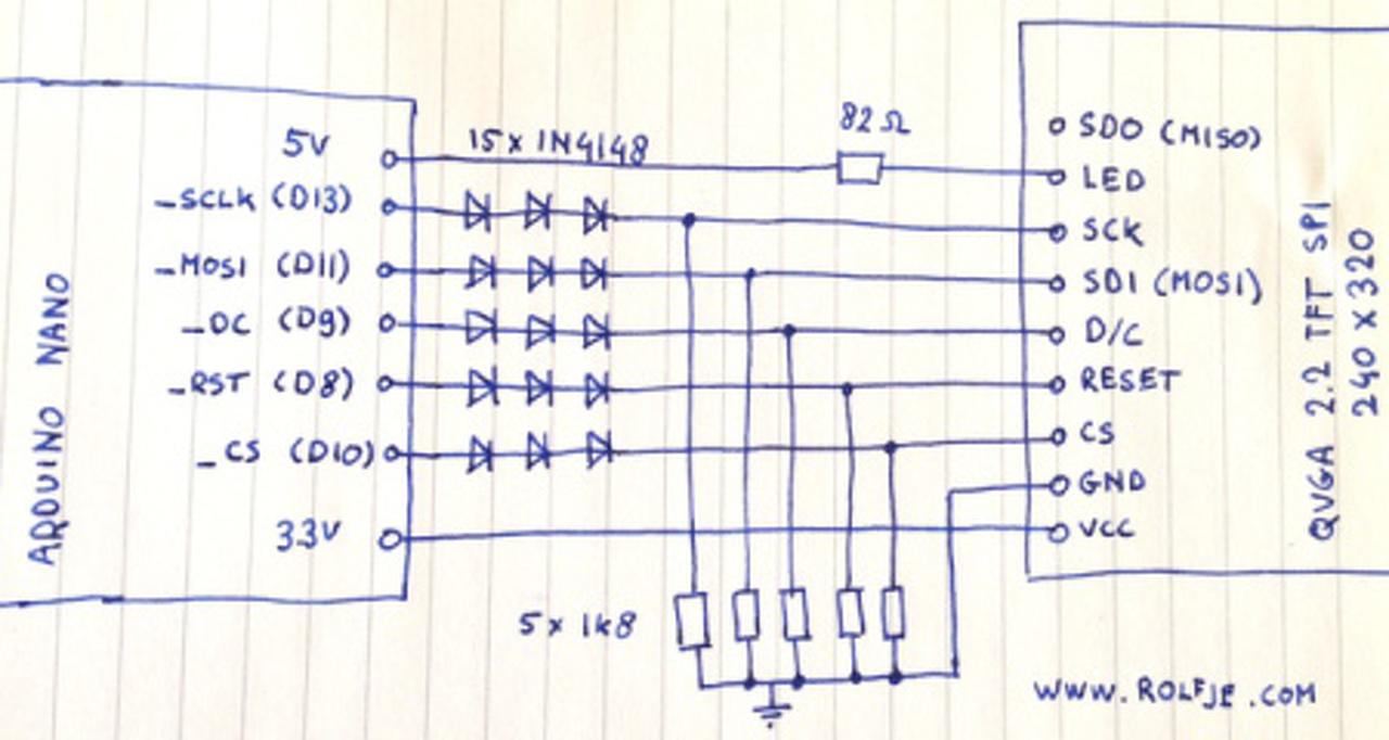
egy 3.3V-os jelszintekkel működő kijelzőt szeretnék csatlakoztatni Arudino-hoz, ami viszont 0-5V-ot ad a digitális kimenetein. A leírás szerint az SCK, SDI, SDO jeleket jelszint illesztővel 3.3V-ra kell alakítani. Milyen IC-t használjak? (mindenképp átmenőfuratos kellene, SMD-t nem tudok beültetni) előre is köszi.
Szia!
Logikai bufferre lesz szükséged. Pl.: Logic buffer_4bit A kimeneti jeled a buffer tápfeszültségétől függ (ha jól olvastam ) Illetve SOIC tokozás is rendelkezésre áll.Ha keresgélni akarsz: TI logic buffers A hozzászólás módosítva: Dec 29, 2016
Egyszerű és jó megoldás a képen.
Gondolom CS láb is van. Logikai szintillesztő: HEStore. Vagy, a kimeneteket leosztod egy ellenállás párossal, a bemenet (MISO), ha minden igaz, megelégszik a 3,3 V-tal, mint magas szint. De valószínűbb inkább az, hogy a MOSI csatorna használva sincs, kijelzőből ritkán olvasunk vissza adatot.
Köszi. Én a CD4050-re tippeltem, valószínűleg mindkettő jó. Köszi a linkelt oldalt, hasznos.
Van neki SD kártyája, gondolom amiatt kellhet a MISO láb. Kipróbálom majd feszosztóval próbapanelen, de a végleges áramkörben inkább használnék IC-t.
Hol és mikor nyitnak össze?
Átnéztem e szempontból többször is, de nem találtam problémát, ha csak nem arra érted hogy állapotváltás közben lehet gond. Jól gondolom? H hídnak még utánanézek, kösz!
Fején találtad a szöget! A váltás közben lesz gond!
Ilyen esetekben (félhídnál) szokás beiktatni dead time-ot, vagyis holtidőt. Ez a vezérlő jelben jelenik meg. A hídágrövidzár a félvezetők tönkremenetelét okozhatja.
TDA2005 IC nek még egészséges a 14V tápfesz?Mert az adatlapban csak a min. és a maximum van megadva ami 18V de tipikus tápfesz nincs megadva.
A hozzászólás módosítva: Dec 29, 2016
Igen. Ha esetleg meghal, nem ezért ezért történik majd.
SOS!
Sziasztok! Egy tranzisztort kellene elszigetelnem egy bordáról, de nincsen szigetelő gumim... Mit tehetnék mögé, ami itthon van?
Akkor nyugodtam meghajthatom az erősítőmet a 10V/1.2A-os hálózati trafómról amit Greatz hidas kapcsolással egyenirányítok és 3db 2200µF-os e.kondival pufferelek és ennek a végén kapok a 10V-nak a gyök2-szeresét ami kb.14V lesz.
Attól függ, mi van otthon. Pl. csillámlemez, kerámialapka (ritkán láttam, nem tudom, mennyire jó). A többi anyag nem csak elektromosan, hőtechnikailag is szigetel, gondolom nem ez a cél.
Én is zsírpapírra gondoltam, az a sütőben is megállja a helyét. Egy-kétszer félbehajtom, kilyukasztom, és mehet is!
Tudom, nem szép dolog ilyet csinálni, és elég kontár munka is, de ez van most A hozzászólás módosítva: Dec 29, 2016
Sajnos nincs egyik sem...
Így átmenetileg kellene megoldani valamivel.
Az! Arra gondoltam, csak zsírpapírnak is mondják. Akkor már vágom is mögé!
A hozzászólás módosítva: Dec 29, 2016
Sütőpapír esetleg?
Már töröltem az előző hozzászólásom ![]() Na mindegy is, akkor marad a sütőpapír A hozzászólás módosítva: Dec 29, 2016
Mindegy
Dobok egy képet, ha kész Köszi szépen!
Egyenirányításnál a puffer kondenzátorok száma és kapacitása bármennyi lehet?(Pl.:10db 1000µF-os kondenzátor se túlzás)
Egyáltalán nem szerintem. Gondolj bele, például egy elektromos biciklibe is lehet akár 20-30 Liion cella is. Szóval a végtelenségig növelheted, sorban is, párhuzamosan is.
Ha valamilyen speciális dolog nem indokolja a többet, 1000 - 2200 µF -dal szoktak számolni amperenként. Lehet több is, csak felesleges.
Nem hiszem el,hogy nincs valami más megoldásod az elszigetelésre.Csak van valamilyen panelod,pc táp,TV ,akármi,amiben lehetne találni szigetelőt.
Sajnos nincs...
1db van csak, de nekem 2 kéne sajnos.
TDA 2005 IC-nél mennyire puffereljem a tápot,hogy az erősítőmre rádugott hangszóróban se jelenjen meg annyira hangosan a búgó hang.
Azt érzem,valamit nagyon szeretnél összerakni,hogy lásd a végeredményt,én a helyedben türelmesebb lennék,nem raknám addig össze,amíg nincs meg hozzá minden!Az a tranzisztor egy hajszálra és egy tized másodpercre van a haláltól,de Te tudod.
El ne felejtsd a rögzítőcsavart is szigetelni, ha szükséges.
Azonkívül, ha van otthon hővezető paszta, azza kend be a papír oldalát.
|
Bejelentkezés
Hirdetés |




) Illetve SOIC tokozás is rendelkezésre áll.

Tudom, nem szép dolog ilyet csinálni, és elég kontár munka is, de ez van most
Így átmenetileg kellene megoldani valamivel. 





