Fórum témák
» Több friss téma |
Fórum » Kapcsolóüzemű (PWM) végfok építése
4Ω-os hangsugárzó esetén 40W körüli teljesítményt tud hidalva az IC, ez kb. 18V csúcsértékű feszültséget jelent. Ha jobban meghajtod letiltogat a védelem az ICben.
Tehát ha ezt el akarod kerülni akkor 18...20V tápot válassz. Ugyanakkor valószinüleg kisebb lesz a torzítás ha kicsit nagyobb tápfeszről üzemelteted, viszont csúnyábban figyelmeztet a túlvezérlésre. Nekem 26V-ot ad üresjárásban a tápja és többnyire 8Ω-al használom - így üzemszerüen nem avatkozik be a védelem. 4Ω-al is terheltem 26V-os táp esetén, és jól is működött, de mint írtam ha túlhajtod akkor lekapcsolgat az IC. Amúgy ha jó a nyákterv akkor az IC jól bírja a strapát, üzembiztos, nem szokott kinyiffanni (a biztonség kedvéért én azért raktam rá egy pici hűtőbordát, Bővebben: Link).
Köszi. Akkor egy 19V-os laptoptáp ideális választás lehet, akad egy használaton kívüli.
Sziasztok!
Először is boldog új évet mindenkinek!! Másodszor pedig érdeklődnék, hogy a Bővebben: Link linkben szereplő erősítőről mi a véleményetek?
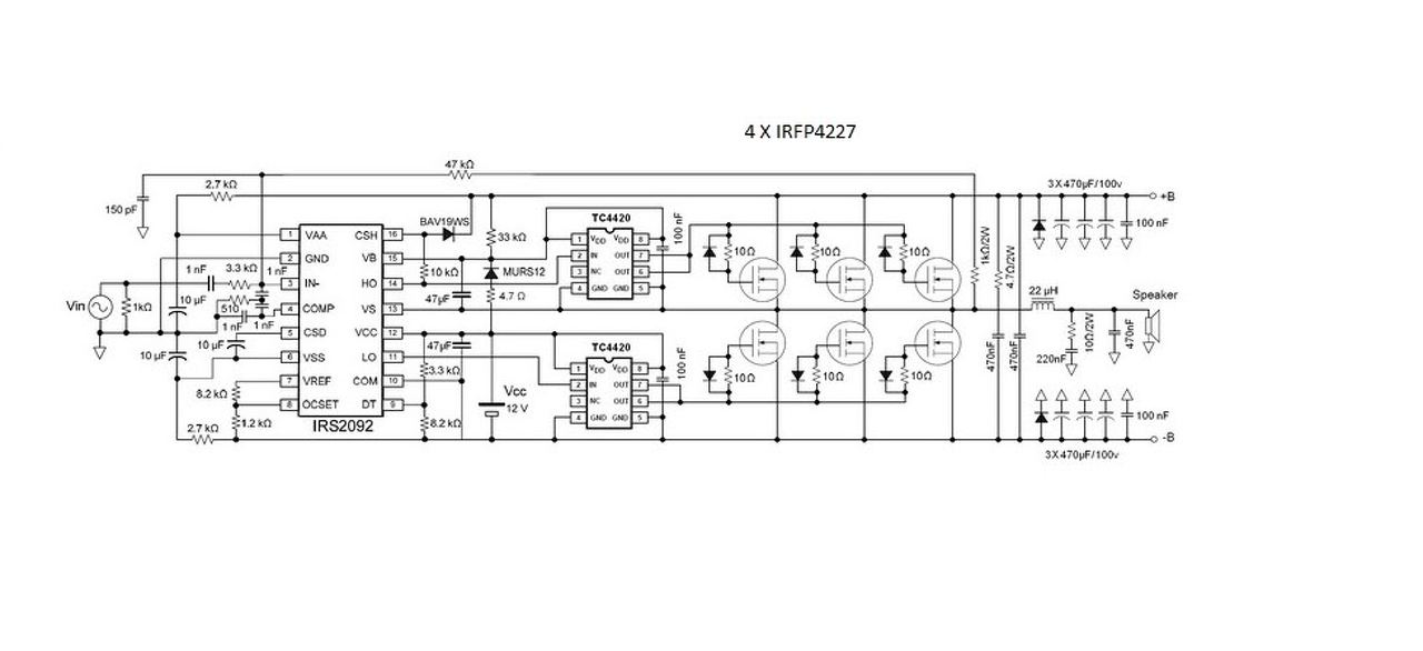
Sziasztok, kedves tapasztaltabb, hozzáértőbb, a témában jártasabb társaimat kérdezném, mennyire találjátok jónak a képen látható megoldást?
Üdv!
Ha így elkészülne pl +-60Vról nagy csatt lenne. Ha +-30Vról menne, akkor meg értelmetlen az a nagy fet bele. Arról nem beszélve, hogy 1nF csatoló kondenzátoron max a magas tartomàny menne valamilyen szinten át. Inkább az alap kapcsolás mint ez. Fet meghajtó nélkül meg 2db IRFB5615 os fettel, gate dióda nélkül. 150pF-os kondi 1kOhm és a visszacsatoló ellenállás közé kell, ezért az 1kOhmnak legalább 2W-os kell és végül 10uFos csatoló kondenzátorral +-30V ig jó.
Köszönöm a válaszodat, inkább a fetmeghajtós megoldás piszkálja a fantáziámat. Annak a lehetőségét kutatom hogy esetleg ezt a megoldást mennire érdemes alkalmazni, persze a megfelelően alapos igazításokkal (bemeneti kondi, ic tápellátás, stb stb...) olyan +-80V 2db modul hídban hajtásával 2 Ohmos terhelésen (zord terhelések mellett a biztonságosabb működés érdekében 1 ohmmal számolva).
Feteknek pl. 3-3db IRFB4227 használnék? Nem sporolnék a fetekkel hogy ha zárlatos lesz a hangszóró vagy hangszórókábel azt is jobban viselje. Van elképzelésed?
Tranzisztoros bikázás segíthet.
De meglehet próbálni a fetmeghajtókat. Jobb esetben 300kHz-et tud majd. Ott is szép hangja van. De lehet olyan jó lesz a kapcsolás, hogy több kHz-re fog beállni. A hozzászólás módosítva: Jan 8, 2017
Magasabb frekire biztos nem áll be mivel minden további fokozat késleltetést ad átvitelnek ami miatt csökkenni fog a frekvencia is.
Szükségem lenne 3 kész erősítő modulra. BTL, SE.
2.1 szett lenne, a BTL-re 2 ohm terhelés jutna. A linkel panelek ránézésre/tapasztalatok alapján megütnek az elfogadható szintet? Ilyen tápegységgel hajthatom őket? A TPA3116D2 adatlapi kapcsolásában össze van kötve a SE és BTL kapcsolású IC a SYNC lábakon keresztül. Ennek mennyire van jelentősége? Erre a projektre sajnos nem tudok sok időt/pénzt szánni, ezért gondolkozom ilyen panelekben. A hangsugárzók sem érdemelnek ettől jobbat szerintem. Közben dolgozom egy igényesebb projekten (TPA3122), amiből egy komolyabb aktív cucc hangsugárzó lesz; de jó munkához idő kell
Sziasztok!
Erről a panelról szeretném kérni a véleményeteket, érdemes összerakni otthoni zenehallgatáshoz? http://www.ebay.com/itm/DC-8-26V-TPA3118-PBTL-Mono-Digital-Amplifie...5XTlJO És van egy kiegészítő cikk is hozzá: http://www.hifivision.com/diy/65258-improving-tpa3118-class-d-ampli...r.html Köszönöm, előre is...
Szia,
Nekem TPA 3116D2-ből a 2x100W-os verzió van meg és teljesen elégedett vagyok vele. Kemény, erőteljes mélyei vannak és csilingelő tiszta magasai. Viszont érdemesebb kapcsoló üzemü táp helyett toroidról hajtani normális szűréssel, vagy ha mégis a kapcs. üzemüről hajtanád érdemes jobb minőségűt beszerezni, mert vannak amelyek durván zajosak. A laptop tápok is jók, csak kevesebb a feszültsége, és ha teljesen kihajtanád kevés lesz hozzá. Annyi hibájuk van hogy alapból zajosak, a kimemeten a szokásos B osztályúakhoz képest alapból sisteregnek. Mondjuk van egy TDA 7294P verzióval szerelt bluetooth-os panelem is, az nem észrevehetően sistereg. Nem tudom miért, talán a kimeneti szűrője jobb.
Sziasztok!
Építettem egy TPA3116D2 erősítőt, kísérletképp, de valami miatt letilt már közepes feletti hangerőnél. Az erősítést potméterrel oldottam meg, próbáltam mind a 4 lehetséges erősítéssel is, kb ugyanott tilt le, a kicsit hangosnál. Nem jövök rá, mi az oka, valakinek van ebben tapasztalata? Készült egy TPA3110D2 is, azzal semmi gond, az csak igen indokolt esetben tilt (amikor már a hangfal épsége a tét). Ott is voltak gondok, de a kimenő szűrőn változtattam és az megoldotta, de itt a TPA3116 esetében nem sikerült, pedig próbálgattam több variációt is a kimenő szűrőkre, az EVM board volt a kiindulási alapom. Először azt hittem a tápellátással van gond, de odaforrasztottam többféle kondit minél közelebb az IC-hez, de nem oldotta meg. Az értékek kiolvashatók a képen. Mivel csak egyoldalas nyákban gondolkodtam, ezért lett így megoldva, hogy egy külön DIP átalakítóra lett ráforrasztva. A hozzászólás módosítva: Jan 17, 2017
Elismerésem a tervezőknek! Ez bizony rendben van. Nem sistereg, nem gerjed, és jó a dampingja. Mintha powersoftot hallana az ember...
A hozzászólás módosítva: Jan 17, 2017
Na jó de ez PKN
nekem is vannak ilyenek, és ráadásul mivel magyar gyártás, jobb a szervíz és én megnéztem 2 félét is belül, piszok jól van megcsinálva müszaki szempontból is Igazi ipari tervezés
Azzal együtt gondolom igazi ipari ára is van.
Én nagyon jó árban vettem a külföldi piaci ára ennek is elég magas, itthon azért olcsóbb, de olcsóbb mint a Powersoft és szerintem legalább olyan jó
Külföldi ára ennek, amit lefotóztam, 1000 font körül. Viszont iszonyú strapabíró, és félelmetes, amit művel. Én nagyon szeretem! PFC, stabil táp, minden. A kimeneten az a két tekercs egy áramváltó?
A hozzászólás módosítva: Jan 18, 2017
Még jó hogy lehet kapni. Biztos jobb mint az a híd amit a cikkben alkottunk, de annak néhány ezer Ft-os költsége van, és azért az se olyan rossz, meg kb. az is tönkretehetetlen. Nem tudom mi lehet a borda alatt, de a trafó mérete nekem gyanúsan kicsi a borda méretéhez képest, mondom ezt úgy, hogy fogalmam sincs hány W-ot tud valójában, pláne szinuszban.
Hogy mik azok a tekercsek azt ennyiből meg nem mondom, de van ott egy fél marék 2W-os ellenállás ami akár sönt is lehet, vagy snubber, vagy ki tudja.
Papírforma szerint, 2x1900 wattot tud 2,6 ohmon, amit ugyan nem mértem, de 3-3 szubládán valami bődületes, amit leművel, szóval szerintem helytálló az állításuk. Egyébként, ennek a székesfehérvári cégnek van ugyan így 1U magas dobozban 40ezer wattos végfokja is, amivel bőven birokra kel a powersoft legkomolyabb erősítőivel is, tehát nem is érzem jogomnak kételkedni bármiben is
Legtöbb fesztiválon is ezeket használják. Annyi a különbség, hogy azokon a nagyokon már digitálisan állíthatóak a limiterek, és minden más. Maga a kimenet halad át a tekercsen a 4 vastag rézvezetéken, és abból állít elő a vékony tekercsen kisáramú jelet, szóval biztos valami érzékelés. Biztos valami túláram érzékeléssel kapcsolatos. Illetve figyeli a kimenetet, és ha négyszögesedik, akkor limitál. A hozzászólás módosítva: Jan 18, 2017
Azért megkérdezem ha lehet szívesen várok pivátban egy választ mégis a hidas verzióból 2 db és hozzá a táp kapcsiüzemben mennyiből jönne ki? mert kellene nekem bővíteni az erősítő parkot
Dobozom van hozzá
Erre így nem tudok válaszolni, pláne ha nem magamnak csinálom, mert akkor nyilván munkadíjat is számolnék hozzá. Az enyém azóta is félkész állapotban van, mert van működő nyák, táp is meg doboz is, csak sosem jutottam el addig hogy összerakjam, pedig egy párat el tudtam volna adni belőle. Csak nekem ez nem akkora üzlet mint a PKN-nek.
Sziasztok! Van egy 300VA 2x24V os trafócskám, és szeretnék 1U ba építeni egy kis backup végfokot, IRS2092 IC vel. Mekkora teljesítményt lehetne kihozni belőle? Arra gondoltam, hogy az IC nem vezérelhetne egy mosfetekből álló H hidat, mintha hidalva működne a végfok, hogy a transzformátor teljesítményét teljesen kihasználja ha kell?
Ilyen alacsony betáp fesznél csak hidalva tudnál valami teljesítményt kicsikarni. A H hidat ha jól tudom motorok szabályozására használják, de azok nem szimmetrikus tápról mennek. Vagyis ha a szabályozást meg is oldod a 2-2 fetnek, nem fog kialakulni nagyobb potenciálkülönbség. Vagyis az "álhíd" megoldás nem nyerő. Kell két végfok, egy fázisfordítás, és kész a híd. A H hídnál egyébként 2 feten át vezet az áram útja? Vagyis dupla veszteség volna?
De mi van akkor, ha aszimmetrikus tápot hoznák létre, és arról használnák egy szimpla végfokot?
Ti miről beszéltek? Asszimetrikus táp hidalt erősítőnek?
Valami olyasmire gondoltam, mint a crown megoldása a macrotech-ekben.
Mi a gond az egytápos hidalással? Autórádióknál csak ilyen van.
Az egytápos egyenlő lenne az asszimetrikussal? Számomra az asszimetrikus azt jelenti, hogy egy ponthoz képest (mondjuk GND) van pozitív irányba mondjuk 20V, de negatívba pedig csak 10V. Ez asszimetrikus. Amiről ők beszélnek az szimpla táp, nem?
Elnézést, akkor nem jól mondtam, egytáposra gondoltam.
Jól mondod, csak rosszul írod. Aszimmetrikus. Olyan, mint a szimmetrikus, csak elé kell tenni egy 'a' betűt.
|
Bejelentkezés
Hirdetés |






De lehet olyan jó lesz a kapcsolás, hogy több kHz-re fog beállni.







