Fórum témák
» Több friss téma |
Fórum » Kapcsolási rajzot keresek
Témaindító: Kallai Csaba, idő: Márc 11, 2006
Témakörök:
A rajz enyhén szólva hiányos.
Kép is jó lenne. De nem értek hozzá
Milyen az a szabályzó?
Régleres (rugós-mechanikus), avagy már félvezetős-tranzisztoros (elektronikus)?
Ezt a gép adattáblájáról "vetettem papírra", ott ennyi volt... a hiányt én is érzékelem, de azért fordultam ide.
A hozzászólás módosítva: Jan 6, 2017
Már elektronikus, egy tirisztor van benne, mint teljesítmény-elem... Az egység ránézésre a csatolt képre hasonlít. Gyártója ZSE PRAHA, MEZ FRENSTÁT, típusa LW1-36T ... Ezzel az egységgel nem lesz baj, mert töviről-hegyire átnéztem, átmértem és minden rendben van.
Fotót most nem tudok készíteni, mert a műhely, ahol a gép van nincs nyitva (egy cég telephelye)... majd az új esztendőben A hozzászólás módosítva: Jan 6, 2017
Például , de a Google a barátod.
Sziasztok véletlenul nincs valakinek kapcsolási rajza. STK470-020a hoz vagy Audio power modul rsn309w44 hez? Elöre is köszönöm ha lene valakinek.
Helo. Ez jó lessz neked. kép.
Amíg nem használsz nagybetűket, nem jelenik meg a hozzászólásod.
FOX PMX-207
Erről kellene nekem szinte bármi infó kapcsolás stb?
Üdvözletem Mindenkinek!
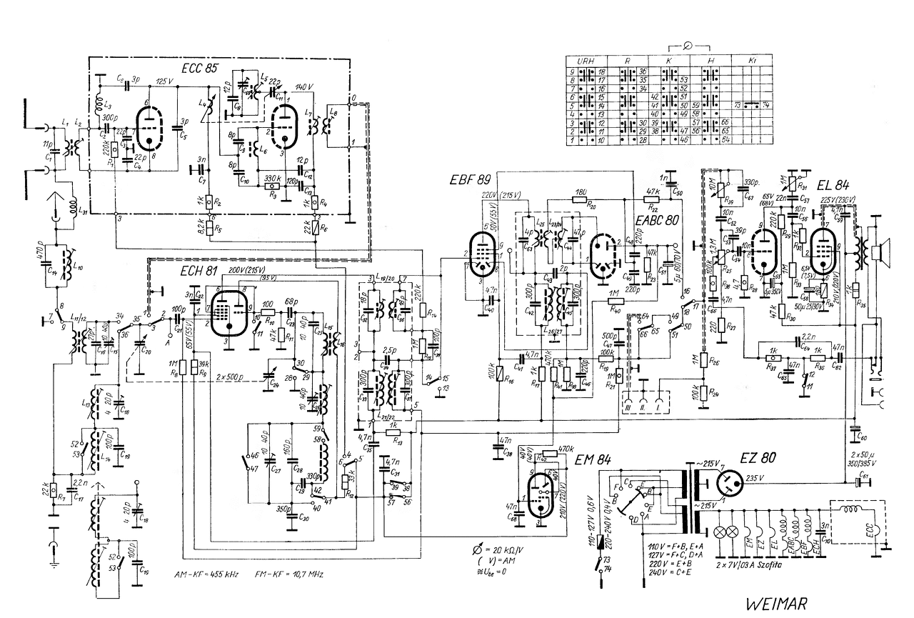
Az alábbi készülék kapcsolási rajzát keresném: WEIMAR 5180 csöves rádió Köszönettel palp
Ezek tényleg jól szóltak - az akkori kor szerény igényeihez mérten.
És miután vagy 2 perc után bemelegedtek a csövek. És csak úgy döngött ki belőle a 2 - 2,5 W. Ma meg - egy gyufásdobozban simán kijönne az egész .... a hangszórót kivéve .... A hozzászólás módosítva: Jan 14, 2017
Köszönöm a segítséget. Kísérletezési szándékkal egy mélyládát hajtanék vele némi átalakítás után a kíváncsiságtól vezérelve (lehet, hogy a retrobarátok ezért megköveznek
). Még egyszer köszi.palp A hozzászólás módosítva: Jan 14, 2017
Közép és hosszúhullám együtt lenyomva = külső bemenet. Nem kell alakítani semmit...
Üdvözletem mindenkinek!
Keresem sankyo src 2020 rádiós erősítő kapcsolási rajzát. A net-en nem találtam semmit. Köszönöm a segítséget.
Mindig mindenütt azt hallani - /s egyesek még azt is hangoztatják hozzá/ -
"a google a barátod". Aztán - bárhol bármit keresgél is az ember, ott soha semmit sem lehet megtalálni. Hát nem érdekes az ilyen állítólagos "barát"....? Én például egy Philips (Made in Malaysia) MMS250/00 tipusú szett SUB erősítőjének kapcsolási rajzát szerettem volna. ... Persze - sehol semmi! A Philips márkaszervízben (Bp. XI. Karinthy Frigyes út 15) azt mondták - "ez kérem egy tipikusan eldobhatós márka, azaz - még ők maguk sem javítják, így aztán nem tartanak róla semmiféle dokumentációt." A Philips cég magyarországi képviseletétől pedig azt a kedves levelet kaptam, hogy ez a dokumentáció náluk titkos adat, ezért nem tudnak róla részemre semmit se küldeni. Hmmm. Holott - én csak egy simán mezei basszus-erősítő kapcsolási rajzát szerettem volna megkapni, s nem valami szupertitkos katonai műhold teljes elektronikai dokumentációját! Sajnos ez van! A XXI. században - egyszerűen sehol semmi!
Ha mindent megjavítunk, bezárhat a gyár...
Tényleg nem űrtechnika: a benne lévő IC-k adatlapjaiból kiindulva meglesznek a Be/Kimenetek és tudsz mérni, ha nagyon kell, akkor visszarajzolni. Lengyel barátunknál is megdöglött egy, ő le is fényképezte.
Köszi a jószándékú hozzászólást, de sajnos ennek semmi köze a kérésemhez
. Ez egy kiválasztási segédlet új generátor/aggregátor vételéhez.Mellesleg "érdeklődtem a barátomnál" és nem jártam eredménnyel .
Érdekesség, de mintha ezeket mind én fotóztam volna.
Nem hiszem el, hogy ugyanolyan beállításokban sikerült volna neki is. Na mindegy! A lényege, hogy egy nyákról kapcsolásit visszarajzolni - elég macerás. Ám attól valójában még sohasem derül ki, a gyakorlatban milyen (ellenállás értékű - és persze milyenségű - lin vagy log) potméterek szabályozzák a hangerőt, és a frekvenciavágást benne! Ugyanis pont az a potméterem nincs meg ... a hozzá való vezetékkel, amivel a megfelelő tüskékre rácsatlakozna - az alaplap sorkapcsán ...
Kiderül a körülötte lévő alkatrészek értékéből...
Hangerőnek tegyél 47k log, a vágáshoz 47k lin potit, ezekkel menni fog. Ha a vágásnál azt tapasztalod, hogy a max ellenállásnál tovább kellene tekerni, akkor 100k kell, ennél nagyobb - félvezetős készülékekben - igen ritka.
Szia!
Nem látszik olyan bonyolultnak , hogy ne lehetne visszarajzolni, inkább idő és türelem kérdése. Másrészt nem kell a teljes panelt, elég ha a fontosabb részekkel kezded, pl a hátoldalon lévő IC-vel és környékével. Általában minden IC-hez találsz kapcsolást a neten, ez megkönnyiti a vissza rajzolást.Ha visszarajzoltad az IC környékét, megnézed kap e tápfeszültséget, ha nem akkor abban az irányban kell keresni a hibát. Például a az IC-+ lábihoz milyen úton jut el a tápfeszültség, kis értékü, ellenállás, dióda, stb nem hibás e.Ha kap tápfeszültséget mész tovább van e bemenő jel, van e kimeneti jel stb. Ha minden rendben van az IC-nél akkor mész tovább ami az IC-után van, pl végtranzisztorok, emitter ellenállások stb.jók e. Tehát a lényeg a nyák visszarajzolását részegységenként kell megtenni, és azzal kezdeni, ahol a legvalószinübb a hiba, aztán utána összekapcsolhatod őket. Sok mindent visszarajzoltam már, pedig csak hobbista vagyok, nincs semmi ilyen írányu végzettségem, egy biztos tényleg sok idő kell hozzá, és türelem.Több oldalas nyákkal viszont nem érdemes foglalkozni az felejtős.
Valójában a végén mondtad meg a lényeget!
A kétoldalas nyák - felejtős. Ennek a cuccnak is - az egyik oldala a gyakorlatban hagyományosan beültetett, ámde a másik oldala - pl. az LM324 IC és környezete - az simán felület-szerelt. (vagyis - SMD) A hangerőpotméternek az erősítőbe bemenő lábát már sikerült kikapisgálnom, tehát a cucc onnantól fogva működik. Csak hát - az a frekvenciavágós, mélykiemelős előrészlet a teljesen ismeretlen számomra. SMD-knél mindig megvan a gyártóknak az a rém hülye szokása , hogy míg az ellenállásokon rajta van az ellenállás érték, a kondiknál már nem igazán. (nem mintha nagy jelentősége lenne a néhány nF-os hidegítőknek, vagy rezgőkörösöknek)
Kollegák,
szükségem lenne egy Grundig TK 245 de luxe service manual-ra, ha esetleg valaki prezentálni tudná. Előre is köszönet.
Tessék.Ennyi fér ide, PÜ-ben adj mailt.
A hozzászólás módosítva: Jan 26, 2017
Sziasztok. Áramköri rajzot keresek. Akkumlátorhoz kellene,ami relét tudna müködtetni, 11v nál elengedne a relé,13v nál ujra behuzná. Elöre is köszönöm.
Sziasztok!
Kapcsolási rajzot keresek egy kapcsoló üzemű tápegységhez,pontosabban a 2006-os late 24" imac-nek a tápja lenne (a1200)! SADP-220AFB 614-0387 8pin-es csatlakozón adja le a +12,1v 10,3A illetve a +24v 4A,nekem az is elég lenne ha tudnám melyik pinen melyik megy és akkor fabrikálnék neki valamit! Előre is köszönöm!
Hello! Megrajzoltam, de nem fordítva szeretnéd? Hogy 13V-nál engedje el, és 11-nél húzzon?
De ha még is, akkor csak a relét (és a diódát) kell áttenni a 12V és a kimenet közé.. |
Bejelentkezés
Hirdetés |













. Ez egy kiválasztási segédlet új generátor/aggregátor vételéhez.









