Fórum témák
» Több friss téma |
Fórum » Digitális hangerőszabályzás (potméter)
Témaindító: Abrakadabra, idő: Dec 16, 2005
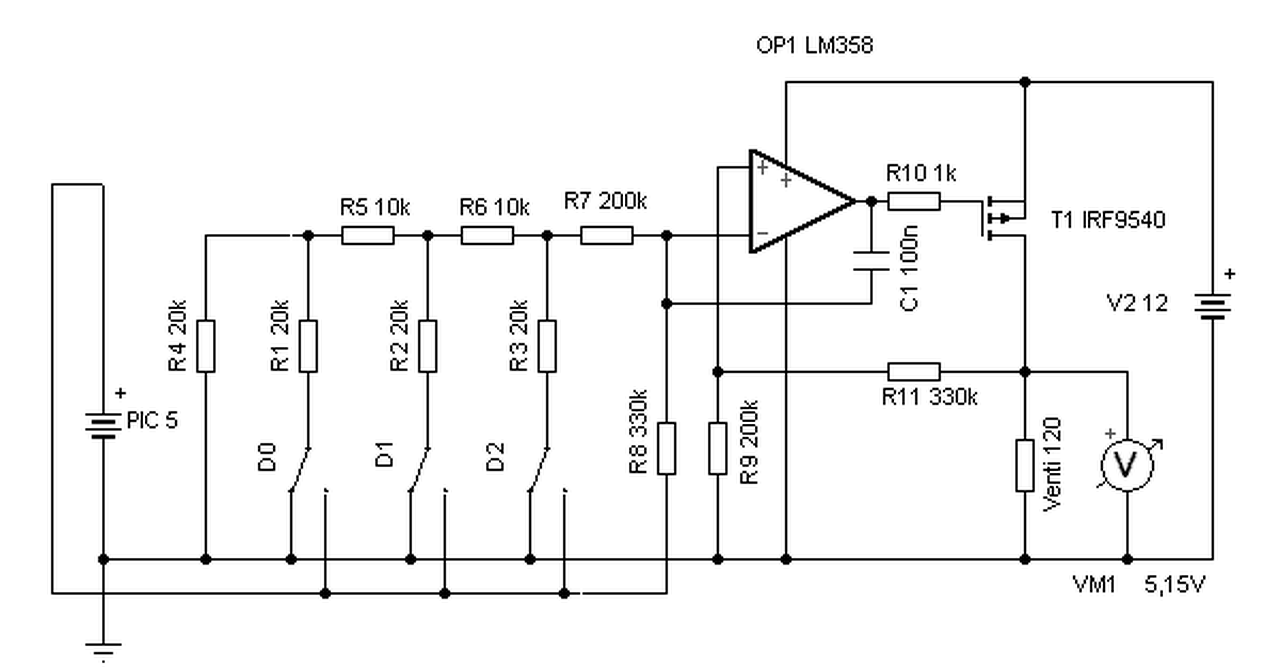
Az lenne az elképzelés hogy a RD kimenetekkel vezérelve 8 feszűltség értéket tudjak kiválasztani nyomógombos léptetéssel.
5V-12V-ig. Ventilátort szabályozni. Iskolai projekthez kell, egyébként megoldanám egyszerűbben
A nyolc lépcsőt 3 bittel meg lehet oldani a következő módon. Ha analóg és nem PWM..)
(A kapcsolók, csak szimulálják a PIC Dporta kimeneteit.)
Sziasztok.
Lenne egy problémám. DS1668 digitális potméterrel akarok hangerőt szábalyozni és kéne hozzá egy hangerő kijelző rajz ami kkét db hét szegmentes kijelzővel mutatná a hang erőt. persze nyomógombok adnák a jelet az IC nek és a kijelző vezérlővelnek is. Ehhez keresek rajzot de nem találok.
Sziasztok!
A keverőmben szeretném lecserélni az elöregedett potikat, de nem tudom, hogy mi a különbség az a50k és w50k között. (Az 50k-t még értem)
Kb 2500ft a full hex ha jól értem? Én szívesen beszélnék a vásárlásba.
Jómagam is kifizetném, ha lenne valaki, aki meg tudná írni oroszul a fickónak az e-mail-t!
A srác címe: ntv1978@mail.ru
De ha még kérdés van, akkor szigorúan privátban, mert előbb-utóbb kapunk a modiktól!!!
Üdv. lajos1969
A hozzászólás módosítva: Jan 17, 2016
Megvan a működő hex!
![]() Beszélgettem egy kicsit a szerzővel, oroszul!?
Töltsétek le amíg lehet!
Sziasztok!
Én is építettem egy áramkört a TDA7439DS IC-vel. Kicsit csalódott vagyok, mert ha az input gain, és a speaker attenuatorok a legkisebb csillapítás értékekre vannak beállítva, és a volume a felső harmadban van - akkor az I2C vezérlésből adódó kattanások már belehallatszanak a kimenetbe. Természetesen ilyenkor már hallható az IC zaja is, erősödik a sistergés, de az nem olyan zavaró, mint a kattanások. A panelt igyekeztem úgy tervezni, hogy a digitális részt a lehető legjobban elkülönítsem az analóg résztől: kb. 3 cm vezetékezés után egy csatlakozóval el is viszem a 3 vezetéket a panelról. A táp is el van különítve: a panelra tettem egy TS1117-et, a mikrokontrollernek a másik panelon szintén van egy fesz.szabályzója. A táp felőli zavart ki is zárnám, mert ha lehúzom az I2C vezetékeket a panelről, akkor a kattanás megszűnik (bár maga a kommunikáció is rövidül, mivel az ACK hiánya miatt ilyenkor leáll a további byte-ok küldése). Már csak valamilyen áthallás jellegű zavarra tudok gondolni, de nem tudom, hogy hogyan lehetne ezt kivédeni. (majd felteszem a NYÁK képét is, most éppen nincs nálam) Üdv, Tamás
Itt a TDA7439DS áramköröm NYÁK-ja. Nem látszik minden alkatrész, de a lényeg kivehető. A NYÁK kétoldalas, a másik oldal teliföld, az analóg GND-re van kötve. Közben rájöttem, hogy az I2C vezetékek alatt is meghagytam a GND-t. Jobb lett volna, ha oda digitális GND-t tervezek. (a két GND nincs a panelon összekötve, azok a táppanelen találkoznak)
Szóval a kérdés, hogy mit kellene másképp csinálnom, hogy ne halljam a kattanásokat a kimeneten.
Az I2C 100KHz-en megy, ezt nem hallhatod, maximum az adás kezdetét, végét.
A 20-as DIG+GND lábnak nem kellene bekötve lennie? A 25-ös láb hogyan kapcsolódik a GND-re? Hidegítő kondenzátorok hol vannak? Egyet már találtam. Értékekkel jobb lett volna a nyákterv. A hozzászólás módosítva: Máj 9, 2016
Jogos, értékekkel jobb lett volna...de az értékek csak a fejemben vannak, mert lusta vagyok begépelni
. Egyébként többnyire az alapkapcsolást valósítottam meg a kimeneten megfejelve egy műveleti erősítővel ( no meg egy jelszint kimenet az automatikus hangerő szabályozáshoz). A hidegítők ott vannak mindhárom IC közelében, 100nF az értékük.A 20-as lábat a tápnál gondoltam összekötni a GND-vel. A 25-ös csatlakozik a földhöz, csak az IC rajza eltakarja. Nagyobb képet raktam fel, csak szerintem a fórummotor lekicsinyíti. A normál I2C órajelének 100kHz a felső határa, de lehet ettől lassabb is. Az adatvezeték pedig mondjuk, amikor a 0. regiszterbe írok, akkor csupa nullát ad ki, a byte elején és végén felfut 1-be, tehát ez mondjuk 1/8 órajel frekvencia. Ez ugye már hallható. Gondolkodtam, hogy begyorsítom a kommunikációt, hátha csökken a zaj. Korábban megnöveltem az időzítéseket, mert először nem akart a kommunikáció működni, és ez volt az első ötletem. Végül rájöttem, hogy az STM32 3,3 voltos feszültsége kevés a TDA IC-nek. 5 volttal szépen működik.
Tényleg igazad van. Az I2C órajelét megnöveltem 300 kHz-re, még mindig hallom a kattanásokat. Ez már gyanús volt.
Ekkor megváltoztattam a parancsokat a mikrokontrollerben, hogy ne növelje állandóan a hangerőt, hanem mindig ugyanazt a hangerő értéket küldje ki. A kattanások megszűntek. ![]() Most így még rosszabb a helyzet, mert ez azt jelenti, hogy a TDA7439 a volume változtatásainál kiad egy kis kattanó hangot és ezt el sem lehet tüntetni. Ez azért rossz, mert automatikus hangerő-szabályzásra szeretném használni az IC-t, de így a folyamatosan ismétlődő kattanások belerondítanak a hangba.
Szia!
Ha tudod mintavételezni a hangot a mikorvezérlővel, akkor meg kell próbálni összehozni azt, hogy a hang nullátmeneténél (vagy ahhoz közel) csinálj hangerő módosítást. Így nem lesz a jelben nagy "lépcső". Úgy értem egy adott pillanatban 300mV-on áll a jel, csinálsz egy hangerő csökkentést, abból hirtelen lesz 250mV. Ez elég nagy koppanást eredményez. De ugyan ez a manőver 3mV -> 2.5mV esetében alig hallható koppanást adna. Jó lenne tudni, hogy a TDA7439 a parancs megkapása után mikor állítja át a hangerőt. Ha nincs ilyen adat, akkor első körben a parancs végén az ACK kiadását próbálnám meg késleltetni addig a pontig, amíg a hang jel közel nem ér nullátmenethez.
Értem, hogy mire gondolsz, de
1. Az I2C kommunikáció hardveres, nehéz lenne összeszinkronizálni a parancs végét a nullátmenetekkel. 2. Egy valamirevaló hangerőszabályzó IC ezt magának oldja meg külső beavatkozás nélkül, pl. PGA4311. (Igen, itt már bennem is felvetődik, hogy rossz IC-t választottam) Ezek mellett nem vagyok biztos benne, hogy a kattanások ebből adódnak. Egyfelől, amikor a hangerő változtatása csupán egy lépés (1dB), akkor is hangos a kattanás. Másrészt a bemeneten nincs jel, nincs ami lépcsőt okozzon (csupán az IC zaja hallható, de az a fülemnek halkabb). Ha elég sok időm lesz, megnézem szkópon.
Sziasztok!
A feladat: A/D bemenetre változtatható ellenállás bekötése. Az A/D a bemenetén lehetőleg csak egy ohmikus ellenállást kell lásson, mintha egy szimpla ellenállás lenne rákötve. A probléma: 80 A/D csatorna készülékenként, összesen 20 darab készülékben. Tehát 1600-szor kell legyártani a kapcsolást, így okos megoldás szükséges, hogy minél alacsonyabb legyen a szükséges alkatrészek darabszáma. Jelenlegi terv szerint a változtatható ellenállás így valósul meg: 12 darab ellenállásból összeállított soros létrahálózat multiplexerrel kapcsolva, SPI-on vezérelve. Könnyen kiszámolható, hogy így több mint 20.000 alkatrészre van szükség ([12+1]*80*20), ami túl sok lehetséges hibaforrással járna. Nem is beszélve a felépítéshez szükséges időről, költségről. A soros létrahálózat-multiplexer verzió helyett felmerült digitális poti használatának ötlete, amivel akár 13-adára csökkenthető a komponensek száma. Digitális potikkal viszont nincs tapasztalatom, ebben kérnék segítséget, hogy milyen típusokat keressek, ha az alábbiak a követelmények: - legyen független az ellenállásoldal az IC többi blokkjához képest (tehát fekete doboznak tekintve, az ellenállás lábakra mérve minél inkább egy közönséges ellenállásként működjön, például legyen független a kimenet az IC tápjától) - legyen programozható/vezérelhető (80 csatornát kell egy egységként kezelni) - nagyjából 100Ohm-500kOhm közötti tartományban, nagyjából 100Ohm-os lépésközzel kell beállítani tudni az ellenállást.
Sziasztok!
Úton egy ilyen: RDA5807M Egy pici hangszóró lenne rajta. Igaz nem fejhallgató, hanem egy ilyen: VS-K28WP-8 Nem tudom ehhez kell -e már valami erősítő fokozat? A másik kérdésem, hogy lesz ilyen mp3 lejátszó modul: DFPlayer mini. Most még ez van:MP3 WAV Audio Voice Playback Module support TF card for Arduino ezzel ezt a hangszórót meg tudom rendesen hajtani, mert a célom, hogy egy jelmeznek legyen hangja... Azt szeretném összehozni, hogy mindketten ugyanazon az egy hangszórón tudjanak menni. Mivel oldhatom meg, hogy pl. arduinoval ha meg akarom szólítani a DFPlayer mini-t, akkor előtte le tudjam venni a rádió hangját, majd vissza. Ezt valami I2C-vel vagy valamivel vezérelhető dologgal meg tudom csinálni? Ha igen, akkor mivel. Köszi.
I: 32Ω load high power audio output,headphone connections are direct,no external audio driver amplifier.
Sziasztok!
Van egy Marantz sr7200-om, és a pótmétere normál mozdulatú vagy ennél gyorsabb lehalkításkor a hangerő emelkedik, ha óvatos vagyok a tekeréssel akkor ok, csökken a hangerő. Távírányítóval jól működik. Mi lehet a gond vele? A hozzászólás módosítva: Jan 13, 2017
A királynét megölni nem kell félnetek jó lesz ha mindenki egyetért én nem ellenzem.
Szia!
Encodert szedd szét, tisztítsd ki, jó lesz.
Ha nincs nagybetűs mondatkezdés, nincs hozzászólás sem!
|
Bejelentkezés
Hirdetés |








. Egyébként többnyire az alapkapcsolást valósítottam meg a kimeneten megfejelve egy műveleti erősítővel ( no meg egy jelszint kimenet az automatikus hangerő szabályozáshoz). A hidegítők ott vannak mindhárom IC közelében, 100nF az értékük.




