Fórum témák
» Több friss téma |
Köszönöm! Kellene még mellé +-5V is (100-200mA). Ezt érdemes külön, vagy mehet ugyanarról a (flyback) trafóról?
Amiről most beszélünk az boost konverter, nincs benne trafó.
Akkor félreértés van. Nekem +/- 100V és +/-5V kellene, azt meg tudtommal leginkább flyback módban lehet csinálni. Boost esetében (1-2 nyakatekert megoldástól eltekintve) nem láttam multi outputot.
Te milyen kapcsolásra gondoltál?
Sikerült módosítani a konvertert, most már sepic üzemmódban van. Alap értékként 11.6V-nál kisebb feszültséget nem tud kiadni a kimenetén, de ez is könnyen módosítható. Ahogy végigmértem az IC-t, kiderült, hogy a 8-as lábára jut a söntön eső feszültség, a 7-esre pedig a maximális áramnál a söntön eső feszültséget kell adni, tehát pl. 127mV-ot, ekkor a két párhuzamosan kapcsolt 0R05-ön (=0R025) 5.08A folyik. Van egy kis szórás, de 4.7-4.8A kijön maximálisan. A feszültség szabályzás pedig a 9-es lábra van visszavezetve, a 10-esre pedig a referencia feszültséget kell adni. Ez alapból 10k-n (R6) keresztül jön az 5-ös és 6-os lábról (a kettő össze van kötve), ahonnan 4.88V mérhető. Így a 10-es lábon is ez a feszültség lesz. Innen egy 10k-t a GND-re kötve kapásból 2.44V lesz a referencia feszültség, így eddig már le tud szabályozni a táp. A pin 1 és 2 hajtja a FET drivert 47 ohm-on keresztül, azok pedig 4R7-en át a FET-et. 4 lábról nem tudok nyilatkozni, van benne kompenzáció, az tuti, másik 3 rejtély. VCC 16-os, 3-as, 4-es láb, GND 15-ös. Plusz van még bent egy további fordított polaritás védelem a bemenettel párhuzamos diódán kívül
![]() Érdekes volt átméregetni egy olyan nyákot, ahol a vezetősávok egyáltalán nem látszódnak. szerk: Ez egy TL494! Atyaég. Fordítva néztem az IC-t, még az irány is le van csiszolva. Ezt is jó tudni. A hozzászólás módosítva: Nov 27, 2016
A flyback-et felejtsd el, hálózati feszről lefele szokás a záróüzemet használni. Már az elején le akartam írni hogy én push pull-al oldanám meg, egy 494 vagy akármi, meg a két szekunder tekercs középmegcsapolással. Megfelelő menetszám áttétellel mindkét értéket stabilan is tudja tartani, lásd PC táp. Ez ugyanaz, csak nem 230V-ról hanem 12 vagy 24V-ról.
Ez a TL494 + PP megoldás szimpatikus, ráadásul a leírások szerint is ez a topológia a leginkább alkalmas ehhez az alkalmazáshoz.
Köszönöm az ajánlást!
Sziasztok
Össze kötöttem párhuzamosan 2db kínai Stepup -ot. Bemenő fesz. 12-14V, kimenő fesz. 19V pontosan beállítva mindkettőn. Laptopot táplálok autóban. Az egyik érezhetően termel valamennyi hőt, a másik viszont teljesen hideg marad. Azt kérdezném tőletek,hogy mi okozhatja ezt? Mérjek áramerősséget mindkettő kimenetén külön-külön?
Talán alkatrész szórásból adódóan amelyík jobban melegszik az viszi át a nagyobb teljesítményt, de ez csak az én véleményem.
Lehet jobban járnál, ha egyszerre mérnél áramerősséget, és az alapján állítanád be a kimeneti áramot egyenlő értékre, feltéve ha két egyforma step up -ról van szó... A hozzászólás módosítva: Nov 28, 2016
Ahhoz, hogy egyenlően oszoljon el a terhelés a kettőn ahhoz vagy halálpontosan egyenlő feszültségűnek kell lennie a kimenetnek vagy mindegyik áramgenerátoros üzemben kell üzemeljen. Mivel az utóbbi nem valószínű és az előbbi is csak igen nehezen így azt mondanám hiába állítod be multiméterrel az egyenlő feszt ez nem elegendő mivel a kimeneti impedancia a visszacsatolás miatt annyira alacsony hogy mV-os eltérés is már érezhető különbséget jelent a két panel közt teljstmény megoszlást tekintve.
Nem ismerem a terhelő áramot de azt javaslom rakj mindegyik kimenetre egy soros ellenállást amin majd kb 100-200mV essen és úgy közösítsd. Azt majd valamennyire eqalizálja a teljesítményt. A hozzászólás módosítva: Nov 28, 2016
Az okozza ezt, hgy az egyiknek magasabb a feszültsége, ezért a másik mindíg a komparálási szinten felül van, így nem csinál semmit. Ezeket nem lehet csak úgy párhuzamosan kötni.
Köszönöm a kifejtő válaszod!
A teljes terhelő áram 3-5A közötti. Kipróbálom majd soros ellenállásokkal.
Értem.
Idézet: „Ezeket nem lehet csak úgy párhuzamosan kötni.” Neked milyen ötleted lenne az összekötésükre?
Akkor 1-1 kb 40mOhm ellenállás elegendő lesz.
Semmilyen, egyszerű IC-ét szoktam megfejelni valami alacsony ellenállású MOSFET-el, alaposan meghűtve és azt lehet terhelni.
Sziasztok! Adva van egy Texas LMR14206-os DC-DC konverter. EMC vizsgálaton nagyon csúnyán látszott az 1,5MHz körüli működési frekvencia. De ami a legmeglepőbb, "előállít" egy 230MHz-es zavart is jó nagy jelszinttel. Mivel lehetne ezt jól szűrni? Ki mit használ? Találkoztatok már ilyennel? A gond az, hogy az EN 55022 Class B tűrésbe nem tud beleférni - és meg kell oldani valahogy. Van erre gyakorlat, ötlet? Csak a szűrés része érdekelne. Induktivitás? RC tag?
Van benne trafó is, vagy galvanikus (step up-down) megoldás? Előbbinél össze kell kötni a primer-szekundert (Y kondi) hogy a zavaráram tudjon hova elfolyni. Utóbbinál LC szűrés, illetve a nagyon nagy frekin megjelenő zavar valami parazita szerelésből adódó rezgés ami nincs csillapítva (rossz maga a nyákterv).
Szia! A gyári mintakapcsolás lett megépítve (9. oldal 5V-os táp) kiegészítve a Texas számolótáblájával.Csak soros induktivitás van benne, trafó nincs. Arra gyanakodtam, hogy mivel nem árnyékolt a tekercs - talán az szórja meg az étert. A nyákterv maga nem egyszerű, mert két panel van 2x8pines hosszú lábakon összetolva. A két panel szétválasztható, ezért külön is megmértük. Ha csak a táp üzemelt magában - és egy fia terhelést sem tettünk rá (le lehet választani egy forrasztható jumperrel) , akkor is ugyanazt mértük, azaz 230MHz környékén csúnyán szórt. Pontosabban 225MHz-től 235 MHz-ig kb. Ugye ez azért érdekes, mert az adatlap szerint még csak messze nem is ebben a tartományban dolgozik, hanem jóval alatta - kb 1,5MHz-en. Step down egyébként 24V-ból állít elő 5V-ot. A 24V-ot labortápról adtuk neki. A labortáp tiszta volt. (régi Fok-Gyem áteresztő tranzisztoros dupla táp)
Erre a célra inkább egy 555-ös kapcsolást építettem volna 50-150kHz környékére. Az az 1,5MHz nagyon sok, nem tudom milyen diódát tettél bele, de szerintem azon a frekin az már inkább kapacitás mint dióda, a sima gyorsdióda talán nem is jó már arra a frekire. Ez mondjuk meg is magyarázná a dolgot. Biztos szór a tekercs is, de annak nem lenne szerintem akkora hatása. A Vin láb és a gnd közé közvetlenül tennék valami hidegítő kondit, olyan 100pF-1nF nagyságrendben.
Meg amit még kipróbálhatsz hogy egy RC taggal átblokkolod a diódát, bár azon a frekin már lehet hogy az sem segít. És ugye a D1-L1-Cout tagoknak a lehető legkisebb hurkot kell alkotni, konkrétan közvetlenül egymás tövében kell lenniük, ennek az egésznek meg a lehető legközelebb az SW lábhoz. Már 2-300kHz-re se kutyafüle egy nyákot megcsinálni, ez meg egy nagyságrenddel több. Azt majd elfelejtettem hogy ha nincs az IC lába közvetlenül a tövében szűrve és hidegítve, akkor labortápról nem is érdemes kipróbálni mert olyan anomáliákat fog csinálni hogy ihaj. A hozzászólás módosítva: Dec 2, 2016
Szia! Hely oka volt, hogy ez a megoldás került bele. Köszönöm a javaslatokat. Kedden kiderül, hogyan jutunk előrébb.
Nem olyan régen kereste(te)k itt olyan step down vezérlőt, aminek magas a bemenő feszültsége.
Mivel épp elektromos kerékpár építésben vagyok, rendeltem kínából egy ilyen modult a lámpákhoz. Ennek 84V a bemenő feszültsége, úgyhogy gondoltam bedobom közösbe a képeket róla, ha valakinek van kedve utánrajzolhatja. Elvileg van 96V -os verzió is, (bár lehet az is ugyanez)... Felül a bal oldali TO220 -as tok egy FET, a jobb oldali trafó feletti pedig egy kettősdióda. Azért az ne kérjétek, hogy a trafót szedjem szét és számoljam meg az áttételt mert nem fogom. ![]() Inkább megosztom a linket ahonnan rendeltem: DC-DC step down... Sajna még kipróbálni nem tudtam, mert nincs kész az akkucsomagom, így nincs nagyobb feszültségem se. A hozzászólás módosítva: Dec 29, 2016
Vannak tápok 110VAC-ra is, azok simán mennek 80-90V-tól már, nem muszáj speciális tápot keresni. Ilyen alacsony bemenő feszültség talán még belefér a tűrésbe, de egy teszttel ez kiderül biztosra.
Standardnak mondható a 86-265V átfogású AC bemenetű tápegység. Ezek DC-n is használhatóak, mivel eleve egy Graetz és egy puffer van a bemenetükön.
Csak azt nem értem, akkor ezeket miért nem annak írtátok, aki ilyet keresett...
Üdv. mindenkinek!
MC34063-mat szeretnék boost módban használni. Egyelőre csak az itt talált LTSpice modellel játszom. A gondom/kérdésem magának az IC-nek a működéséhez kötődik, függetlenül a használatától. Mellékeltem a kapcsolást a szimulált jelalakokkal. (Tudom, hogy a 9uH túl kicsi lenne, de még csak próbálgatok.) Felülről lefelé: 1.: a terhelés árama 2.: visszacsatolt feszültség 3.: árammérő ellenállás feszültsége 4.: Ct kondenzátor feszültsége 5.: a diódaáram és a kapcsolóáram egyszerre ábrázolva 6.: a tekercs árama 7.: kimeneti feszültség (névlegesen 5V). Ha jól értem az adatlapot, akkor ha a kimenet a beállított érték alá süllyed, akkor a Ct töltődési fázisa alatt az IC "bekapcsolná" a tranzisztort. A 920-D application note 4. ábrája alapján ilyenkor akkor is kapcsolnia kellene, ha a Ct már töltődés közben van, nem csak akkor, ha már kisült, és újra elkezd töltődni, magyarul részleges bekapcsolási ciklus is lehetne. A mellékelt képen viszont nem ez történik. 60us után jól látható, hogy elérve az 5V-ot, a következő Ct töltődés alatt nem kapcsol, ez eddig rendben van. Viszont a második töltődéskor még a töltődés vége előtt nyilvánvalóan 5V alá csökken, mégsem kapcsol be. Először azt gondoltam, hogy rossz a szimulációs modell, viszont találtam egy valós - nem szimulált - esetet: Bővebben: Link és Bővebben: Link (a kettő ugyanaz) Csak gyanítom, hogy az én gondom ezzel megegyező, főleg azért, mert más paraméterekkel egész hasonlóan nézett ki a szimulált kimenetem is. Külső tranzisztor nélkül az alapkapcsolása is ezt csinálja. Megfigyeltem még azt, hogy ha véletlenül olyan terhelést sikerül beállítani, hogy pont a Ct kisülése alatt csökkenjen 5V alá a kimenet, akkor egész szép a jelalak, nincs benne ez a kisfrekvenciás hullámzás. Ezen kívül az is érdekes, hogy a Ct feszültsége 0,4V és 2V között ingadozik, pedig 0,75V és 1,25V kellene neki. Tudja valaki, hogy mitől vannak ezek? Köszönöm szépen! A hozzászólás módosítva: Jan 15, 2017
Sziasztok
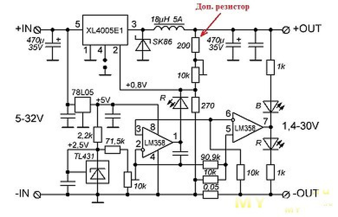
Szeretnék segítséget kérni. A mellékletben látható konverterem van, rövidre zártam a kimenetet, azóta a kijelzőn 0.16 Volt van. Szabályozni nem tudom sem a feszt sem az áramot. Az nyákon nem xl4005 van hanem xl4015e1 de ahogy nézem a kapcsolás ugyan az. Mit tettem tönkre? A hozzászólás módosítva: Jan 17, 2017
A +In és a +Out között csak a tekercs és az XL IC van, tehát e kettő közül lesz rossz valamelyik.
Bővebben: Link.
Esetleg az LM358 tiltásban tartja a vezérlő IC-t.
Vagy még inkább az R9 szakadása, mert az előbb nem vettem észre a jelenlétét.
A charged led folyamatosan világít.
A tekercs és az ellenállás is jó, vagyis az IC purcant ki. Hol lehet ilyet beszerezni, mert a nagykereskedők oldalán nem találtam? Esetleg nektek van egy fiókban porosodó példány? Köszi a segítséget |
Bejelentkezés
Hirdetés |























