| Fórum témák 
 
 » Több friss téma | Fórum » Csöves erősítő készítése Ne feledd betartani a fórum viselkedési szabályait, és a topik megmaradásának feltételeit. [link] A téma átmenetileg fagyasztva lett, hozzászólni nem tudsz! 
				Elboltoltam CHZ-vel mert nem volt jól megtekerve. A mostaniak már jól vannak megcsinálva.						 
				130 v-ról akkor nem adja le az összes teljesítményt de ha ez elég akkor jó    
				Munka után mire hazaérek bezár a lapszabászat. De be kéne dobozolni tudom. Meg egyenlöre csak ez az egy tápom van ezzel próbálok minden kísérleti kapcsolást.						 
				Köszi! A dobozolás lesz legnehezebb.						 
				Egy cső kimeneti ellenállása A osztályban a rajta eső fesz és anódáram hányadosa vagy ennél bonyolultabb a helyzet?						 
				Ez a 96-os RT ÉK-ben volt igaz? Olvstad hogy jártam a másik kimenővel?						 
				Igen, az, amit mondtál, hogy rakjak be.  Megint csak, igen. A lemaradt 100 menet... 
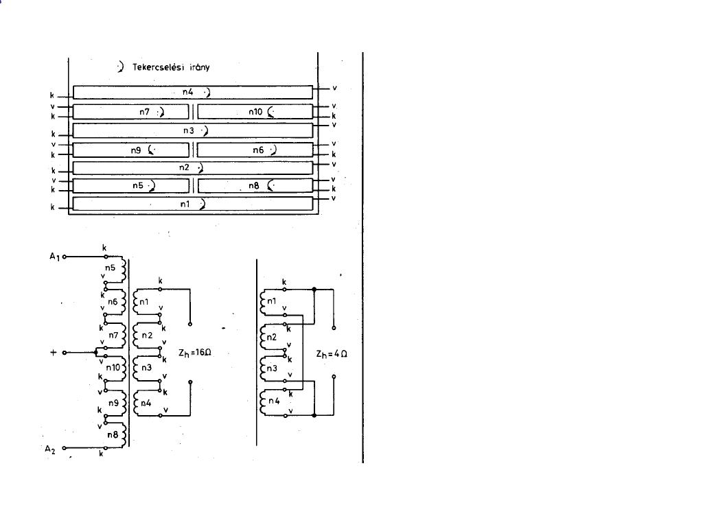
				Néztem az ajánlott kimenőt a kapcsoláshoz. 4 részre vannak osztva a primerek és a szekunder. Ez nekem bonyolult. Egy 10 wattosnál (pp) muszály osztani a primereket? Mert én olyat fogok csinálni.						 
				Szegény meghajtó ecc85-öm olyan kormos hogy ha épp nem világít alig lehet belátni. Anódárama csak 1,6mA anódonként. Az elvileg semmi neki. De jól szól mert egy újjal is ugyan  úgy szól.						 
				Itt a PL504 kimenő (PP)						 
				Szerintem a trafóidat fedd mejd le egy kis prespánpapírral, mert így csupasz huzallal elég sérülékeny...						 
				A Quad cég favorizálta ezt a kapcsolástechnikát.						 
				Most csak celluxal van betekerve de van hostafán fóliám majd rárakom.						 
				Szépen dolgozol , a hiperszil 5 cm^ kb . 8 cm^ sima vasnak felel meg , jól méretezett Ra  miatt jobb hangot nagyobb tejesítményt vártál és kaptál is . Gratulálok ! Dobozolását hogyan képzeled , nekem is mindig az okoz legtöbb gondot . 
				Csöves hang kedvelöinek javaslom , a  megépített erősítőt ne csak CD -ről táplája (ha van lehetősége ) LP-ről  bakelit lemezről és ha lehetséges azt is csöves phono-ról hajtva .Ha már csöves , legyen az elejétől az . Megéri a próbát , hatalmas élményt jelent , nekem bejött . 
				Senki nem vitathatja el a bakelit hangzásbeli fölényét a CD-vel szemben. Azonban az én személyes élményeim, amiket még a '70-es '80-as években szereztem, elkeserítőek. Az emberek igen nagy számban vásároltak akkoriban Tesla, RFT, Unitra lemezjátszókat, amiben keramikus hangszedő volt. Hát, ezekkel egy egy erőteljes arculcsapást kapott az audió kultúra. Igen széles körben a lemezjátszót azonosították a gyenge hangminőséggel. Jóval csekélyebb volt a száma az elfogadható kategóriát képviselő ugyancsak Tesla, és főleg Japán (Akai, Pioneer, stb.) dinamikus hangszedővel ellátott készülékeknek. Csúcs LP játszót elég nehézkes volt beszerezni. Ma már lehetne, de sajnos a CD ez előbb leírtak okán igen széles körben teret nyert. Sajnos nekem sincs már lehetőségem bakelit lemezt hallgatni.  CHZ-nak egyébként teljes mértékben igazat adok, egy ilyen lánc full csöves erősítővel, és egy jó minőségű hangfallal már-már a High-end kategória hangminőségét ostromolhatja. 
				Nem is mertem gondolni keramikus fejjel szerelt lemezjátszóra , csak MM vagy MC -re . Az első linken látható kapcsolást már megépítettem , jó hangot produkál . Még mostanában is sok bakelit lemezt lehet kapni, viszonylag elfogadható áron . Pl: http://www.hanglemezek.hu/main.php?lang=1&lp=1 
				Bizony-bizony  :yes: , egyik "hájend őrült" jóbarátomnál egyszer valamelyik Beethovent hallgattuk cd-ről, megállapítottuk hogy ezt már nem lehet überelni bakelitről sem (az új cd játszóját próbáltuk, már nem emlékszem a márkájára, azóta már jobb van neki), de aztán kiderült, hogy ugyanazzal a zenekarral megvan bakeliton is (a CD valószínű ennek modernizált felvétele volt). Hát nagyot tévedtünk. A addig tökéletesnek vélt zene bakelitről hirtelen kétszer akkora lett és a hagedűk teljesen élethű jelleget kaptak. Aznap már nem is tudott cd-t hallgatni a srác, annyira nagy volt a különbség (pedig a cd-re rá volt írva, hogy hi-end)    
				Fából lesz minden oldala és csak a teteje lesz mattfekete alumínium. A dobozt lefestem és lelakkozom. Nekem tetszik az a zöldes szín asszem ajtón láttam. Jól fog kinézni a feketével. A csövek ki lesznek dugva felül. A három trafó egy széles dobozka alatt lesz majd. Előlapon nem lesz semmi. Hátul lesz a bekapcsoló, a bizti aljzat. A beneti aljzat 5p tuchel a hangfal kimenet a régi lemezjátszókon, erősítőkön alkalmazott dugós típus.						 
				Tetszik az elképzelésed , de én tennék az elejére felíratot . Látom a nyákolásban otthon vagy , ezért javasolnék +20 -al könnyen kivitelezhető ábrát , vagy feliratot . Ha bővebben is érdekelne a technikája , szívesen elmesélem 
				Én meg közben rájöttem, akárhogy is fáj, trafót kell tekercselnem, ha tovább akarok lépni úgyhogy lendületből elinflálódtattam egy régi diódarálót tekercselőmű előállítása céljából. Majd teszek be képeket a kreátumról, ha előrehaladtabb állapotot sikerül elérnem.    
				Sajnos ezt én is így tapasztalom , azért sajnos , mert kevés lemezem van LP-én és csak azt hallgatnám inkább .Iszonyatos külömbség van  CD és LP lejátszásakor , ezt akkor halljuk legjobban amikor ugyanazt megtudjuk hallgatni mind 2 jelhordozóról ... Ezért prógálgatom mostanában a RIAA korrektorok csöves változatait és eddig az SP8 ami legtöbbet hozta . 
				Itt tartok: A huzalvezetés megoldása látszik a legnehezebb feladatnak, de már van némi ködös elképzelésem egy szemétre szánt csempevágó kézzel vezetett csuszkájával kapcsolatban. A látható orsók a rugalmas szálfeszítést fogják szolgálni (magnószalag befűzéshez hasonlatosan)   
				Ezt most dobozoltam be , az előlap azzal a módszerrel készült amit említettem . Ez az SP 8 kapcsolása alapján készül és eddig a legjobb hangot produkálta .... | Bejelentkezés Hirdetés | 



 
						 !
 !						




 
						



