Fórum témák
» Több friss téma |
R4 csökkentésével lehet próbálkozni, akkor az R7 soros kondenzátort hasonló arányban növelni kell, hogy ne csökkenjenek a mély hangok.
Reménykedjünk, hogy stabil marad (adatlapot nem néztem meg).
Köszönöm a válaszokat,megpróbálom.
Szia! Ha nem tértél el az R4 és az R5 értékétől szándékosan, vagy véletlenül, akkor az áramkör jelerősítése 22-szeres. A jelforrásod 500mV-ját 11V-ra erősíti ami 4Ω-on 30W-nak felel meg, hát itt azért nem tartunk 15V-os tápnál.
Számolhatunk visszafelé is. A 15V tápból lejön 2x2,5V maradékfeszültség, ezek után 3W kimenő teljesítmény várható 4Ω-os hangszórón. Érzékenységben kifejezve ez 160mV-ot jelent.
A hangszóró amit használok 8 ohm 10W-os,de alig "jár". Érzékenysége elmegy (tehát azért nem egy érzéketlen hangszóró) de mégis kevés neki az erősítő. Egy videoton RA6300S rádióba lett beépítve ez a kis kimeneti erősítő.
A nevezett készüléket sajnos nem ismerem és a gugli sem hajlandó megmutatni.
A hangerő növelése hogyan ér véget? Torzításba fullad, vagy koppanásig tekered a hangerőpotit?
Ez pedig a "józan ész" megközelítés, és nem a "növeljük meg az erősítést"
Koppanásig fut a potméter,de hangerő nem igazán növekszik (az erősítő nem is torzít,és nem is melegszik).
Mi a jelforrásod? Ezt azért kérdezem, mekkora bizonyossággal várható legalább 160mV a kimenetén. Ha ez garantált, akkor a jelforrás és az erősítő bemenete között felesleges leosztást szenved a jel.
Érdemes felderíteni, mert a TDA2030 erősítésének növelésével számottevően romlik majd a jel/zaj viszony.
A jelforrás maga a rádióvevő Rádióvevő adatai ( Videoton RT 6300 S). Elnézést az előző hozzászólásban elrontottam a készülék nevét ezért sem sikerült nektek az azonosítása.
Mod.: Ezen a készüléken a "szabályzott kimenet"-et használom az erősítő meghajtására. A hozzászólás módosítva: Jan 12, 2017
Mérd majd meg a tápfeszültséget, miközben növeled a hangerőt. Ha a készülékből vetted, akkor lehet nem bírja a terhelést.
Minimum hangerőn és "max" hangerő mellet is stabil 14,76V van a táprészen.
Akkor tényleg az első gondolatod mentén érdemes eljárnod. A 4k7 értékű R4-re csippents rá párhuzamosan még egy 4k7 ellenállást. Ettől duplázódik az érzékenység.
Köszönöm a segítséget.
Sziasztok!
Ismerősömtől kaptam egy végfok panelt, amin 2db TDA2040-es kapott helyet. Viszont nem tudom miből lett kibontva, ezáltal nem tudom életre kelteni. Valaki esetleg tudna róla valamit mondani? Van egy 50W-os kis toroidom, gondoltam meghajtom róla. Link a képhez:alkatrész oldal ,forrasztási oldal A hozzászólás módosítva: Jan 13, 2017
Nagy eséllyel egy tv-ből származik a nyák...
A zöld csati a hangszóró kimenet, piros a táp(aszimetrikus!), fekete a hang be. Az IC pdf-e sokat segít...
Szia!
Köszönöm szépen! Már csak azt kellene megtudnom hogy mekkora feszültséggel hajlandó üzemelni.
A táp kitalálható a tápágban lévő kondi feszültségéből.
Annak az értéke mínusz pár volt.
Szia! 9V és 40V között választhatsz tápfeszültséget az IC szempontjából. Mivel hídkapcsolásnak néz ki, a tápfeszültség és a hangsugárzó-impedancia hányadosa ne legyen több 4A-nél.
Élesztésnél köss sorba a hangszóróval egy 100Ω-os ellenállást. A 4-es lábakról jövő kimenet mindkét ága nagyjából féltápon legyen, akkor érdemes bármit is rákötnöd.
Szia! Köszönöm az infót. Ha hídkapcsolású a panel, akkor az nekem nem lesz jó, a 2 IC-t külön szeretném használni. Így létre hozok neki majd egy másik panelt.
Nincs valakinek véletlenül egy 'vasalós', mono, szimmetrikus táplálású, TDA20x0 tartalmazó NYÁK terve? Érdekelne és megköszönném, ha feltenné valamilyen - nem .lay - nyomtatható formátumban.
A hozzászólás módosítva: Jan 21, 2017
Üdv!
Sikerült megépítenem első erősítőmet,tda2030-al. reloop-nak köszönöm a sok segítséget. Most szeretnék még egy hordozható kihangosítót építeni,de most már "erősebbet" . TDA2050-el találtam kapcsolási rajzot,ami elméletileg 32W-os. Stereoban építeném,igy nekem bőven elég,ha meg van a 20W oldalanként. De lenne egy kérdésem. Szeretnék bele egy picike mélynyomót(jbl atlas 3),de 2.1-es kapcs. rajzot nem találtam :/ Esetleg tudna valaki segíreni,hogy hol találhatnék TDA2050-el 2.1-es kapcsolást? Vagy külön,ami csak a mélynyomot vezérli,esetleg külön panelon....(nem kell egy panelon lenniük,max átrendezem ) A legfontosabb,hogy Single táprol menne.Előre is köszönöm! Balázs A hozzászólás módosítva: Jan 26, 2017
Bővebben: Link
Maga a kapcsolás megegyezik, elég az IC-t cserélni. A TDA2050 nagyobb mély tartalékkal is rendelkezik. A tápfeszültséget is meg kell hozzá emelni 40V-ra. Persze a transzformátornak ia erősebbnek kell lennie. Jó hangszóró választás is a siker lényege. Még jobb eredményt érsz el az LM1875-tel ( a kapcsolás megegyezik ) A hozzászólás módosítva: Jan 26, 2017
Szia! Nekem öröm, ha segíthettem.
A következő feladatra nem biztos, hogy a TDA2050 a megoldás, hiszen az autós végfok IC-k tálcán kínálják azt. Azokban 4 erősítő csatorna van, melyek közül kettőt hídba-kötve máris lesz egy erőteljes szubmeghajtód és készen is van a 2.1-es. Teljesül a szimpla tápos elvárásod és alig kell pár alkatrész az IC mellé. Bevezetés képpen itt egy cikk róla.
Üdv!
Akkor utánna olvasok az autosoknak,és kiprobálok egyet probapanelon. Ha hidba kötöm 4-ből 2 csatornát,a magas hangok megmaradnak? Ha igen,van-e valamilyen megoldás arra,hogy elvenni azokat? Mivel ha van a mélyben magas,akkor recsegni fog :/ Köszönöm addig is!
A tápfeszültség tökéletes az általam javasolt IC-hez.
A mély csatornával a teendőd: Hangerőszabályzás után egyesíted a két csatornát és beiktatsz egy aktív szűrőt.
Köszönöm,megprobálom. Hány watt lesz igy kimenetre? 4x22 vagy 4x11?
Ha kiválasztottad az IC-t, majd átmegyünk a témájába. Az erősítő rész bekötése erre a szisztémára épül.
Teljesítményben 6+6+22W-ra számíthatsz.
Rendben. Aktiv szűrőt,low pass filtert hogyan kössek be? Néztem a neten,de van sok
Amin megakadt a szemem,az a TL062 IC.... van "egyszerű" megoldás,könnyen beszerezhető alkatrészekkel? Balázs
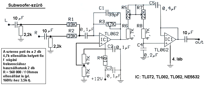
Íme egy könnyen elkészíthető szűrő.
Ezen az ábrán pedig az látható miként alakítható át szimmetrikus táposról egyszer +12V-osra. Miként is áll össze egy ilyen rendszer? A 2.1es témában olvashatsz róla, illetve ott válaszolnám meg a további kérdéseidet.
Érdeklődnék, hogy van valakinek tapasztalata azzal kapcsolatban, hogy a TDA2030A elviseli-e tartósabban is a +-18V-s tápfeszültséget. Katalógus adatában +-22V szerepel max. tápfeszültségként és általában +-16V az ajánlás...De nálam most +-18V van a terheletlen tápegységen és van egy maréknyi TDA2030A-m. RFT SV3000 erősítőben váltanám ki az MDA2020-s 'csodát'. A tápegység panelt átépítettem, mert a gyári az már tele volt fóliaszakadással és átkötésekkel. A végfokot is cserélte egyszer már valaki valamilyen TDA2040-s végfokozatra egy körömnyi panel csodán és hát búgott-zúgott is rendesen, így gyártottam új panelt -köszönet a felhasznált irodalomért reloop fórum társnak!
- de a kiforrasztott 2040-ket nem merem átrakni mert eléggé 'leharcoltnak' tűnnek. |
Bejelentkezés
Hirdetés |





- de a kiforrasztott 2040-ket nem merem átrakni mert eléggé 'leharcoltnak' tűnnek. 








