Fórum témák
» Több friss téma |
Mielőtt kérdezel, a következő két dolgot ellenőrizd!
I. A helyes tápfeszültségek megléte.
II. A kimeneten van-e egyenfeszültség.
Élesztés.
Sziasztok. Már korábban irtam,hogy van nekem két Pam8610 ic 2x20 w mini erősítőm. Abban kérnék segítséget, hogy bármilyen adapterrel működtetem , sipol-zúg a hang melet. Mind a kettő ezt csinálja. Már próbálltam 100mF 50v kondenzátorral, de ugyan ugy zúg. Aksival nem tudom kipróbállni, nincs 12 v -osom.Ha 100 mF 35v -t próbálok, menyivel változik a helyzet? Vagy nagyobb A -os adapterrel?
Sziasztok! A reloop által csatolt cannopus jav..JPG kapcsolást megépítettem, ott tartok, hogy kellene éleszteni, és az a kérdésem, hogy élesztéskor fontos volna hűtőbordára fogatni a tranzisztorokat? Illetve P1, és P2 trimmer potenciométereket indítás előtt melyik végállásba tekerjem el? Mekkora nyugalmi áramot kellene beállítani? A tápfeszültségem körülbelül +/-31 - 32 V (ha terhelődik lehet leesik a tápfesz, egy 300VA 2x24V-os toroid trafó, két diódahíd és két 10000µF kondenzátorból áll a táp)
Van egy ilyen hangszóróvédő modulom, Bővebben: Link és szükséges-e módosítani a bemeneti 22K ellenállásokat, hogy észrevegye az esetleges egyenáramot a kimeneten? A hozzászólás módosítva: Jan 30, 2017
Sziasztok!
Tudnátok olyan erősítő kapcsolást mutatni ami 2x300w -ra képes (RMS),netán valaki épített már ilyet és megosztaná velem tapasztalatait.
Szia. Szerintem most jön az, hogy hány Ohm-ra és milyen tápod lenne hozzá?
Mint haverom anno. Kezdjük az alapoknál: rajzold fel az alap tápegység típusokat. Nem érdekel csak csináljuk. A 20 wattos trafóból akart többször ennyit kivenni. Csak a Volt szám növelés volt a célja.
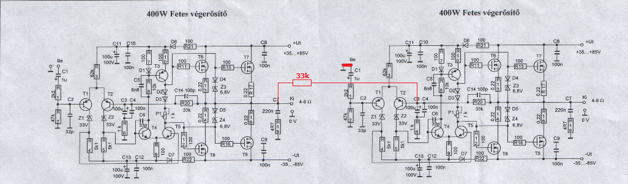
400W Fetes
Ez a Baji féle Fetes +- 85V 8ohm-ra. Elég egyszerű nyákot rajzolni hozzá. Hidalható is. De biztos van jobb is.
Én most állok neki a 11-ik darabomnak. Rendkivűl sok módosítás után
https://youtu.be/KODIicW3Bn8
( a linket kérem javítsák ki ,ha rosszul tettem be) Sziasztok!Ezt a kapcsolást szeretném megépíteni,APEX B500,(elvileg ez a neve),de nem tudom megnyitni a linket amit adott a videó feltöltője,valaki tudna segíteni ebben?
Szia! A P1 gondolom egy az egyben került át erre a rajzra. A kimeneti egyenfeszültséget állítja, indítsd középállásból.
A 470Ω-os trimmert állítsd a legnagyobb ellenállást adó pozícióba. A nyugalmi áram üzemmeleg bordánál legyen 50mA. Kicsivel több, vagy kevesebb akkor indokolt, ha nagyon kis hangerőn a keresztezési torzítást kihallod belőle. Az azt éppen megszüntető nyugalmi áram a leggazdaságosabb megoldás. A hangszóróvédőt szerintem nem kell módosítanod. Hűtőborda nélkül ne helyezd áram alá az erősítőt! A hozzászólás módosítva: Jan 30, 2017
Üdv! Wangine WNA-120-nál középnulla nem áll be, 0,54V DC a kimeneten. Gerjedésnek vélem, védelem nem kapcsol be. Tippeket, ötleteket várok. Átkondizás folyamatban, előerősítő leválasztva.
Szia! Állítható a kimenti DC? A "védelem nem kapcsol be" azt jelenti, hogy szól az erősítő?
A kimeneti DC nem állítható, de a végfoktranzisztorok munkaponti árama igen. A védelmet sajnos buherálta valaki, ezért "manuálisan" üzemel amíg nem "áll fel" a végfokon a DC kimenet 0-ra. Az erősítő szól, erősítése nekem kevéskének tűnik gondolom az elhúzás miatt, mind a két oldala ezt a jelenséget produkálja. A végfokokon (NPN-PNP) a nyitóáram is eltér kissé tizedvoltokkal.
Rajzot kerítettél már?
A netes képeken két trimmer sejlik oldalanként, azért gondoltam DC állításra.
Egyetlen egy rajzot találtam, (sajna alig kivehető az alkatrészek értéke, elég érdekes volt így is feléleszteni az egyik oldalát)- egy poti van benne a végfok nyitóárama. Mivel elhúz ami DC-ben jelentkezik (oszcilloszkóp híján ezt látom csak) így melegszik az NPN oldali végfok is. DC-visszacsatolt az erősítő elméletem szerint így nem lehetséges 0-ázni.
Rajz nélkül nehéz rámutatnom hol kell beavatkoznod. Nagy valószínűséggel differenciálerősítővel indul a végfok, ott kell az áramokat eltéríteni/kiegyenlíteni.
A 0,5V 4ohm-on több mint 100mA, ez sok ahhoz, hogy legyintsünk egyet, jól van ez így is. A visszarajzolás gondolata elborzaszt?
Nem terheléssel 0,54V azt nem tettem hozzá, üresen annyi, terhelve és terheletlenül is melegszik, tehát a nyitóárama a végfoknak "nagy" vag "félreáll". Rajz gyengécske, de mellékelve. Visszarajzolás nem szükséges, de a rajzon levő értékeket elég nehéz leolvasni. Kicsit hosszabban leírva a jelenséget. Az erősítő egyik oldala életképes volt, a másik túlhajtás miatt két ellenállást elfüstölt a meghajtóáramkörben és kiesett belőle a nyák alá, a végfokok túlélték, a meghajtótranyók, a mikros kondik, a gyanús ellenállások és a rosszak cserélve, a 30 pikos kondik cserélve. Az egyik oldala volt hibás csak elvileg ami javítva lett, a másik nem volt hibás de ugyanez a jelenség áll fent. Amíg be volt kötve az előerősítő is addig hangerő ráadásakor kivezérelte a kijelzőt és hangerő függvényében gerjedt mindkét oldal, előerősítőre gyanakodva azt kiiktattam. Előttem már berhelték s az egyik 10 Ohm-os ellenállás helyett 20 Ohm volt benne meg a védőáramkört is kiiktatták egy ellenállással, gondolom feladta az illető, így került hozzám. Az előerősítő nélkül is gerjedésnek gondolom, ezért kezdtem el átkondizni ami még nincs teljesen kész. Előerősítő nélkül pár Watt-os hangszóróval üzemel, de meghajtást még nem kapott. Úgy gondolom a végfoknak nincs akkora erősítése hogy összegerjedjen magával, a hangja tisztának tűnik, nem recseg, nem zajos, de kihajtani nem mertem, mert a hűtő még nincs rajta és pár perc alatt felforr az NPN tranyó, a munkaponti áramot a végfokokon levettem 0,57V a PNP-n és 0.6V az NPN-en.
A hozzászólás módosítva: Jan 30, 2017
Ha nincs rajta hangszóró, akkor az NPN végtranzisztor árama a tápból kizárólag a PNP tranzisztor felé talál utat magának, kivéve, ha valami rendellenesen oda lett kötve.
Ezt meg is mérheted a végtranzisztor emitter-ellenállásán eső feszültség alapján. Beállítási értéknek 10mV-ot javaslok. Ha eltér az N-es és a P-s tranyó emitter-ellenálláson eső feszültség, akkor ellenőrizendő az ellenállások értéke. Amennyiben az ellenállás jó akkor az eltérés mértékének függvényében keressük tovább a hiba forrását. Amúgy a kimeneti egyenfeszültséget a bementi differenciál-erősítő egyik 3k3 kollektorellenállásának módosításával tudod nullázni. Az egyiket (mindegy melyiket) kiemeled, a helyén 4k7 trimmerrel beállítod a kimeneti DC-t, majd a trimmert visszamérve fix ellenállással (ami állhat több darabból is a pontos érték érdekében) pótolod.
Kimeneten 0,67V, C-s tranyó emitterellenállásán 0,3mV, A-s tranyó emitterellenállásán 10,3mV, C tranyó emitter-collector 50,1V, A tranyó emitter collector 51,4V, melegszik mint a hősugárzó. Erősítése jónak tűnik, ez rendesen elhúz, hangszóróval terhelve hangja tiszta. De, ennek be kellene álljon anélkül, hogy a differenciál erősítőt megpiszkálnám, s ami miatt értetlenül állok, hogy mind a két oldalán ugyanez a jelenség, pedig csak az egyik oldala "volt" hibás. Előerősítő bemenetét lezártam 10 Ohm-al, így is fent áll a hiba. Nem hiszem, hogy így "elállítódna" a differenciálerősítője csak úgy magától, vagyis, ha lehet annak a megpiszkálása nélkül szeretném a hibát korrigálni, továbbra is nagyfrekvenciás gerjedésre gondolok. (A mérések az eredetileg jó oldalon történtek.) Egy majdnem ugyanolyan rajzot találtam, mellékelem, de ezen az áramgenerátor az első differenciálerősítőn kicsit másképp van, bár nem hiszem, hogy ez számítana.
A hozzászólás módosítva: Jan 31, 2017
A mérést hangszóró nélkül végezted?
Szerk.: Most vettem észre a fájlmellékletet, a közös DC hibát okozó elem ezen látható. Mérd meg testhez képest Q701 emitterfeszültségét! A hozzászólás módosítva: Jan 31, 2017
Hangszóróval, a kimeneti feszültséget pedig hangszóró nélkül.
Az emitter-ellenállásokon eső feszültség hangszóró nélkül mérendő, a hangszóróáram torzítja azt.
Sajnos a két rajz nem ugyanaz, mint említettem is, az én erősítőm kapcsolása kissé eltér pont az említett ponton. Nemsokára írom a terhelés nélküli emitterfeszültség adatait.
6,7 és 7,3mV között ugrál az A-s tranyón, a C-n 3,3mV stabilan.
Ilyen pár tized voltos DC hiba egyik gyakori forrása az utóbbi rajzon C804/904 pozíciószámú elkó szivárgó áramának megugrása. Cseréjük melegen ajánlott, főleg ha meghibásodás során kiült a tápra a kimenet.
Látom a mérési eredmények is befutottak. Ha nincs rendszeridegen terhelés a kimeneti ponton, akkor az emitter-ellenállások értékeltérése mutatkozik kézenfekvőnek, hiszen mindkét ellenálláson ugyan annyi áram folyik. A mért értékhez képest R819 és R828 áramát elhanyagolhatjuk. A végtranzisztor párok eltérő melegedését a szigetelő alátétek különbözősége vagy pasztázottsága is indokolhatja. Az észlelt 30mA-től nem kéne forrónak lennie egyiknek sem. A hozzászólás módosítva: Jan 31, 2017
Már cserélve lett minden mikrofarad-os kondi, csak a pikosak maradtak hátra, de cserélve lett a C806-807, C801, C804, C806, C807, "C701-702", C811, mindkét végfokra értve. Ami hátra van azok amik kimaradtak a listából (C802-C805-C808-C809-C810). Tehát akkor ezek szerint csak valamelyik kondi vacakol velem.
Egyelőre, a módszeresség jegyében, térjünk vissza Q701 emitterfeszültségére amit 20-22V között várunk.
Szerk.: azért a kondicsere nem az erősítőjavítás Kalmopirinje, mint láthatod egy tucat után még abszolút semmi eredmény A hozzászólás módosítva: Jan 31, 2017
|
Bejelentkezés
Hirdetés |










