Fórum témák

» Több friss téma
Fórum » Erősítő mindig és mindig
Mielőtt kérdezel, a következő két dolgot ellenőrizd! I. A helyes tápfeszültségek megléte. II. A kimeneten van-e egyenfeszültség. Élesztés.
Lapozás: OK   1964 / 2567
(#) reloop válasza krisz69 hozzászólására (») Feb 22, 2017 / 1
 
Szia! Kihagytad a nagyjelű erősítő tápágából a diódát. Csúcsra járatva az erősítőt a végtranyók annak is lehúzzák a feszültségét és egy jó adagot elveszítesz a kivezérelhetőségből.
Az R4 1k helytelen.
(#) reloop válasza jocka0012 hozzászólására (») Feb 22, 2017 /
 
Szia! Az ingadozó +5V-os tápot vizsgáld ki!
(#) jocka0012 válasza reloop hozzászólására (») Feb 22, 2017 /
 
Ahogy bedugom az erősítőt onnantól kezdve a processzornak mindig kapnia kell a +5v-ot?
(#) krisz69 válasza reloop hozzászólására (») Feb 22, 2017 /
 
R4 az 10k a rajzon. A dioda még lehet visszakerűl.
A hozzászólás módosítva: Feb 22, 2017
(#) jocka0012 válasza reloop hozzászólására (») Feb 22, 2017 /
 
Olyat tud produkálni , egy végfok , hogy néha kijut a hangszóró kimenetre a Dc feszültség néha meg nem?Elnézést az amatőr kérdésért , de sajnos nem tudok rájönni mi lehet a probléma.
(#) reloop válasza krisz69 hozzászólására (») Feb 22, 2017 /
 
T1, T4 közös emitterén is van R4-es, arra vonatkozott a megjegyzésem.
(#) Massawa válasza jocka0012 hozzászólására (») Feb 22, 2017 /
 
Mennyi az a DC és hogyan mérted. Ha sok akkor elfüstöl a hangszoro....
(#) krisz69 válasza reloop hozzászólására (») Feb 22, 2017 /
 
Jogos ! R9 nek kéne lennie, és 100ohm. mégegyszer köszönöm
(#) jocka0012 válasza Massawa hozzászólására (») Feb 22, 2017 /
 
Nem mértem , de néztem az erősítő szervíz menüjébe és ott írta néha , hogy a kimeneti DC miatt letilt az erősítő.
(#) Massawa válasza jocka0012 hozzászólására (») Feb 23, 2017 /
 
Sok erösitö egyenáramu visszacsatolással van épitve (manapság szinte mind), azaz az erösitö akár egyenáramot (0 Hz) is erösitene. Ehhez nagyon pontosan kézben kell tartani az egyenáramu szintet a kimeneten, mert a hangjelekben mégsincs egyenáram. Egy a melegtöl stb megfutamodott alkatrész, vagy áteresztö kondi megbillentheti az áramkört, azaz végzetes egyenáram kerülhet a kimenetre = hangszorora. Ezért kell a védöáramkör, ami ilyenkor lekapcsolja a hangszorokat.
Söt volt egy korszak amikor sikerült olyan hangerösitö berendezéseket épiteni, amik végig DC csatolásuak voltak ( volt egy neves keveröpult is ilyen elven). Itt, ha esetleg egy ceruzaelemet kapcsoltak volna a bemenetre, akkor az a 1,5V felerösitve megjelent a kimeneten és a védelem hiányában elfüstölne a hangszoro.
A hozzászólás módosítva: Feb 23, 2017
(#) jocko hozzászólása Feb 23, 2017 / 1
 
Sziasztok! Nem a "ki mit épített?" rovatba teszem ezt a videót,mert én csak ki-"bányásztam" a BEAG mag 100-ból a végfokot meg a táp-ot,és összedobáltam,de úgy tűnik,hogy nagyon jó kis erősítő ez a magister mag 100 itthoni hifi hajtására ,elektronikus zenéhez.Azért vettem ki a házból,mert át fog kerülni egy apt100 házba,és mert az eredeti előfok és keverő részén én egyáltalán nem igazodtam ki,főleg mikor megláttam a 200mv-os bemeneteket,ami ugye elég kevésnek tűnik.A végfok panel ebben az erősítőben +-46,6 voltról üzemel ,és 300wattos a toroid,a pufferek meg 63v 10000uf-ek.jvc SP D452 általam tuningolt hangsugárzók vannak sorba rákötve.Tényleg nagyon hangulatos. https://youtu.be/uC6YasTUHFs ((((ha valakinek lenne egy-kettő felesleges eladó mag 100 modulja,az írjon priv. vevő lennék rá.))))
(#) Brumi80 hozzászólása Feb 23, 2017 /
 
Köszönöm mindenkinek a hozzászólását, az általam feszegetett témában! A probléma meg oldódott, vagy is nem is volt az... A dolog lényege az, hogy intelligens a kicsike. Hangerő arányhoz mérten állítja be az úgynevezett hangszíneket- mély,közép magas. Egy pici több hangerő rátekerése után meghallottam az, amit vártam, és el kellett találnom a sub-top hangerő arányt!

Étteremben, háttérzenét szolgáltatni, digitális zongorával mindezt olyan hangerővel, hogy beszéd alatt légy, és még legyen hangképed is..... a legnehezebb!
A hozzászólás módosítva: Feb 23, 2017
(#) Massawa válasza Brumi80 hozzászólására (») Feb 23, 2017 /
 
Hát igen, valamikor erre fejlesztették ki a loudness karakterisztikát. Sajnos a modern keveröpultokon ilyen funkcio nincs, igy csak a füledre hagyatkozhatsz.
De örülök, hogy sikerült beállitanod a rendszert.

(#) szikorapéter válasza reloop hozzászólására (») Feb 24, 2017 /
 
Ismét az erősítő építés témánál. A tápfeszültségem lehetőleg maradna a 2x46V tápfeszültség ,csak most már rendesen meg tudom fogalmazni a hozzá fűzött követelményeket. Az erősítőnek 8ohm-os hangsugárzó esetén 100W RMS , 4ohm-os hangsugárzó esetén 140-150W RMS teljesítményt kell nyújtania. A bemenete maximum 1,4Vpp lehet (ennyit tud a keverő vége,torzítás nélkül). Mivel elég sokat lesz hangosítás technikában nyúzva,ezért kell hogy elviselje a 2 különböző terhelést.
(#) szikorapéter válasza szikorapéter hozzászólására (») Feb 24, 2017 /
 
Végül ezt a hangsugárzó-védelmet választottam : hangsugárzó-védelem ,a kapcsolások közül pedig Erre az erősítő kapcsolásra esett a választásom. A gond már csak ott kezdődik hogy a tápfeszültségem némileg magasabb mint a 4-8ohm terheléshez megengedhető maximum. Ezt hogyan tudnám kiküszöbölni?
(#) reloop válasza szikorapéter hozzászólására (») Feb 24, 2017 / 1
 
Másik javaslattal élek: St151 és Kopp_3.
(#) szikorapéter válasza reloop hozzászólására (») Feb 24, 2017 /
 
Rendben,megrendelem hozzá az alkatrészeket. Az St151 erősítőnek nem okoz gondolt a +-6V-al magasabb feszültség?
(#) krisz69 válasza szikorapéter hozzászólására (») Feb 24, 2017 /
 
2x46v DC az 92 v teljes táp feszűltség. A Tip 142-147 100v ! Elégé határon lenne. Én is inkább más kapcsolás útán néznék . Olyan 120-150v -os tranzisztor párokkal
Ehez a tápfeszhez. Pl: Reloop javaslata számomra szimpatikus lenne. A 2sc1943-2sa5200 párosnak nagyony szép a hangja . És szeretik alkalmazni.
(#) krisz69 válasza szikorapéter hozzászólására (») Feb 24, 2017 /
 
230v os végtranzisztorok vannak. Nem fog problémát okozni.
(#) reloop válasza szikorapéter hozzászólására (») Feb 24, 2017 /
 
A félvezetőkészlet jóval magasabb tápfeszültséget is megenged.
Hangosításhoz jól jön egy Clip áramkör.
(#) szikorapéter válasza reloop hozzászólására (») Feb 24, 2017 /
 
Rendben,a clip áramkört is hozzátervezem. Kérdésem az volna még hogy az áramkörben található BC5xx-es tranzisztorokból B-s vagy C-s ajánlott? A bementre egy 4,7µF /50V-os fóliakondenzátort rakok,az nem gond ugye?
(#) reloop válasza szikorapéter hozzászólására (») Feb 24, 2017 /
 
A tranzisztorból bármelyik megfelel, a csatló kondi jó lesz.
(#) mc-4 hozzászólása Feb 24, 2017 /
 
Sziasztok!
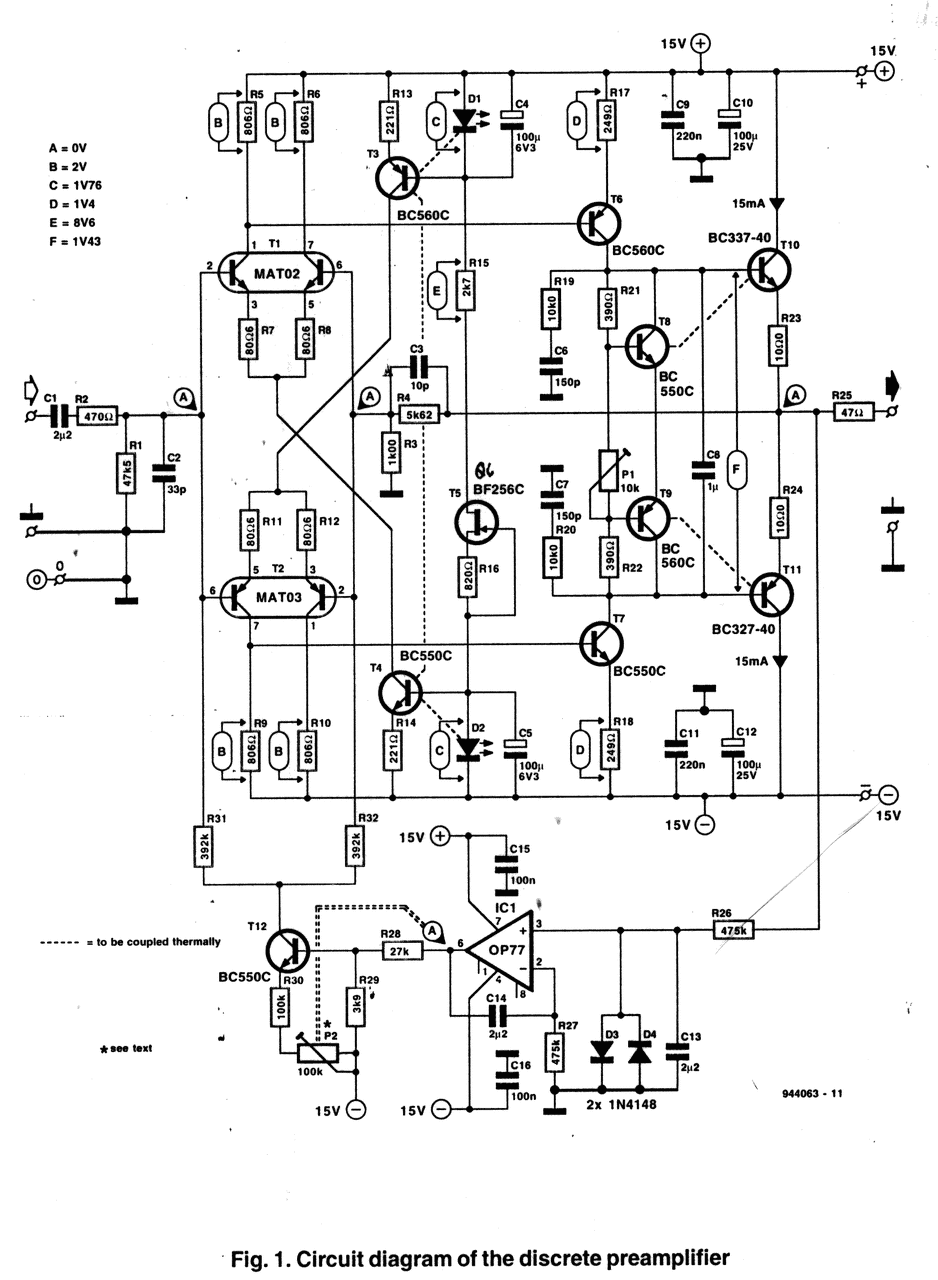
Még a fetessemmel is gyerekcipőben járok, de már az előerősítőn töröm a fejem.
Valaki megépítette ezt a szerkezetet, hangerő szab. potméter hova van kötve?
(#) bereczk.jans válasza mc-4 hozzászólására (») Feb 25, 2017 /
 
A hangerő szabályozó potenciométer csúszkája a C1-re van kötve. Értéke 22K - 47Kohm és logaritmikus. A másik 2 kivezetés közül az egyik a testpont, a másik pedig a bemenet.
Én ezt az előerősítőt csak akkor építeném meg ha már kb 10-et készítettem volna és még mindig elégedetlen lennék velük! Valamint tudnék olyanokról, akik már sikeresen megcsinálták és lenne hozzá nyomtatott áramkör is! (Remélem nem egy magazin erősítő, ahol két számmal később közlik a hibajegyzéket.)
(#) pucuka válasza mc-4 hozzászólására (») Feb 25, 2017 /
 
Nekem ez a kapcsolás nem tűnik előerősítőnek, sokkal inkább egy kisteljesítményű fejhallgató erősítőnek. Nagyon hajaz egy műveleti erősítő belső kapcsolására.
Az előerősítő feladata, hogy kis bemeneti jelekből, nagy erősítéssel, minél kevesebb zaj hozzáadásával viszonylag nagyszintű használható jelet állítson elő. Ebben a kapcsolásban aztán van minden. A sok tranzisztor sok hozzáadott zajt is jelent. Mivel a jelszint kicsi, azért előerősítő, nem igazán lényeges dolog a differenciál erősítő használata, és az egyenszint erősítése sem, a bemeneten úgyis kondenzátor van. Az sem tesz jót az erősítőnek, ha több belső visszacsatolás, kompenzáció van, Nem általános célú műveleti erősítőt kéne építeni minden nyűgjével együtt, semmi szükség rá. Egy két, max három fokozatú, de kiszajú tranzisztorokból álló erősítő bőven megteszi. Nézegess példának magnetofon fej erősítőket, mikrofon erősítőket, de ha mindenáron az általad csatolt kapcsolást favorizálod, használj kész, erre a célra gyártott műveleti erősítőt, ahol a fejlesztők már megküzdöttek a felmerült problémákkal. Jobbat nem híszem, hogy tudsz készíteni. Pl. NE5532, vagy hasonlót.
(#) bereczk.jans válasza pucuka hozzászólására (») Feb 26, 2017 /
 
Teljesen egyetértek veled.
(#) mc-4 válasza bereczk.jans hozzászólására (») Feb 26, 2017 /
 
Van hozzá nyák rajz is.
Találtam még... Erről mi a vélemény?

fig2.gif
    
(#) Ollika12 hozzászólása Feb 26, 2017 /
 
Sziasztok!Segítségre lenne szükségem.Hozzám került egy mono FET-es erősítő hibásan.Sikerült megjavítanom viszont nem tudok róla semmit.Fényképek alapján hátha valaki felismeri milyen fajta erősítő ill.milyen adatai vannak(teljesítmény,torzítás...stb)Amit lehet tudni róla 2-2 pár FET van benne(IRF92 és IRF290).A trafón 2x30volt 400watt felirat található.Előre is köszönöm.
(#) pucuka válasza mc-4 hozzászólására (») Feb 26, 2017 /
 
Egy két, három tranzisztoros erősítő nyákrajzát kb 3 perc alatt el lehet készíteni kockás papíron. Ha van nyáktervező programod, azzal is.
Az ilyen kész nyákrajz egy adott alkatrész bázishoz készült, mit tudsz tenni, ha néhány alkatrészt nem tudod abban a méretben beszerezni, amivel a tervező dolgozott. A sok alkatrész óhatatlanul sok összekötést is eredményez, igy nagyon könnyű elkövetni olyan hibákat (pl. földhurok) ami megbosszulja magát. Jó nyákterv készítéséhez gyakorlat kell, ezt pedig másolással nem, csak tanulással tudod megszerezni. Előbb egyszerűbb, majd egyre bonyolultabb áramkörökhöz készült nyáktervekkel.
Mit teszel, mihez nyúlsz, ha a másolt nyákterv nem válik be, pusztán azért mert az általad beszerzett tranzisztoroknak másabbak a paraméterei, és gerjed?
(#) reloop válasza Ollika12 hozzászólására (») Feb 26, 2017 /
 
Szia! Vesd össze ezzel a rajzzal. Egyezés esetén a VF2 témában találod a részleteket.
Következő: »»   1964 / 2567
Bejelentkezés

Belépés

Hirdetés
XDT.hu
Az oldalon sütiket használunk a helyes működéshez. Bővebb információt az adatvédelmi szabályzatban olvashatsz. Megértettem