Fórum témák
» Több friss téma |
Pont ugyanígy csak a stabkocka nélkül (és a kondik is elhagyhatóak).
Pontosan ugyan így, csak nincs benne a 7805.
A hozzászólás módosítva: Máj 1, 2017
Kondik nem baj, ha rajt vannak!
A probléma az, hogy nincsenek kondenzátoraim (egy se) és eddig is anélkül próbáltam összerakni.
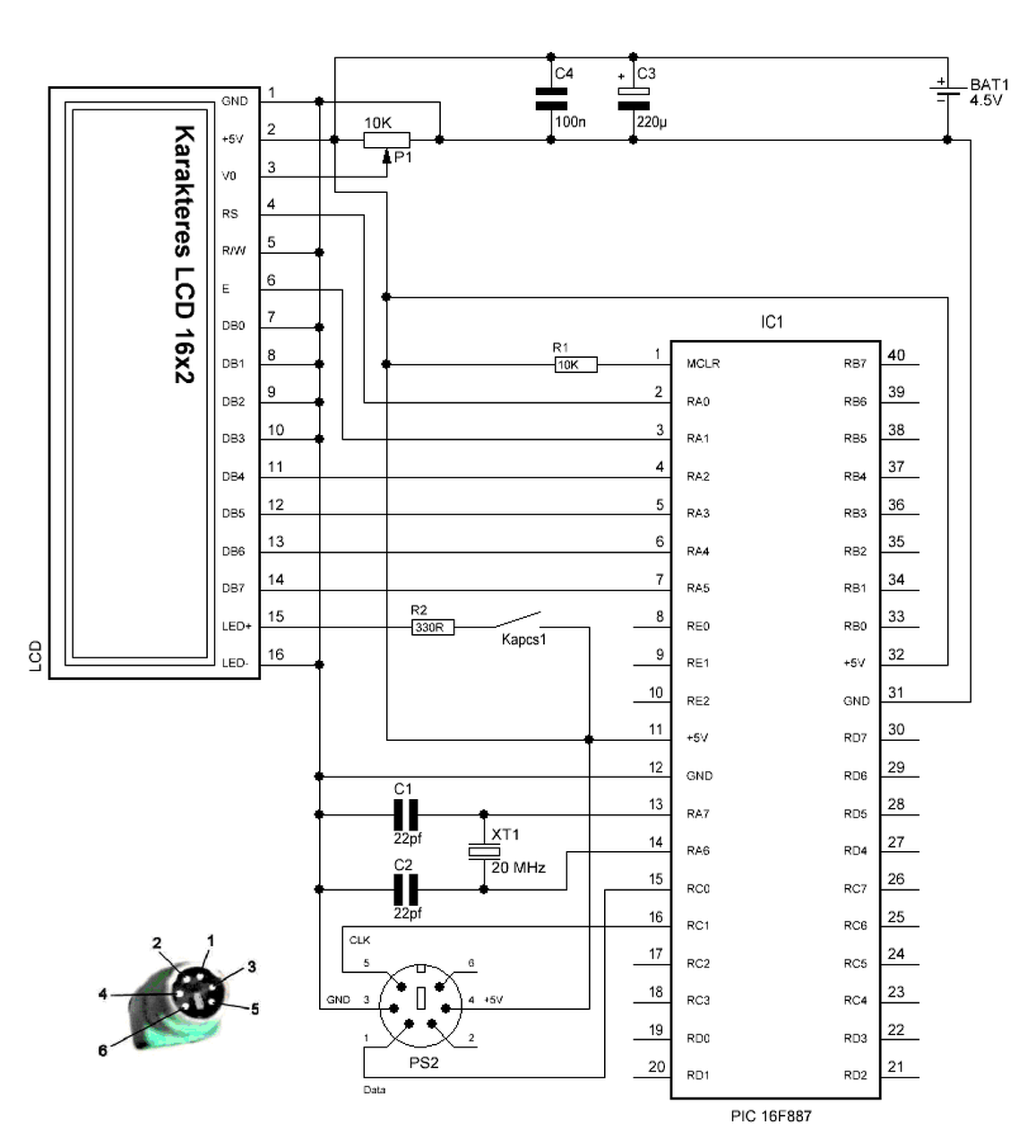
Nos, a szavaidat használva az probléma, mert a kvarc mellé mindenképpen kell két db 22pf kondi!
A kondik nélkül nem tud a kvarc oszcillálni, magyarul nem tud futni a programod a PIC-be! A többi kondi elhagyható!
Egyenlőre még fény sincs, addig pedig nincs minek futni!
Pedig ez nem egy űrtechnológia. Az LCD háttérvilágítása egy sima LED, ha áramot kap, megfelelő polaritással akkor világítani fog. Érdemes lenne külön ezt lepróbálni, persze ellenállás kell, különben nem sokáig fog világítani. De ha az LCD megfelelő lábaira adsz áramot akkor is kellene látni rajta valamit, ahogy korábban írtad a kontrasztot tudod állítani.
Rámértél már a "multimétereddel" a kijelző háttér világítási lábaira? A PIC táp lábaira? Szerintem nem, mert akkor nem ez lenne a témád, hogy nem megy. Szereztél már másik tápot? Vagy kipróbáltad 3db elemről? Ezt is kétlem.
Nem lehetne ezt Zsombor ügyet átvinni az elektronikában kezdők kérdéseibe?
Mekkora feszültséget mérsz az LCD 15 és 16-os lába között, és az PIC táplábain 11 - 12, ha rajt van a táp?
Már volt rá javaslat, hogy nyissunk neki új témát...
Ilyenek jók lennének a quartz lábaira?
Tökéletes!
Ha már rendelsz, ilyet is vegyél 2db.-ot a PIC és LCD táplábakra.
Nem csak tőled kérdezem attika
Valaki magyarázza el nekem ezt a telefon töltős "vitát", a "kapcsüzen vagy a telefon" on van a hangsúly a problémában? Bár énn PIC32MZ és egy tft hajtok telefon töltőről és semmi baja, igaz mindenhol 100nF, fesz szabnál szűrés, talán még oda fér volna egy soros 10µH induktivitás.
A konfigurációs regiszterben lehet beállítani, melyik legyen az aktív. Egy kis könnyebbség, hogy külön lábra irányíthassuk a felhasználni kívánt funkciókat.
A config regiszterekben tudod állítani melyik lábon, melyik kimenet legyen aktív.
Nem látom át pontosan mire és hogyan szeretnéd használni, esetleg egy PWM modullal is megoldható. Ajánlom figyelmedbe a "Single PWM with PWM Steering mode" beállítást (14.4.6 fejezet).
3 db shift mindegyik shiften külön szin (RGB) pwm kevergetném a szinekem pl kék halványabb piros fényeseb akkor szép rózsaszin lesz belöle.
Rendelj ilyen vezetéket is ha megteheted, szépen lehet vele összekötni az alkatrészeket.
A hozzászólás módosítva: Máj 1, 2017
Nem tudom mások mire céloztak, de a régebbi töltők között volt amelyik áramgenerátoros volt feszültség limittel, tehát amikor megnőtt a terhelés áramgenerátoros üzemre váltott, így nem maradt stabil a feszültsége.
nagy probléma lenne hogy a pwm lábnál nem használnék tranziztort 74hc595 oe láb nál??
Idézet: „Valaki magyarázza el nekem ezt a telefon töltős "vitát"” Mikrovezérlőhöz olyan töltő jó, ami: - Stabilizált feszültséget ad ki (5 V-os feszültséggenerátornak tekinthető) - Feszültségesés nélkül bírja azt az áramot, amit ki akarsz venni belőle (100 mA, 1 A, vagy amire szükséged van) - Terheletlenül sem ad ki túlfeszültséget (pl. 6V-ot) - Kellően szeparált a 230 V-os hálózattól - Nem túl zajos/brummos - Jó, ha van benne túlfeszültség elleni védelem! Azok az ún. USB töltőfejek, amelyek kimenete terheletlenül is 5V, többnyire megfelelnek. Például Nillkin AC adapter SAPA05010EUU 5V/2A, OLYMPUS AC Adapter F-2AC 5V/0,55A Azok az okostelefon töltők és fali adapterek is jók lehetnek, amelyek nem stabilizáltak, de ekkor értelemszerűen kell utánuk egy stabilizátort tenni, s lehet, hogy 5 V-ra már nem lesz elég a bemeneti feszültség, csak 3,3 LDO-hoz. Az áramgenerátoros töltők esete pedig külön tészta, azokkal nincs tapasztalatom.
Mellette nem szabad elhinni, amit ráírtak. Ami még fontos, hogy az életkorukkal - használtságukkal a megbízhatóságuk jelentősen csökken, ez sajnos minden kapcsolóüzeműre igaz, bár kivételek vannak.
Mert ugyebár nem a vadiúj töltőt vesszük elő a feladatra...
Nem probléma, de a kihagyott invertálás okozhat még fejtörést.
Ez is jó? Ennél egy darab esetén van negyven ér a csomagban?
Persze, nyugodtan megveheted!
|
Bejelentkezés
Hirdetés |











