Fórum témák
» Több friss téma |
Fórum » Muzeális készülékek-alkatrészek restaurálása
Témaindító: Kutyuli, idő: Márc 29, 2008
Témakörök:
Mindenek előtt kapcsold be! Hozd rendbe, pótold a hiányzó alkatrészt, és aztán dicsekedj!
Üdv.Igen ezek már értékek és igazán mi nem óvtuk ugy mint sokan.Érdemes megbecsülni ,mert kevés maradt meg eredeti szépségében.Csövet tudok küldeni , ha megvan a hiányzó tipus.Tisztelettel Öreg Tom.,
Húúú ez nekemvaló topik
Készüljetek föl a képekre Ez a 3 a szobámban készült, a jeneleg fellelhető műszaki dolgokról: AKAI GX4000 orsós, Orion 330, Terta 331(hiányos), kis BEAG erősítő, Pioneer CT-506 deck, RFT már-már múzeális félcsöves szkóp, Orion 228A, Videoton RA2103 Szatmár, RFT Robotron (napi használatban van)
következő kör
![]() JVC KD-A1 deck (jelenleg zenekari használatban), Unitra Diora, Videoton Gold Star csöves tv, Terta 422 fullosan restaurálva!
Na mégegy a végére a legrégebbi cuccok:
Terta 529MG (az én "kis" büszkeségem) magnója kész, lemezjátszóba dörzskerék-sor kéne, meg egykét cső a rádió részbe, azonkívül hibátlan! Orion 449 Valamilyen Orion, ehhez a dobozhoz másik sasszé illik, nem ami benne van Supraphon lemezjátékos, igazi bakelit 78as fordulatú lemezekez Aztán ezeken kívül még rengeteg minden fellelhető nálam pl Sokol rádiók, orosz multiméter, 2 Junoszty tv, egyéb viharvert rádiók, videók stb
Üdv. A Terta csodálatosan néz ki .A 60-as évek végén a 70.elején sokat javítottam belőlük.Talán van nyomó gombom és csuszkáim is hozzá.Csöveim mindhez van.
Üdv! A 422esre gondolsz? Abból valóban hiányzik a hullámváltó egyik nyomógombja. Meg a hangoló gomb réz betétje. Amúgy egy kuka mellett találtam
Az 529MG ből meg ha jól emlékszem az EABC80, meg az EF vagy EBF89 hiányzik.
Igen. Nem bótoljuk el? A többihez adok mindent.A lezjátszóhoz is talán vangumi görgöm, de bizonytalan . A magnót sajnos kidobtam, Viszont betét és tü lehet hogy van. Megnézem.Öreg T
Itt egy orosz számológép 1981-ből. Full alumínium burkolat. Nem kopó gombok. Még most is működik. 4,5v-os. Egy számolási műveletnél gondolkodik 1 másodpercet. Sajnos csak telcsivel tudtam lefotózni.
Erre emlékszem, ha télen behozta a gyerek, az 1. órán biztos nem használta, mert nem működött, amíg ki nem "engedett".
A gombelemeket annyira eszi hogy akitől kaptam annál egy laposelem volt a hátára szigszalagozva
De én nem használom. csak tetszik mert tartós darab.
Üdvözlök mindenkit! Ez aztán nekem való oldal! Van sok-sok régi rádióm és szeretném felújítani mindet. Még csak a felkészülés stádiumában vagyok, de ezzel kapcsolatban minden érdekel. Sokféle anyagot beszereztem - különböző tisztító anyagokat, káva felújításhoz: méhviasz, politúr, pácok és egyebek. A RÁDIÓTECHNIKA régebbi számaiban és az évkönyvekben részletesen ír a restaurálásról. A munka megkezdése előtt érdemes ezeket áttanulmányoznj.
Van néhány lemezjátszóm is, de legalább egyet jó lenne rendbehozni, ezért megkérdezem, hogy abból a tűből vagy betétből nem volna-e még plusz? Persze megfelelő értékben ami lehetne csere üzlet is.
Húúú de szép az a Terta 422!
Nekem is van egy, de a "hangszóróvászon" elég piszkos. Hogy lehet ilyen szépen kipucolni? A többi rádióm is hálás lenne az információért.
Hát a vászonnal kicsit csaltunk, ugyanis oda újat tettünk.
A régit nemtudtuk szalonképes állapotba hozni, sajnos több helyen szakadt is volt oregtamas: hogy gondoltad kivitelezni a boltolást?
Üdv. Össze írod miből mi hiányzik,mi rossz: cső/trafó/tekercsek /gombok /billentyűk /kis rádiókhoz panelek tok/ rádió magnókhoz mechanikák/skála üvegek stb. Kértek listát ,de hogy?Hozzá kezdtem és azóta a káosz uralkodik.Főleg hogy a Nejem létránek használta a könyvespolcot amin trafók voltak.
Három dolgot bánok. (1) a 70-es évekbe kidobtam a csöves autórádiókat (2) csöves /telepes asztali rádiókat. (3) A SZÜLEIM Orion 520 és szögletes Pacsirtát elkönyörögték amin egy karcolás sem volt.
Nah találtam még pár dolgot ami elég régi
Unitra Junior, Videoton Disco Lady, Akkord 201 Stereo
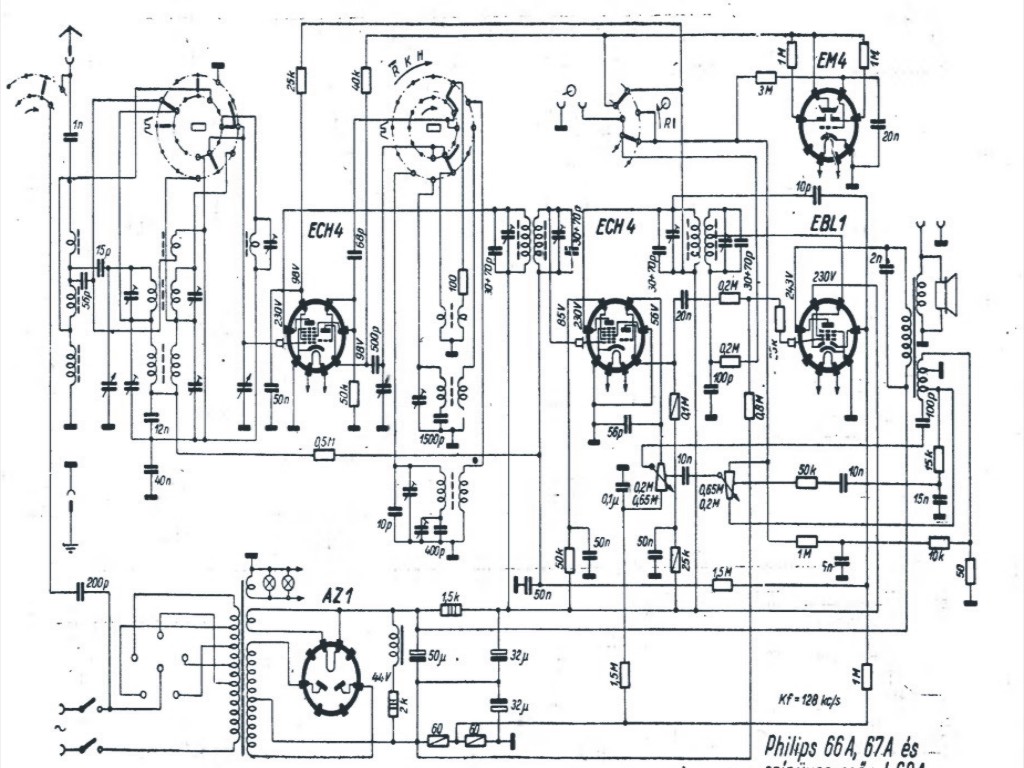
Van-e közöttetek olyan spéci, aki az én Philips rádiómat meg tudná javítani? Egy elektroncső hiányzik belőle, valószínű a végerősítő. Megvan benne az egyenirányító dupladióda, a varázsszem és két fémburkolatú cső. Nem is reménykedek benne, hogy esetleg valakinek lenne-e hozzá kapcsolási rajza és alkatrésze.
Üdv. Tipus szám -kép? Másképp nemtudnak segíteni.
TYP 66A
Erről a készülékről van szó?
A kapcsolási itt van mind a két változaté.
Igen!!! Erről a készülékről. Sajnos a skálaüveg és a végpentóda nincs meg, na és a hátlapja. Bearanyoztátok a napomat, sőt az egész hónapomat. Szeretlek titeket is így ismeretlenül is.
Talán egy kicsit jobb rajz...
EBL1 -et elég nehéz már szerezni, de 21 v. 41 beszerezhető, csak foglalatot kell cserélni. Ha van kép az üvegről, az is pótolható!
Skálaüvegé csak Corel draw-val vanlementve ha kell
4 vagy öt készüléké van meg csak sajnos.
Ha nem nagy kérés, közkinccsé tehetnéd!
A 66A itt van JPG-ben, ha valakinek úgy kell. Ha nem ismeri valaki a technológiát: Üveglapot méretre vágni, galvanizálni rézzel, és a kép alapján maratni, mint a nyákot. Sötétkék feliratokat is lehet készíteni ezek után +20 -al, persze csak az üres helyeken. |
Bejelentkezés
Hirdetés |

















De én nem használom. csak tetszik mert tartós darab.









