Fórum témák
» Több friss téma |
Fórum » Csöves erősítő készítése
Ne feledd betartani a fórum viselkedési szabályait, és a topik megmaradásának feltételeit. [link]
A téma átmenetileg fagyasztva lett, hozzászólni nem tudsz!
Szép. Nem egy mai darab. De az a barium katódos aranyszínű bevonatos TAF3 se amit küldeni fogok.
Régebben bemutatott GU50 SE erősítőm kapcsolása a 450V -os változat kicsit átdolgozott változata .
Kimenő 3,5k-ra tekerve ha jól emlékszem és 400V táp mellett 12W amit tud . Kicsit csökkentettem a meghajtás erősítését és nem csak a kimenőről van visszacsatolva . Jobb a hangaja ha a kimenőről kikapcsolom az NFB-t , csak a végcső katadódból marad kis visszacsatolás . Igazi csöves SE hang , mérve és hallgatva is nagyon ok..
Én a 320 voltost fogom megcsinálni egyszer 2,5k kimenővel. Én is módosítom a kapcsolást.
Itt a kép a kibontott trafókról. Mindkettő EI. Remélem majd jól teljesítenek valamelyik erősítőben hálózatinak vagy kimenőnek.
Hogy tudom meg hogy EI hanyas vas? Mit kell mérni?
Talán látszik. Szerk. Keresztmetszet: cXd.
Azt tudom hogy kell a keresztmetszetet kiszámolni csak mi adja a trafó tipusszámát EI-nél? talán az "a" a laphossz?
Úgy bizony! A "perjét" meg a c, az "oszlop" szélessége
A nagyobbik EI 103 16cm2 a kisebbik EI 91 15,4 cm2 Hány wattosak lehetnek? Érdekes hogy a kisebbikben vastagabb a lemezköteg, több lemez van benne.
Sziasztok. TÉLLEG'nem tudom,hogy sikerült ekkora üres helyet hagyni a hsz-om után,ezért elnézést.(a moderátortól külön is...)
későbbiekben majd igyekszem rövidebbre fogni.
Sziasztok! Még úgy 16 oldallal korábban ígértem, hogy hétvégén -azaz most- meg tudom szerezni a trafókat. Sajna most közbejött vmi, úgyhogy a legközelebbi alkalomkor amikor tudom megszerzem a hiányzó dolgokat. Csak azért írok, hogy tudjátok, hogy nem merült feledésbe az én projektem se.
Nagyon helyes! Türelem és kitartás az is szükséges a csövekhez. Várjuk hogy jelentkezz és segítünk összehozni a projektet.
Ha elég a 7-8W , az is csak pentódában akkor nosza .
Most azon gondolkodok hogy g50 se vagy 6c33c se legyen. Nekem már 10 watt is nagy előrelépés lenne a mostani el84-hez képest. Most a g50 felé hajlok mert az mégse eszik és fűt el annyit. Mert azt azt az "ugorkásüveget" (6c33c) kell ám fűteni. De azzal is mindenképpen fogok majd egyszer erősítőt építeni. Nem tudom de én leragadtam az SE-nél pedig PP-vel jobb hatásfokkal lehet nagy teljesítményű erősítőket építeni.
Még néhány gondolat a trafókról:a régi tv-kből,és innen-onnan bontott soreltérítő-és egyéb trafók azért nem jók kimenőnek(nem ELÉGGÉ jók),mert-bár áttételük,lehet,h közel áll az optimumhoz-viszont nem osztott tekercseléssel készültek,emiatt csatolási tényezőjük igencsak gyatra.márpedig az erősítő végső auditív minősége cca.70-80%-ban a trafón múlik.a frekiátvitel-nagyjából,és egy bizonyos határig-egyenes arányban áll a csat.tényezővel,vagyis a tekercsek rétegezettségével.ebből kifolyólag a tr.minősége többé-kevésbé megjósolható pusztán a hangszórótekercsek számából.több,általam készített trafó műszeres és auditív vizsgálata alapján a következő gyakorlati tapasztalat alakult ki.
A TV-kből kizárólag a hangkimenőt alkalmazzuk erre a célra. Egyetértek a mondandód lényegével, de: Egy félig-meddig elfeledett technikát próbál a csapat feléleszteni. Ehhez senki "nem mer" ismeretek hiányában úgy nekiállni, hogy súlyos tízezreket költsön rá a bizonytalan végkifejlet tudatában. Erre szerintem tökéletesen megfelelnek ezek a bontott trafók, mert óriási tapasztalatokat gyűjthet be a kísérletező. Ráadásul, ezek a trafók is verik hangjukkal a sok tízezerbe kerülő márkás tranzisztorosokat. Arra tökéletesen megfelelnek, hogy "megfertőzzék" a delikvenst. Ha ez már megvan - mint djhans esete is példázza - akkor jöhet a továbblépés, pl: hipersil magra saját osztott primeres trafó készítése, mely újra csak bizonyította az elmélet helyességét, és lényegesen jobb hangminőséget adott. És innentől már nem veri béklyóba a fantáziát az ismeretlentől való félelem. Djhans már túllépett ezen. Mi türelmesen kivárjuk, míg más is eljut erre a szintre.
Az ilyen igen aprócska trafót nem is igazán lehet "jól" megtekerni.
Kettő darab tekercsnél még igencsak rossz eredményt kapunk.a sáv felső végén nagy lesz a hiba,viszont alul már elfogadható átvitel adódik.három tekerccsel lényegesen jobb a helyzet,ha nem is rózsás.nem high-end igényekre,főleg kisimpedanciás csöveknél,akár jó is lehet.a négy tekercs jelenti a vízválasztót".az esetek túlnyomó többségében itt már igen jó minőség adódik,max nagy imp.csöveknél lehet enyhe sávhatároltság(fölül).öt és hat tekerccsel pedig kifogástalan átvitel,és brilliáns hangminőség érhető el.a t-ek számának további növelése már inkább ront a helyzeten,mivel az önkapacitás innenstől károsan megnövekszik,ami megintcsak lefelé tolja az átvitel felső határát.a tekercsek páros,v páratlan számának nincs jelentősége(párh.kötés esetén)
üdv!tökéletesen jól beszélsz,csak arra utaltam,h régebben többen próbálkoztak tv soreltérítő,meg egyéb trafókkal kimemő céljára.nyilván az alapismereteket elsajátítani,rutint szerezni tökéletesek a bontott alkatrészek,s én sem bíztatok senkit arra,h súlyos pénzeket öljön alkatrészekbe addig,míg nem biztos magában,s a sikerben.azért írom le a tapasztalatokat,h senki ne menjen bele fölösleges zsákutcákba... sajnos nix több időm,zárás van. üdv mki!
Elöször akkor a g50-et választom. Mégpedig azért mert olcsó és a meghajtó cső is van itthon nekem. 6c33c az már jóval drágább és ahoz a meghajtó csövet is meg kell vennem ami szintén nem olcsó. Gyakorolni jó lesz csúcs erősítő elött ami a 6c33c lesz. Tulajdonképpen ha lenne most gu50-em csak a kimenőt kéne megtekerni mert minden más rendlkezésre áll egy próbához.
Nekem meg van GU 50-em, csak foglalatom nincs, és sajnálom rá a pénzt, mert drágább, mint maga a cső ... Én is akarok egy GU 50 SE-t , de csak az EL84 SE után
Nekem az már meg volt és ezért jön a gu50. Már pl508 se is volt igaz csak próbapadon.
Nekem is van egy Pl508-cam, de én igazából PP-ben szeretném kipróbálni, de csak egy van .. Amúgy vadi új, AEG, lehet elcserélem, ha valaki tud valamit ajánlani érte
![]() Igazából én is be szeretném járni az "utat", kezdtem PCL 86-tal, ez szól most is, szép is, jó is, csak "halk".. Ezért kellene EL84 SE ( folyamatban van ), aztán GU50 SE, aztán jöhetnek a PP-k Közben meg párhuzamosan gitárcuccokat is buherálok, eddig van egy el84 SE clean/drive, most készülőben van egy 6l6 SE csak tiszta, tremoloval, és ez kombó lesz két 8"-os hangszóróval, és a következő már itt is pp lesz el84 pp, csak torz, amolyan "mini marshall" aztán meg egy "komolyabb" 3 csatornás fej reverbbel, tremoloval 50W 2x6l6 PP
Sziasztok!
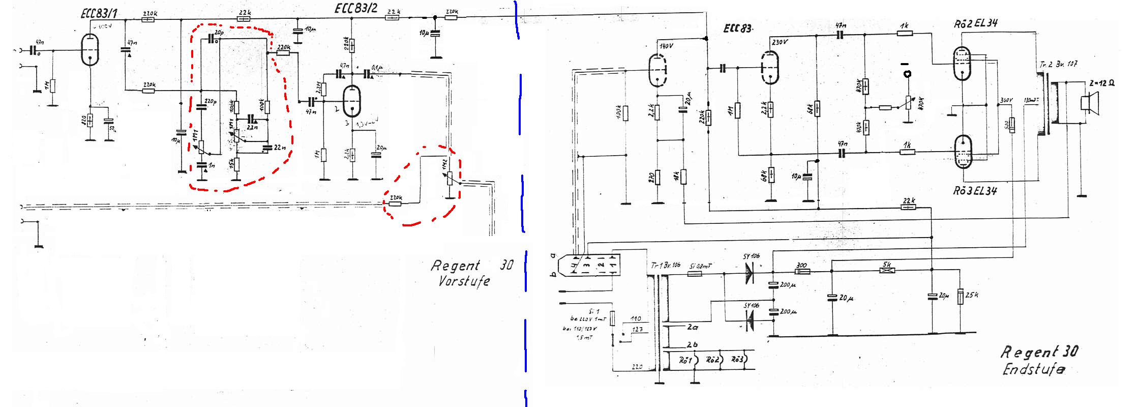
A kérdésem az lenne, hogy az alábbi kapcsoláson melyik kondik nagyfeszültségűek, vagyik melyiknél kell figyelni arra, hogy több, mint 100V esik rajta? Mert nem szeretném, ha meglepetések érnének... ![]() (Amik a piros szaggatott részen belül vannak, azok nem lesznek rajta a panelen...) Esetleg még az ellenállásokról is meg tudnátok mondani, hogy melyiket kell nagyobb teljesítményűre választani, és, hogy mekkorára kb? Előre is nagyon köszönöm! Üdv! (U.I.: csatoltam külön az előfokot és az egészet egyben is)
Lehetne , de Te a 320V tápot választottad !!!
GU adatlapja nem bizonyítja a nagyobb G2 feszkót , de gyakorlatban simán viseli .......
Kicsit off:
Előkotortam egy PL500ast, és bedrótoztam a PCL86 helyére ECC83 meghajtással. Sokkal nagyobbat szól, viszont a kimenőim közül egyik se jó hozzá Amúgyis majd PP-t szeretnék a PL500akból :yes: Csakmár furdalt a kíváncsiság, hogy jók e a csövek
Szia!
Az összes csatolókondi legyen 400V-os, a tápkondikkal egyetemben. A tápban található ellenállásoknál van teljesítményigény, a 300 Ohm, és az 5k, 5W, os máshol a Wattos megfelel.
PCL85-ből nem építkezel? Elvileg kéne legyen egy szekérderékkal....
Szia!
Hú azt elfelejtettem mondani, hogy csak az előfokról van szó! Magyarán minden kondi legyen 400V-os??? Mert szerintem nem kellene mindnek... pl a bemeneti 47n-osnak szerintem tuti nem kell, meg szerintem a 10, 20 és 50 u-soknak se... De ezért kérdezem, mert nem nagyon tudom. Köszönöm! Üdv |
Bejelentkezés
Hirdetés |





későbbiekben majd igyekszem rövidebbre fogni.




ECC83 meghajtással. Sokkal nagyobbat szól, viszont a kimenőim közül egyik se jó hozzá
Amúgyis majd PP-t szeretnék a PL500akból :yes: Csakmár furdalt a kíváncsiság, hogy jók e a csövek
