Fórum témák
» Több friss téma |
Fórum » Akkumulátor töltő
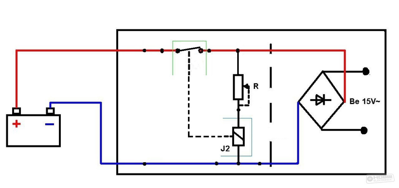
De itt van 'kissé' leegyszerűsítve az eredeti rajzod is..
Sőt a maradék felesleget is kidobva: ott vagyunk amit én rajzoltam.
Bővebben: LinkA rajz ecopityué. Acikket is ő irta.
A hozzászólás módosítva: Aug 21, 2017
Ő ezt írja: "akksin kipróbáltam, minimum állásban 7-10 A-rel, max. állásban 18 A-rel töltött."
Nos én nem tönkretenni akarom a gondozásmentes aksiaimat, azaz elég az 1/10-ed töltőáram (60Ah aksinál 6A). "fordított polaritás esetén minél kisebb kárt szenvedjen" Ezen védelmet nem sikerült elérnie.. Megmondom mi történne: Az eredeti gyári módosítatlan töltő és az én rajzom szerint is azonnal- Ecopityu rajza szerint az indítógomb megnyomását követően azonnal- tönkremenne mind a 4db erősáramú (graetz) dióda (a 100A-t nem bírván kb kettő zárlatba megy kettő megszakad) ezzel kiváltva a trafó füstölését leégését is.. És ezután jönne a 1000µF kondi felrobbanása.. Szóval nem 'csak' 100Ft veszteség, hanem az egész mehetne a kukába.. A hozzászólás módosítva: Aug 21, 2017
És a relé záró érintkezői is összeégnének. Örökre.
Mertem arra gondolni, hogy a trafó belső ellenállása, szórás miatti feszültségesése, korlátozza a töltőáramot. Öcsémnél évek óta működik.
A hozzászólás módosítva: Aug 21, 2017
Fordítva kötött aksit nem sokminden korlátoz..
Csak a 2. lépésben következik a trafó rövidre-zárása..
Lehet, hogy nem szokta fordítva rákötni?
Úgy gondoltam ezen verziót építem meg.
(pontosabban a R4, R5, T2, Led1 nélkül, ugyanis azon alkatrészeket már tartalmazza a töltőm, csak átkötöm az R5 lábát a relére). R3 adja a csepptöltést. Talán felesleges a fesz.ref.IC, elég lesz a Zener is, ha nem majd teszek vele sorba egy diódát hangolásnak (végső esetben könnyen váltok IC-re). Láttok benne valami lényegi problémát? A töltőben 15V~ a trafó kimenete, azaz 20Vpp 100Hz -et ad. A hozzászólás módosítva: Aug 23, 2017
"A puding próbája az evés." Ha megépíted, meglátod úgy működik-e ahogyan elképzelted.
Szia!
Eléggé soká de azért csak mutatok róla egy képet. Hátha másnak is hasznos lehet az infó. Ilyet lehet akkor Recond opcióval tölteni ?
Mivel még vannak csavarok rajta, először az elektrolit szintet ellenőrizd! Lehet tölteni, csak gázképződéssel jár.
A hozzászólás módosítva: Aug 26, 2017
Köszi!
Még egy olyan kérdésem lenne hogy 4 hét után mennyire lenne szabad lemerülnie az aksinak ?
Rámértem a nyugalmi áramra és 25mA vesz fel. Gondolom ez jó érték még.
12,5 V általában amit tartania kellene, ha ha kicsit alá megy még nem baj, de ha már nem forgatja meg a motort, bármilyen feszt mérsz rajta, akkor regenerálni kell. Persze ha még lehetséges...
Van rá több féle mód, lényeg hogy ne legyen sokáig lemerülve, s vízhiányosan, mert akkor igen kemény dió lesz.
Értem. köszönöm a segítségedet!
Not at all!
Szia!
Azért erre az akkumulátorra, egy takarítás ráférne. A tiszta akkunak kisebb az önkisülése.
Sziasztok!
Egy kérdésem lenne: Ezt a 9.6 voltos akksit lehet tölteni ezzel a töltővel? Két külön helyről származnak, ezért nem vagyok biztosa kompatibilitásukban.
Igen, de a töltési időt számold ki. A töltőre írt adatok alapján 800-900 mAh-ás akkupakkhoz ajánlja a gyártó, számolj utána neked mennyi ideig kell tölteni, ez a típus Nem figyeli a töltést és Nem kapcsol le a végén.
Sziasztok! Segítséget szeretnék kérni! Van egy akksi töltöm ami elromlott! Úgy veszem észre hogy az egyenirányító a hibája-hol tudnék ilyet venni? Na meg úgy látom hogy nincs rajta hővédelem azt hogy tudnám megoldani? Képet csatolok!
Mit értesz hővédelem alatt? Diódahíd: HEStore.
Szia!
Nem ártana, ha kikötnéd a graetzet és üresben járatnád a trafót pár órát, nem sínylette-e meg a tekercselés az esetleges zárlatot. A graetzet pedig külön ellenőrizd le csere előtt műszerrel, ha van, vagy minden variációban egy soros 20-50 wattos izzóval kösd rá a szekunderre, hogy szakadt-e vmelyik diódája, ill. zárlatos-e. Jó diódánál kb. fél fény van, a többi verzió meg magától értetődik.
Ha járatom üresbe mire figyelek? A híd tuti kuka bemelegszik és szikrázik!
Ja hővédelem alatt azt érteném ha túlmelegszik a rendszer be s trafó vagy a híd mennyen tönkre hanem jó lenne egy önjavító hővédelem! Ezt nem láttok rajta lehetséges utólag?
Például egy ilyennel.
Ez 70 foknál kapcsol ki, és ha 55-re visszahűl, akkor ismét bekapcsol. Van sokféle hőmérsékletre, így szabadon meg tudod választani. És még kialakításban is van variálási lehetőséged.
Az üresjárattal ( híd nélkül ) csak azt látod meg, hogy a trafót még nem károsította-é.
|
Bejelentkezés
Hirdetés |















