Fórum témák
» Több friss téma |
Fórum » Eberspacher állófűtés javítása
Ez can-bus os vezérlő (az biztos..) nem hiszem hogy szóra bírod ..külsőleg..
De lehet hogy tévedek..
Szia,Wadember.B.U.É.K.
Bocsi az eltűnésér, de év végi szokásos,behavazás. Az mit jelent hogy a befúvó legyen bekötve? Az a zöld amit elvágtam és a pumpa felőli oldalát testre kötöttem,annak a kályha felőli oldala megy elvileg a klíma centerre ez lett volna a következő kérdés ha elindul a kályh, hogy azt hogyan kell bekötni a digitklímába. De nem bírok vele!
Szia,Norbi
Pécs nem akarom leszedni a kályhát még egyszer miért kell a fotó?
A digitklíma bekötésben nem tudok segíteni az egyes autóknál elég komoly erotikus élményt jelent, bár van amelyiknél egyszerű (Audi A4 B5) A befúvót úgy értem, hogy hajlamos a testelése a vezérlőn belül a forrasztásnál elrepedni. Ergo nem érintkezik tehát a vezérlő úgy veszi mintha ott sem lenne tehát hibára fut. Ezen úgy lehet segíteni, hogy a befúvó motor barna vezetékét kiemeled a csatlakozóból (ami az elektronikára megy) és külön letesteled valahova ami szimpatikus és testpotenciálon van. Persze ez csak akkor érvényes ha ez a hiba egyáltalán. Ezeknek nem könnyű távjavítással megállapítani mi a bajuk. Sokszor még akkor sem ha az orrom előtt van de nincs diagnosztika.
Szia.
Fő probléma hogy ebben az autóban d3w volt de elromlott. Gondoltam ha csere akkor legyen d5w sc,azért hogy legyen állófűtés is. Sokat járok egyedül külföldre,meg kell néha állni pihenni. Azért kérdeztem rá a szellőztetésre.
Sziasztok!
2000,12. havi sharan(már új kasznis) tulaja vagyok, eljött a komoly hideg és nem kelt életre a verda. Bikázni még nem próbáltam, az lehet segítene. Kályhám van és működik, itt az ideje álló fűtést varázsolni belőle. Már egy ideje foglalkoztat a gondolat de most már muszáj. Gyári vezérlő panelt tudnék rendelni de kell még a kábelköteg és bekötési rajz. Ha van márkatársnak, megoszthatná velem. Vagy épkézláb ötleteket is elfogadok, ha van jobb egyszerűbb az is érdekel. Köszönöm. András
Szia!
Köszönöm! Meg is rendeltem, talán holnap megérkezik. Üdv. András
Sziasztok! Végig olvastam a fórumot, sokat keresgéltem neten, gondoltam regisztrálok és írok, hátha valaki tud egy picikét segíteni! D5W Z kályhám van seat alhambrámban. Izzító gyertya cserélve lett pár hónapja, állófűtés fasán működött. Jött a hidegebb idő, kis alvázmosás , -11 fok...stb... 01409-es hibát ír ki a VAG-COM, ismételt lángkialvással megáll..... motor dolgozik, venti dolgozik.... bár ahogy hallom kicsit furi hangja van a ventinek.....de dolgozik, működéskor "szükés füst " árad ki belőle, majd kialszik kb 1 pec műszak után..... Tud valaki segíteni? hétvégén le fogom szedni a kocsiról, szeetném kitisztítani...mi figyeljek oda? Válaszotok előre is köszönöm!!!!
Tömítéskészlet nélkül ne szedd szét mert ha szét is tudod szedni (nagyon hajlamos az összerohadásra vas kontra alu kontra sólé) a régi tömítések rendszerint szétfoszlanak szétesnek (tűzálló hőálló tömítések). Ha szétjön meg kell nézni a lángszitát (közvetlen az izzítógyertya körül kis saválló szitacső) milyen állapotban van, ha kivan égve csere. Ha kokszos akkor tisztítás óvatosan. a szita környéki levegőfuratokat is ki kell pucolni rendszerint telemennek a porladozó kályhatest alumíniumsóival, így a gyújtást nehézzé teszik (amit leírtál jelenség). Valamint érdemes a belső hőmérő szondák kábeleit átnézni mert ennek a gyártónak a ezen termékeinek a vezeték szigetelése hajlamos pár év alatt semmivé válni.
Köszönöm válaszod, átgondoltam én is az egészet, amíg nincs semmi tömítésem, semmi csere alkatrészem, addig hagyom a francba, gyakorlatilag több kárt okoznék, mint hasznot
Szerbusztok új vagyok nemrèg vàsàroltam egy webasto vizes kèszülèket nem tudom mukàra bírni az elemek mind működnek külön izzítàs punpa adagolò vetillàtor vw t4 vagy t5 ben volt kène valaki aki megjavítanà.vagy hasznos tanàcsot tudna adni. köszi Pèter
Azért egy pontos típus vagy egy fénykép az adattábláról nem ártana! Van a Webastónak jópár vizes rendszerű kazánja!
thermo top c az oldalàn szàm ès vonalkod 678896 12v
Kábelezési rajz vagy csoportkábeled van hozzá?
a kábel köteg ami a kèszülèkhez megy meg van 3 barna narancs fehèr kèk feher (viz punpa) kèt narancs (valami színel )
Kedves Kályhások!
Jó régen írtam, de a lényeg, hogy átverekedtem magam minden akadályon, sikerült kiagyalni, hogyan kell kiszedni és megjavítani a sokszor CSAK forrasztási hiba miatt működésképtelen vezérlő elektronikákat. Közben ezeket most már vállalkozóként javítom (CSAK szervíznek, magánszemélynek NEM), most csak néhány képet gondoltam felrakni. A korábbi hozzászólásomban a lényeg benne volt. Elsőként két kép, ahol az első a már javított, de nem kiöntött, a második a már teljesen kész egységet mutatja. A lényeg: igenis meg lehet csinálni! A baj csak az, hogy rengeteg a forrasztási hiba, kb. 80-100 helyen kell javítani. Egy jó műszerész szerintem meg tudja csinálni. Üdvözlettel: olika76 A hozzászólás módosítva: Júl 15, 2017
Kedves Kályhások!
Folytatom még a képeket, amelyek a tesztpadomról készültek. Remélem érdekes lesz. Minden része az első hozzászólásomban levő, paramétereket is tartalmazó link (tami kályha) alapján készült el. Ami változott a képeken: az izzító helyett most már egy nagy teljesítményű (100W-os, hűtőbordás), 1 Ohmos ellenállás van. Továbbá a kapcsoló panelon már van két feszmérő, amellyel mérhető a "üzemanyag pumpán" és az "izzítón" jelentkező feszültség és/vagy áramerősség. A tesztpad nemcsak D3WZ-t vagy D5WZ-t tud tesztelni, hanem pl. D4WSC-t (ez több eszközt igényel a tesztkor, mivel pl. utastér ventilátor indítás is van) vagy Hydronic II-t is. Üdvözlettel: olika76 A hozzászólás módosítva: Júl 15, 2017
Sziasztok.
Szereztem egy webasto thermo top z/c-d típusú állófűtést, és ezt szeretném próbapadon működésre bírni, később pedig beépíteni az autómba. Ehhez szeretnék valami bekötési rajzot amivel kitudnám próbálni.
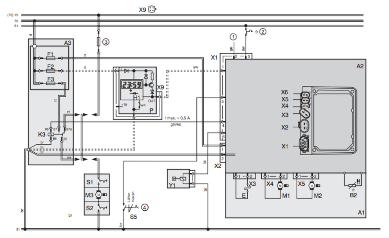
Mielőtt elindítod illik diagnosztikára tenni! Szokott halni bennük a hőmérséklet szenzor és azt másképp nem tudod meg csak ha független hőmérővel mérsz és közben nézed az élő adatokat. Az izzítógyertyája egyben a lángőr is és mivel kiegészítő (nem álló) fűtés volt sanszos hogy az sincs a helyzet magaslatán. Egyébként a net tele van a bekötési rajzokkal! A tábláján nem látszik jól a képen mekkora a felvett teljesítménye? 32 vagy 43W?
32w és nem igazán óhajtom diagnosztikára kötni, csak elindítani hogy megy vagy sem. Bekötési rajzot nem igazán találtam ezért írtam ide!
Itt a bekötés! A 32W-os nem fogja indítani az utastér ventilátort!
A hozzászólás módosítva: Szept 4, 2017
No ezt a rajzot én is megtaláltam. De sajna nekem csak az van a fűtésből ami a képen látszik szóval se relé se időzítő stb. Az hogy nem indítja a fűtés ventilátorát nem is nagyon érdekel mert ezt orvosolni a legkönnyebb.
Szóval nekem ennél egyszerűbb ötlet kellene a kipróbáláshoz.
Szia!
Nekem is van egy állófűtésem, amit szeretnék beüzemelni. A típusa Webasto thermo top V 42 W diesel, jól gondolom, hogy ez can-bus vezérlésű, és asztalon nem indítható egyszerűen? A másik kérdés az üzemanyagpumpa, a manuálban azt látom, hogy jó hozzá a DP40-DP41-es pumpa, viszont ezt a típust benzineshez is használják. Vagy ezek pumpák univerzálisak, mindkét üzemanyag szállítására alkalmasak? A hozzászólás módosítva: Szept 5, 2017
Igen can buszos, diaggal indítható az egyik pumpa univerzális a másik csak diesel
Ha analóg a vezérlője akkor bekötöd a rajz alapján az üa pumpát a 6 pólusú stekkerbe (6-os láb és a test közé) adsz neki tápot a táp stekkeren 2 pólusú a 6 pólusú mellett, és ha minden ok akkor a 6 pólusú stekker 1-es lábára 12v és indul ha minden ok
sziasztok,
Hydronic II-F (D5Z-F) kiegészítő fűtés gondom van. Befúvó motor hibát ír ki. szétszedve, kitisztítva, direkt feszültséggel kipróbálva, működik. Ami mérhető megmérve. Továbbra is ugyan az a hiba kód. Helyi szerelő (ezzel is foglalkozik) azt mondta valószínűleg elektronika hiba. Ismét szétszed, de sajna az elektronika ki van öntve valami enyhén rugalmas trutyival. Kérdés javítja-e valaki magán személynek is? Köszi a segítséget előre is.
Olvass vissza picit, fentebb van aki megjavította.
Köszi a választ. Láttam, hogy olika76 tudja javítani. De sajna azt írja, hogy csak szervíznek. Magánszemélynek nem. Azt nem tudom mi a különbség a szervíz és az én pénzem közt. De ezt írta. Egyébként elsőre az is elég volna, hogy hogyan lehet kiszedni azt a valamit az elektronokarol. Van-e valami oldoszer vagy barkács módszerrel kifaragom.
|
Bejelentkezés
Hirdetés |






nem akarom leszedni a kályhát még egyszer miért kell a fotó? 













