Fórum témák
» Több friss téma |
Ha szkóp-képet teszel fel, legyen látható a kezelőszervek beállítása, vagy add meg a beállításokat!
Műszered negatív pontja biztosan testen azaz középnullán van?
Sziasztok!
Van egy kétsugaras EMG TR-4657-es szkópom. Tegnap levettem a burkolatait, mert nagyon poros volt belül és kompresszorral kifújtam, aminek hatására sajnos elment (valószínűleg) a vízszintes eltérítése. Lehetséges, hogy pl. egy csatlakozót lefújtan. Mindkét sugár csak egy pontban áll, függőlegesen azt hiszem kitéríthetők. Abban kérném a segítségeteket, hogy hol kezdjem a hibakeresést. Nem titkoltan azért kérek segítséget, mert nem értek igazán az analóg szkópokhoz és nálam hozzáértőbbek és a műszert jól ismerők esetleg kapásból tudják hová nyúljak. Előre is köszi.
Aranyszabály: Ha működik, ne nyúlj hozzá, ha elromlik, javítsd meg.
Valamiért megállt az eltérítő generátor, végig kell nézni a kontaktusokat a ks csőtől visszafelé. Vízszintes eltérítő erősítő, kontaktusai, és tápfeszei, ha rendben van, kipróbálni külső jellel. Ha eddíg jó, akkor jöhet az eltérítő generátor, szerintem itt lehet a bibi. Nem egyszerű feladat. Esetleg szinkronozó áramkörök.
Esetleg: foglalatban lévő tranzisztorok közül kimozdult, vagy kirepült valaki. Vagy drót leszakadt a légnyomástól.
A hozzászólás módosítva: Jún 28, 2017
Horizontálisan tudod változtatni mindkét sugár helyét?
Ha igen a végfok jó eséllyel rendben van. Ha nem, akkor nézd át mi szakadt le. Nézd meg megvannak-e a tápfeszei (+120, +15, -15, -40) Mindkét időalapra vonatkozik, hogy nincs eltérítés vagy csak az egyikre? Ha jól emlékszem mindkét időalappal lehet vezérelni mindkét hor. végfokot.
Köszi mindenkinek a segítséget. Részsikert sikerült elérnem és megtalálnom egy hibát. Kifújtam egy tranzisztort az aljzatból. Ezzel megjavult az egyik sugár, a 2-es, vagyis a jobb oldali. A bal oldali viszont nem működik. Az a fura helyzet van, hogy ha az 1-es sugár van kiválasztva, akkor is a 2-es ágyú és a 2-es bemenet működik. Viszont ha az 1-es sugár van kiválasztva, akkor a 2-es vezérlőkkel lehet beállítani, de sugár fókuszt meg az 1-eshez tartozó gombbal lehet állítani. Ez egy kapott szkóp és ez a hiba valószínűleg már megvolt benne a kifújás előtt is. Eddig annyit találtam, hogy az 1-es sugár vízszintes eltérítése részben át lett alakítva valamiért, de úgy látszik nem sikerült valami jól. Akitől kaptam azt mondta, hogy egy tranzisztor kiment benne, de nem talált ugyanolyat, ezért kiváltotta valami mással, de nem emlékezett már semmilyen konkrétumra. Már megvan az S/M, meg a kapcsolási rajz, most nyomozom, hogy hol, mit alakított át.
Sziasztok!
Most a változatosság kedvéért egy szovjet C1-94 szkóp került a kezembe. Olyan problémával, hogy bekapcsolás után negyed-fél órával szépen, lassan kezd halványodni a képe. Kikapcsolom, majd bekapcsolom, ezután pedig nagyon halványan jön be a kép, majd lassan kicsit kivilágosodik, de nem teljes fényerőre. A teljes fényerőt csak kikapcsolás után sokat pihentetve, kihűlve majd újra bekapcsolva kapom vissza. Hol érdemes nézelődnöm? A tápok rendben vannak, azokat megnéztem. Előre is köszönöm a segítséget!
Hallo! Olyanban szeretnék segítséget kérni, mivel analóg oszcilloszkóp téren még kezdőnek se vagyok mondható, de van egy probléma. Vettem egy Phillips pm3262 oszcilloszkópot, egy ideig nem volt vele probléma semmi, aztán egyik alkalommal bekapcsolás után nem sokkal hallatott egy sistergő hangot, ekkor kikapcsoltam, aztán vissza és a B csatorna vertikálisan ugrált és még most is ugrál. Van valakinek ötlete, hogy mi a probléma esetleg mit kell kicserélni?
Előre is köszi a segítséget
"Még most is ugrál"... de még most is sistereg?
Természetesen s függőleges eltérítő erősítőt kell megnézni, de nem biztos, hogy a sistergés okának (ez akár ránézésre is kiderülhet) elhárítása megoldja a problémát mást is vihetett magával. Volt a bemeneten valami, amikor a hiba először jelentkezett? Az eltérítésnél száz voltos nagyságrendű feszültségek vannak, körültekintően kell mérni, (a szkóp áramkörei és az életed érdekében is) másrészt az időben változó hibák keresésénél jól jöhet egy másik szkóp is. Én dokumentáció alapján a tápkört nézném meg először, mert a leírás alapján valamennyire működik. Ha külön panelen van, akkor az összehasonlítás is sokat segíthet. A hozzászólás módosítva: Aug 30, 2017
A sistergés nem jelentkezett azóta és az esetkor nem mértem semmit se azon a csatornán se a másikon. Azóta szétszedtem, valamelyik tápkondira gyanakodva (hátha valamelyik folyni kezdett és az adta ki a hangot), de megmértem mindegyiket és épek voltak teljesen, ezt az kapacitásmérés is alátámasztotta :/
Sziasztok! a napokban elromlott az "új" elektroncsöves oszcilloszkópom, (ami miatt nagyon szomorú vagyok). A lényeg az hogy a 2. bekapcsolásra átütés hangot kezdtem hallani a belsejéből, és elment a kép, ezen kívül eszméletlenül orrfacsaró bűz ütötte meg az orrom. Ezek után gyorsan szétkaptam megnézni. kicseréltem egy meghibásodottan kinéző kondit és reménykedtem a csodában, de semmi. amikor bekapcsolom ugyanaz az istentelen bűz. Ma javasolta az egyik ismerősöm hogy nézzem meg a szelén egyenirányító diódát és cseréljem ki. de most szétszedtem, megnéztem de az összes dióda tök jól néz ki, azaz.. nincsen rajtuk semmi külső jel hogy rosszak lennének. Mit tegyek? Mi lehet a hiba? ki cseréljem a diódákat? a válaszokat előre is köszönöm
Kérlek a kis és Nagybetűket tarsd be. Mondat elejét nagybetűvel kezdünk.
Milyen oszcilloszkópról volna szó? Típus vagy valami? A hozzászólás módosítva: Aug 30, 2017
Egy Orion tr-0813 szkópom van
Először én a tápfeszültségek ellenőrzésével kezdeném. Itt a TR-0813-as Wobblerszkóp tápkapcsolási rajza. Erről meg tudod nézni hol milyen feszültségek vannak? Méréskor figyelj oda mert igen magas feszültségek vannak a készülékházon belül! Mindenképpen jól szigetelt mérőkábel szükséges hozzá.
Mod.: Minden tápfeszültség negatívja a ház (sasszi) így a mérőműszered negatív vagy test pontját valahol jól érintkező helyen csatlakoztasd a Wobbler házához,majd miután megállapítottad hogy minden olyan helyet ahol tudod mérni a tápfeszültséget (már egyenirányítva) jól felismersz kezd el csak a mérést. Sok sikert kívánok előre is. A hozzászólás módosítva: Aug 30, 2017
Rendben. Köszönöm. Megcsinálom amit mondtál.
Ha ilyen büdös, akkor 99%, hogy a szelén húz át. Kösd ki, tegyél rendes diódát (feszültség,-áramra figyelj). Vagy megsütött egy poloskát.
A hozzászólás módosítva: Aug 31, 2017
Oké. akkor ki cserélem.
Sziasztok!
Van egy Philips PM3217-es oszcilloszkópom, ami sajnos nem hajlandó elindulni. Már régebben is tréfálkozott, bekapcsoláskor a táp pulzálva ki-be kapcsolt (a rajzot nézve áramvédelem... gondolom), de egy-két perc után "feladta" és bekapcsolt, majd hibátlanul működött. Hosszabb használati szünet után (3-4 nap) a jelenség ismétlődött. Mivel nem mai gyerek, valami kiszáradt elkóra gondoltam és azokat néztem át a tápjában elsőre. A bekapcsolást indító kondit cseréltem, az áramkorlátot figyelő ellenállást kimértem, elvileg minden rendben van. A táp "üres" kiméréséhez egy rakat műterhelést kellene kiépítenem, ezt még nem csináltam meg... ámbár lehet, hogy valamelyik modul vesz fel meghibásodva nagyobb áramot... ?! Valakinek van tapasztalata ezzel a jelenséggel? A hozzászólás módosítva: Aug 31, 2017
Tipp. Esetleg a ks. cső nagyfeszültségű áramköreiben van zárlat. Tápról lekötném a ks. cső táplálását, akkor is letilt-e a védelem.
Üdv!
Adott egy Dumont 1100p oszcilloszkóp. Úgy került hozzám hogy kicsit hiányos. A képcső anódja és a kicsi trafó között kellene lennie egy alkatrésznek. Ez sajnos nincsen meg, és nem is tudom, hogy mi lehet az. (talán egy sokszorozó?) Ebben kérem a segítségeteket! A képek a szervizkönyvből származnak.
TV-ből bontott (nem kell szerintem színes) jó lehet próbára...
Szia!
Oké kipróbálnám, ha tudnám mit is keressek! Köszi a választ!
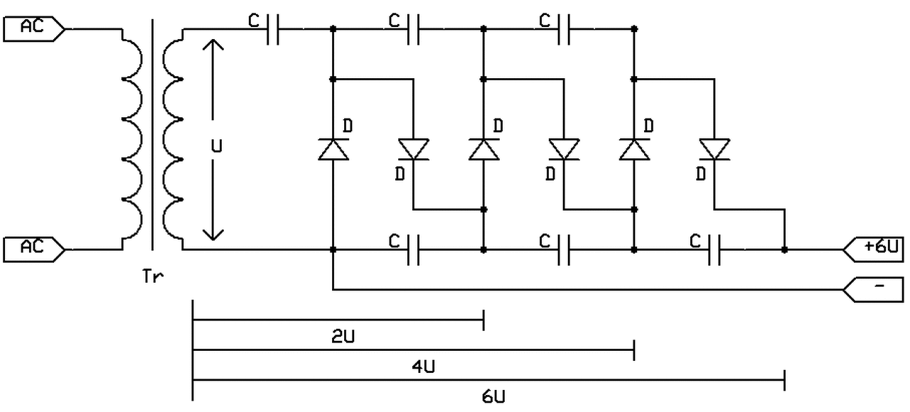
Egy ehhez hasonló dolgot. Régi Orion/Videoton tévékben ez még külön egység volt a sorkimenő közelében, késöbb rálett szerkesztve a sorkimenő trafóra.
Ha más megoldás nincs összerakhatod te is diodákból és kondikból, hasonlóan mint ami a levegő ionizátorokba van.
Köszi a választ!
A nagyfeszültség értékének elég pontosan a rajzon lévőnek kell lennie. Ha több, vagy kevesebb, a kapott jelalak mérete jelentősen eltér a szükségestől, másképpen nem lehet korrigálni.
Hello!
Mit tehetek akkor? Mehet a vitrinbe? ![]() Vagy utánépíthető valahogyan?
Utánépíthető, de ott nagyfeszültség lesz, vigyázni vele. A sokszorozó fokozatok számától függ a keletkező feszültség. Valószínűleg valahány fokozatnál passzolni fog, mert az eredeti is ilyen sokszorozó lehetett, csak nem tudom hány fokozat kell. Nagyfeszültségű diódák és kondenzátorok kellenek.
Lehet, hogy a visszább linkelt tv sokszorozó éppen jó. A hozzászólás módosítva: Szept 9, 2017
Értem! A mellékletben szereplő rajz jó lesz?
Milyen értékű kondikat használjak hozzá? |
Bejelentkezés
Hirdetés |











