Fórum témák

» Több friss téma
Fórum » BEAG APT-100
 
Témaindító: kovi91, idő: Márc 25, 2008
Témakörök:
Lapozás: OK   2 / 23
(#) kovi91 válasza hozzászólására (») Ápr 7, 2008 /
 
leforrasztottam a sorkimenő trafóról a primer oldalt, így a kimenet oké volt, és a másik odalon pedig kimértem a bemenetet, szal így oké, köszi a segítséget!
(#) kovi91 hozzászólása Ápr 7, 2008 /
 
Gé! Megkaptad a pontodat, te tudtál legtöbbet segíteni[b]
(#) proli007 válasza kovi91 hozzászólására (») Ápr 7, 2008 / 1
 
Egy kis kiigazítás!

A TV-ben van sorkimenő. Itt csak akkor az, ha sorba kimegy!

Ez egy 100V-os vonalmeghajtó trafó.

üdv! proli007
(#) válasza kovi91 hozzászólására (») Ápr 7, 2008 /
 
Oké, örülök hogy végül sikerült megoldani
Amúgy nem sorkimenő, csak kimenő, mert sorkimenő tv-kben meg ilyesmikben szokott lakni

A pontot pedig köszi szépen


szerk.: Ja igen, proli007 megelőzött a sorkimenős dologgal. Na mindegy
(#) mikike33 válasza (Felhasználó 13571) hozzászólására (») Ápr 8, 2008 /
 
Szia!

Igaz nem olvasok utána mert elég kevés a szabadidőm... Továbbá nem is akarom magam továbbképezni ilyen téren. Feltettem egy kérdést amire neten nem találtam választ. Gondoltam majd itt! És sikerült is. ennyi... Ezt a pontozást pedig abszolúte nem használom
(#) djyuri hozzászólása Ápr 12, 2008 /
 
Sziasztok!

Megtudjátok mondani,hogy mi a maximum tápfeszültsége ennek az APT 100-nak? 2N3055-ös végekkel van nekem.

köszi
(#) proli007 válasza djyuri hozzászólására (») Ápr 12, 2008 /
 
Hello!

Nem tudom mire megy ki a kérdés, de itt az erősítőben +-52...56V van. Pont a 2N3055 tranyók miatt van ez a lehetetlen kaszkádolás. Tehát ennél több táp biztos halál. (Meghajtók is szélső értéken vannak)

üdv! proli007
(#) djyuri válasza proli007 hozzászólására (») Ápr 12, 2008 /
 
HY

köszönöm Ez volt a válasz a kérdésemre

Amúgy a nagy végfok mellé akartam betenni,de ott +/-64V van...de akkor kihagyandó

Azt esetleg nem tudod,hogy kis-közepes hangerőn...kb 50Hz körüli értékű zenei hang mellett miért van ez a pattogás? Egész halk,de hallható....olyan nagyjából 1 másodpercenként.

Lecseréltem egy valag kondit újakra,de csak elgyengült,de lehet csak én hallom halkabbnak.

Köszi
(#) barniby hozzászólása Ápr 13, 2008 /
 
Üdv mindenkinek.Az lennea kérdésem ,h lomtalanítás táján találtam egy erősítőt ami nagyon megfogott.Szeretném megcsinálni,de nemigazán tudom h mire kellene kicserélni a dolgokat benne,van ami elégett benne,de az egyik oldalon lévo 2n3055-ösöknek tuti annyi,de valami furcsa anyagból vannak a tekercsek a végerősítő panelján is.Panelja írva:OUO2974

Esetleg ha tudnátok kapcsirajzot küldeni nagyon megköszönném,valamiért megfogott ez a régi csoda.
(#) proli007 válasza djyuri hozzászólására (») Ápr 13, 2008 /
 
Hello!

Hát ez az "50Hz körüli értékű zenei hang " számomra rejtély. Esetleg tápláld meg tényleg 50Hz-ről, és úgy vizsgáld.

Sajna nem ismerem ezt a jelenséget, de lassú pattogást okozhat, sztatikus feltöltődés, valamilyen termikus kontakthiba (hő, vagy feszültség hatására átütő oxid réteg), szigetelési hiányosság a bordán, beázás a nyákon, esetleg félvezető zárórétegének szivárgása.

Ha a pattogást jel nélkül is hallható, akkor ha mód van rá, válaszd szét a fokozatokat, vagy hidegítsd kondival itt-ott a jel útját és úgy vizsgáld.

Jobb ötletem nincs, elég keserves a kutatás. Próbáld meg valamely fokozatra leszükíteni a forrását.

üdv! proli007
(#) proli007 válasza barniby hozzászólására (») Ápr 13, 2008 /
 
Szia!

Elég őslelet a szegény, de jólnéz ki. Ha már működik érdemes a kondikat, szénréteg ellenállásokat lecserélni.

Amiről beszélsz, pont nem látni a képeken. Viszont ami látszik, hogy néhány barkácsolt forrasztás van a kondiknál, és imitt-amott néhány lógó vezeték. Ezt azért érdemes lenne elhárítani.

Ha meg lesz a rajza, biztosan életre kelthető.

üdv! proli007
(#) Sebi válasza barniby hozzászólására (») Ápr 14, 2008 /
 
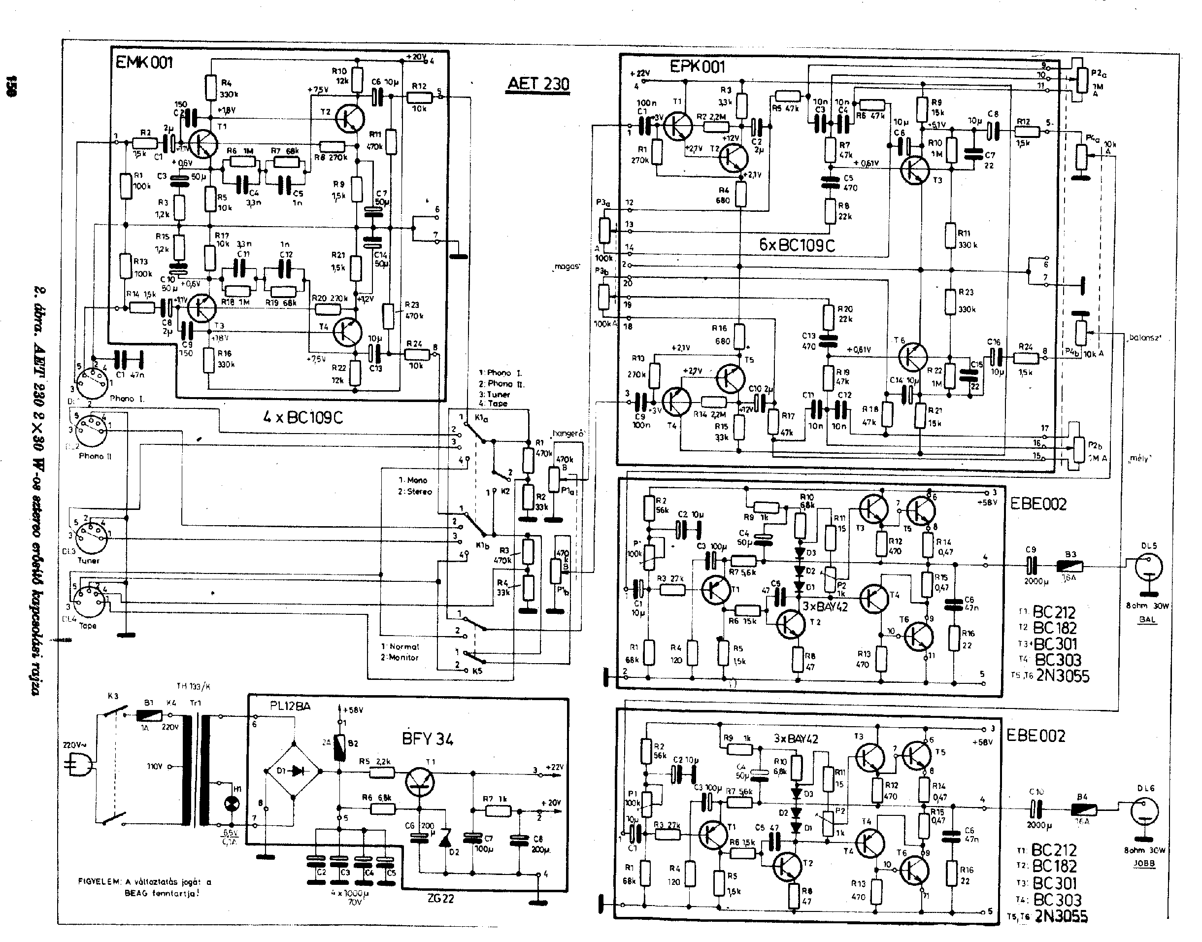
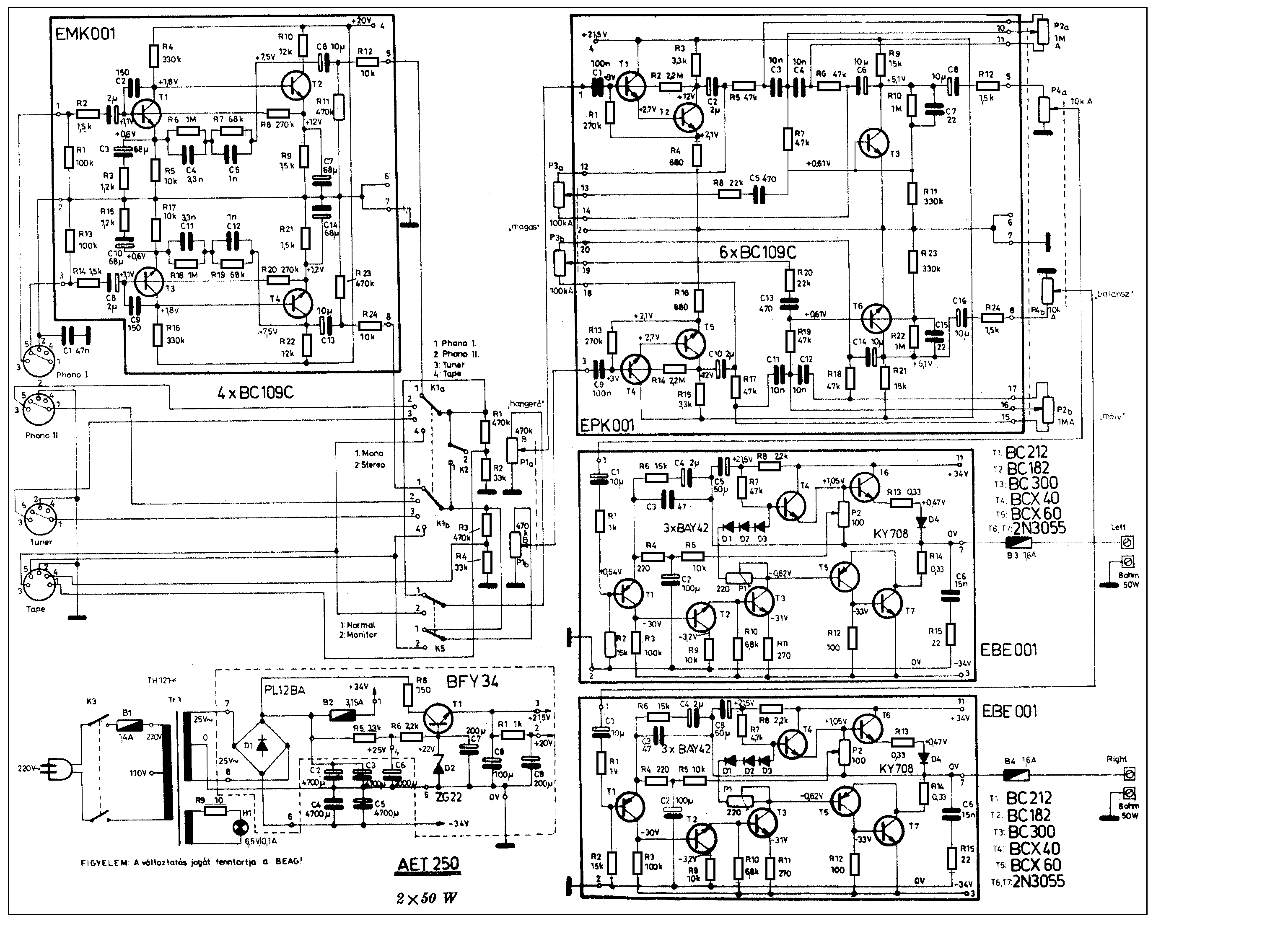
Szerintem ez egy AET250, pont ilyen volt nekem a seregben a stúdiókocsiban... de ez a végfokpanel azonosító számomra ismeretlen, lehet,hogy több kiadás volt.

AET250.gif
    
(#) derno válasza barniby hozzászólására (») Ápr 14, 2008 /
 
Szerintem ez inkább egy AET230 lehet. A 250-től csak a végfokok tápellátásában különbözik. Nekem is volt AET250, szerintem nem volt rossz erősítő.
(#) Dióda válasza barniby hozzászólására (») Ápr 14, 2008 /
 
Jól látom hogy csak egy végfokpanel van benne?
Szerintem ennek sztereónak kellene lennie.
Max megméred a tápot és lehet bele építeni végfokot.
(#) sixtek válasza Dióda hozzászólására (») Ápr 14, 2008 /
 
Egyetértek!
Ez egy AET-230 - ki kell belezni, a toroid trafó és a doboz maradjon, és mehet bele egy jó kis sztereó végfok!
A nagy gond csak az vele hogy szimpla tápos (+60V), erre nehezen találsz majd kapcsolást.
Ezért az is megoldás lehet ha a trafót sem használod fel, csak a dobozt! Persze arra is ráfér egy alapos tisztítás, akár egy újrafestés (szórással!) is!

Sok sikert!
(#) barniby válasza derno hozzászólására (») Ápr 14, 2008 /
 
Heloo.Köszi a kapcsrajzot,igazad van AET230-as.az egyik végfokpanelt én szedtem ki,azon meghaltak a 2n-ek,még átnézem azokat a kötözgetéseket lehet h az előző tulaj leégette,csak nemtudta megcsinálni így sorsára hagyta.A trafót még nem mértem meg,de ha az gyári,rajz alapján +58V-ot kéne tudnia egyenirányítás utánn.Mégegyszer köszi a rajzot,de nem lehetne esetleg átszerkeszteni valahogy,hogy bírja a 4ohmos hangszórókat?Ötlet?
(#) barniby hozzászólása Ápr 15, 2008 /
 
Ja és még az lenne a kérdésem,h hol tudnék annak utánnajárni,h bizonyos alkatrészek helyett melyik mais kapható típus felel meg?(Pl:a végpanelon BAY42-es diódák vannak ami számomra ismeretlen.)Úgy döntöttem,h ujragyártom a végpanelokat,mert ahogy írtam az egyik elégett.A 0,47Ohmos ellenállást a kimenetnél miből csináljam?Gondolom fontos a pontosság.esetlegessen élesztésnél a potikat tekerjem tökre fel aztán lassan ki?Vagy hogyan?
Üdv.
(#) proli007 válasza barniby hozzászólására (») Ápr 15, 2008 /
 
Szia!

Én egy kicsit meg módosítanám a végfok kapcsolását 4ohm-ra. Ezt csak a kedvedért kalapáltam össze.
(Másik lehetőség, keresel egy rajzot a hálón.)

- A trafó lábát átenném az izzó másik felére, így kicsit kisebb lenne a tápfesz, kb. 50V.)

- Az ábrán látható módon megváltoztatnám a végfok kapcsolását. (próbára összetákolnám a jelenlegi nyákon)
- A BD-ket felraknám a hűtőbordára. A BC301-303-nak hűtőcsillag kell.
- Beállításnál a P2-t a legnagyobb ellenállás értékre állítod. P1-el beállítod a 4. kimeneten a féltápot. Majd a P2-vel a végfokban 20mA áramot. (R14-en mérve kb. 10mV). Végül az erősítőt terhelve és enyhén túlvezérelve, P1-el beállítod a kimenet szimmetrikus vágását. Persze ehhez már szkóp és valami generátor kell. (Az eredeti rajzon P2-t indításnál középre lehet állítani, aztán mint fenn leírtam)


- A BAY42 helyett egyébként az 1N4148 megfelel.
- A 0,47ohm pontossága nem kritikus, de legjobb megvenni. (5W)

üdv! proli007

AET230-M.jpg
    
(#) djyuri válasza proli007 hozzászólására (») Ápr 15, 2008 /
 
Szia!

Köszi

Látom nagy szakira találtam

Kicsit sokáig tartott,de megvan a bűnös.
Én alapon a sok fóliakondira gyanakodtam...illetve,hogy csak +/-25V-ról hajtom.
De a végeredmény az lett,hogy a 10 és 100 mikrós kondik adtákmeg magukat.
Azért nem gyanakodtam végülis lelkibb alkatrészekre,mert egyáltalán nincs zaj!!! És ezt nehezen hittem el. Még a gyári cuccom is zajosabb. Még akkor is,ha egy hordozható MP3 lejátszóról táplálom.

Nah tehát a 10 és 100 mikrós kondikkal volt a gond. A pattogás viszont eleinte csak gyengült... Amire nem gondoltam,hogy a tápnál a +/- 35000mikrós kondikon nem volt nanós szűrés. Ezzel teljesen megszünt a pattogás.

Célszerű a cserélendő kondikat nem gyári 63/25...stb feszültségüre cserélni. nekem a teljes pattogás megszünését a 250V-os kondijaim okozták.


Köszi a helpet!
(#) barniby válasza proli007 hozzászólására (») Ápr 15, 2008 /
 
OK,Köszönöm.Deha átteszem az izzót a másik kivezetésre a trafónál akkor nem megy el a +22Vos kimenetem meg a +20-as?Amúgy utánnamértem és az bemeneti rész meg az EQs rész jó benne csak a végek nemjók.Sajna Dolgozni is kell néha ezért nemtok vele foglalkozni 3-4napig,de majd hétvégén nekiugrok h milegyen.Akkor ránézek a tápra is,meg az álltalad átszerkesztett végfokra is.amúgy már kitakarítottam a dobozt és most minden az asztalomon hever
Mégegyszer köszi.
(#) proli007 válasza barniby hozzászólására (») Ápr 15, 2008 /
 
Szia!

A +22V stabilizálva van az 58V-ból. Az nem változhat meg. Ha mégis, legfeljebb az R5 2,2kohm-os ellenállást 1kohm-ra lecseréled és már is helyreáll a rend.
A BFY34-et cseréld ki minimum egy BC301-re. (szeret a bázisa megszakadni.

Jó munkát!

üdv! proli007
(#) akmo hozzászólása Máj 20, 2008 /
 
Sziasztok!
Örülök, hogy ilyen segítőkész gárda verődött össze itt.
Nekem a fent emlitett APT100 asom van, amit 'ajándékba' kaptam. Szeretném átalakítani, egy mai nagyteljesitményű (mono) végfokra. Ehhez kérnék segítséget, esetleg kapcsolási rajzo(ka)t. A torroid trafót szeretném megtartani benne, ennek a feszültsége maradna.
Elöfok a potival sztem maradhatna, de ha van jobb ötlet, várom. A küllemét nem szeretném drasztikusan megváltoztatni...

Kszönettel: akmo
(#) proli007 válasza akmo hozzászólására (») Máj 21, 2008 /
 
Szia!

Ha jól értem, az egészet ki akarod cserélni (kivét a táp)
Akkor a " Erősítő mindig és mindig " topikban kellett volna feltenned a kérésedet. De ott találsz mindenféle rajzot, az igényeidnek megfelelőt.

Az előfokot nem érdemes megtartani, szükségtelen. (a szűrő is)

A külcsint meg érdemes javítani, ha a belét már kicincálod. A poti úgy is cserére szorul, az nagyon vacak, kiáll és letörik a csúszka.

üdv! proli007
(#) akmo hozzászólása Máj 21, 2008 /
 
köszönöm segítséged! utána nézek.
A potit cseréltem, de a leírások alapján, már nem szeretném éleszteni a gépet, ezért gondoltama a csarére...
Köszönöm még egyszer!
Üdv: ákos
(#) DjPeat hozzászólása Jún 11, 2008 /
 
Sziasztok vetem egy BEAG APT-100 nem régen. De sajna már darabokba volt. Olyat hallottam hogy ebből az erősítőből kilehet hagyni a százvoltos trafot igaz ez? Ha igen akkor hogy lehet ha meg tudnátok nekem mondani. Remélem tudtok benne segíteni mert nagyon fontos lenne. Lenne még egy nagy kérésem amiért nagyon hálás lennék ha valaki segíteni és meg tudná nekem mondani hogy melyik kábelt hova kell kötni a panelon mert ebből a kaszniból sajna mind kábelt kiszedtek. Remélem tudtok segíteni. Előre is köszönöm mindenkinek. Sziasztok.
(#) válasza DjPeat hozzászólására (») Jún 11, 2008 /
 
Szia!

A kábelezést sajnos nem tudom hogy van benne, viszont a 100V-os trafóról csak annyit, hogy ha ki akarod hagyni akkor csak egyszerűen kikötöd a helyéről, mert a primer oldalán ott a 'normál' kis impedanciás kimenet. Vagyis csak kikötöd és nyert ügyed van.
Sajnos többet nem tudok segíteni, a kábelezését nem ismerem...
De ha esetleg tudnál képeket feltenni, akkor biztosan tudnánk neked valahogy segíteni..
(#) proli007 válasza DjPeat hozzászólására (») Jún 12, 2008 /
 
Hello!

A topik második hozzászólásánál, ott van a rajza. A panel kivezetései be vannak számozva, az alapján be tudod kötni a vezetékeket. A lényeg, a földhurokmentes bekötés. Tehát a GND pontokat vezesd mind a két puffer elkó közös pontjára, és a készülékházra csak innen legyen lekötés.

A 100V-os trafót simán kiveszed. Az erősítő kimenetét, (7) és a két pufferkondi közösét viszed a hangszórócsatlakozóra. A késes csatira, a 100V-on kívül ki van vezetve még a fejhallgató kimenet, nem kell foglalkozni vele, kimaradhat. Szintén nem kell foglalkozni a késes csati a4 lábára menő "k2 jelű vezetékkel.
Az előerősítőnek két mono bemnete van, ami közös a potin egy-egy 80ohm-os ellenálláson keresztül. (nem túl szép, egyik bemenet elmaradhat.) Ha RCA-ra kötöd a bemnetet, akkor szigeteltet használj, és a GND pontját, kösd az előfokozat GND-re. Az előfok ki és bemenetén természetesen árnyékolt vezeték van (amit a rajz nem jelöl).

üdv! proli007
(#) jandark hozzászólása Jún 14, 2008 /
 
Sziasztok!kérdeznék pár dolgot.. most vettem egy apt-100at én is a következőkkel kapcsolatban érdeklődnék..1,a bemenetre a pc hang kimenetét kötöttem vagyis kötném mert csak úgx szól rendesen ha csak a jel van öszekötésben a véggel mihelyst teljesen rácsatlakozok a jelre tehát megkapja a jel gnd jét elkezd zajolni igy 1 vezetékkel szépen tisztán szól de igy nincs az a 100watt érzet
ez lett volna az első amire segélyt kérnék a többi pedig,nem tudom mi az a belső kapcsoló ami a dobozon belül a poti panelen van?ez mire lenne jó?ja igen a lényeg lekötöttem a 100voltos trafóról és a h pontról és gnd ről járatom,viszont a kivezérlésjelző nem megy,,ezekre kérnék egy kis segitséget köszi mindenkinek előre is
(#) Norberto válasza jandark hozzászólására (») Jún 14, 2008 /
 
Idézet:
„csak úgx szól rendesen ha csak a jel van öszekötésben a véggel mihelyst teljesen rácsatlakozok a jelre tehát megkapja a jel gnd jét elkezd zajolni”


A jelenség neve: földhurok.

Keress rá a fórumon, rengetegszer foglalkoztunk már vele eddig! Sőt, cikk is van róla, ha emlékeim nem csalnak...
(#) proli007 válasza jandark hozzászólására (») Jún 14, 2008 /
 
Hello!

- Igen, mind két készülék földelt, így ha a valós GND-t is bekötöd, földhurok képződhet.
- A kivezérlésmérő, a következők miatt nem mehet:
a. A kivezérlésmérő panel 2. pontja a trafóra volt bekötve és ezt kihagytad. Kösd rá a végfok 7. pontjára.
b. Nem kap tápot a kivezérlésmérő panel. Háttérvolágításnak üzemelni kell.
c. R307 poti rövidzárba lett tekerve.
d. Nagyon kicsi a bemenő jelszint, ezért is nem tűnik 100W-nak a kimenő
e. A kijelző panelnek, eredetileg is rosszul volt az érzékenysége megállípítva R301 ellenállást cseréld ki 100kohm-ra
f. Hibás a kijelző áramköre. Alkatrészeket ellenőrizni kell

A belső kapcsoló, egy felüláteresztű szűrőt kapcsol be (100Hz alatt vág) Legfőképpen a trafós meghajtásnál volt rá szükség, mert vagy a hangszórókban elhelyezett vonaltrafók impedanciája volt alacsony, vagy a kisméretű hangszórók, nem voltak képesek a 100Hz alatti jelek lesugárzására.

A R207 potival a bemenő fokozat erősítését lehet beállítani.

üdv! proli007
Következő: »»   2 / 23
Bejelentkezés

Belépés

Hirdetés
XDT.hu
Az oldalon sütiket használunk a helyes működéshez. Bővebb információt az adatvédelmi szabályzatban olvashatsz. Megértettem