Fórum témák
» Több friss téma |
- Ez a felület kizárólag, az elektronikában kezdők kérdéseinek van fenntartva és nem elfelejtve, hogy hobbielektronika a fórumunk!
- Ami tehát azt jelenti, hogy a nagymama bevásárlását nem itt beszéljük meg, ill. ez nem üzenőfal! - Kerülendő az olyan kérdés, amit egy másik meglévő (több mint 17000 van), témában kellene kitárgyalni! - És végül büntetés terhe mellett kerülendő az MSN és egyéb szleng, a magyar helyesírás mellőzése, beleértve a mondateleji nagybetűket is!
Köszönöm, jó kis anyag, köszönöm. Igy elsőre nem találtam benne amit kérdeztem, de gondolom az teret kitöltő anyag relatív permeabilitása lesz az amit én keresek. Itt csak vákumra vonatkoztatnak. Vagy hulyeséget írtam?
Ha a zárt erővonal mentén nézed, az megy a vasban, és levegőben(légrésben) is. A urel a vasban kb. 7000, anyagfüggő) a levegőben (vákumban) 1. Mivel a gerjesztés ugyanaz, az indukció eltérő a légrésben, és a vasmagban. Ezért az eredő indukció is kisebb lesz. (mágneses ohm törvény)
A hozzászólás módosítva: Okt 24, 2017
Szia Ferci !
Igen , hajtóműves . Levettem a burkolatot , forgattam körbe a villanymotor tengelyt 11 és 3/4 fordulatra volt 1 kihajtás fordulat .. tehát elvileg 1460-1480 / perc a motor fordulat... És ezek szerint 4 pólusú . Köszönöm ![]() Üdv : öreg
Köszi, szimpatikus.
Sziasztok!
Vettem 6db világító ablakdíszt ami egyenként 3V 1,8w fogyaszt(két ceruzaelem). A kérdésem az lenne milyen adaptert lenne érdemes venni a meghajtásukhoz? 5v-ost és leszabályozni, vagy mondjuk 6v vagy 9v-ost és sorba kötögetni őket?
Szerintetek mennyi az a minimális feszültség aminél hajlandó tölteni egy szünetmentes az aksit?
Van egy aksi ami jó ideje állhatott. 0V 0A-t mértem rajta. Csak kíváncsiságból felraktam tölteni először egy szünetmentesben. Nem jött össze, kidobta hogy hibás és nem töltötte egyáltalán. Majd egy 18v adapter segítségével és egy kínai szabályzóval már töltögetem 12 órája. 10V és kb. 2 ampert bírtam beleküldeni . Ennyit mutat a műszer méréskor. Tervem nincs az aksival csak kell egy hogy tudjam tesztelni a szünetmentes működését. A hozzászólás módosítva: Okt 25, 2017
Moderátor által szerkesztve
Biztos vagy az 1,8 W-ban? Két ceruzaelemnek az rengeteg. Olyan adaptert érdemes venni, aminek van 3 V-os kimenete valamilyen formában.
Szia!
A díszeid az adat szerint 0.6 ampert fogyasztanak. Elvileg a 9 voltos táp lenne ideális, mert még ott is 2 x 0.6 amper kellene, ha 3 darabot sorba kötsz és 2 ilyent paralel. Tehát ha dugasztáp félére gondoltál, jól nézd meg, miféle. 1.2 amperes talán van, de ide inkább 1.5-2 amperes valami kellene. 6 voltosban ne gondolkozz, 5 voltost leszabályozni meg kabaré...( 6 x 0.6 A és sok a veszteség ).
1.) Figyelj jobban a helyesírási hibákra - aminek egy része elütés.
2.) Az akkud - szünetmentesben mindenképp - használhatatlan, a leírt mérésekből következtetve legalább egy, de inkább két cella zárlatos. A legtöbb szünetmentes indulása - hálózati feszültség megléte esetén is - az akkuról történik, majd siker esetén hálózatra vált.
Elég fárasztó hosszú napjaim vannak. Oda szokta figyelni hogy mit is írok.Csak néha a fáradság győz
Most megmértem megint. 8.7v megtartotta több mint 12 óra pihenés után. Megy egy teszt erejéig a szünetmentesbe ha nem indulna megint 10 órás töltés jön. Használni nem is akarom. Csak unaloműzés. Ha jó akkor megy egy darabig. Ha nem addig sem unatkoztam. Vesztenivalóm nincs. Mod: Szünetmentesbe bekerül az akkumulátor. 5 perc után még nem dobta ki hibával pedig be van kapcsolva. Holnap este terheléses teszten megnézem mit is tud. Addig töltés. A hozzászólás módosítva: Okt 25, 2017
Üdv!
Elkészítettem egy fémkeresőt a kapcsolásí rajz alapján. A 2N5551 tranzisztorokat fordítva raktam be a Colektor és Emiter csere és működött -most beraktam helyesen és így is működik. Szerintetek hogy lehet ez?
Hello! Ez természetes, mert fordított bekötés mellet is van a tranyónak 6..10 áramerősítési tényezője. Itt pedig már egyszeres is megfelelő lenne..
Sziasztok!
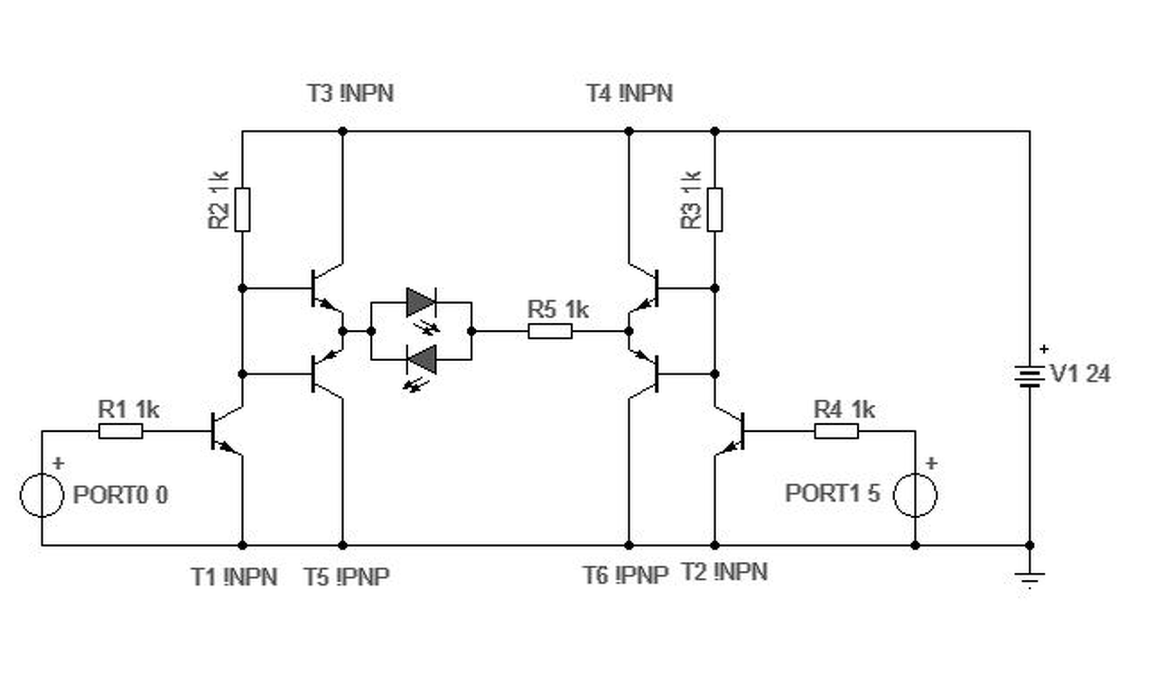
Az alábbi két LED-et szertném vezérelni egy MSP 430 segítségével, úgy, hogy a LED-ek tápfesze 24 Volt. tudnátok ebben segíteni egy egyszerű de nagyszerű kapcsolással? Előre is köszönöm!!
Szia!
Ez a két LED egy tokban van? ('kétszínű' LED?) Itt az oldalon van előtét ellenállás számoló, ott 5mA-rel számolva (mert azt se adtad meg) kb 4,4Kohm jön ki, tehát ha 1db 4,7 Kohm-ost teszel sorba a LEDekkel, akkor nem lesz gond. Mivel nem írtad a LED-ek pontos típusát, csak feltételezem , hogy ekkora fordított polaritású feszültséget kibírnak.
Hello! Nincs igazán a feladat meghatározva. Miért szükséges 24V meghajtás egy ilyen Led számára, mikor azt a kontroller a saját tápjáról is képes lenen meghajtani? Tehát nincs meghatározva a Led(ek) teljesítmény igénye. Valamint hogy a 24V a kontroller tápjától galvanikusan el van választva vagy sem.
Sokféle megoldás elképzelhető, de itt van egy pár tranyós kapcsolás. Ami képes a kontroller két vezérlő portájáról meghajtani a két Led-et. Természetesen mint látható előtét is kell a Led-ek számára az áramkorlátozás miatt. A tranyók típusát azért nem írtam oda, mert a Led-ek áramigénye nem ismert.
Sziasztok!
Van egy sportkamerám, amit autóban szeretnék használni menetrögzítőnek, akkumulátor nélkül. Nem teszi tönkre a kamerát, ha szivargyújtóról közvetlen kapja az áramot (5v) , mivel kivettem belőle az akkut, ami 3.7v. Próbaképp használtam így pár percet, hogy működik-e, csak nem tudom hosszú távon jó-e neki? Köszi a választ! Üdv!
Üdv. Van egy problemam. Vu metert keszitettem, minden tokeletesen mukodik rajta. Egy 2 x30 w os hifiröl kapja a jelet. Mivel a hifit lecsereltrm egy nagyobb 2x140 w os ra azota egymas utan nyirjs ki a potmetert ami 50 k-s mi lehet a gond?
Milyen potméter? Normális kapcsolás nincs? Így nehéz hozzászólni.
Ha nincs benne akkumulátor, a tápfeszültség pillantnyi kimaradásai okozhatnak gyakori újraindulást. Ez beleszólhat a memóriakártya életébe. A szivargyújtós csatlakozás nem üzembiztos.
Ha nem indul újra pl. órák múlva sem, akkor nyugodtan használhatom nem fogja az az 5v tönkre tenni?
Az USB töltőbemenet és az elektronika között még van egy-két IC. Az egyik az akkumulátort próbálja tölteni, a másik az akkumulátor feszültségéből csinálja a belső tápfeszültséget (valószínűleg 3,3V).
Az, hogy órákig nem történik semmi, nem jelenti azt, hogy az autópálya, vagy akármelyik elhanyagoltabb utca nem fog ki rajta. Mit spórolsz azzal, hogy kiveszed az akkumulátort? A hozzászólás módosítva: Okt 26, 2017
Nem tudom, hogy jót tesz-e neki ha pl. 15 percig töltöm, utána pár percig nem, majd megint töltöm.
Akkor azért írtad, hogy nem üzembiztos a szivargyújtós csatlakozás, mert a rossz utak miatt kieshet az aljzatból?
A lítium akkuk elviselik a rátöltést.
Igen, azért. Nem csak kieshet, de lehet pillanatnyi kimaradás is. Az a rosszabb.
A lm358 -as műveleti erősítő helyett betehető a lm4458 ?
Azt is ha sűrűn van töltve, illetve megszakítva?
Amúgy ez a töltő iszonyat stabil. Volt mar olyanom amit mozgatnom kellett hogy működjön rendesen, mert lötyögött összevissza, de ez nem. Pillanatnyi kimaradást észre lehet venni, vagy működik tovább zavartalanul? A hozzászólás módosítva: Okt 26, 2017
Közben gondolkodtam a dolgon. 140W sem éget le egy 50K potenciométert. Már ugye ha jól van bekötve. Mert ha nem, akkor viszont igen
A hozzászólás módosítva: Okt 26, 2017
Van egy ötletem. Kicsit babra munka. Megkeresed az állandó 12 voltot és arra teszed a töltőelektronikát. Max kell építeni egy elektronikát ami lekapcsol ha le van állítva a motor kb 30 perc múlva. Aksi kell bele mindenképp. Jobb ha bent van. Baleset esetén ha elmegy a kocsiból a villany jó ha látod hogy mi volt utána még. Nem csak a csattanásig.
A hozzászólás módosítva: Okt 26, 2017
A lábkiosztás ugyanaz, egyéb paraméterek eltérnek.
Szóval attól függ...
Az ötlet nem rossz, csak nem igazán értek az ilyenekhez.
Akkor megy bele az akku, így a legtisztább. ![]() Köszi a segítséget mindkettőtöknek! |
Bejelentkezés
Hirdetés |















