Fórum témák
» Több friss téma |
- Ez a felület kizárólag, az elektronikában kezdők kérdéseinek van fenntartva és nem elfelejtve, hogy hobbielektronika a fórumunk!
- Ami tehát azt jelenti, hogy a nagymama bevásárlását nem itt beszéljük meg, ill. ez nem üzenőfal! - Kerülendő az olyan kérdés, amit egy másik meglévő (több mint 17000 van), témában kellene kitárgyalni! - És végül büntetés terhe mellett kerülendő az MSN és egyéb szleng, a magyar helyesírás mellőzése, beleértve a mondateleji nagybetűket is!
Akkor viszont ha nem szigeteled el akkor arra vigyázni kell, hogy ne érjen a bordához semmi, se táp se gnd.
Sziasztok. Mit gondoltok ilyen LED-ekről az autóba? Nissan Almera N16, éjszaka nagyon rosszul világít, épphogy lehet vele látni.
Rakd vissza az eredeti izzókat. Több teszten is megbuktak már az ilyen és ehhez hasonló fényforrások.
Jelenleg 20€/darab Osram van benne, és allig látni. Azért nézegettem ezeket a LED-eket. A tompított világítás valahogy nagyon rosszul van megtervezve. Legfeljebb van beállítva, és így is kb 10 métert világít előre.
Ez méginkább rontja a bevilágított tér alakját, mivel egy vonalszerű fényforrásra (izzószál) van tervezve a geometria. A tompított-reflektor váltás sem tudom ,hogy hogy zajlik ezzel, valószínű csak a fényerőt változtatja (ha egyáltalán). Lehet, hogy jobban látsz vele egy ideig, de elvakíthatsz másokat, a ventilátoros hűtésben én nem bíznék a poros motortérben, ha pedig nem megfelelő a hűtés, akkor párszáz óra alatt elveszti a fényerejét. Ha esetleg karcos a búra, azt kellene kipolírozni, vagy ha már elöregedett a foncsor, akkor cserélni. A rendőrök is büntethetik, mivel nem gyártották az autót LED fényforrással.
A hozzászólás módosítva: Nov 6, 2017
Félreértettem, azt hittem, hogy már ilyen van benne. Egyetértek game4812-vel, meg kell csináltatni a mostanit, ez legfőképpen a te érdeked. Ha valami miatt matt a lámpabúra és/vagy a foncsor, tehetsz bele bármilyen izzót. Az is lehet, hogy valamilyen oknál fogva nem kapnak elég feszültséget az izzók.
Sziasztok.
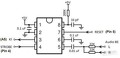
Egy nagyon amatör kérdésem lenne. Bejövö audiö jeleknél vagy mikrofonoknél miért szoktak sorba kondenzátort rakni? Például a csatolt képen. Még kapcsolás...
A kondenzátor két oldalán más-más DC feszültségek vannak (pl. azért, mert a műveleti erősítő munkapontja a tápfeszültség felére van beállítva (egyszeres DC táplálás esetén), ahol a legjobb a működése), ezeket hivatott elválasztani egymástól. Ugyanakkor a váltakozó feszültség átjut rajta, így a hangot egyik oldalról a másikra "átdobja".
És a csatolt képnél miért kell abemenő jelhez??
Ha nem ledes gyárilag a kocsi elég macerás azzá tenni Nagyok sok idő és még több pénz. Amíg meg az izzó helyére lehet bepakolni na arról inkább ne beszéljük. Igen lehet menni vele stb Látsz is vele. Közben a szembejövőt elvakítod olyan szinted hogy félre kell állni. Ahol lakom van egy autós akinek ilyen rememeg lámpája van. Ha megtudom hol parkol addig volt lámpája, ki fogom kalapálni.
Pl.azért, mert lehet, hogy az 5.sz. láb is valami egyenfeszültségen van. Amennyiben a megelőző fokozat kimenete is kondival csatolt, akkor felesleges.
Sziasztok!
A következő dologban szeretném kikérni a véleményeteket: Adott egy műhely ahol napközben URH-FM adás szól egy analóg rádióvevőn keresztül. Az objektum egy része (beleértve a rádiót is) a munka végeztével áramtalanítva van. Másnap a főkapcsoló bekapcsolásával a rádión értelemszerűen ugyanaz az adóállomás műsora hallgatható mint az előző nap. A kérdésem az lenne, hogy internetes rádió hallgatása esetén miként lehetne kivitelezni, hogy az áramtalanítást követően az előzően hallgatott állomás külső beavatkozás nélkül újra hallgatható legyen? Magyarán ne kelljen minden reggel ugyanazt a médiát elindítani a készüléken. (az internetes rádió "lejátszására" alkalmas eszközt még nem választottam ki) Köszönöm szépen a segítséget!
Köszönöm a válaszokat. Tompitott lámpánál van ez a gondom. Egyáltalán nem matt a lámpabura, de olyan érdekes nagyítás van benne. Ha éjjel vezetek minden szembejövő szinte megvakít sajnos.
Ha vakít a szembejövő, nézz az út jobb szélére, ne a szembejövőre. Amúgy is az út szélén lesz a probléma, gyalogos, biciklis, gödör.
És ügyelj a lámpa helyes beállítására, lehetőleg szervizben állíttasd be. A hozzászólás módosítva: Nov 6, 2017
Akkor inkább cseréld le a lámpabúrát ha matt, vagy szemüveget csináltass, vagy akármi. Az egy nagyon rossz irány, hogy mást akarsz elvakítani, ha olyan körülmények között nem látsz, ahol pedig kellene. Valószínű, hogy a kocsi lámpájával van olyan probléma, amit javítani kellene.
A hozzászólás módosítva: Nov 7, 2017
Mivel játszanád le az internetes rádióadást? Van valami jelölted?
Mert az nyilván egy sw, azt kellene rávenni arra, hogy elmentse az utolsó "rádiót" és indulásnál arra "hangoljon", vagy annak kellene induláskor ezt paraméterként megadni. Van valamilyen jelölted a feladatra? Kész "dobozt" akarsz, vagy barkácsolnál inkább?
Szemüveget viselek, mindig a jobb oldalt figyelem. De úgy is lassítanom kell mert nagyon vakít. Én lámpám a többiekhez képest egy gyertya kb.
Nincs konkrét választásom, tulajdonképpen még az elméletnél tartok tehát bármilyen ötletet, javaslatot szívesen fogadok. Ár/érték és energia/idő arányban döntenék az esetleges javaslatok közül, hogy melyiket volna érdemes megvalósítani.
Szia!
Attól hogy jobban világít a Te lámpád, a szembejövő fényereje nem fog változni, ugyan úgy el fog vakítani (legrosszabb esetben ők is elvakulnak, így már ketten lesztek "vakok", akik szembe haladnak egymással...nem túl optimális élethelyzet ). Persze, teljes sötétben is úgy látod, hogy kevés fényt ad a saját fényszóród, akkor érdemes megnézetni szervízben, főleg olyan helyen, ahol van fényszóró beállítási opciójuk.
Ki kellene deríteni, hogy mi is a probléma. Pl. más autóban is tapasztalod-e a problémát, és más is tapasztalja-e ezt a te autódban? Ez alapján el lehet dönteni, hogy az autóddal vagy a szemeddel van probléma.
Illetve az lenne a legelső, hogy vakító szembejövők nélkül vajon látsz-e a tompítottaddal? Mert ha igen, ha reflektorharcosok vakítanak el, akkor erre nem az a megoldás, hogy te is vakítasz mindenkit. És nem fog kevésbé vakítani a szembejövő csak azért, mert te is mindenkit elvakítasz aki szembe jön veled.
Szia! Bár konkrét segítséget nem tudok nyújtani, de eszembe jutott, hogy láttam ilyet a Málnásban, íme.
Szerintem a legkevesebb munka egy levetett, 1000 éves notival lenne. A második jelölt valamilyen sbc, pl. raspberry pi vagy hasonló. Én valamilyen linuxot tennék rá, azon elég jól összehozható a readonly fs, így áramszünet esetén sincs borulás. Bár kb. kulcsakész megoldás a libreelec.
Nissan almera tompított lámpájánál van a gond. Teljes sötétben nagyon rosszul világít. Szememmel nincs gond. Anyum Fiat Puntójával rendesen látok, mert az jól világít.
Olvasd el a linken található infókat háta segit rájönni mi a hiba. Fényszoró ellenőrzés beálítás
Üdv! A legegyszerűbb hibakeresés, méréssel kezdődik. Bekapcsolod a tompikát és az izzó foglalatán mérsz feszültséget. Feltételezve, hogy az izzó búrája nem fekete, a foglalat "tiszta" és nem égett. Valószínű, nincs meg a 12V. Járó moronál közel 13V. Mág egy mérés a + és a karosszéria között. Ha ott nagyobb, mint az izzó végein, testelési hiányosság van. Ha testhez képest is alacsony a feszültség, akkor az elektromos rendszerek kopik el a többi. Kapcsolók, relék megnövekedett átmeneti ellenállásaik, csatlakpzók átmeneti ellenállásaik. Durvább esetben oxidáció.
Zalálkoztam olyannal, amikor az izzó kajlán volt behelyezve és rossz irányba sugározta a fényt. Lehet homájos, vak a foncsor is.
Sziasztok!
Pót féklámpát szeretnék bekötni, de egy kisebb problémába ütköztem. Alapból az autón a féklámpa helyzetjelzőként is üzemel, csökkentett fényerőn 2v-ot ad le a lámpának, majd fékezéskor 12v-ot. A lámpa 12V-jel re kapcsolna, ha erre rákötöm, 2v-ot kapva villog. Hogyan tudnám azt megoldani, egy kiegészítő áramkörrel, hogy csak 12V esetén kapjon jelet a kieg. féklámpa? Lehetőség szerint kattogós Relé beiktatása nélkül szeretném. Előre is köszönöm a segítséget!
Szia! Amit 2 V-nak mérsz, az a 12 V szaggatva, azaz négyszögjel. Ellenállás-kondi szűrővel megkapod az átlagértékét, azzal a feszültséggel pedig vezérelhetsz egy MOS-FET-et.
Hello! Ha az eredeti féklámpa közös vezetéke a testen van, pld. így lehet megoldani a dolgot.
Sziasztok!
Én is TDA7294 hidat szeretnék kezdésnek építeni. Remélem nem akadtok ki a kérdésemtől, de egyenlőre van két 24V-os 40A-es gyorstápom. Beépíthetném őket a megfelelő kapacitású szűrőkondenzátorokkal? 5.1, vagy 7.1 lesz belőle. Persze később ezeket cserélném toroidra. |
Bejelentkezés
Hirdetés |






). 





