Fórum témák

» Több friss téma
Fórum » Erősítő mindig és mindig
Mielőtt kérdezel, a következő két dolgot ellenőrizd! I. A helyes tápfeszültségek megléte. II. A kimeneten van-e egyenfeszültség. Élesztés.
Lapozás: OK   2061 / 2576
(#) Alkotó válasza airline hozzászólására (») Jan 16, 2018 /
 
Két gyors dióda azért nem beszerezhetetlen.
Csak ránézésre ez éppen az. Ha a feszültség lehet 100 V, akkor még olcsóbb: itt látod.
Fontos! Meg kell nézni az anódja vagy a katódja a közös-e, mert ha csak cseréled akkor nem mindegy!
(#) Johnny0004 válasza Alkotó hozzászólására (») Jan 16, 2018 1 /
 
Az a baj ez közös katódos, mint amit pjg is linkelt, neki viszont közös anódos kell a fotó alapján. PC tápokból nekem is van pár darab, de azok is közös katódosak. Itt van egy, ha elég a 120V, 10A.
A hozzászólás módosítva: Jan 16, 2018
(#) Alkotó válasza Johnny0004 hozzászólására (») Jan 16, 2018 /
 
De a fotón a mellette lévő már közös katódos. Ezek általában graetz hídat alkotnak, tehát csak a hidat kell létrehozni. Ehhez lehet hogy egy kicsit bele kell piszkálni, de megoldható. A javításba esetenként ez is bele kell férjen.
Ha nincs más megoldás, akkor kell venni két darab egyes diódát, egymás fölé rakni, és tetszés szerint bekötni. pl. ilyet.
(#) Johnny0004 válasza Alkotó hozzászólására (») Jan 16, 2018 /
 
Igen megoldható egyszerűen, akár két közös katódossal is. Amit linkeltem az közös anódos. A PC tápokban kétutas egyenirányításra használják.
(#) Alkotó válasza Johnny0004 hozzászólására (») Jan 16, 2018 /
 
Igen, teljesen jó a linked. Csak tágítani akartam a megoldási lehetőségek körét.
(#) Johnny0004 válasza Alkotó hozzászólására (») Jan 16, 2018 /
 
Igazad van, kreatívnak kell lenni.
(#) zenebolond hozzászólása Jan 17, 2018 /
 
Sziasztok!
Hogy tudom úgy bekapcsolni az erősítőt, hogy ne küldjem el, ha valami probléma adódna. A primer körrel sorbakötött 60W-os izzó nem segített az azt mutatta rendben van! Egy Agota 1200-as erősítőről van szó. Egy hibás fet cserélve lett, feljebb lévő hozzászólásban lévő ellenállások cserélve lettek. Újra elszállt.
(#) nagysasy válasza zenebolond hozzászólására (») Jan 17, 2018 /
 
Én megpróbálnám labortápról éleszteni. Egyszerűbb és nem száll el semmi max a táp korlátoz.
(#) mlaci989 válasza zenebolond hozzászólására (») Jan 17, 2018 /
 
Tehetsz kisebb izzót vagy előtét ellenállásokat bekapcsolod és figyeled ahogy ha melegszenek rögtön kikapcs mert gubanc van. A fejlécben fönt ÉLESZTÉS!
(#) marone hozzászólása Jan 17, 2018 /
 
Helló !
Kérdezném hogy egy fet- nek vagy egy tranzisztornak mekkora kb. a kimenő impedanciája (mondjuk 60V ról) ?
Illetve hogy ez mérhető valamilyen egyszerű módszerrel ? Kösz !
(#) reloop válasza marone hozzászólására (») Jan 17, 2018 /
 
Szia! Azt hiszem pontosítanod kéne, mert a kérdéses impedancia tarthat a nullához és a végtelenhez is aszerint, hogy nyitva, vagy zárva van a tranyó.
(#) marone válasza reloop hozzászólására (») Jan 17, 2018 /
 
AB osztályban működne és 5W teljesítmány kellene
(#) zotya1983 válasza zotya1983 hozzászólására (») Jan 17, 2018 / 1
 
Köszi a választ magamnak!
(#) Tocsokocske válasza reloop hozzászólására (») Jan 18, 2018 /
 
Húú, köszönöm szépen!
Esetleg egy jó féle 6-7 sávos EQ-hoz nincs rajzod?
Vagy inkább előbb csináljam meg működőképesre magát az erősítőt, és örüljek mint majom a farkának, aztán ráér az EQ majd pedálba, vagy legalábbis valami későbbi projektbe?
(#) Davidd hozzászólása Jan 18, 2018 /
 
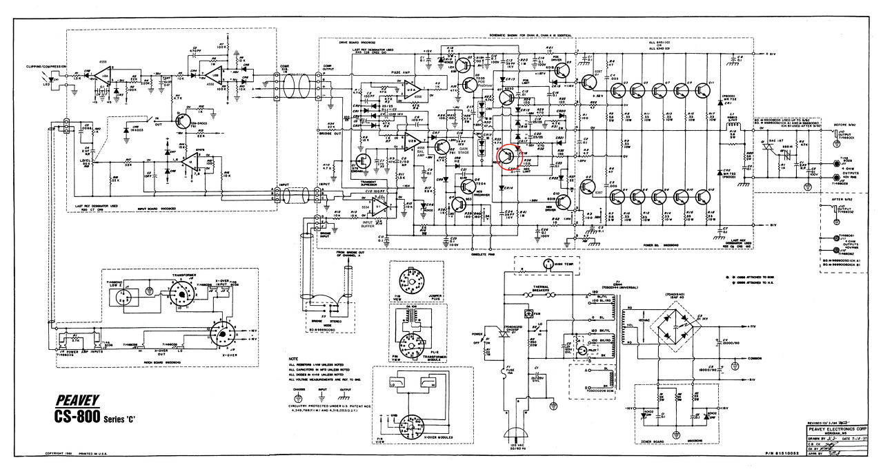
Sziasztok! Megint a peavey ügy érdekében kérdezősködöm. Mai nap már kész volt működött rendesen. Teljesen kitekert bemeneti potinal, sub erősitőnek használva viszonylag nagy gain nel hajtva, az történt hogy a telefonom lezartam, és ugy akkor "pukkant egyet", bizony ez az erősítő ismételt halálát okozta. Erről volt szó. Most ujra féltáp van a kimeneten, méghozzá pozitiv. Clip led persze nem alszik ki.. nem tudom mi lehet, esetleg valami ötlet? Az egyik pnp tranyo atment rovidbe, pontosabban a q8 .
(#) reloop válasza Tocsokocske hozzászólására (») Jan 18, 2018 /
 
EQ-hoz nincs bevált kapcsolásom, ajánlom keresd fel ezt a topicot!
(#) Naszrai válasza Davidd hozzászólására (») Jan 19, 2018 /
 
Nem lehet hogy a max bemeno jelet le kellene korlatozni?
(#) tothbela válasza Davidd hozzászólására (») Jan 20, 2018 /
 
A nyákon és a bordán volt valami fekete folt, ami felrobbant alkatrészte utal. Elképzelhető, hogy annak következményében akár egy dióda, vagy passzív alkatrész is zárlatba ment. Ha éppen olyan alkatrész pusztult el ami csak a védelem része, akkor akár jól is szólhatott egészen addig, amíg egy nagyobb impulzus nem aktiválta a védelmet. A bekarikázott tranzisztort a bázis vagy kollektor körében lévő alkatrészek nem engedik tönkremenni, kivéve ha ők is eleve rosszak. A rajz elég homályos (de lehet hogy csak az androidos izé miatt), így nem látom a pozíciószámokat, ezért nem tudok pontosabb segítsséget adni. Ha a felrobbant alkatrészt be lehetne azonosítani, talán ki is derülne mi volt az eredeti hiba. Egy jobb minőségű rajzon le lehetne követni, hogy nem-e maga a kapcsolás olyan, hogy öngyilkosságba küldi magát bizonyos helyzetben.
(#) tothbela válasza tothbela hozzászólására (») Jan 20, 2018 /
 
Megtaláltam a linkelt nagyobb felbontású rajzot.
(#) tothbela válasza tothbela hozzászólására (») Jan 20, 2018 /
 
A két kártyát (mármint a meghajtó és a végfokozatot) összekötő csatlakozósor rajz szerinti 1-es lába bizonytalan érintkezés esetén okozhat olyan hibát, hogy a Q10 meghajtó árama nem a Q2-be folyik, hanem Q8-ba. Ez meg is ölheti a Q8-at. Ez csak egy hiba a lehetséges sok közül.
(#) Davidd válasza tothbela hozzászólására (») Jan 21, 2018 /
 
Szia! Azóta is néztem, hát az op-ampnal nem koser valami. Mert van egy jó oldal és viszonyitgatok. Itt a kapcsolasi rajz, most a 4558 as opampnal van egy kis baj , valamiert -8.6V van a kimeneten. Gyanus hogy a miatt csuszik el fel oldalra a kimenet.
(#) Davidd válasza tothbela hozzászólására (») Jan 22, 2018 /
 
Szia! Eljutottam arra a szintre, hogy az erősítő kimenetén nincs dc fesz, de valamiert hangot nem tudok kicsikarni belole. Egy vegtranyo is ludas volt a feltapert a kimeneten. Ki kellett cserelnem nehany diodat, tranzisztort, opampokkal kinlodom cserelgetem de hang valamiert most sem jon ki. Annyit mutat, hogy amikor megfogom a bemenetet kb felig kitekert potival, akkor felvillan a clipp led, vilagit vagy 5 masodpercig es ennyi. Mit gondolsz/gondoltok mi lehet a problema?
Ui. A dual opampon a kettes részén valamiert meg a rossz oldalon még mindig -7.7->-9.4V kozott valtozik. Tapokat lemertem minden okes.
(#) Sarnyai Aron hozzászólása Jan 22, 2018 /
 
Mit hová kell forrasztani ezen az RFT 1800-1810-es erősítőből származó végfok panelon? Mekkora feszültségre van szüksége? Egyenirányítani szerintem nem kell. Hova kötöm a beérkező jelet? Hol a kimenete ? Esetleg ha megoldató ezeket rajzoljátok be rajta
(#) uniman válasza Sarnyai Aron hozzászólására (») Jan 22, 2018 /
 
Kifelejteted az "SC"-t a típusjelzésből ! Kapcsolási rajza letölthető...
(#) gyuszo válasza Sarnyai Aron hozzászólására (») Jan 22, 2018 /
 
Az SC 1810 -nek itt a rajza:
A bekeretezett rész a végfok panel.
A hozzászólás módosítva: Jan 22, 2018

sc 1810.JPG
    
(#) orcika70 válasza Sarnyai Aron hozzászólására (») Jan 23, 2018 /
 
A nyáklapot elnézve mintha a 2030 ic forrasztási pontjai kissé megvolna égve. Lehet hogy annak vége.
(#) Sarnyai Aron hozzászólása Jan 23, 2018 /
 
Az a problémám,hogy kapcsolási rajzot nem tudok olvasni
(#) krisz69 hozzászólása Jan 24, 2018 /
 
Sziasztok kicsit át rajzolgattam a Régi megszokott FET- es kapcsolásom pár hibát kijavítva és 4-8R re optimalizálva. Megosztom veletek a teljes Rajzot ha találtok hibát kérlek jelezzétek köszönöm.
(#) djkoko hozzászólása Jan 24, 2018 /
 
Sziasztok!
Ennek az erősítőnek a rajzát keresem, a képen láthatónál jobb minőségben.
Köszönöm!

50w 001.jpg
    
(#) mek-elek válasza krisz69 hozzászólására (») Jan 24, 2018 /
 
Kedves Krisz,
én áramkörileg nem vagyok mérvadó, ebben mindig másra támaszkodom, ha hagyja, de konstrukcióban kikupálódtam.
A következő észrevételem lenne a gyári minőségű paneledről:
nem tudom milyen célra szántad, de ha zenehallgatásra is, akkor figyelembe kellene venni egy-két dolgot. Ilyen egy jobb minőségű becsatoló kondit. Egy jantzen mérete a Te esetedben 26x45mm, ha ennek a panelen helyet hagynál, akkor, ha úgy gondoltad, felrakható lenne. De ennél is fontosabbnak tartom a csillagpont, pontok kialakításának hiányát.
Pont erről meditáltunk a quad405-ös fórumon. Nem vesztesz vele, ha belenézel.
Elek
A hozzászólás módosítva: Jan 24, 2018
Következő: »»   2061 / 2576
Bejelentkezés

Belépés

Hirdetés
XDT.hu
Az oldalon sütiket használunk a helyes működéshez. Bővebb információt az adatvédelmi szabályzatban olvashatsz. Megértettem