Fórum témák
» Több friss téma |
Fórum » Csöves erősítő készítése
Ne feledd betartani a fórum viselkedési szabályait, és a topik megmaradásának feltételeit. [link]
A téma átmenetileg fagyasztva lett, hozzászólni nem tudsz!
Nem "szentségtörés", de vedd figyelembe az eltérő csőparamétereket.
A 6N2P nem mindenben felel meg az ECC83-nak. De ide megfelel, legalább teljes lesz az Orosz vonal.
Pont erről van itt szó, hogy nem figyelmetlenségből elírásról van szó, szerintem. Neki nem úgy rossz a helyesírása, ahogy a figyelmetlen suhancoknak szokott. Mi nem kérünk tőle önéletrajzot, és az életének ehhez a területéhez semmi közünk nincs is.
Helyesírás ellenőrzővel csak azt látná, hogy minden alá van húzva pirossal. Talán azt sem tudná, mit, hogy kell kijavítani. A határon túli magyarok eddigi tapasztalataim alapján pár ezreléknyi kivételt eltekintve mindig igényesen, helyesen írnak. Nem egy kategória. Ráadásul itt van jó pár éve ő is, bizony nem a törlésből, és némításból fog tanulni.
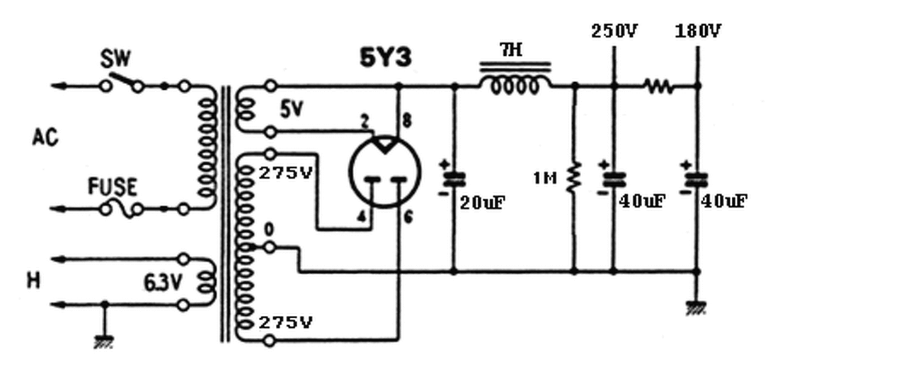
Szia, nekem így néz ki a teljes tápkör->
Graetz->50µF->Induktivitás(pár H)->50µF->1,5KR,50µF->1,5KR,50uF Az induktivitás utólag került oda, pont így jött ki a 4x50µF (2db 2x50µF-ból). Nekem ezzel a felállással teljesen macimentes.
Pont azt a pár Henrys induktivitást szeretném kikerülni. Nem lehet pl. áteresztő tranzisztorral ezt megoldani? Kimenőtrafók már megvannak.
Fú, ha jól emlékszem elektroncso.hu-n van egy áteresztőtranyós táp. Ne haragudj, nincs időm megkeresni, holnapután vizsgázok. Megoldható, csak ne keljen túl sokat elfűtenie a tranyónak
Van itt a rajzok közt is ilyen; kb. a 34. oldaltól vissza. Nem kerestem hátrább; több is van.
Az OFF-topic hozzászólásokat (nyelvtan, helyesírás) kérem a helyén kezelni, ami nem ez a téma! (Ezért eltávolításra kerültek.)
Szerintem nem kellene kihagyni a fojtót, de Te tudod.
De ha már eldöntötted hogy milyen lesz a táp, akkor nincs miről beszélni.
Én éppen most hasznosítottam 2 kicsi SM42-őt fojtóként. A méretük miatt trafóként nem kívántam megművelni őket, de véletlenül elméreteztem néhány hálótrafót a csövesekhez, így feszültség csökkentésként és szűrésként is jól jön.
Egy fojtó méretező programmal az jött ki, lesz 1H darabja, az már elmegy. Ehhez képest 8.5H és 10.5H lett, azonos menetszámmal. Valószínű a légrés bejátszása nem lett valami pontos, de a szűrés szempontjából nem lényeges, a kimenő egyen sima, mint a tükörjég.
Most már tudod, hogy egy nullát téved a program (vagy Te).
Annó én is több megoldást kipróbáltam anódtáphoz.
Áteresztőtranzisztor, vagy FET, C-R-C, C-L-C szűrés, ebből a C-L-C volt a legjobb, a méréseim, és a meghallgatásos tesztek is ezt bizonyítják.
A girátoros "fojtót" nem próbáltad esetleg? (Internetes rajz, nem biztos, hogy tökéletes!)
Nekem szimpatikus a C-L-C. A szimulálás szerint nagyon szép egyenfeszültséget lehet vele elérni és a táp belső ellenállása is kedvezően kicsi maradhat. C-R-C és így tovább, az eléggé megnöveli a táp belső ellenállást és az erősítő inkább az utolsó (és előtti) kondenzátortól függ, elgondolásom szerint "felpuhul" a táp. C-L-C-nél ha az egyenirányítás nem is cső, diódák és az első kondenzátor nem termel a nagyobb töltőáramok miatti zajokat. De lehet, csak én vélem így.
Ez mitől girátoros? Miért fojtó?? Mi a girátor???
Sima FET-es áteresztő lehetne, ha jó lenne a rajz. Elképesztő.
Mert "Internetes".
Üdv Urak ! Kérdés, felvetés C-L-C ügyben : Adott egy csővel egyenirányított táp 355 V / 75 mA. Régen törpölök fojtós megoldáson ( ami nincs
), viszont adott régi Videoton R 4430 rádió kimenője, kb 5H primérrel... Bátorkodjam a dolgon ?! BRRR ! 47µF - 5H - 47 uF
A cső adatlapján meg szokták adni a maximális CL tag értékét. Ha jól tudom utána lehet már nagyobb kondi (de javítsatok ki ha tévedek).
Milyen csővel dolgozol?
Mivel SE, légréses, fojtónak jó a primerje (ha az áramot bírja).
Én inkább 10µF-5H-47(100)µF-ban gondolkodnék. Ezenkívül gond lehet a kimenő használatánál fojtónak a melegedés miatt a dupla áramnál, és ezzel összefüggésben a vas is telítésbe mehet. Próba cseresznye.
Ráadásul az egyenirányító cső típusa sem ismert...Lutri
Nem a CL tag értékét adják meg, hanem a pufferkondenzátor értékét maximálják. Ez pedig az egyenirányító cső max csúcsáramával van összefüggésben, és nem a szűréssel. A szűrést az ez után következő frekvencia függő RC, LC feszültségosztó végzi. Ha szükséges, egymás után több is, fokozatonként.
Például egy 5U4G-nél meg van adva mind az a lehetőség ha kondenzátor van a cső után, mind ha induktivitás. Tényleg félreérthető volt. Külön gondoltam az L és külön a C részt.
Valóban, létezik olyan egyenirányító kapcsolás, ami az EI cső után fojtóval kezdődik, és nem tartalmaz puffer kondenzátort. Az ilyen kapcsolást nagyáramú egyenirányítóknál használnak, mert olyan nagyértékű kondenzátort kellene használni, amit az egyenirányító nem bírna el.
A nagyfeszültségű, nagyáramú egyenirányítók ilyenek. A puffer kondenzátorba ugyanis impulzus szerűen töltődik az energia, aminek az átlagértéke megegyezik az egyenáramú fogyasztással. Ezért nem része a puffer kondenzátor a szűrésnek, tehát nem CLC, mert ebből az első C tagot egész más szempontok szerint kell méretezni, mint az azt követő tényleges szűrőt, ami egy egyszerű frekvencia függő feszültség osztó.
Első körben: egyenirányító cső után alapvetően kétféle szűrőkört adatait adtak meg anno a gyárak a régebbi csövekre. LC, CL. Nagyon mások a karakterisztikák, feszültségek, stb..
Az utána lévő egyéb szűrőtagok csak bonyolítják az életet/képletet
Számomra nem volt ismert az egyenirányítás utáni kicsi - vagy semmi - C és aztán fojtó és "tetszés szerinti" szűrő C eltérő hatása. (Nem volt a tananyagomban, vagy hiányoztam
)Egy német 6C33-as kapcsolásban merőben eltérő feszültségeket állítottak elő az egyenirányító utáni kicsi (nF nagyságrendű) C és azt követő LC taggal. Amíg a kicsi C szinte csak zajszűrést végez, a kimenő feszültség jóval kisebb az egyenirányítás utáninál. Ezzel szemben a µF nagyságrendű első C értékével már a kimeneti feszültség "hasonlít" a szokásos, gyökkettővel szorzott egyenirányított, C-vel szűrt feszültségekre. Ha nem szakszerűen fogalmaztam meg a dolgot, majd javítsatok ki. A hozzászólás módosítva: Jan 16, 2018
Idézet: „Graetz->50µF->Induktivitás(pár H)->50µF->1,5KR,50µF->1,5KR,50uF ” Amiről írtam - felpuhított táp - pont ez történt így.
CLC -nél az első kondi szűrés, a soros induktivitás utáni már puffer, ha a funkciót nézzük.
Az első kondi kapacitását mindig az adott csőhöz válasszuk meg.(Adatlap) A puffer már lehet nagyobb értékű,(Pl:100...220uF) a fojtó miatt nem terheli jelentősen az EI csövet feltöltődéskor. Jelentősen javítható még a kapcsolás egy, a tekerccsel párhuzamosan kapcsolt 1-2µF-os PP fólia kondival. Az ábra csak példa.
A nF nagyságrendű pufferkoni nem általános, de nem is ritkaság. Nagyfrekvenciás egyenirányításnál pl. TV képcsó anódfeszültségénél a képcső grafit fellületének nF nagyságrendű kapacitása a puffer, 25 kV/15625 Hz, de normál hálózati egyenirányítóknál is lehet, ha nagyfrekvenciás egységet táplál.
nF -os kondenzátorokat használnak az egyenirányító eszközökkel párhuzamosan, a keresztmoduláció megakadályozására. (a kereszt modulációból származó zúgás másképp kiszűrhetetlen) A pufferkondenzátoros egyenirányító az csúcs egyenirányító, itt "játszik" a gyökkettő, de csak terhelés nélkül, a fojtóval kezdődő szűrésnél átlag egyenirányítás történik, a kimeneti feszültség a pulzáló félszínuszok átlagára áll be.
Kb., ez a dilemmám : 6AX5 GT dióda / adatlap 10uF, 10 H / az erősítőben 40µF-ról megy a kimenőre ötven éve ( én cseréltem újra, 47 µF ) Csak kacérkodtam a gondolattal, hogy picit átpofoznám a tápot. Nem tartalmaz eredetileg fojtót.
Nem. az egyenirányító utáni első kondi (a rajzodon a 20 uF) a puffer kondi, és utánna van az LC alluláteresztő szűrő.
|
Bejelentkezés
Hirdetés |







