Fórum témák
» Több friss téma |
Mielőtt kérdezel, a következő két dolgot ellenőrizd!
I. A helyes tápfeszültségek megléte.
II. A kimeneten van-e egyenfeszültség.
Élesztés.
Szia! Az R3-at a VF3-ra kell kötnöd! A VF3-nál kicsit sántít az ábra.
Szia! Egy egész téma foglakozik ezzel az erősítővel Bővebben: Link.
Sziasztok! Sercegő, nyekergő alapzajt tapasztalok mióta asztali számítógéppel használom a Sony TA-F6B erősítőmet. Másik asztali számítógépre kötve is adja az erősítő ezt az alapzajt ami az egér mozgatására magasabb frekvencián "nyekereg." Viszont telefonnal vagy laptoppal összekötve (akár töltőn van akár nem) semmi alapzaj nincs a Sony erősítővel. Az alapzaj jelen van az általam épített Quad 405-el is ha asztali gépre kötöm, laptoppal ugyanúgy nincs. Viszont egy földeletlen 2.1-es hangfalszettel sincs zaj a számítógéppel, sem pedig egy kis USB tápos PC-s 2.0 hangfalszettel.
Ez földhurok lehet? A házban tudomásom szerint nincs tényleges külön földelés, a földelő vezetékek régen a nullavezetővel lettek a villanyóra szekrényben közösítve. Nem alacsonyfrekvenciás brummot hallok azért furcsa nekem. Mellékeltem a telefonnal felvett zajt miközben hallani ahogy mozgatom az egeret. Örülnék ha tudnátok valami tippet adni hogy lehetne ezt a hibát elhárítani. DI-Box-on kívül létezik más megoldás ami nem rontana a hangminőségen? Egyébként az alaplapi hangkártyával és egy ASUS Xonar belső hangkártyával is ugyanaz a helyzet.
Szia nekem is ezt csinálja "nyekereg" főleg egér mozgatásánál,kiváncsian várom hátha van jó megoldás rá.
Sziasztok! Valaki tud +-58VDCre valami erősítőt?
Lehetőleg olyan kapcsolàst kérnek amihez van nyomtatott áramkör is. Köszönöm a segítséget.
Ha védőfölddel rendelkező konnektorba van dugva a PC is és a végfok is akkor vacak a hangkártya. Az alaplapi hangkártyák általában ilyenek. Ha másikkal is ilyen akkor egyszerűen zavar. Minden kapcsolóüzemű kütyü zavart termel, ha az a zavaráram nem tud hova elfolyni akkor meg fog jelenni valahol.
Mid van hozzá? Megnézted a téma képeit; mert ott jó néhány van. Ha rákattintasz a sárga nyílra, a hozzászólásban elolvashatsz róla mindent.
Egy EI magos trafóm. És ehhez keresek valami erősítőt.
Ismerős a jelenség. Most jelenleg így használom a PC-t. Van egyszerűbb megoldás is, de így most jó. Külső DAC, meg egy optikai/ RCA adapter. Az optikai a tápot nálam az erősítőből kapja, bár más megoldás is lehetséges (bár ez nem audiofil, de leveri az asztali CD játszóm minőségét).
És igy nincs az az idegesítő zaj a kimeneten?
Igaz nekem most egy egyszerű USB hankártya van a gépben mert a sajátja elhalálozott.De a hangja akár jó is lenne ha nem volna az a nagy alapzaj A hozzászólás módosítva: Jan 24, 2018
Nekem van egy ebay-ról rendelt DAC-om. Azzal nyilván nem jön át a "zaj" viszont a saját tápjával alapból magasfrekvenciás sípoló zaja van. Másik 5V-os DC táppal még nem tudtam kipróbálni.
Nekem az Audigy2 is kerregett, majd meguntam és optikai kábelen vittem tovább a jelet.
Házi végfokom van azon nincs optikai bemenet.
Ezzel a DAC-al én is optikai kábelen viszem át a jelet. Csak ennek saját folyamatos zaja van ami fülessel is hallatszik akkor is ha nincs belecsatlakoztatva az optikai kábel. Ezért keresek inkább megoldást az előbbi problémára ahol sima Jack kábelen hallok alapzajt. Furcsa lenne ha egy ASUS Xonar DX hangkártya 192 kHz 24 bit-en ne tudna többet mint az alaplapi.
A hozzászólás módosítva: Jan 24, 2018
Nekem is házi a végfok, pontosabban kínai TPA3116. Az optikai adapter is kínai.
Lehet, hogy a DAC kimeneti erősítője a zajos. A dekóder a viszonylag budget minőség ellenére is zajtalan. Nekem egy discman kimeneti erősítője volt nagyon sávhatárolt, és zajos. Kénytelen voltam kivezetni a direkt jelét, az meg gyönyörűen szólt. Nézd meg, a hangerő poti után milyen áramkör van. Lehet, hogy megérdemelne egy jobb füleserősítőt. Azt meg egyből a potiról lehetne meghajtani.
Egy szimmetrikus bemenetű erősítőt meg lehet hajtani a Sonar-ral, zajmentesen, csak a kábelezést kell átalakítani. A hozzászólás módosítva: Jan 24, 2018
Ez jó ötlet! Korábban építettem egy ilyen fejhallgató erősítőt. link Viszont előbb megpróbálom másik táppal hogy úgy is zajos-e.
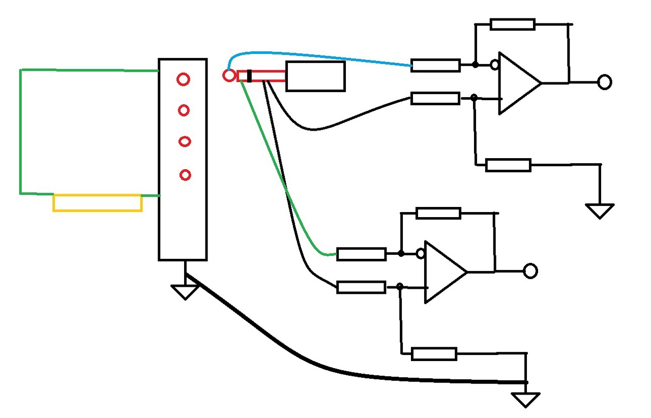
Csináltam egy mórickarajzot, de nem akar feltöltődni. Én meg mindjárt indulok melóba. Egy szimmetrikus fogadó buffer, ami a földhurkon szaladgáló egér lábdübörgést szűri ki. Majd holnap elküldöm.
A hozzászólás módosítva: Jan 24, 2018
Megnéztem ezt a fülesdacot. A kínai linken kapcsitáppal megy. Mivel viszonylag kicsi a fogyasztása, érdemes lenne hozzá építeni egy hagyományos 50 Hz-es tápot sima 5 V-os stabkockával. Talán csak az a prüntyögés forrása.
Nemsokára megvannak a nyákok, és próba
Köszönöm a kirekesztettséget, aminek egyenlőre nem tudom mi az oka, de rajta leszek ígérem ![]() Bár sejtéseim vannak egyes "jóakarók" mentén de ez hamar ki fog derülni. Nem emlékszem hogy valakinek is ártottam volna valamiben... A hozzászólás módosítva: Jan 25, 2018
Szia! Várom a rajzot akkor majd. Köszönöm! Én meg belenézek ha hazaértem a DAC-ba mi van a hangerőpoti után.
Dehogynem ártasz kedves Zotya, magadnak.
Ha akar valaki, akkor sem biztos, hogy segít. Viszont legjobban, Te tudsz segíteni magadnak! Ne a magad vélt sérelmével foglalkozzál, hanem azzal amit csinálsz. Ne rontsad el a siker élményét mellékes dolgokkal. Sajnos áramkörileg zsenge vagyok, a helyi profik meg épp nem értek rá. Ha nem eladásra csinálod, akkor mit vergődsz, csináld a panelt javíthatóra, azt adj neki. Persze a tesztet ne mellőzd el. A VF4-em-ben sikerült idáig a legtöbb hibát csinálnom az akkori sok magánéleti problémám miatt. Most is azt hallgatjuk amikor a hangfal megy, nem hallani a javításokat a doboz mélyén. Elek
Na! sikerült. Az ellenállások legyenek egyformák. Természetesen ez elvi rajz, így a gyakorlatban kell neki kettős táp, meg egyéb kiegészítők. A lényeg, hogy ne a jack kábel relatív nagy ellenállású árnyékolása vezesse az áramot, ami a számítógép, és az erősítő közötti feszültségkülönbségből adódik.
Köszönöm szépen! Nagyjából értem a lényegét. Egyébként műveleti erősítőből milyent ajánlanál ebbe a kapcsolásba? Amúgy ettől függetlenül belenéztem a DAC-ba is. Egy kis TDA2822D végfok IC-t látok bent a kimenetnek. A DAC chipen nem látok feliratot, (már ha az a nagy chip az amire gondolok) a másik az egy 344C, valamint egy 3,3 V-os stabkockát látok még rajt.
Az "U4" a DAC. A soklábú, az meg az agya. Valami cirrus logyc gyártmány. Nekem is ugyanez a bele, csak nincs poti meg TDA2822D. Ez a TDA nem a legjobb. Rossz a tápelnyomás, és magas a zaja. Szerintem ki kellene kerülni.
A szimmetrizáló kapcsolásba akár NE5532, vagy TL072 is mehet. Ha meg még jobban ki akarod élezni, valami jobb. Szerencsére többnyire lábkompatibilisek, így csak ki kell cserélni a foglalatban őket. Nem a legdrágább műveleti szól a legjobban. A hozzászólás módosítva: Jan 25, 2018
A 334C az CS4334 vagy CS4344 dac
CS4344
A kimenetéről ha kipattintod a 2 kerámia kondit (C13, C4), akkor egy normális mkp kondival kicsatolva korrekt hangú dac-ot lehet belőle csinálni. A tda-s hókamóka a potival együtt felesleges, ha direktben viszed ki a jelet a dac-ról, akkor nem lehet benne zaj. Sajna ennek a panelnek a kimenete teljes mértékben a tda-ra épül, így nem nyújtja azt az élményt mint a dac direkt hamisítatlan kimenete. A hangja is sokkal kellemesebb a tda nélkül. Nem rossz a dac csipp, csak gyenge a kínai körítés. Ha forrasztasz egy csatit a dac kicsatoló kondijai után pl a poti bemenetére akkor bele tudsz fülelni, hogy szól a dac kimenet direktben, és hogy a tda-s kiegészítéssel. Ha a kerámia csatoló helyére mkp-t forrasztasz, akár vezetéken keresztül, azt is megtudod fülelni, mennyivel jobb a hangja. Alakítottam már át én is hasonló dac-ot. A nagy csipp CS8416-os. A kínai direkt lesatírozza róla a feliratot. Ez alakítja át a coax/optikai jelet I2S jellé, amit a dac fel tud dolgozni. A tápot feltétlen érdemes trafósra cserélni, mert a kapcsolóüzemű táp által termelt zaj is hallható a kimeneten. Ha kérdés van szívesen segítek.. A hozzászólás módosítva: Jan 26, 2018
Itt igaznak tartom még, hogy a kondi határozza meg a hangot a bejáratás után.
Nálam a wimának egy hét kellett az elfogadható mélynek, de ez a véglegesen 400 óra táján. Ha nagyon "szupi" a rendszer, és ha valakit ez érdekel is.
Persze hogy érdekel.
Bár a bejáratási idő szinte kondinként változik, ahogy a hangkarakter is. Ez a szép ebben a szakmában, hogy kondi csereberével saját fülhöz lehet igazítani a hangképet ![]() Én például Jantzen audio-t használok. Annak kb 150-200 óra kellett. |
Bejelentkezés
Hirdetés |








Köszönöm a kirekesztettséget, aminek egyenlőre nem tudom mi az oka, de rajta leszek ígérem 
Bár sejtéseim vannak egyes "jóakarók" mentén de ez hamar ki fog derülni. Nem emlékszem hogy valakinek is ártottam volna valamiben... 








