Fórum témák
» Több friss téma |
Fórum » Akkumulátor töltő
A másik topikban már válaszoltak, kell egy alkalmas feszültségű és teljesítményű trafó meg egy egyenirányító és kész a töltő, hacsak nem valami csilicsáré kijelzős programozható akármire van szükséged. De én biztos hogy ennyiért neki sem állnék, mert ennyiért a trafót sem kapod meg, és akkor hol van még a doboz, a kábelek, az alkatrészek szállítási költsége meg a munka. Ha nincs zükség nagy töltőáramra akkor ilyennel is lehet tölteni, ezen még a töltőáramot és feszültséget is lehet állítani amit ki is ír, de trafó, egyenirányítás, szűrés ez elé is kell.
Ugyan a másik topicban már volt válasz, de akár itt is nézelődhetsz már ha a válaszok is érdekelnek és nem csak kíváncsiskodsz.
Nem csili vilire gondolok illetve van valami elképzelésem de nem tudom megvalósítható e
Valahonnan hozzám került a képeken látható szerkentyű valami gépnek a tápja lehetett Elvileg ezen szerettem volna módosítani hogy , 1, a kimenete passz 12V-os aksi töltő feszültsége legyen 2, a töltőáramot "lássam" mennyi 3, Ne töltse túl az aksit
Nem pöttyöztem be hagy értesítést kérek a válaszokról
bocsiÉn teljesen "ZÖLD" vagyok ezen a éren a tudásom egy Hintalóénál nem sokkal több. Megépítek egy áramkört ha van nyákterv kapcsolási rajz de nem igazán értem. Na jó van amit értek.
Sziasztok!
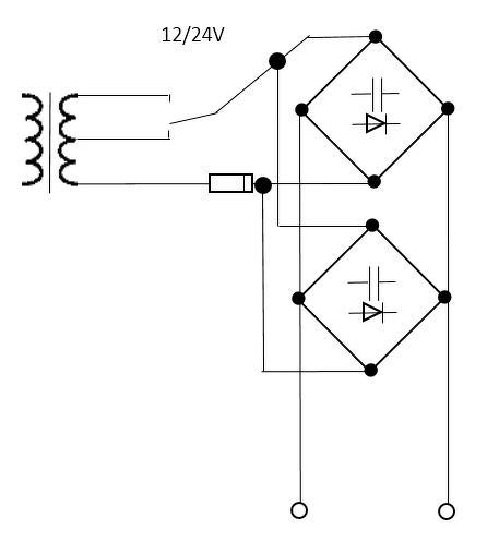
Hoztak hozzám egy akkutöltőt javításra, amibe már valaki bele piszkált. Volt rajta egy kapcsoló, amivel lehetett állítani 12 és 24v között a kimenő feszültséget. Nos ezt kikötötték. Jelen állapotában így van bekötve,mint a rajzon. Azt nem tudom hogy milyen egyenirányítás volt benne eredetileg,most 2 db graetz híd van párhuzamosan kötve 35A-esek, persze kuka mind a kettő. Az lenne a kérdés,hogy ez így jó bekötés, vagy hogyan kellene bekötni hogy működjön. Nem kell a 24v-os része, csak 12v-os akku töltésére kellene. Van 2 db 50A-es graetz hidam, Kössem be ugyan úgy mint ahogy ezek voltak?
Na neee...
Csak az egyik 12V~ szekunder használható egy graetzel. A hozzászólás módosítva: Jan 26, 2018
Így kaptam, ezzel a bekötéssel mint ami a rajzon van. Tehát akkor csak az egyik 12v-os szekundert használjam egy graetzel?
Nem csoda ha tönkrementek a hidak. Köss le mindent a trafóról és járasd kissé hogy kiderüljön nem lett-e menetzárlatos..
Az új hidakat akár így is felhasználhatod.
Szia!
Tegyél úgy,ahogyan"Doky586" fórumtársunk javasolja: -próbáld ki jó-e a trafó Graetz nélkül(eredetileg 1db volt benne)-a230Vos fokozatot is! -egy 12V-os tekercs -egy 50-es Graetz-ne a fémházra tedd közvetlenül,hanem aluminiumlemezre -az összes csatlakozásipontot jól nézd át,mert a problémákat álltalában ezek okozzák. Jó munkát!
Na ez jónak tűnik Tényleg nem voltam elég alapos ezt nekem is meg kellett volna találni
A Hivatkozásod viszont nem működik Bővebben: Link
A trafót néztem,jónak tűnik.14v körül ad le mind a két ágban.
Köszi, de akkor erre nem pazarolok el két hidat. Inkább keresek hozzá két combosabb diódát.
Nem melegszik? Mértél primer áramot? Azt ios lehet vannak 30A -es kettős diódák, abból 2 60A, de nem biztos, hogy olcsóbb, mint csajnából 2 50A-es kocka....
A hozzászólás módosítva: Jan 27, 2018
Mondjuk azt nem mértem, de holnap meg lesz. Elég vastag vezetékből van tekerve, plusz a tekercsre rá van építve egy hőkioldó. Nem látszik rajta hogy bármi baja lenne.
Nézd meg mert lehet hogy van a házon két csavarozható diódának menet.
Csak sajnos képeket elfelejtettél csatolni..
Igaz,ő lenne az. De mivel a tulaj 3 nap alatt vagy ötször rákérdezett hogy mikor lesz kész,így nem keresgetek diódákat hanem beteszem neki az egyik 12v-os tekercsbe a hidat,oszt vigye Isten hírével.
A hozzászólás módosítva: Jan 28, 2018
Hát 50A-el már villás-targonca akksikat szoktam tölteni, igaz nem 12 V-on. De a 25A is elég egy IFA akksihoz.
A fényképet látván, már előtted belenyúlt valaki. A töltő 12-24 V os és ezért a leágazás. A két egyenirányító hidat, lehet párhuzamosítani. A többi cuccal nem tudok mit kezdeni, mert a bélés hiányos.
Egy tipp mellékelve..
Ezt is olvasd el.
Szerintem a tulajdonos nem akkumulátort tölt vele, vagy szikráztassa, vagyis összeütögeti a csipeszeket, hogy jó-e a készülék (régi elavult berögződés). Lehet, hogy be kellene építeni egy erős fényű led diódát , és elbeszélgetni a tulajdonossal a készülék használatáról. A hozzászólás módosítva: Jan 28, 2018
Ha használna védő áramkört akkor nem tudná ezt megtenni. (kép)
Kénytelen lenne szabályosan használni..
Az általad feltöltött kapcsolás, sajnos nem védi a töltőkészüléket, csak az akkumulátort a túltöltéstől.
A csipeszek egymáshoz ütögetése itt is a graetz híd elpusztulásával járna. Idézet: „A csipeszek egymáshoz ütögetése itt is..” Nézd meg jobban..
A relének ez a kikapcsolt állapota.. Az üresjárati fesz nagyobb a billenőfesznél, így azonnal leválaszt az ák.
Ha nincs akkumulátor rákapcsolva miközbem bedugod a 220-ba akkor azonnal behúz a relé és leválasztja a töltőkapcsokat (kevesebb mint 1s), így legfeljebb a pufferkondit szikráztathatja hogy meg legyen az 'érzés' A 150 ohm ellenálláson keresztül semmi baja nem lesz a hídnak. A hozzászólás módosítva: Jan 28, 2018
Köszönöm, így már érthető.
Tehát, akkor csak arra kell vigyázni, hogy a hálózatra kapcsolás pillanatában ne érjenek össze a csipeszek. Még egy dolgon gondolkodom, mégpedig ha az akkumulátor nem helyes polaritással csatlakozik, mi fog történni ? (a biztosító pedig elég lomha). Idézet: A híd tönkremegy és jó eséllyel a trafó is menetzárlatos lesz. A bizti azért megmentheti őket. De h***ékre ne bízz aksitöltést. Akik benzintankba is öngyújtóval néznek be hogy van-e még benzin.. (vagy a bedobott égő gyufa mennyi idő alatt csobban) „nem helyes polaritással csatlakozik, mi fog történni ?”
Ezzel maximum traktor aksit töltenek. De én azt nem értem,hogy a 24v-os állás egyáltalán mire való? Mit töltenek ugyan 24v-al?
Igen,már buherálta valaki. Közben kiderült hogy a műszer sem jó, a 12-24v-ot állító kapcsoló is szét van égve belülről.
|
Bejelentkezés
Hirdetés |







bocsi











