Fórum témák
» Több friss téma |
Uhh. Tényleg én azt nem is figyeltem hogy mikor járt utoljára a fórumon.
Sajnos, erbe-nek igaza van, tegnap volt alkalmam megtapasztalni. Sajnálom az ott dolgozókat is, hát még a betegeket akik oda kerülnek. De a remény hal meg utoljára !!!
A trafó adatait is megtalálhatod ugyanazon az oldalon, valamelyik következő hozzászólásában. Csak figyelmesebben kéne olvasnod.
A hozzászólás módosítva: Dec 17, 2017
Szia. Lenne egy pár kérdésem. Fel is tenném őket csak nem tudom hogy melyik témában lenne a helye.
Régebbi PC tápegységekben van olyan hasonló IC mint a TL494 csak ez 2005Z ha minden igaz akkor megtaláltam az adatlapját. Az első kérdés ebből az IC ből lehet-e csinálni DC-DC konvertert? Hogyan és esetleg van e hozzá valami kapcsolási rajz? 2. Esetleg tudna valaki ebben segíteni? Köszönöm.
Szia!
ezt inkább megrendelném valamelyik kinai oldalról max 500Ft készen. Az IC meg az alkatrészek nem problémásak --De az induktivitás! az igen. bármelyik házt. gépben ilyen táp esetén minden alkatrész cserélhető ,akárhányszor. De ha az induktivitás szétég akkor javithatatlan!
Sziasztok!
Személyautóban lenne szükségem 22V/1A-re, lehetőleg üzembiztos kapcsolást keresek. Köszi
Nézd meg az IC datlapját. Elméletileg ott van benne a NYÁK terve.
A hozzászólás módosítva: Dec 23, 2017
Például LM2587. Én használom egy ideje.
Sziasztok!
Tervezek venni egy ilyen DC-DC modult. A kérdésem az lenne, hogy a megadott értékek mellett mennyire bírja a folyamatos 1A áramot a saját kis bordájával együtt aktív hűtés nélkül? DC be 15V DC ki 5V 1A A hozzászólás módosítva: Dec 23, 2017
Nagyon, folyamatos üzemben mehet nyugodtan...
Köszönöm a válaszod. Valami hasonlóra számítottam.
Rendelek is belőle párat.
Köszi! Jónak tűnik, vajon mennyire megbízható?
Sziasztok!
Egy ismerősöm Dc-Dc konvertere megadta magát. Szerintem túl lett terhelve, és hűtés hiányában elpukkant. A kérdésem annyi, hogy a voltmérő részét a hiányzó step up rész nélkül lehet-e tesztelni, vagy az is kell a működéséhez? Jelenlegi állapot a képen látható, ha így tápot adok neki akkor a D0 led egyfolytában világít, továbbá a kimeneti feszültséget tudom állítani a potméter segítségével, de a kijelzője nem mér semmit. Amennyiben megnyomom a rajta levő nyomógombot a D3 és a D4 led felváltva világít addig még a gombot nyomva tartom. Ekkor a kijelzőn 0,0 érték olvasható. Tudom szinte ingyen adja a kínai, de ha a voltmérő része jó akkor inkább megjavítanám.
Szép napot!
AQH3213 / AQH3223 (adatlap) SSR -t használt már valaki? Egy 230VAC to 12VDC primer oldalát kellene kapcsolnom, és ezzel oldanám meg. Melyik a jobb választás a nullátmenet kapcsolós, vagy -e nélküli verzió előnyösebb a feladatra? Próbálta már valaki, 3.3V -ról megy szerintetek? Ha jól látom az adatlap szerint 1.3V kell a LED -nek...
Szia!
Használd a nullátmenetest és a led-áramot állítsd be soros ellenállással az adatlap szerint a 3.3 voltról.
Ugyan kaptam rá egy választ, de leírom a tapasztalatom, hátha valakinek jól jön.
Szóval megérkezett a DC-DC konverter és a várakozásomon felül teljesített. 15V táp esetén 5V 3A mellett még csak a kis vele járó hűtőbordára se volt szüksége. A terhelést még tovább emelve 4-4.5A áramnál már szükség volt a kis hűtőborda, viszont még mindég passzív hűtéssel ment komoly melegedés nélkül. Nagyon meg vagyok elégedve vele, csak javasolni tudom. A hozzászólás módosítva: Jan 10, 2018
Üdv mindenkinek.
Egy kis segítség kellene nekem egy IC-vel kapcsolatban. Az IC AD84063D ezzel az a gondom hogy adatlapot nem találok hozzá. Pedig a google a barátom. Ha valaki találkozott már ezzel az IC-vel és az adatlapjával megosztaná velem? Még egy kérdés, nem ugyan az mint az MC34063 -as? Köszönöm elöre is.
Próbáld meg visszarajzolni a nyák alapján a kapcsolás főbb részeit. Ebből kiderülhet mennyire hasonlít vagy sem a MC34063-ra.
Nem jól kérdezted a barátodat.
Egyszerűen beírtam a Google keresőbe, és számtalan találatot kaptam. Nagyon úgy néz ki, hogy analóg az MC34063-mal. Nézd meg jól.
eBay-es step-up konverterrel szeretnék előállítani 12V DC-ből 4x 28-36V DC-t. Mind a 4 kimeneten más-más feszültséget szeretnék beállítani. Még konkrét típust nem néztem ki.
A kérdésem az, hogy vajon mekkora az esély arra, hogy összegerjednek? Hogyan lehet ez ellen egyszerűen védekezni?
Mitől gerjednének össze? Gondolom négy különálló konvertert akasz használni.
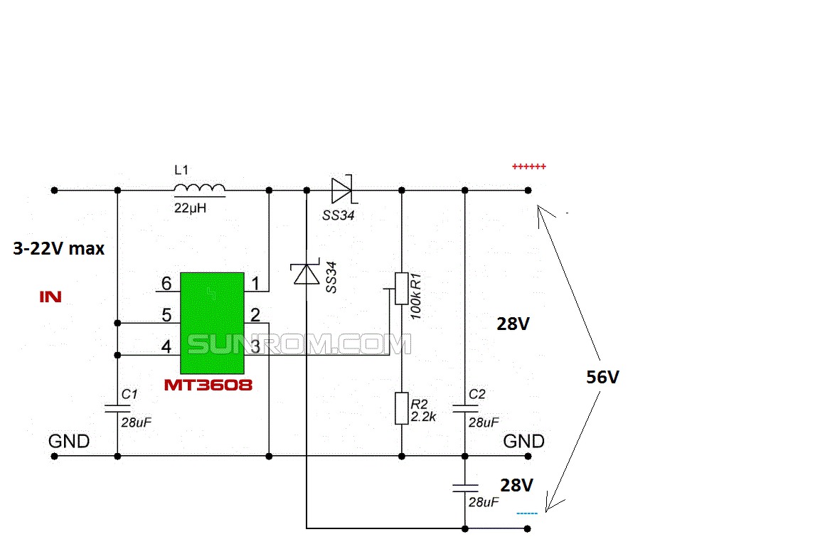
Sziasztok. Véleményeteket szeretném kérni. Van egy csöves torzítóm de a 9V ac-t nem tudom neki mindig biztosítani. Ebből az MT3608-as modulból van itthon jópár, de ez is csak 28V-ot ad le. Elvileg ennek ha a kimenetét megduplázom (az ic ugyanúgy csak 28V-t lát ,viszont a kimeneten a dupláját érem el) így már tápolhatom vele a csövemet? Nem terhelném agyon pár 10mA folyna rajta max. A válaszokat előre is köszönöm.
Hello! Az IC 1-2 lába között van a kapcsolóelem. Tehát az 1-es lábat vagy a GND-re teszi, és felmágnesezi a tekercset, vagy kikapcsol a tranyó, és pozitív feszültségre ugrik az 1-es láb. Vagy is ott a GND-hez képest nem lehet negatív feszültség..
Akkor esetleg volna rá más út hogy meg tudjam duplázni a feszültség kimenetet? Áramra mint írtam nem nagyon lenne szükség max 10-20mA mert ez lenne a cső anódja.
Ebben a kapcsolásban nem igazán. Mert a visszacsatolás (R1/R2) megnövelésével nőne a kimenti feszültség, de a tranyó maximális feszültsége 30V, így ez fölé nem lehet menni. Ezért a 28V végérték..
|
Bejelentkezés
Hirdetés |







Egyszerűen beírtam a Google keresőbe, és számtalan találatot kaptam. Nagyon úgy néz ki, hogy analóg az 





