Fórum témák
» Több friss téma |
Üdv PDM! Nagyon kösznöm,igen hálás vagyok érte.
Remélem megoldodig a problémám. Üdv gyurci.
Szervusztok! A segítségeteket szeretném kérni. Szükségem lenne a Kunmadarasi gyártmányú Modul 200 AC/DC hegesztőgép villamos dokumentációjára. Igazából nem a kártya kapcsolási rajza érdekel(bár ha meg van valakinek annak örülnék, akkor nem kell kirajzolnom) hanem a távkezelő csatlakozó bekötési rajza, mivel ez a gép elvileg MIG áramforrásként is tud üzemelni. Előre köszönöm a fáradozását annak, aki valamilyen formában a rendelkezésemre bocsátja. Üdv.: mpisti
Üdv.
LIFT-es gyújtással ,kapcsolatban volna kérdésem.Az érdekelne mekkora segéd trafóval volna ildomos próbálkozni(Volt ,Amper,Watt).Esetleg egy kapcsolási rajzot nagyon megköszönnék!
Feltennéd ide? Kérném én is rajzt biztosan vagyunk még néhányan. Köszi )
Már alakulgat. Ha készen leszek vele, megosztom veletek.
Liftes gyújtás csak egyenárammal működik.
Tehát a főkör is egyenáramú kell legyen! A főkörre gondolod párhuzamosan kapcsolni a segédkört, ami liftelés esetén egy kicsi ivet tart fent, amíg bekapcsolod a főkört? Ezesetben mondjuk 30V feszültség és 1-2 amper rövidzárási áram elég lenne. (leginkább egy olyan kapcsüzemű táp kellene, ami tudja a folyamatos rövidzárat áramgenerátoros üzemmel (nem csak valamilyen túlterhelésvédelem van benne hanem konkrétan áramgenerátoros) ilyenek pl a LED meghajtók egy része.) De megfelelne egy 40Wos izzó, egy 50Wos 20-30Vos trafó (mondjuk pákatrafó) egy 5Aes graetz meg egy jókora fojtó (hogy mekkora azt még pontosíthatjuk a kell...) A 40Wos izzó a trafó primerével sorbakötve korlátozza majd az áramot, mikor rövidrezárod a pisztojjal a lifteléshez... Ha a segédkör folyamatosan megy, akkor pulzáló awit meg lehetne csinálni a főkör kapcsolgatásával, ami azért elég jó dolog (a segédkör miatt nem alszik ki az ív)... A hozzászólás módosítva: Dec 27, 2016
Igen,a főkörre gondoltam párhuzamosan ezt a segédkört.Lényege az volna ,hogy létrehozzon,egy pici ívet,majd ha ez kialakult bekapcsol a főkör.Lényeg hogy a Wolfram ne sérüljön.Alkalom adtán ki fogom próbálni,az álltalad leírtakkal.Persze itt még el kell játszadozni,a főkör bekapcsolási idejével,miután a segédtáp kialakította ezt a pici ívet.
A 30V nem tudja begyújtani az ívet. Oda 60-80V az ideális. Minél kisebb az elvárt minimális íváram, annál magasabb gyújtófeszültség kell. Ilyen megoldást alkalmazott hajdanán a KEVISZ a TW200-as AWI gépben, bár ott a gyújtás HF volt. A biztos ívgyújtás és tartás miatt a HF gyújtó egység(az alapgép tetején volt elhelyezve) tartalmazott egy 3 fázisú szórótrafót, ami 80V DC segédfeszültséget előállította. Így a tirisztoros szabályozású főáramkört akár 10-12V-ig is le lehetett szabályozni, akkor is biztos volt az ívgyújtás. Amikor már kialakult az íváram, a segédtrafó automatikusan kikapcsolt.
Szia mpisti!
Amilyen trafó van hirtelen, azzal ki kell próbálni, aztán majd kiderül, hogy milyen távolságig képes égve maradni az ív, ha rövid, akkor nagyobb feszültségű trafó kell. 24Vos trafó talán elég gyakori ahhoz, hogy a fiókban is heverjen belőle, 60V os trafót meg valószinűleg venni kell (de ha nem muszáj, akkor minek?). Szerintem én is ki fogom próbálni, ugyan az én inverterem tudja a kontakt awit, de ennek a technikának azért elég korlátozottak hegesztési a lehetőségei. Így is bekötöttem már egy DC kontaktort a főkörbe, hogy pisztojról ki tudjam kapcsolni az ívet. Ha hozzátenném a segédívet akkor még szélesebb körben használható awi lenne.
Sziasztok!
Szenvedek egy régi trafós AWI-s hegesztő géppel. Kisipari gyártmány, sokáig működött AC-DC -t tudna, de a nagyfeszültségű része megadta magát. Jórészt lég szerelt, mint a pókháló, láb-lábhoz forrasztva,kiöntve műgyantával,-szétszedtem hőlégfúvóval, szakadt tört ami tudott, eddig jutottam a rajzzal, nem 100% ez sem... Hátha valakinek ismerős a kapcsolási környezet... Üdv. és BUÉK mindenkinek!
Sziasztok!
Lenne egy ilyen gép:Varstroj 1800 Leírás szerint át lehet alakítani alumínium hegesztésre. Ez awi-t jelent vagy mit pontosan? Barkácsolással át lehet alakítani, hogy lehetőség legyen az awi technikára? Üdv.
AWI-ra biztos nem, legfeljebb alu huzallal argon mellett alu hegesztésre.
Szia! Ez nem AWI-s, az alumínium huzal tolása nehézkesebb, ezért hozzávaló huzalvezető spirál, esetleg tológörgő és a védőgáz argon.Szerintem erre utaltak a leírásban...
Köszönöm a válaszokat.
Ez már csak kíváncsiság, át lehet-e alakítani az elektronikát (készíteni a trafókhoz, vagy az teljesen kapcsolóüzemű cucc, ) + awi munkakábel, úgy hogy lehessen AWI-ra használni? Belenéztem a belébe, de elég sok furcsaságot találtam (egy kapcsolási rajz jól jönne a gyári cuccához, időm még nem volt, hogy szétszedjem és rajzoljak egyet.) Üdv
Nem kell azon átalakítani semmit. Tolóműre aluhoz való görgő("U" vájat), munkakábelba teflon spirál, aluhoz való áramátadó fúvóka argon védőgáz aztán mehet.
Sziasztok!
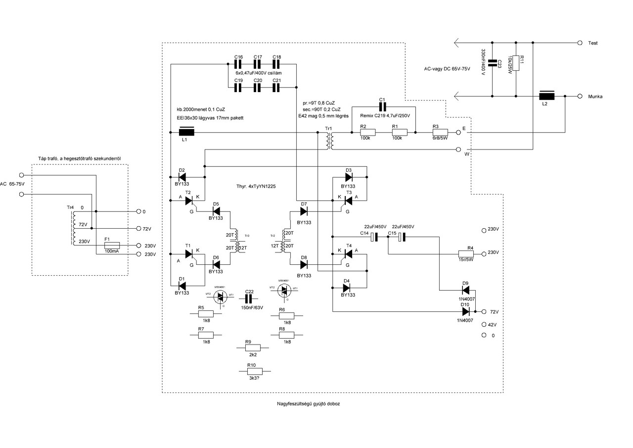
Ezzel a nagyfesztültségű gyújtóval kapcsolatban van -e valakinek tapasztalata, megfelelne az én fentebb , a kérdésemben szereplő régi trafós Ac-Dc- s AWI-s hegesztőmbe? A Tápfeszültsége éppen meglenne, csak a munkaáram polaritását nem figyeli, a képeken legalább is nem látszik túl bonyolultnak. Alunál úgy gondolom komolyabb kell...
Ez is jó,de kell hozzá egy becsatoló trafó,mert úgy nézem az általad feltett rajzon,hogy a becsatoló trafó a régi gyújtóegységben volt. Alunál(AC üzem) a különbség csak annyi,hogy a nagyfesz folyamatosan megy hegesztés közben is, míg DC hegesztésnél csak az ívgyújtást segíti aztán kikapcsol.
Köszi a válaszod, én azért eszelek ezen a munkaáram polaritáson, mert van ez a videó, a 2.-perctől a 2.42- ig látható. De ha nem kellene ezzel foglalkozni, akkor becsatolom a nagyfeszt, és megpróbálok hegeszteni...
Nem kell azon sokat eszelni. A lényege,hogy plusszos legyen az íváram, azaz a pozitív félhullám nagyobb energiájú legyen mint a negatív. Szinuszos, azaz hagyományos trafós gépnél erre való a balansz szabályozás. Itt a balansz beállításnál +10-20% százaléknyi többletet kell beállítani a pozitív félperiódusra a mesterek szerint. Inverteres gépnél pedig a pozitív félhullám kitöltését szabják nagyobbra a beállításnál.
Még talán annyit,hogy a félhullámok polaritásának arányával lehet beállítani hogy a tisztítóhatás legyen nagyobb vagy a beolvadási mélység. Pozitív túlsúlynál a tisztítóhatás nagyobb,negatívnál pedig a beolvadás mélysége.
Üdv!
Olyan kérdésem lenne, hogy adott egy AWI hegesztő, ami úgy is ívet húz, hogyha nincs a munkadarabra rakva a csipesz, de a földelt munkaasztalon van. Milyen módon képes a föld fele ívet húzni?
Ne szórakozz vele, mert még a falban is kiégetheted a védővezetéket! Sajnos, cseréltem már ilyen miatt vezetékezést.
![]() Olyankor nem a testkábeleden megy az áram, hanem megkeresi a számára használható utat, ami általában a gép védővezetéke majd a falban futó védővezeték és valahol visszatalál. Az AWI ilyen szempontból veszélyesebb, mint a többi hegesztési mód, mert nagyfrekvenciás nagyfeszültségű indítójele van, ami a szokásos szerelések kúszóútjain átmászik, különösen ha kis köszörűpor, pára, ez+az rárakódik.
Ilyenkor az a probléma hogy a gép testcsipesz-kivezetése testzárlatos. Meg kell javíttatni, s aztán lehet vele tovább dolgozni.
Az ilyen hibát nem szakadásvizsgálóval szokták megkeresni,hanem szigetelésvizsgálóval, ami nem 9V-os elemről adja a vizsgálófeszültséget. De ha ennyire nem vagy járatos a dologban, keress inkább valakit aki járatosabb ebben a dologban,-mielőtt valami fals cselekedet miatt a gép áldozatul esik a próbálkozásaidnak.
Csak a pilot ív megy, vagy a hegesztő ív is megy?
A pilot ív záródhat a gépben a kimenet-föld közé valószinűleg beépített zavarszűrésen is (szikraköz, varisztor, kerámia kondi kombinációi lehetnek a kimenet egyik pontja és a föld között).
Pilotives gépnél a nagyfesz trafó előtt van zavarszűrés,és mindkét póluson egyforma kapacitásértékkel. Ha ez a kondi zárlatos lesz,akkor az első testpotenciálos ívfogáskor a kondi lába leolvad,és a továbbiakban nincs zavarszűrő képesség az adott póluson. Ez a hiba a kidobozoláskor szabad szemmel is látszik. Ki kell próbálni a gépet testkábel nélkül minimum áramon jól földelt felületen,ha ott is lesz szikra akkor 100% a testzárlat a gépben még akkor is,ha a szakadásmérő mást mutat.
Én csak arra céloztam hogy a pilotív a zavarszűrésen is záródhat (akkor is ha a zavarszűrés hibátlan). Szóval a leírt jelenség nem feltétlen utal hibára (bár valószinű, hogy nem egészséges a gépnek), ha hegeszteni is képes testkábel nélkül, akkor az már probléma.
Üdvözletem az uraknak!
Szeretnék érdeklődni hogy volna egy Kaiser 305-ös masinám, amire azt mondták hogy tud koppintós awi-t. Van e valaki aki próbálkozott volna már vele? Nekem ugyan nem tetszik ez a módszer, inkább raknék bele egy HF gyujtást, ha lehetséges. Ez utobbiról mi lenne a vélemény, lehetséges? vagy ejtsem a dolgot. Köszönöm a segítséget. |
Bejelentkezés
Hirdetés |






