Fórum témák
» Több friss téma |
Sziasztok!
Szereztem egy TOPCA 320BC tipusú vakut, elvileg működik, feltölt (hallani), és világít a ready visszajelző is, az lenne a kérdés, hogy mit csinál vele a fényképezőgép, hogy villantson?
Milyen cső van benne?
képet nem tudsz róla felrakni?
ott a 3as képen a két érintkező feszt kell adni sztem
Próbáltam, 3V-ot adtam neki, de nem jó.
Itt van még kettő kép, talán segít.
Próbáltam rövide zárni is.
Ha lól emléxem a gép elsütéskor rövire zárja a rögzitőelem kivezetéseit.
( "kábeles" vakunk kisütéséhez gyárilag volt a dobozon egy fémpöcök amihez hozzá kellett nyomni a kábel csatiját/rövidzár/) Bár ez 30 évvel ezelőtti technika volt
Hali!
A csatlakozó talpán található kivezetést összekötöd az oldalt találhatóval. Ennyi. Egyébként a 2-es képen látható kis lámpácskát megnyomva is el kéne sülnie. De a belső képen is látni a lámpánál az érintkezőjét.
Sziasztok!
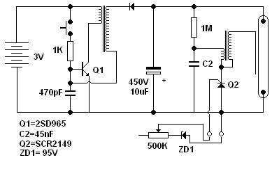
Csináltam egy fél stroboszkópot, de nem tudom megcsinálni azt, hogy villogjon, próbáltam egy ellenállással glimmet rakni a tirisztor gyújtására, de nem megy. teszek fel 2 képet. Így nem lehetne(Zener1.jpg)??
nem akarok hülyeséget mondani,de sztem a kék meg a szürke(?) drót rövidrezárásával tudod elsütni a vakut ha a ready lámpa világít!(ha nem világít még de hallani a magas hangot akkor is el lehet sütni de akkor kisebet villan.(saját tapasztalatom) ja!és töltésnél ha szét van szedve vigyázz n lehetőleg kondinak közelében se legyen a kezed mert úúúgy de úúgy megcsap hogy csak nézelődhetsz utána!
v ki légyszi segítsen! vaku javítási gondom van. egy régi videokazihoz hasonló mikrofilmes gépből kiszedtem a vakut. jól el lehetett vele villantgatni me kimondottan nagyot villant. van egy dióda rajta(NEM LED) az egyszer szikrázott egyet töltésnél. a konciban lévő töltést még ki tudtam sütni. a dióda azóta cserélve lett,de továbbra sem működik a vaku. mi lehet a gond? lehet esetleg h a dióda mikor kisült vitte magával a kondit is? v nemtom mi lehet a baja. lécci segítsen valaki!
Rakj fel képet..
Sziasztok!
Előre is bocs, ha rossz helyre írtam. Asszem már mindent végignéztem itt is és máshol is, de nem lelem sehol Igazából csak a strobihoz van köze, a vakuhoz nem annyira... Szerintem Szóval... Egy olyan kapcsolási rajzot keresnék, ahol a vezérlő 2 villanószálat vezérel és állítani lehet, hogy egyes, vagy kettes villanásokat produkáljon. Illetve ha megbírkózna 4 villanóval még jobb lenne. És mindezt autóaksiról. Előre is köszöntem a segedelmeket!
tettem fel képeket.de am megoldódni láttszik a probléma!
Hello! Én egy Praktica B220-as fényképezőgép vakujából szeretnék mélyhangra villanó strobit csinálni! Ha vkinek van vmi 5lete megosztaná velem! THX
A képen lévő vakuhoz hasonló!
szia remélem ez segít neked ez a leírás arról szól hogy hogyan leher egy sima 200 forintos fényképezőböl stroboszkópot csinálni
Bővebben: Link
Sziasztok!nekem egy gagyi strobim van kis teljesítményű vakuval pici kondi,400/10mikro f os.szeretném kicserélni nagyteljesítményű u alakú vaku csőre.Tudom kondi nagy mikró de akor lassú.. teendőm???Előre is köszönöm
Sziasztok!
Szerzek gagyi fényképezőt, abból kibányászom a vakkut. Hogyan tudom átalakítani, hogy pc tápról(12v) üzemeljen? Nem fog egész estéket menni, számítógépbe kellene. Tudnátok segíteni? Végigolvastam a topicot, de nem találtam számomra megfelelőt. (kezdő vagyok)
Egy egyszerű kapcsolást tudna erre valaki?
ami 5voltból csinál neki 3voltot(7805?), és egy állandó kisütőt.Igazi strobiként szertném üzemeltetni Előre is köszönöm
Akkor probléma nélkül mehet PC-ben.
Az elsütő gombot simán rövidre zárom, a kondit meg kisebbre cserélem, mint a gyári? Így kész is a stroboszkóp? :eek2:
meg szerintem nem árt ha a trafóját kicseréled egy inverterre ami folyamatos 400 volt körüli feszkót biztosít neki! mert így ha meg is csinálod ezt a kapcsolást elég lassú lesz a villogási sebessége! de ez csak tanács.
ahhhjj... akkor nem igazán fogom tudni összebarkácsolni
szerintem jobban jársz ha veszel netről egyet használtan. 3-4000 forintért lehet jókat kapni! pl vatera,teszvesz.(nem reklám célból írtam ki a két nevet!)
Üdv
Ezt a kapcsolást meg lehet csinálni rendes stroboszkóp izzóval is?
A dióda és a stabkocka a táp? vicc, puffer elko+100nF hova lett?.... végén aza bd139 az mi?
|
Bejelentkezés
Hirdetés |
















. Hogy kéne illeszteni a 




